вконтакте

Контактный телефон: +7 (981) 121-46-93, +7 (800) 200-90-76 , Email: parts-katalog@yandex.ru, где купить

 
 

  Логин:

Пароль:

Регистрация

www.partskatalog.ru Все каталоги Запчасти Mercury Запчасти Suzuki Запчасти Tohatsu Запчасти Honda Контакты


Все разделы каталога запчастей на этот двигатель

назад Раздел:   вперёд

вернуться к списку узлов и деталей

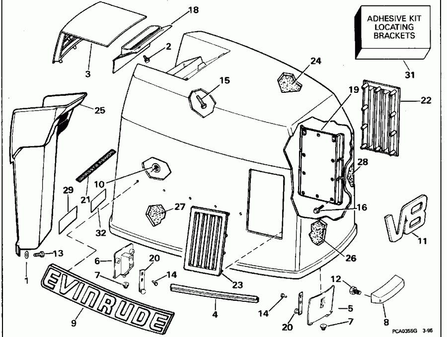
ДЕТАЛИРОВКА ДЛЯ МОДЕЛИ: EVINRUDE E300PLEOR 1995

КРЫШКА ДВИГАТЕЛЯ (КАПОТ) - EVINRUDE | ENGINE COVER - EVINRUDE;


Двигатель Эвинруд E300PLEOR 1995  - Evinrude - Evinrude

Номер на
рисунке
АртикулНаименованиеКол-во
на складе
Цена
0284444 0284444

Крышка двигателя (капот) AY., 250. Not Shown 250TXE-250TZE 250CXE-250CZE Ocean Pro Stylingбелый (ENGINE COVER AY., 250. Not Shown 250TXE-250TZE 250CXE-250CZE Ocean Pro StylingWhite)

нет в наличии, поставок нет
0284758 0284758

Крышка двигателя (капот) AY., 300. Not Shown 300PLE-300PXE стандарт Styling голубой (ENGINE COVER AY., 300. Not Shown 300PLE-300PXE Standard Styling Blue)

нет в наличии, поставок нет
0284758 0284800

   (последний код) COVER AY,MOTOR-

нет в наличии, поставок нет
0284759 0284759

Крышка двигателя (капот) AY., 300. Not Shown 300CXE стандарт Styling голубой (ENGINE COVER AY., 300. Not Shown 300CXE Standard Styling Blue)

нет в наличии, поставок нет
0284759 0284800

   (последний код) COVER AY,MOTOR-

нет в наличии, поставок нет
1 0328703

Шайба, Винт (WASHER, Screw)

нет в наличии, поставок нет
1 3852184

   (последний код) WASHER

нет в наличии, поставок нет
2 0323937

Винт (SCREW)

нет в наличии, поставок нет
3 0328009

Рукоятка наклона (TILT HANDLE)

нет в наличии, поставок нет
3 0330013

   (последний код) TILT-HANDLE

нет в наличии, поставок нет
4 0912173

Резинка капота двигателя (SEAL, Engine cover)

нет в наличии, поставок нет
4 0210762

   (последний код) SEAL,MOTOR COVER

нет в наличии, поставок нет
5 0336990

LOCATING Кронштейн, Front (LOCATING BRACKET, Front)

нет в наличии, поставок нет
6 0336992

LOCATING Кронштейн, Rear (LOCATING BRACKET, Rear)

нет в наличии, поставок нет
7 0324898

Бампер, Locating Кронштейнs (BUMPER, Locating brackets)

нет в наличии, поставок нет
8 0332607

LIFT HANDLE. 250TXE-250TZE 250CXE-250CZE (LIFT HANDLE. 250TXE-250TZE 250CXE-250CZE)

нет в наличии, поставок нет
8 0332608

LIFT HANDLE. 300PLE-300PXE 300CXE (LIFT HANDLE. 300PLE-300PXE 300CXE)

нет в наличии, поставок нет
9 0212800

APPLIQUE, Port & stbd.. 300PLE-300PXE 300CXE (APPLIQUE, Port & stbd.. 300PLE-300PXE 300CXE)

нет в наличии, поставок нет
10 0317223

Защелка, Applique. 300PLE-300PXE 300CXE (FASTENER, Applique. 300PLE-300PXE 300CXE)

нет в наличии, поставок нет
11 0212801

APPLIQUE, Front, V8, 300 (APPLIQUE, Front, V8, 300)

нет в наличии, поставок нет
12 0334004

Винт, Lift handle (SCREW, Lift handle)

нет в наличии, поставок нет
13 0323229

Винт, Baffle (SCREW, Baffle)

нет в наличии, поставок нет
14 0323229

Винт, Крючок (SCREW, Hook)

нет в наличии, поставок нет
15 0323228

Винт, Рукоятка наклона, 7 / 8 дюйм long (SCREW, Tilt handle, 7/8 in. long)

нет в наличии, поставок нет
15 0323229

Винт, Рукоятка наклона, 1 / 2 дюйм long (SCREW, Tilt handle, 1/2 in. long)

нет в наличии, поставок нет
16 0330823

Винт, Louver to Крышка, 300 (SCREW, Louver to cover, 300)

нет в наличии, поставок нет
16 0325838

   (последний код) SCREW

нет в наличии, поставок нет
18 0330012

BAFFLE, Рукоятка наклона (BAFFLE, Tilt handle)

нет в наличии, поставок нет
19 0328608

Кронштейн, Креплениеing, 300 (BRACKET, Mounting, 300)

нет в наличии, поставок нет
20 0397630

Крючок (HOOK)

нет в наличии, поставок нет
21 0211813

APPLIQUE, нижний Рулевая система, 300. 300PLE-300PXE (APPLIQUE, Lower steering, 300. 300PLE-300PXE)

нет в наличии, поставок нет
22 0211903

LOUVER, Port, 300 (LOUVER, Port, 300)

нет в наличии, поставок нет
23 0211904

LOUVER, Starboard, 300 (LOUVER, Starboard, 300)

нет в наличии, поставок нет
24 0341499

SOUND BLANKET, Top (SOUND BLANKET, Top)

нет в наличии, поставок нет
24 0336488

   (последний код) BLANKET,SOUN

нет в наличии, поставок нет
25 0336365

BAFFLE, Air Система впуска (BAFFLE, Air intake)

нет в наличии, поставок нет
26 0341497

SOUND BLANKET, Front (SOUND BLANKET, Front)

нет в наличии, поставок нет
27 0341500

SOUND BLANKET, Stbd., 250 (SOUND BLANKET, Stbd., 250)

нет в наличии, поставок нет
27 0331938

   (последний код) SOUND BLANKET

нет в наличии, поставок нет
27 0341540

SOUND BLANKET, Stbd., 300 (SOUND BLANKET, Stbd., 300)

нет в наличии, поставок нет
27 0334870

   (последний код) SOUND-BLKT

нет в наличии, поставок нет
28 0341495

SOUND BLANKET, Port, 250 (SOUND BLANKET, Port, 250)

нет в наличии, поставок нет
28 0331632

   (последний код) SOUND BLANKET

нет в наличии, поставок нет
28 0341498

SOUND BLANKET, Port, 300 (SOUND BLANKET, Port, 300)

нет в наличии, поставок нет
28 0334871

   (последний код) SOUND-BLKT

нет в наличии, поставок нет
29 0336176

APPLIQUE, обратное вращение, 300. 300CXE (APPLIQUE, Counter rotation, 300. 300CXE)

нет в наличии, поставок нет
31 0431929

ADHESIVE KIT, Locating Кронштейнs (ADHESIVE KIT, Locating brackets)

нет в наличии, поставок нет
32 0211076

Наклейка, обратное вращение (DECAL, Counter rotation)

нет в наличии, поставок нет
0284548 0284548

Комплект наклеек. Not Shown 250TXE-250TZE 250CXE-250CZE Ocean Pro Stylingбелый (DECAL SET. Not Shown 250TXE-250TZE 250CXE-250CZE Ocean Pro StylingWhite)

нет в наличии, поставок нет
0284701 0284701

Комплект наклеек. Not Shown 300PLE-300PXE 300CXE стандарт Stylingголубой (DECAL SET. Not Shown 300PLE-300PXE 300CXE Standard StylingBlue)

нет в наличии, поставок нет
evinrude

Время выполнения запроса 1.8672850131989 сек.


 
 

данный сайт носит информационный характер и не является публичной офертой

склад запчастей для водомоторной техники