вконтакте

Контактный телефон: +7 (981) 121-46-93, +7 (800) 200-90-76 , Email: parts-katalog@yandex.ru, где купить

 
 

  Логин:

Пароль:

Регистрация

www.partskatalog.ru Все каталоги Запчасти Mercury Запчасти Suzuki Запчасти Tohatsu Запчасти Honda Контакты


Все разделы каталога запчастей на этот двигатель

назад Раздел:   вперёд

вернуться к списку узлов и деталей

ДЕТАЛИРОВКА ДЛЯ МОДЕЛИ: EVINRUDE BE30BAEDE 1996

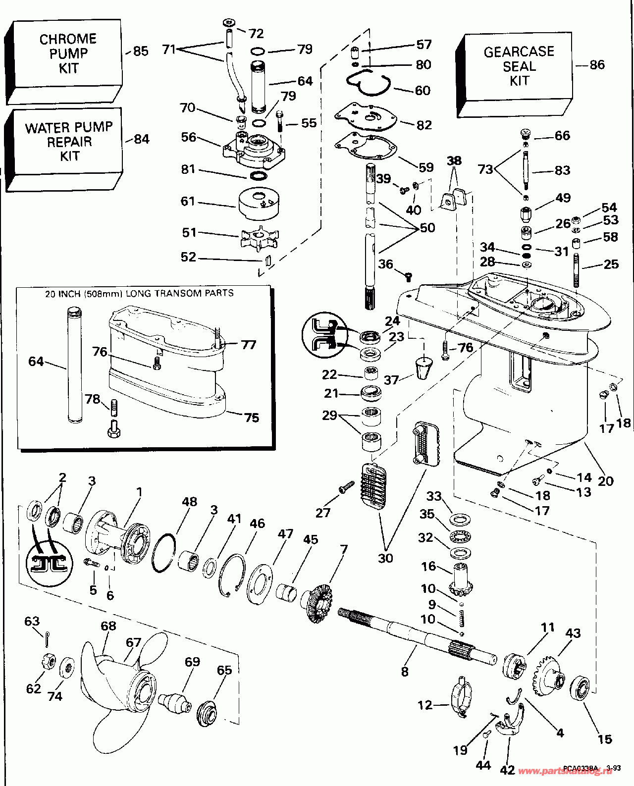
РЕДУКТОР | GEARCASE;


Подвесной мотор Эвинруд BE30BAEDE 1996  - arcase - arcase

Номер на
рисунке
АртикулНаименованиеКол-во
на складе
Цена
0434763 0434763

Редуктор в сборе., комплект. Not Shown Does Not Include DriveВал (GEARCASE ASSY., Complete. Not Shown Does Not Include Driveshaft)

нет в наличии, поставок нет
0434763 0434764

   (последний код) GEARCASE AY,COMPL

нет в наличии, поставок нет
1 0433428

Подшипник Корпус & Сальник (BEARING HOUSING & SEAL)

нет в наличии, поставок нет
1 0387023

   (последний код) BRG-HSG&SEAL

нет в наличии, поставок нет
2 0321453

Сальник, Вал гребного винта (SEAL, Propeller shaft)

нет в наличии, поставок нет
2 0317843

   (последний код) OIL RETAINER

нет в наличии, поставок нет
3 0376856

Подшипник в сборе., Вал гребного винта (BEARING ASSY., Propeller shaft)

нет в наличии, поставок нет
4 0328311

CRADLE, Сцепление dog (CRADLE, Clutch dog)

нет в наличии, поставок нет
5 0319743

Винт, Вал гребного винта brg. hsg. (SCREW, Propeller shaft brg. hsg.)

нет в наличии, поставок нет
6 0332584

Шайба, Кольцевой сальник (WASHER, Seal ring)

нет в наличии, поставок нет
7 0327655

Шестерня обратного хода (GEAR, Reverse)

нет в наличии, поставок нет
8 0390268

Вал гребного винта (PROPELLER SHAFT)

нет в наличии, поставок нет
8 0439143

   (последний код) SHAFT AY,PROPELLER

нет в наличии, поставок нет
9 0327070

Фиксатор пружины, Вал гребного винта (SPRING, Detent, propeller shaft)

нет в наличии, поставок нет
10 0316506

Шарик, Detent, Вал гребного винта (BALL, Detent, propeller shaft)

нет в наличии, поставок нет
11 0337020

Переключатель собачки сцепления (SHIFTER, Clutch dog)

нет в наличии, поставок нет
12 0390023

YOKE и Коннектор в сборе. (YOKE AND CONNECTOR ASSY.)

нет в наличии, поставок нет
12 0386744

   (последний код) YOKE

нет в наличии, поставок нет
13 0308376

Стержень Штифт переключателя Рычаг (PIVOT PIN, Shifter lever)

нет в наличии, поставок нет
13 0303358

   (последний код) PIVOT-PIN

нет в наличии, поставок нет
14 0332584

Шайба, Кольцевой сальник, Стержень Штифт (WASHER, Seal ring, pivot pin)

нет в наличии, поставок нет
15 0386186

Роликовый подшипник, дляward Шестерня (ROLLER BEARING, Forward gear)

нет в наличии, поставок нет
16 0328313

Шестерня, driveВал (GEAR, Pinion, driveshaft)

нет в наличии, поставок нет
17 0307551

Винт (SCREW)

нет в наличии, поставок нет
17 0982851

   (последний код) SCREW-PLUG

нет в наличии, поставок нет
18 0311598

Шайба (WASHER)

нет в наличии, поставок нет
18 3852105

   (последний код) WASHER

нет в наличии, поставок нет
19 0303049

Шплинт, Переключательer Рычаг (COTTER PIN, Shifter lever)

нет в наличии, поставок нет
20 0434030

Редуктор. Does Not Include DriveВал (GEARCASE. Does Not Include Driveshaft)

нет в наличии, поставок нет
20 0432637

   (последний код) GEARCASE-AY

нет в наличии, поставок нет
21 0322018

Корпус подшипника (HOUSING, Bearing)

нет в наличии, поставок нет
22 0386473

Подшипник в сборе. (BEARING ASSY.)

нет в наличии, поставок нет
23 0321928

Фиксатор, Oil, dВал, нижний (RETAINER, Oil, dshaft, lower)

нет в наличии, поставок нет
24 0332261

Сальник, driveВал, верхний (SEAL, Oil, driveshaft, upper)

3 шт720 руб.
25 0320173

Шпилька (STUD)

нет в наличии, поставок нет
26 0326361

Втулка, Переключающая тяга, нижний (BUSHING, Shift rod, lower)

нет в наличии, поставок нет
27 0325539

Винт, Screen to Редуктор (SCREW, Screen to gearcase)

нет в наличии, поставок нет
27 0312270

   (последний код) SCREW

нет в наличии, поставок нет
28 0321738

Шайба, Переключающая тяга Втулка (WASHER, Shift rod bushing)

нет в наличии, поставок нет
29 0376856

Подшипник в сборе., DВал Шестерня (BEARING ASSY., Dshaft pinion)

нет в наличии, поставок нет
30 0336206

SCREEN, Система впуска (SCREEN, Intake)

нет в наличии, поставок нет
30 0353692

   (последний код) SCREEN,INLET

нет в наличии, поставок нет
31 0303347

Уплотнительное кольцо, Scraper (O-RING, Scraper)

нет в наличии, поставок нет
32 0330441

Нижняя упорная шайба (THRUST WASHER, Lower)

нет в наличии, поставок нет
32 0327717

   (последний код) THRUST-WASHE

нет в наличии, поставок нет
33 0327716

Верхняя упорная шайба (THRUST WASHER, Upper)

нет в наличии, поставок нет
34 0301877

Уплотнительное кольцо, Втулка (O-RING, Bushing)

нет в наличии, поставок нет
35 0388027

THRUST Подшипник, Шестерня (THRUST BEARING, Pinion)

нет в наличии, поставок нет
36 0329217

Винт, Пластина трима (SCREW, Trim tab)

нет в наличии, поставок нет
36 0333707

   (последний код) SCREW

нет в наличии, поставок нет
37 0336203

Пластина трима (TRIM TAB)

нет в наличии, поставок нет
38 0434029

Анод KIT (ANODE KIT)

нет в наличии, поставок нет
38 5007582

   (последний код) KIT AY,ANODE

нет в наличии, поставок нет
39 0333677

Винт крепления анода (SCREW, Anode mounting)

нет в наличии, поставок нет
39 3852208

   (последний код) SCREW

нет в наличии, поставок нет
40 0304454

Блокирующая шайба анода (LOCK WASHER, Anode)

нет в наличии, поставок нет
41 0319684

Упорная шайба (THRUST WASHER)

нет в наличии, поставок нет
42 0337019

Рычаг переключателяer (LEVER, Shifter)

нет в наличии, поставок нет
43 0392475

Шестерня & Втулка в сборе., дляward (GEAR & BUSHING ASSY., Forward)

нет в наличии, поставок нет
44 0302504

Штифт, Yoke & conn. to Переключательer Рычаг (PIN, Yoke & conn. to shifter lever)

нет в наличии, поставок нет
45 0319635

Втулка, Reverse Шестерня (BUSHING, Reverse gear)

нет в наличии, поставок нет
46 0319747

Стопорное кольцо (RETAINING RING)

нет в наличии, поставок нет
47 0319746

Фиксатор Пластина, Корпус (RETAINER PLATE, Housing)

нет в наличии, поставок нет
48 0338518

Уплотнительное кольцо, Подшипник Корпус (O-RING, Bearing housing)

5 шт100 руб.
48 0313893

   (последний код) O-RING

нет в наличии, поставок нет
49 0331465

Гайка, Переключающая тяга Коннектор (NUT, Shift rod connector)

нет в наличии, поставок нет
50 0341635

DRIVEВал, Std. (DRIVESHAFT, Std.)

нет в наличии, поставок нет
51 0395289

Крыльчатка в сборе. & Ключ. Also included in kit 393509 (IMPELLER ASSY. & KEY. Also included in kit 393509)

2 шт2060 руб.
51 0395265

   (последний код) IMP AY

2 шт1580 руб.
52 0330619

Ключ, Крыльчатка. Also included in kit 393509 (KEY, Impeller. Also included in kit 393509)

нет в наличии, поставок нет
52 0344470

   (последний код) KEY,IMPELLER-BLK

нет в наличии, поставок нет
53 0301250

Шайба с блокировкой, Exh. hsg. to Шпилька (LOCK WASHER, Exh. hsg. to stud)

нет в наличии, поставок нет
53 0911009

   (последний код) WASHER

нет в наличии, поставок нет
54 0306422

Гайка, Шпилька (NUT, Stud)

нет в наличии, поставок нет
55 0328725

Винт, Крыльчатка Корпус. Also included in kit 393509 (SCREW, Impeller housing. Also included in kit 393509)

нет в наличии, поставок нет
55 3852187

   (последний код) SCREW

нет в наличии, поставок нет
56 0393632

Крыльчатка Корпус & Втулка (IMPELLER HOUSING & BUSHING)

нет в наличии, поставок нет
57 0328754

Втулка, Крыльчатка Корпус (BUSHING, Impeller housing)

нет в наличии, поставок нет
58 0319785

Втулка, Шпилька (BUSHING, Stud)

нет в наличии, поставок нет
59 0325537

Прокладка, Пластина to Редуктор. Also included in kit 396351 Also included in kit 393509 (GASKET, Plate to gearcase. Also included in kit 396351 Also included in kit 393509)

нет в наличии, поставок нет
60 0328753

Сальник, Крыльчатка hsg. to Пластина. Also included in kit 396351 Also included in kit 393509 (SEAL, Impeller hsg. to plate. Also included in kit 396351 Also included in kit 393509)

нет в наличии, поставок нет
61 0328751

Cвыше, Крыльчатка Корпус. Also included in kit 393509 (CUP, Impeller housing. Also included in kit 393509)

нет в наличии, поставок нет
61 0323008

   (последний код) CUP,IMPELLER HSG

нет в наличии, поставок нет
62 0319891

Гайка гребного винта (NUT, Propeller)

нет в наличии, поставок нет
63 0320785

Шплинт (COTTER PIN)

нет в наличии, поставок нет
64 0326692

Проставка, Крыльчатка Корпус, std. (SPACER, Impeller housing, std.)

нет в наличии, поставок нет
64 0322408

   (последний код) SPACER

нет в наличии, поставок нет
65 0335420

Упорная втулка, Гребной винт (THRUST BUSHING, Propeller)

нет в наличии, поставок нет
66 0325624

Коннектор переключающей тяги (CONNECTOR, Shift rod)

нет в наличии, поставок нет
67 0387320

Гребной винт 11 1 / 4 X 7 AL (PROPELLER 11 1/4 X 7 AL)

нет в наличии, поставок нет
67 0391064

Гребной винт 10 X 17 AL (PROPELLER 10 X 17 AL)

нет в наличии, поставок нет
67 0175190

Гребной винт 10 1 / 2 X 11 AL (Std. 25BR-BRL) (PROPELLER 10 1/2 X 11 AL (Std. 25BR-BRL))

нет в наличии, поставок нет
67 0763459

   (последний код) PROP AL 10.5 X 11

нет в наличии, поставок нет
67 0175191

Гребной винт 10 X 13 AL (Std. 20-25) (PROPELLER 10 X 13 AL (Std. 20-25))

нет в наличии, поставок нет
67 0177185

   (последний код) PROP AY,10 X 13

нет в наличии, поставок нет
67 0386317

Гребной винт 11 X 9 AL (PROPELLER 11 X 9 AL)

нет в наличии, поставок нет
67 0763487

   (последний код) PROP, AL 11 X 9

нет в наличии, поставок нет
67 0390728

Гребной винт 10 1 / 2 X 11 SST (PROPELLER 10 1/2 X 11 SST)

нет в наличии, поставок нет
67 0765176

   (последний код) PROP,SS-10X11 3BLD

нет в наличии, поставок нет
67 0390727

Гребной винт 11 X 9 SST (PROPELLER 11 X 9 SST)

нет в наличии, поставок нет
67 0390380

Гребной винт 10 X 15 AL (Std. 25RD, 30) (PROPELLER 10 X 15 AL (Std. 25RD,30))

нет в наличии, поставок нет
67 0763486

   (последний код) PROP, AL 10 X 15

1 шт12590 руб.
67 0390729

Гребной винт 10 X 13 SST (PROPELLER 10 X 13 SST)

нет в наличии, поставок нет
67 0765178

   (последний код) PROP,SST 10X13

нет в наличии, поставок нет
67 0390730

Гребной винт 10 X 15 SST (PROPELLER 10 X 15 SST)

нет в наличии, поставок нет
67 0390731

Гребной винт 10 X 17 SST (PROPELLER 10 X 17 SST)

нет в наличии, поставок нет
68 0332542

CONVERGING Кольцо (CONVERGING RING)

нет в наличии, поставок нет
68 0322101

   (последний код) CONVERGING RING

нет в наличии, поставок нет
69 0392881

Втулка в сборе., Prop. (SST) (BUSHING ASSY., Prop. (SST))

нет в наличии, поставок нет
69 0386638

Втулка в сборе., Prop. (ALUM) (BUSHING ASSY., Prop. (ALUM))

нет в наличии, поставок нет
70 0302497

Нижний пыльник трубки водяного насоса. Also included in kit 393509 (GROMMET, Water tube, lower. Also included in kit 393509)

2 шт250 руб.
71 0395339

Водяная трубка & Шайба, стандарт (WATER TUBE & WASHER, Standard)

нет в наличии, поставок нет
72 0330658

Шайба (WASHER)

нет в наличии, поставок нет
73 0325625

KEEPER, Переключающая тяга, верхний to нижний (KEEPER, Shift rod, upper to lower)

нет в наличии, поставок нет
74 0323943

Проставка гайки гребного винта (SPACER, Propeller nut)

нет в наличии, поставок нет
74 0319892

   (последний код) SPACER

нет в наличии, поставок нет
76 0328333

Винт, Редуктор to Корпус (SCREW, Gearcase to housing)

нет в наличии, поставок нет
79 0311338

Уплотнительное кольцо. Also included in kit 396351 Also included in kit 393509 (O-RING. Also included in kit 396351 Also included in kit 393509)

нет в наличии, поставок нет
80 0301877

Уплотнительное кольцо, Крыльчатка Корпус. Also included in kit 393509 (O-RING, Impeller housing. Also included in kit 393509)

нет в наличии, поставок нет
81 0554545

Уплотнительное кольцо, Cвыше to Крыльчатка hsg.. Also included in kit 396351 Also included in kit 393509 (O-RING, Cup to impeller hsg.. Also included in kit 396351 Also included in kit 393509)

нет в наличии, поставок нет
82 0328755

Пластина корпуса крыльчатки. Also included in kit 393509 (PLATE, Impeller housing. Also included in kit 393509)

1 шт1180 руб.
83 0331479

Переключающая тяга, нижний (SHIFT ROD, Lower)

нет в наличии, поставок нет
0

20 INCH (508 мм) LONG PARTS (20 INCH (508mm)LONG PARTS)

нет в наличии, поставок нет
0396707 0396707

Удлинитель KIT в сборе.. Not Shown (EXTENSION KIT ASSY.. Not Shown)

нет в наличии, поставок нет
0325541 0325541

Переключающая тяга, верхний long. Not Shown (SHIFT ROD, Upper long. Not Shown)

нет в наличии, поставок нет
50 0341638

DRIVEВал, Long (DRIVESHAFT, Long)

нет в наличии, поставок нет
50 0341637

   (последний код) DRIVESHAFT,20"

нет в наличии, поставок нет
53 0306470

Шайба с блокировкой (LOCK WASHER)

нет в наличии, поставок нет
53 3852061

   (последний код) LOCKWASHER

нет в наличии, поставок нет
54 0306422

Гайка (NUT)

нет в наличии, поставок нет
58 0319785

Втулка (BUSHING)

нет в наличии, поставок нет
64 0326693

Проставка, Крыльчатка Корпус, long (SPACER, Impeller housing, long)

нет в наличии, поставок нет
64 0322409

   (последний код) SPACER

нет в наличии, поставок нет
71 0395340

Водяная трубка & Шайба, Long (WATER TUBE & WASHER, Long)

нет в наличии, поставок нет
72 0330658

Шайба (WASHER)

нет в наличии, поставок нет
75 0392967

Удлинитель, Шпилька & Винт в сборе. (EXTENSION, STUD & SCREW ASSY.)

нет в наличии, поставок нет
76 0327973

Винт, Редуктор to Корпус (SCREW, Gearcase to housing)

нет в наличии, поставок нет
76 0339823

   (последний код) SCREW

нет в наличии, поставок нет
77 0320173

Шпилька, Редуктор Удлинитель (STUD, Gearcase extension)

нет в наличии, поставок нет
78 0305283

Винт, Удлинитель (SCREW, Extension)

нет в наличии, поставок нет
79 0311338

Уплотнительное кольцо. Also included in kit 396351 Also included in kit 393509 (O-RING. Also included in kit 396351 Also included in kit 393509)

нет в наличии, поставок нет
0325975 0325975

Крепление, Rubber, нижний Not Shown (MOUNT, Rubber, lower. Not Shown)

нет в наличии, поставок нет
0325974 0325974

Крепление, Rubber, верхний Not Shown (MOUNT, Rubber, upper. Not Shown)

нет в наличии, поставок нет
0325974 0332810

   (последний код) RUBBER MOUNT

нет в наличии, поставок нет
0330621 0330621

Прокладка, Powerhead Основание line. Not Shown (GASKET, Powerhead base line. Not Shown)

нет в наличии, поставок нет
0330621 0324332

   (последний код) GASKET

нет в наличии, поставок нет
84 0393509

Ремкомплект водяного насоса (WATER PUMP REPAIR KIT)

нет в наличии, поставок нет
84 0393630

   (последний код) REPAIR KIT

нет в наличии, поставок нет
84 T-0393630

   (не оригинальный аналог) Ремкомплект насоса охлаждения Johnson/Evinrude 0393630

под заказ штпо запросу
84 0393630

Ремкомплект водяного насоса, (Includes Крыльчатка hou ing) (WATER PUMP REPAIR KIT, (Includes impeller hou ing))

нет в наличии, поставок нет
84 0393509

   (последний код) PUMP KIT

нет в наличии, поставок нет
84 T-0393630

   (не оригинальный аналог) Ремкомплект насоса охлаждения Johnson/Evinrude 0393630

под заказ штпо запросу
85 0393262

Хромированный ремкомплект водяного насоса (CHROME PUMP KIT)

нет в наличии, поставок нет
86 0396351

Комплект сальников редуктора (GEARCASE SEAL KIT)

нет в наличии, поставок нет
evinrude

Время выполнения запроса 5.1404130458832 сек.


 
 

данный сайт носит информационный характер и не является публичной офертой

склад запчастей для водомоторной техники