вконтакте

Контактный телефон: +7 (981) 121-46-93, +7 (800) 200-90-76 , Email: parts-katalog@yandex.ru, где купить

 
 

  Логин:

Пароль:

Регистрация

www.partskatalog.ru Все каталоги Запчасти Mercury Запчасти Suzuki Запчасти Tohatsu Запчасти Honda Контакты


Все разделы каталога запчастей на этот двигатель

назад Раздел:   вперёд

вернуться к списку узлов и деталей

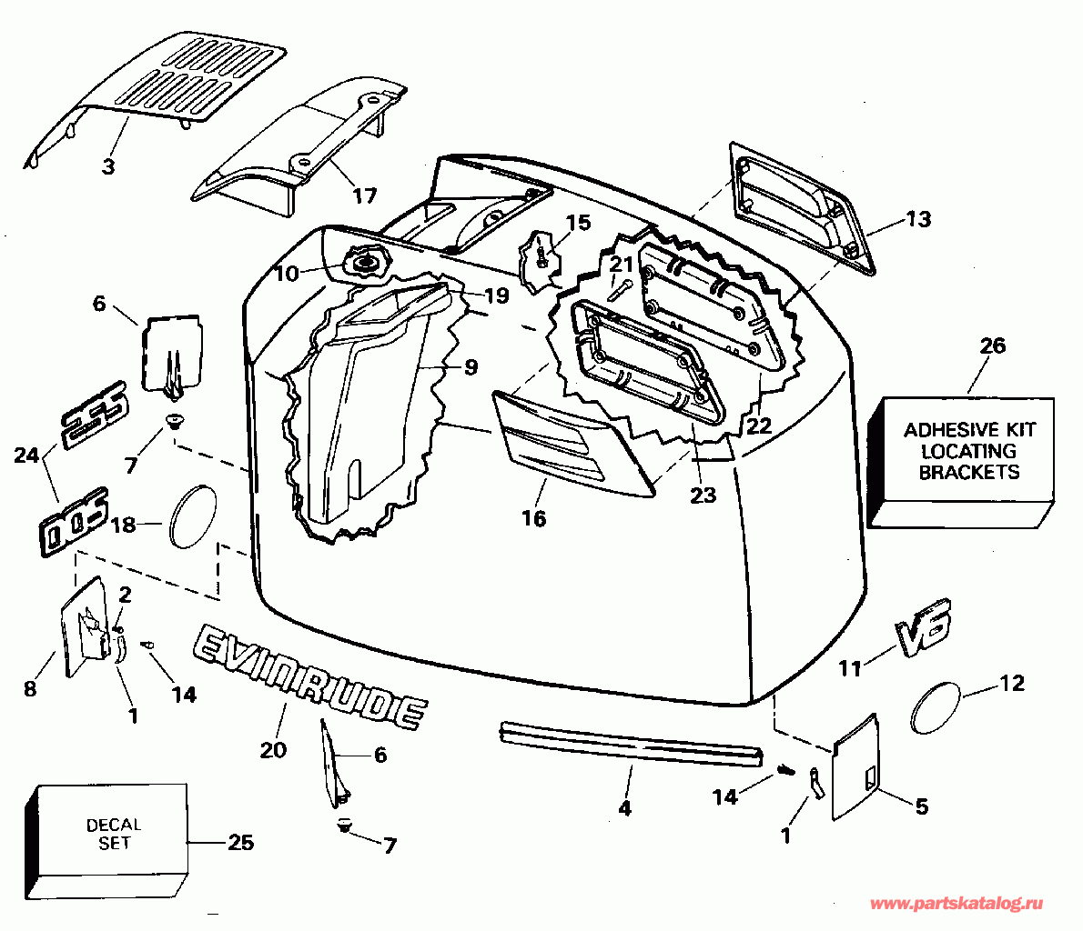
ДЕТАЛИРОВКА ДЛЯ МОДЕЛИ: EVINRUDE HE6FREUR 1997

КРЫШКА ДВИГАТЕЛЯ (КАПОТ) - EVINRUDE | ENGINE COVER - EVINRUDE;


Подвесной мотор EVINRUDE HE6FREUR 1997  - Evinrude

Номер на
рисунке
АртикулНаименованиеКол-во
на складе
Цена
1 0440180

Крышка двигателя (капот) в сборе.. 5 Models (ENGINE COVER ASSY.. 5 Models)

нет в наличии, поставок нет
1 0440173

Крышка двигателя (капот) в сборе.. 6 Models (ENGINE COVER ASSY.. 6 Models)

нет в наличии, поставок нет
2 0446356

Крючок в сборе., Front (HOOK ASSY., Front)

нет в наличии, поставок нет
3 0330838

Винт, Baffle (SCREW, Baffle)

нет в наличии, поставок нет
3 0329268

   (последний код) SCREW

нет в наличии, поставок нет
4 0441137

BAFFLE (BAFFLE)

нет в наличии, поставок нет
5 0341125

APPLIQUE, Four-stroke (APPLIQUE, Four-stroke)

нет в наличии, поставок нет
6 0446339

Заклёпка (RIVET)

нет в наличии, поставок нет
7 0437119

Крючок, Rear (HOOK, Rear)

нет в наличии, поставок нет
8 0341237

Гайка, Крючок to Кронштейн (NUT, Hook to bracket)

нет в наличии, поставок нет
9 0

Сальник, Baffle. сокращёная длина from 309044 (SEAL, Baffle. Cut to Length from 309044)

нет в наличии, поставок нет
10 0437120

Кронштейн в сборе. (BRACKET ASSY.)

нет в наличии, поставок нет
11 0446338

Заклёпка, Rear (RIVET, Rear)

нет в наличии, поставок нет
12 0446355

Сальник, верхний to Нижняя часть корпусаs (SEAL, Upper to lower covers)

нет в наличии, поставок нет
13 0444502

Комплект наклеек. 5 Models (DECAL SET. 5 Models)

нет в наличии, поставок нет
13 0444504

Комплект наклеек. 6 Models (DECAL SET. 6 Models)

нет в наличии, поставок нет
evinrude

Время выполнения запроса 0.8513240814209 сек.


 
 

данный сайт носит информационный характер и не является публичной офертой

склад запчастей для водомоторной техники