вконтакте

Контактный телефон: +7 (981) 121-46-93, +7 (800) 200-90-76 , Email: parts-katalog@yandex.ru, где купить

 
 

  Логин:

Пароль:

Регистрация

www.partskatalog.ru Все каталоги Запчасти Mercury Запчасти Suzuki Запчасти Tohatsu Запчасти Honda Контакты


Все разделы каталога запчастей на этот двигатель

назад Раздел:   вперёд

вернуться к списку узлов и деталей

ДЕТАЛИРОВКА ДЛЯ МОДЕЛИ: EVINRUDE E10RELEUS 1997

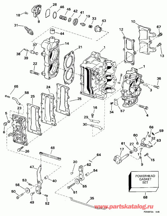
ЦИЛИНДР & КАРТЕР ДВИГАТЕЛЯ | CYLINDER & CRANKCASE;


Лодочный подвесной мотор EVINRUDE E10RELEUS 1997  - linder & Картер двигателя - linder & Crankcase

Номер на
рисунке
АртикулНаименованиеКол-во
на складе
Цена
1 0438595

Цилиндр & Картер двигателя в сборе. (CYLINDER & CRANKCASE ASSY.)

нет в наличии, поставок нет
2 0304178

DOWEL, Подшипник (DOWEL, Bearing)

нет в наличии, поставок нет
3 0300402

конус Штифт (TAPER PIN)

нет в наличии, поставок нет
4 0318622

Винт, Цилиндр to Картер двигателя (SCREW, Cylinder to crankcase)

нет в наличии, поставок нет
5 0311598

Шайба (WASHER)

нет в наличии, поставок нет
5 3852105

   (последний код) WASHER

нет в наличии, поставок нет
6 0307551

Заглушка, Flushing (PLUG, Flushing)

нет в наличии, поставок нет
6 0982851

   (последний код) SCREW-PLUG

нет в наличии, поставок нет
7 0338208

BELLКривошип, Переключающая тяга (BELLCRANK, Shift rod)

нет в наличии, поставок нет
8 0338234

Крышка термостата (COVER, Thermostat)

нет в наличии, поставок нет
9 0319537

Зажим, BellКривошип (CLIP, Bellcrank)

нет в наличии, поставок нет
10 0336637

BYPASS Крышка (BYPASS COVER)

1 шт3280 руб.
10 0333733

   (последний код) COVER

нет в наличии, поставок нет
11 0302504

Штифт, BellКривошип to Переключающая тяга (PIN, Bellcrank to shift rod)

нет в наличии, поставок нет
12 0319332

Прокладка, Bypass Крышка (GASKET, Bypass cover)

нет в наличии, поставок нет
13 0300646

Винт, Bypass Крышка (SCREW, Bypass cover)

нет в наличии, поставок нет
14 0338221

Головка блока цилиндра (CYLINDER HEAD)

нет в наличии, поставок нет
15 0308017

Винт, BellКривошип to Переключающая тяга (SCREW, Bellcrank to shift rod)

нет в наличии, поставок нет
16 0328724

Винт, Фиксатор пружины (SCREW, Detent spring)

нет в наличии, поставок нет
16 3852186

   (последний код) SCREW

нет в наличии, поставок нет
17 0435226

Вал & Рычаг переключателя (SHAFT & LEVER, Shift)

нет в наличии, поставок нет
18 0333706

Винт, Крышка (SCREW, Cover)

нет в наличии, поставок нет
19 0436195

Термостат в сборе. (THERMOSTAT ASSY.)

нет в наличии, поставок нет
20 0310525

Штифт, Кабелиs to Рычагs. Remote Electric Models (PIN, Cables to levers. Remote Electric Models)

нет в наличии, поставок нет
21 0338222

Прокладка головки блока цилиндра (GASKET, Cylinder head)

нет в наличии, поставок нет
22 0319226

Винт, Головка блока цилиндра (SCREW, Cylinder head)

нет в наличии, поставок нет
23 0435266

Кожух выхлопной трубы, Outer (EXHAUST COVER, Outer)

нет в наличии, поставок нет
24 0328497

Кожух выхлопной трубы, Inner (EXHAUST COVER, Inner)

нет в наличии, поставок нет
25 0318925

Прокладка кожуха выхлопной трубы (GASKET, Exhaust cover)

нет в наличии, поставок нет
26 0302288

Винт, Кожух выхлопной трубы (SCREW, Exhaust cover)

нет в наличии, поставок нет
26 3852043

   (последний код) SCREW

нет в наличии, поставок нет
27 0339208

Проставка, Переключающий вал (SPACER, Shift shaft)

нет в наличии, поставок нет
28 0336947

Сальник, Крышка (SEAL, Cover)

нет в наличии, поставок нет
29 0330212

SPРезервное кольцо, Сдвижной переключатель (SPRING, Backup, shift detent)

нет в наличии, поставок нет
30 0330913

Пружина переключателя detent (SPRING, Shift detent)

нет в наличии, поставок нет
30 0329246

   (последний код) SPRING

нет в наличии, поставок нет
31 0437684

Свеча зажигания, Champion QL82C (SPARK PLUG, Champion QL82C)

нет в наличии, поставок нет
31 0386941

Свеча зажигания, Champion L77J4. Опции (SPARK PLUG, Champion L77J4. Optional)

нет в наличии, поставок нет
31 4002080

   (последний код) SP-PLUG L77J

нет в наличии, поставок нет
31 0432424

Свеча зажигания, Champion QL16V. Опции (SPARK PLUG, Champion QL16V. Optional)

нет в наличии, поставок нет
31 0502178

   (последний код) Champion SPARK PLUG QL16V MAR4

нет в наличии, поставок нет
31 0433627

Свеча зажигания, Champion L16V. Опции (SPARK PLUG, Champion L16V. Optional)

нет в наличии, поставок нет
31 0502894

   (последний код) Champion SPARK PLUG L16V MAR4 (CS12209)

нет в наличии, поставок нет
31 0387633

Свеча зажигания, Champion QL77J4. Опции (SPARK PLUG, Champion QL77J4. Optional)

нет в наличии, поставок нет
31 0502180

   (последний код) Champion SPARK PLUG QL77JC4 MAR4

нет в наличии, поставок нет
32 0305650

Шплинт, BellКривошип (COTTER PIN, Bellcrank)

нет в наличии, поставок нет
32 3852052

   (последний код) PIN,COTTER

нет в наличии, поставок нет
33 0336179

Пружина, Термостат (SPRING, Thermostat)

нет в наличии, поставок нет
34 0316134

Винт зажима. Remote Electric Models (SCREW, Clamp. Remote Electric Models)

нет в наличии, поставок нет
35 0338239

Соединитель, Рычаг to Рычаг переключения. Remote Electric Models (LINK, Lever to shift lever. Remote Electric Models)

нет в наличии, поставок нет
36 0306049

Винт, Цилиндр to Картер двигателя (SCREW, Cylinder to crankcase)

нет в наличии, поставок нет
37 0584728

температура Переключатель. Remote Electric Models (TEMPERATURE SWITCH. Remote Electric Models)

нет в наличии, поставок нет
38 0512947

Клемма, Bullet. Remote Electric Models (TERMINAL, Bullet. Remote Electric Models)

нет в наличии, поставок нет
38 0910462

   (последний код) TERM.-60766-

нет в наличии, поставок нет
39 0513185

Гильза. Remote Electric Models (SLEEVE. Remote Electric Models)

нет в наличии, поставок нет
39 0512948

   (последний код) SLEEVE

нет в наличии, поставок нет
40 0338250

Проставка, Рычаг дросселя. Electric Models Шнур Models (SPACER, Throttle lever. Electric Models Rope Models)

нет в наличии, поставок нет
41 0437694

Диафрагма & Cвыше AY., Термостат (DIAPHRAGM & CUP AY., Thermostat)

нет в наличии, поставок нет
42 0336183

Cвыше, Термостат (CUP, Thermostat)

нет в наличии, поставок нет
43 0336178

Корпус, Термостат (HOUSING, Thermostat)

нет в наличии, поставок нет
44 0339692

Гильза (SLEEVE)

нет в наличии, поставок нет
45 0336211

Пружина, Термостат (SPRING, Thermostat)

нет в наличии, поставок нет
46 0336185

Шайба, Крышка to Диафрагма (WASHER, Cover to diaphragm)

нет в наличии, поставок нет
47 0435714

Рычаг дросселя (THROTTLE LEVER)

нет в наличии, поставок нет
48 0338295

Тяга дросселя Рычаг (LINK, Throttle lever)

нет в наличии, поставок нет
49 0338237

Штифт кабеля дросселя to Рычаг. Electric Models Шнур Models (PIN, Throttle cable to lever. Electric Models Rope Models)

нет в наличии, поставок нет
50 0305652

Винт дросселя Рычаг. Electric Models Шнур Models (SCREW, Throttle lever. Electric Models Rope Models)

нет в наличии, поставок нет
50 0310743

   (последний код) SCREW

нет в наличии, поставок нет
51 0333976

Винт, Рычаг переключения. Remote Electric Models (SCREW, Shift lever. Remote Electric Models)

нет в наличии, поставок нет
52 0330838

Винт стопора, W.O.T. (SCREW, Stop, W.O.T.)

нет в наличии, поставок нет
52 0329268

   (последний код) SCREW

нет в наличии, поставок нет
53 0330838

Винт стопора, idle (SCREW, Stop, idle)

нет в наличии, поставок нет
53 0329268

   (последний код) SCREW

нет в наличии, поставок нет
54 0338250

Проставка, Рычаг переключения. Remote Electric Models (SPACER, Shift lever. Remote Electric Models)

нет в наличии, поставок нет
55 0331249

Шайба, Винт, Проставка. Remote Electric Models (WASHER, Screw, spacer. Remote Electric Models)

нет в наличии, поставок нет
55 0330155

   (последний код) WASHER

нет в наличии, поставок нет
56 0511421

Шайба, Рычаг дросселя (WASHER, Throttle lever)

нет в наличии, поставок нет
57 0328059

Струбцина кабеля дросселя. Remote Electric Models (CLAMP, Throttle cable. Remote Electric Models)

нет в наличии, поставок нет
58 0339713

Шланг, Overboard Индикатор (HOSE, Overboard indicator)

нет в наличии, поставок нет
59 0305650

Зажим, Переключатель Соединитель to bellКривошип. Electric Models Шнур Models (CLIP, Shift link to bellcrank. Electric Models Rope Models)

нет в наличии, поставок нет
59 3852052

   (последний код) PIN,COTTER

нет в наличии, поставок нет
60 0304380

Пружинная шайба, BellКривошип, Соединитель. Electric Models Шнур Models (SPRING WASHER, Bellcrank, link. Electric Models Rope Models)

нет в наличии, поставок нет
61 0335521

Втулка, Рычаг переключения (BUSHING, Shift lever)

нет в наличии, поставок нет
62 0340722

Рычаг переключения. Remote Electric Models (SHIFT LEVER. Remote Electric Models)

нет в наличии, поставок нет
62 0338216

   (последний код) LEVER,SHIFT

нет в наличии, поставок нет
63 0316128

Втулка, Стартер Соединитель (BUSHING, Starter link)

нет в наличии, поставок нет
64 0305650

Шплинт. Remote Electric Models (COTTER PIN. Remote Electric Models)

нет в наличии, поставок нет
64 3852052

   (последний код) PIN,COTTER

нет в наличии, поставок нет
65 0336597

OVERBOARD Помпа Индикатор (OVERBOARD PUMP INDICATOR)

нет в наличии, поставок нет
66 0328702

Шайба, BellКривошип to Зажим (WASHER, Bellcrank to clip)

нет в наличии, поставок нет
66 3852183

   (последний код) WASHER

нет в наличии, поставок нет
67 0332203

Винт, Bypass Крышка (SCREW, Bypass cover)

нет в наличии, поставок нет
68 0436358

POWERHEAD Комплект прокладок (POWERHEAD GASKET SET)

нет в наличии, поставок нет
evinrude

Время выполнения запроса 2.5748407840729 сек.


 
 

данный сайт носит информационный характер и не является публичной офертой

склад запчастей для водомоторной техники