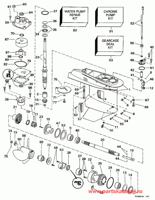
Номер на рисунке | Артикул | Наименование | Кол-во на складе | Цена |
| 0435279 | 0435279 | Редуктор в сборе., Std. (15 дюйм) Not Shown (GEARCASE ASSY., Std. (15 in.). Not Shown) | нет в наличии, поставок нет |
| 0435280 | 0435280 | Редуктор в сборе., Long (20 дюйм) Not Shown (GEARCASE ASSY., Long (20 in.). Not Shown) | нет в наличии, поставок нет |
| 1 | 0435275 | Редуктор в сборе с подшипником. (GEARCASE & BEARING ASSY.) | нет в наличии, поставок нет |
| 2 | 0382343 | Подшипник, Шестерня (BEARING, Pinion) | нет в наличии, поставок нет |
| 3 | 0324852 | RETAINING Винт & Сальник (RETAINING SCREW & SEAL) | нет в наличии, поставок нет |
| 4 | 0332584 | Уплотнительное кольцо (O-RING) | нет в наличии, поставок нет |
| 5 | 0382407 | Подшипник в сборе. (BEARING ASSY.) | 1 шт | 5500 руб. |
| 6 | 0309243 | Заглушка, Fill & drain, верхний (PLUG, Fill & drain, upper) | нет в наличии, поставок нет |
| 6 | 0333800 | (последний код) SCREW | нет в наличии, поставок нет |
| 7 | 0336982 | Уплотнительное кольцо (O-RING) | нет в наличии, поставок нет |
| 8 | 0306376 | Шплинт (COTTER PIN) | нет в наличии, поставок нет |
| 8 | 0306370 | (последний код) COTTER PIN | нет в наличии, поставок нет |
| 10 | 0318544 | Заглушка, Fill & drain, нижний (PLUG, Fill & drain, lower) | нет в наличии, поставок нет |
| 10 | 0912624 | (последний код) SCREW | нет в наличии, поставок нет |
| 11 | 0311598 | Шайба (WASHER) | нет в наличии, поставок нет |
| 11 | 3852105 | (последний код) WASHER | нет в наличии, поставок нет |
| 12 | 0332507 | CRADLE, Переключательer (CRADLE, Shifter) | нет в наличии, поставок нет |
| 13 | 0332514 | Упорная шайба (THRUST WASHER) | нет в наличии, поставок нет |
| 14 | 0397537 | THRUST Подшипник (THRUST BEARING) | нет в наличии, поставок нет |
| 14 | 0979771 | (последний код) THRUST BRG | нет в наличии, поставок нет |
| 15 | 0397627 | Шестерня SET, дляward (GEAR SET, Forward) | нет в наличии, поставок нет |
| 16 | 0332503 | Переключающий вал dog (SHAFT, Shift dog) | нет в наличии, поставок нет |
| 17 | 0332491 | Переключатель собачки сцепления (SHIFTER, Clutch dog) | нет в наличии, поставок нет |
| 18 | 0320310 | Штифт сцепления dog (PIN, Clutch dog) | нет в наличии, поставок нет |
| 19 | 0320311 | Пружина, Сцепление dog Штифт (SPRING, Clutch dog pin) | нет в наличии, поставок нет |
| 20 | 0397541 | Вал гребного винта в сборе. (PROPELLER SHAFT ASSY.) | нет в наличии, поставок нет |
| 20 | 0439138 | (последний код) SHAFT AY,PROPELLER | нет в наличии, поставок нет |
| 21 | 0332489 | Шестерня обратного хода (GEAR, Reverse) | нет в наличии, поставок нет |
| 22 | 0332495 | Фиксатор Пластина, Подшипник Корпус (RETAINER PLATE, Bearing housing) | нет в наличии, поставок нет |
| 23 | 0332484 | Пружина переключателяer (SPRING, Shifter) | нет в наличии, поставок нет |
| 24 | 0553126 | Уплотнительное кольцо, Подшипник Корпус (O-RING, Bearing housing) | нет в наличии, поставок нет |
| 25 | 0432276 | Подшипник Корпус в сборе. (BEARING HOUSING ASSY.) | нет в наличии, поставок нет |
| 25 | 0332493 | (последний код) BRG. HSG | нет в наличии, поставок нет |
| 26 | 0386764 | Игольчатый подшипник в сборе. (NEEDLE BEARING ASSY.) | нет в наличии, поставок нет |
| 27 | 0386765 | Игольчатый подшипник в сборе. (NEEDLE BEARING ASSY.) | нет в наличии, поставок нет |
| 27 | 0377132 | (последний код) NEEDLE BEARING | нет в наличии, поставок нет |
| 28 | 0342887 | Сальник (SEAL) | нет в наличии, поставок нет |
| 29 | 0333706 | Винт, Фиксатор (SCREW, Retainer) | нет в наличии, поставок нет |
| 31 | 0313339 | Гайка, Шестерня to driveВал (NUT, Pinion to driveshaft) | нет в наличии, поставок нет |
| 33 | 0438398 | Приводной вал., Std. (DRIVESHAFT ASSY., Std.) | нет в наличии, поставок нет |
| 33 | 0435268 | (последний код) DRIVESHAFT-A | нет в наличии, поставок нет |
| 33 | 0438399 | Приводной вал., Long (DRIVESHAFT ASSY., Long) | нет в наличии, поставок нет |
| 33 | 0435269 | (последний код) DRIVESHAFT-A | нет в наличии, поставок нет |
| 34 | 0398901 | THRUST Подшипник в сборе. (THRUST BEARING ASSY.) | нет в наличии, поставок нет |
| 35 | 0333771 | Упорная шайба (THRUST WASHER) | нет в наличии, поставок нет |
| 36 | 0313273 | Регулировочная шайба, 0.003 дюйм (0, 07 мм) (SHIM, 0.003 in. (0,07mm)) | нет в наличии, поставок нет |
| 36 | 0332498 | (последний код) SHIM(.003) | нет в наличии, поставок нет |
| 36 | 0313274 | Регулировочная шайба, 0.004 дюйм (0, 10 мм) (SHIM, 0.004 in. (0,10mm)) | нет в наличии, поставок нет |
| 36 | 0332499 | (последний код) SHIM(.004) | нет в наличии, поставок нет |
| 36 | 0313275 | Регулировочная шайба, 0.005 дюйм (0, 12 мм) (SHIM, 0.005 in. (0,12mm)) | нет в наличии, поставок нет |
| 36 | 0332500 | (последний код) SHIM(.005) | нет в наличии, поставок нет |
| 36 | 0313276 | Регулировочная шайба, 0.006 дюйм (0, 14 мм) (SHIM, 0.006 in. (0,14mm)) | нет в наличии, поставок нет |
| 36 | 0332501 | (последний код) SHIM(.006) | нет в наличии, поставок нет |
| 36 | 0313277 | Регулировочная шайба, 0.007 дюйм (0, 16 мм) (SHIM, 0.007 in. (0,16mm)) | нет в наличии, поставок нет |
| 36 | 0332502 | (последний код) SHIM(.007) | нет в наличии, поставок нет |
| 37 | 0310327 | Уплотнительное кольцо, Подшипник Корпус (O-RING, Bearing housing) | нет в наличии, поставок нет |
| 38 | 0435274 | Подшипник Корпус в сборе. (BEARING HOUSING ASSY.) | нет в наличии, поставок нет |
| 38 | 0432287 | (последний код) BRG-HOUSING | нет в наличии, поставок нет |
| 39 | 0342786 | Сальник, Корпус (SEAL, Housing) | нет в наличии, поставок нет |
| 40 | 0432264 | Подшипник в сборе., дляward Шестерня (BEARING ASSY., Forward gear) | нет в наличии, поставок нет |
| 41 | 0302504 | Штифт, Коннектор переключающей тяги (PIN, Connector, shift rod) | нет в наличии, поставок нет |
| 42 | 0332508 | Коннектор переключающей тяги (CONNECTOR, Shift rod) | нет в наличии, поставок нет |
| 44 | 0316506 | Шарик, Detent (BALL, Detent) | нет в наличии, поставок нет |
| 45 | 0316037 | Винт, Крышка to Редуктор (SCREW, Cover to gearcase) | нет в наличии, поставок нет |
| 45 | 0328721 | (последний код) SCREW | нет в наличии, поставок нет |
| 46 | 0332492 | Рычаг переключателя (LEVER, Shift) | нет в наличии, поставок нет |
| 47 | 0397538 | THRUST Подшипник (THRUST BEARING) | нет в наличии, поставок нет |
| 48 | 0434588 | Крышка, Переключающая тяга (COVER, Shift rod) | нет в наличии, поставок нет |
| 48 | 0435543 | (последний код) COVER&O-RING | нет в наличии, поставок нет |
| 49 | 0318372 | Уплотнительное кольцо, Переключающая тяга (O-RING, Shift rod) | нет в наличии, поставок нет |
| 50 | 0333780 | Втулка, Переключающая тяга (BUSHING, Shift rod) | нет в наличии, поставок нет |
| 51 | 0338522 | Уплотнительное кольцо, Крышка to Редуктор (O-RING, Cover to gearcase) | нет в наличии, поставок нет |
| 52 | 0332509 | Переключающая тяга, Std. (SHIFT ROD, Std.) | нет в наличии, поставок нет |
| 52 | 0332510 | Переключающая тяга, Long (SHIFT ROD, Long) | нет в наличии, поставок нет |
| 53 | 0333725 | Упорная шайба, дляward Шестерня (THRUST WASHER, Forward gear) | нет в наличии, поставок нет |
| 54 | 0317178 | Сальник, Винт (SEAL, Screw) | нет в наличии, поставок нет |
| 55 | 0333770 | Винт, Рычаг переключения (SCREW, Shift lever) | нет в наличии, поставок нет |
| 56 | 0317624 | Винт, Корпус to Редуктор (SCREW, Housing to gearcase) | нет в наличии, поставок нет |
| 57 | 0332494 | Водяной экран Система впуска (SCREEN, Water intake) | нет в наличии, поставок нет |
| 58 | 0328694 | Винт, Анод (SCREW, Anode) | нет в наличии, поставок нет |
| 58 | 0911122 | (последний код) SCREW | нет в наличии, поставок нет |
| 59 | 0438544 | Крыльчатка Корпус (IMPELLER HOUSING) | нет в наличии, поставок нет |
| 59 | 0437058 | (последний код) HSG-AY,IMPEL | нет в наличии, поставок нет |
| 60 | 0333758 | Пыльник водяной трубки. Also included in kit 433550 (GROMMET, Water tube. Also included in kit 433550) | нет в наличии, поставок нет |
| 61 | 0302325 | Винт, Крыльчатка Корпус (SCREW, Impeller housing) | нет в наличии, поставок нет |
| 62 | 0325539 | Винт, Water Система впуска (SCREW, Water intake) | нет в наличии, поставок нет |
| 62 | 0312270 | (последний код) SCREW | нет в наличии, поставок нет |
| 63 | 0398873 | Анод, Подшипник Корпус (ANODE, Bearing housing) | нет в наличии, поставок нет |
| 64 | 0341732 | Пыльник, Корпус (GROMMET, Housing) | 1 шт | 160 руб. |
| 64 | 0315748 | (последний код) GROMMET | нет в наличии, поставок нет |
| 65 | 0336530 | Прокладка, Пластина. Also included in kit 433550 (GASKET, Plate. Also included in kit 433550) | нет в наличии, поставок нет |
| 66 | 0305282 | Винт, Редуктор to Корпус (SCREW, Gearcase to housing) | нет в наличии, поставок нет |
| 67 | 0330266 | Шайба с блокировкой (LOCK WASHER) | нет в наличии, поставок нет |
| 67 | 3852200 | (последний код) WASHER | нет в наличии, поставок нет |
| 68 | 0313697 | Винт, Long (SCREW, Long) | нет в наличии, поставок нет |
| 68 | 0312697 | (последний код) SCREW | нет в наличии, поставок нет |
| 69 | 0330265 | Шайба с блокировкой, Long Винт (LOCK WASHER, Long screw) | нет в наличии, поставок нет |
| 70 | 0310584 | Уплотнительное кольцо, Крыльчатка to driveВал (O-RING, Impeller to driveshaft) | нет в наличии, поставок нет |
| 70 | 3852089 | (последний код) O-RING | нет в наличии, поставок нет |
| 71 | 0330266 | Шайба, Винт Пластина трима (WASHER, Screw trim tab) | нет в наличии, поставок нет |
| 71 | 3852200 | (последний код) WASHER | нет в наличии, поставок нет |
| 72 | 0320305 | Упорная втулка в сборе. (THRUST BUSHING ASSY.) | нет в наличии, поставок нет |
| 73 | 0315810 | Проставка гайки гребного винта (SPACER, Propeller nut) | нет в наличии, поставок нет |
| 74 | 0314503 | Гайка гребного винта (NUT, Propeller) | нет в наличии, поставок нет |
| 75 | 0314502 | Шплинт, Гайка гребного винта (COTTER PIN, Propeller nut) | нет в наличии, поставок нет |
| 76 | 0340539 | Пластина трима, Редуктор (TRIM TAB, Gearcase) | нет в наличии, поставок нет |
| 76 | 0332475 | (последний код) TRIM TAB, PLASTIC | нет в наличии, поставок нет |
| 77 | 0335021 | Винт, Пластина трима (SCREW, Trim tab) | нет в наличии, поставок нет |
| 77 | 0330930 | (последний код) SCREW | нет в наличии, поставок нет |
| 79 | 0341038 | Пластина корпуса крыльчатки. Stainless Steel (PLATE, Impeller housing. Stainless Steel) | нет в наличии, поставок нет |
| 79 | 0336251 | (последний код) PLATE | нет в наличии, поставок нет |
| 79 | 0341187 | Пластина корпуса крыльчатки. хромированная пластина (PLATE, Impeller housing. Chrome Plated) | нет в наличии, поставок нет |
| 79 | 0336723 | (последний код) PLATE,IMPELLER | нет в наличии, поставок нет |
| 80 | 0334897 | CAM, Крыльчатка to driveВал (CAM, Impeller to driveshaft) | нет в наличии, поставок нет |
| 81 | 0437059 | Крыльчатка в сборе. (IMPELLER ASSY.) | нет в наличии, поставок нет |
| 81 | 0765350 | (последний код) IMPELLER/O-RING AY | нет в наличии, поставок нет |
| 82 | 0324981 | Сальник, Крыльчатка Корпус. Also included in kit 433550 (SEAL, Impeller housing. Also included in kit 433550) | нет в наличии, поставок нет |
| 86 | 0331188 | Уплотнительное кольцо, Cвыше to Корпус (O-RING, Cup to housing) | 5 шт | 370 руб. |
| 87 | 0340619 | Cвыше, Крыльчатка Корпус. Stainless Steel (CUP, Impeller housing. Stainless Steel) | нет в наличии, поставок нет |
| 87 | 0341186 | Cвыше, Крыльчатка Корпус. хромированная пластина (CUP, Impeller housing. Chrome Plated) | нет в наличии, поставок нет |
| 88 | 0176421 | Гребной винт, 12 1 / 4 x 15. Refer to OMC Genuine Parts Гребной винт Chart (PROPELLER, 12 1/4 x 15. Refer to OMC Genuine Parts Propeller Chart) | нет в наличии, поставок нет |
| 88 | 0778774 | (последний код) PROP,AL 12.25 X 15 | нет в наличии, поставок нет |
| 89 | 0386787 | Гребной винт Втулка в сборе. (PROPELLER BUSHING ASSY.) | нет в наличии, поставок нет |
| 90 | 0332543 | CONVERGING Кольцо (CONVERGING RING) | нет в наличии, поставок нет |
| 90 | 0320476 | (последний код) CONVERGING RING | нет в наличии, поставок нет |
| 91 | 0389145 | Хромированный ремкомплект водяного насоса (CHROME PUMP KIT) | нет в наличии, поставок нет |
| 92 | 0438592 | Ремкомплект водяного насоса (Includes Крыльчатка hous ing) (WATER PUMP REPAIR KIT (Includes impeller hous ing)) | нет в наличии, поставок нет |
| 92 | 0433549 | (последний код) WATERPUMP KIT | нет в наличии, поставок нет |
| 93 | 0433550 | Комплект сальников редуктора (GEARCASE SEAL KIT) | нет в наличии, поставок нет |