вконтакте

Контактный телефон: +7 (981) 121-46-93, +7 (800) 200-90-76 , Email: parts-katalog@yandex.ru, где купить

 
 

  Логин:

Пароль:

Регистрация

www.partskatalog.ru Все каталоги Запчасти Mercury Запчасти Suzuki Запчасти Tohatsu Запчасти Honda Контакты


Все разделы каталога запчастей на этот двигатель

назад Раздел:   вперёд

вернуться к списку узлов и деталей

ДЕТАЛИРОВКА ДЛЯ МОДЕЛИ: EVINRUDE HE55RSLC 1997

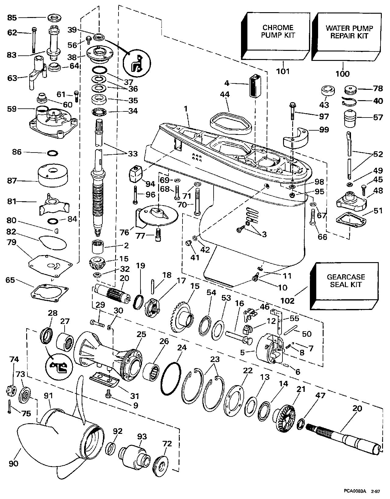
РЕДУКТОР | GEARCASE;


Мотор Evinrude HE55RSLC 1997  - arcase / arcase

Номер на
рисунке
АртикулНаименованиеКол-во
на складе
Цена
0437943 0437943

Редуктор в сборе.. Not Shown 15 дюйм (381 мм) Models Only (GEARCASE ASSY.. Not Shown 15 in. (381mm) Models Only)

нет в наличии, поставок нет
0437943 5000251

   (последний код) G-CASE 15" 45&55HP

нет в наличии, поставок нет
0437944 0437944

Редуктор в сборе.. Not Shown 20 дюйм (508 мм) Models Only (GEARCASE ASSY.. Not Shown 20 in. (508mm) Models Only)

нет в наличии, поставок нет
0437944 5000252

   (последний код) G-CASE 20" 45&55HP

нет в наличии, поставок нет
0437945 0437945

Редуктор в сборе.. Not Shown 22.5 дюйм (571 мм) Models Only (GEARCASE ASSY.. Not Shown 22.5 in. (571mm) Models Only)

нет в наличии, поставок нет
0437945 5000253

   (последний код) GEARCASE AY- 22

нет в наличии, поставок нет
1 0437031

Редуктор в сборе с подшипником. (GEARCASE & BEARING ASSY.)

нет в наличии, поставок нет
1 5005458

   (последний код) GEARCASE&BRG AY

нет в наличии, поставок нет
2 0382343

Подшипник, Шестерня (BEARING, Pinion)

нет в наличии, поставок нет
3 0324852

RETAINING Винт & Сальник (RETAINING SCREW & SEAL)

нет в наличии, поставок нет
0332584 0332584

Шайба, Кольцевой сальник. Not Shown (WASHER, Seal ring. Not Shown)

нет в наличии, поставок нет
4 0314175

Водяной экран Система впуска (SCREEN, Water intake)

нет в наличии, поставок нет
5 0391365

Подшипник Корпус в сборе. (BEARING HOUSING ASSY.)

нет в наличии, поставок нет
5 0984096

   (последний код) BEARING HOUSING

нет в наличии, поставок нет
6 0331880

Штифт, Корпус to Редуктор (PIN, Housing to gearcase)

нет в наличии, поставок нет
7 0327345

Шарик, Detent (BALL, Detent)

нет в наличии, поставок нет
8 0911961

Фиксатор пружины (SPRING, Detent)

нет в наличии, поставок нет
9 0908158

Винт, Анод (SCREW, Anode)

нет в наличии, поставок нет
9 3852050

   (последний код) SCREW

нет в наличии, поставок нет
10 0318544

Винт, Fill & drain Заглушка, нижний (SCREW, Fill & drain plug, lower)

нет в наличии, поставок нет
10 0912624

   (последний код) SCREW

нет в наличии, поставок нет
11 0311598

Шайба (WASHER)

нет в наличии, поставок нет
11 3852105

   (последний код) WASHER

нет в наличии, поставок нет
12 0334163

CRADLE, Переключательer (CRADLE, Shifter)

5 шт1880 руб.
12 0322900

   (последний код) CRADLE-SHIFT

нет в наличии, поставок нет
13 0313447

Упорная шайба (THRUST WASHER)

нет в наличии, поставок нет
14 0382408

THRUST Подшипник (THRUST BEARING)

нет в наличии, поставок нет
15 0398522

Шестерня SET, дляward. (GEAR SET, Forward.)

нет в наличии, поставок нет
15 0398523

   (последний код) GEARSET-&-TA

нет в наличии, поставок нет
16 0326668

Переключающий вал dog (SHAFT, Shift dog)

нет в наличии, поставок нет
17 0318303

Переключатель собачки сцепления (SHIFTER, Clutch dog)

нет в наличии, поставок нет
18 0313448

Штифт сцепления dog (PIN, Clutch dog)

нет в наличии, поставок нет
19 0324369

Пружина, Сцепление dog Штифт (SPRING, Clutch dog pin)

нет в наличии, поставок нет
19 0313454

   (последний код) SPRING

нет в наличии, поставок нет
20 0385558

Вал гребного винта в сборе. (PROPELLER SHAFT ASSY.)

нет в наличии, поставок нет
20 0439153

   (последний код) SHAFT AY,PROPELLER

нет в наличии, поставок нет
21 0318353

Шестерня обратного хода (GEAR, Reverse)

1 шт46100 руб.
22 0313453

Фиксатор Пластина, Подшипник Корпус (RETAINER PLATE, Bearing housing)

нет в наличии, поставок нет
23 0313445

Стопорное кольцо (RETAINING RING)

нет в наличии, поставок нет
24 0313446

Уплотнительное кольцо, Подшипник Корпус (O-RING, Bearing housing)

нет в наличии, поставок нет
25 0434391

Подшипник Корпус в сборе. (BEARING HOUSING ASSY.)

нет в наличии, поставок нет
25 0397188

   (последний код) BRG-HSG ASSY

нет в наличии, поставок нет
26 0382407

Игольчатый подшипник в сборе. (NEEDLE BEARING ASSY.)

1 шт5500 руб.
27 0379504

Игольчатый подшипник в сборе. (NEEDLE BEARING ASSY.)

нет в наличии, поставок нет
28 0342787

Сальник (SEAL)

нет в наличии, поставок нет
29 0320041

Винт, Корпус to Редуктор (SCREW, Housing to gearcase)

нет в наличии, поставок нет
29 0316564

   (последний код) SCREW BRG HSG

нет в наличии, поставок нет
30 0332584

Сальник (SEAL)

нет в наличии, поставок нет
31 0431708

Анод, Подшипник Корпус (ANODE, Bearing housing)

нет в наличии, поставок нет
31 0397111

   (последний код) ANODE-AY

нет в наличии, поставок нет
32 0313339

Гайка, Шестерня to driveВал (NUT, Pinion to driveshaft)

нет в наличии, поставок нет
33 0437063

Приводной вал.. 15 дюйм (381 мм) Models Only (DRIVESHAFT ASSY.. 15 in. (381mm) Models Only)

нет в наличии, поставок нет
33 5000167

   (последний код) KIT ASSY DRIVESHAFT 15

нет в наличии, поставок нет
33 0437064

Приводной вал.. 20 дюйм (508 мм) Models Only (DRIVESHAFT ASSY.. 20 in. (508mm) Models Only)

нет в наличии, поставок нет
33 5000168

   (последний код) KIT AY,DRIVESFT-20

нет в наличии, поставок нет
33 0437065

Приводной вал.. 22.5 дюйм (571 мм) Models Only (DRIVESHAFT ASSY.. 22.5 in. (571mm) Models Only)

нет в наличии, поставок нет
33 5000169

   (последний код) KIT AY,DRVSFT-22.5

нет в наличии, поставок нет
34 0385068

THRUST Подшипник в сборе. (THRUST BEARING ASSY.)

1 шт7500 руб.
35 0317230

Упорная шайба (THRUST WASHER)

нет в наличии, поставок нет
36 0323889

Регулировочная шайба, 0.003 дюйм (0, 07 мм) (SHIM, 0.003 in. (0,07mm))

нет в наличии, поставок нет
36 0323890

Регулировочная шайба, 0.004 дюйм (0, 10 мм) (SHIM, 0.004 in. (0,10mm))

нет в наличии, поставок нет
36 0317232

Регулировочная шайба, 0.005 дюйм (0, 12 мм) (SHIM, 0.005 in. (0,12mm))

нет в наличии, поставок нет
37 0313754

Уплотнительное кольцо, Подшипник Корпус (O-RING, Bearing housing)

нет в наличии, поставок нет
38 0385087

Подшипник Корпус в сборе. (BEARING HOUSING ASSY.)

нет в наличии, поставок нет
39 0342786

Сальник (SEAL)

нет в наличии, поставок нет
40 0320107

Крепёжный хомут, Сальник to Тяга. 20 дюйм (508 мм) Models Only 22.5 дюйм (571 мм) Models Only (TIE STRAP, Seal to rod. 20 in. (508mm) Models Only 22.5 in. (571mm) Models Only)

нет в наличии, поставок нет
40 5035626

   (последний код) BAND,REM CON

нет в наличии, поставок нет
41 0307551

Винт, Fill & drain Заглушка, верхний (SCREW, Fill & drain plug, upper)

нет в наличии, поставок нет
41 0982851

   (последний код) SCREW-PLUG

нет в наличии, поставок нет
42 0311598

Шайба (WASHER)

нет в наличии, поставок нет
42 3852105

   (последний код) WASHER

нет в наличии, поставок нет
43 0305762

Кольцевой сальник. 15 дюйм (381 мм) Models Only (SEAL RING. 15 in. (381mm) Models Only)

нет в наличии, поставок нет
44 0324937

Сальник, Редуктор to inner exh. hsg. (SEAL, Gearcase to inner exh. hsg.)

нет в наличии, поставок нет
44 0313656

   (последний код) SEAL

нет в наличии, поставок нет
45 0328725

Винт, Крышка to Редуктор (SCREW, Cover to gearcase)

нет в наличии, поставок нет
45 3852187

   (последний код) SCREW

нет в наличии, поставок нет
46 0324037

Рычаг переключателя (LEVER, Shift)

8 шт3700 руб.
47 0316484

Упорная шайба, Переключательer (THRUST WASHER, Shifter)

нет в наличии, поставок нет
48 0387336

Крышка в сборе (COVER ASSY.)

нет в наличии, поставок нет
48 0386921

   (последний код) COVER

нет в наличии, поставок нет
49 0318372

Уплотнительное кольцо, Переключающая тяга (O-RING, Shift rod)

нет в наличии, поставок нет
50 0320145

Штифт рычага to Корпус (PIN, Lever to housing)

нет в наличии, поставок нет
50 0323945

   (последний код) PIN-SHIFTER

нет в наличии, поставок нет
51 0314082

Прокладка крышки to Редуктор (GASKET, Cover to gearcase)

12 шт650 руб.
51 0320312

   (последний код) GASKET

нет в наличии, поставок нет
52 0327366

Переключающая тяга. 15 дюйм (381 мм) Models Only (SHIFT ROD. 15 in. (381mm) Models Only)

нет в наличии, поставок нет
52 0320132

   (последний код) SHIFT-ROD-ST

нет в наличии, поставок нет
52 0327367

Переключающая тяга. 20 дюйм (508 мм) Models Only (SHIFT ROD. 20 in. (508mm) Models Only)

нет в наличии, поставок нет
52 0320133

   (последний код) SHIFT-ROD-LO

нет в наличии, поставок нет
52 0330704

Переключающая тяга. 22.5 дюйм (571 мм) Models Only (SHIFT ROD. 22.5 in. (571mm) Models Only)

нет в наличии, поставок нет
53 0324766

Упорная шайба, дляward Шестерня (THRUST WASHER, Forward gear)

нет в наличии, поставок нет
54 0385043

THRUST Подшипник, дляward Шестерня (THRUST BEARING, Forward gear)

нет в наличии, поставок нет
54 3852221

   (последний код) BEARING-AY,T

нет в наличии, поставок нет
55 0330701

DETENT, Переключательer (DETENT, Shifter)

нет в наличии, поставок нет
56 0909386

Винт, Корпус to Редуктор (SCREW, Housing to gearcase)

нет в наличии, поставок нет
57 0317922

Сальник, Переключающая тяга. 20 дюйм (508 мм) Models Only 22.5 дюйм (571 мм) Models Only (SEAL, Shift rod. 20 in. (508mm) Models Only 22.5 in. (571mm) Models Only)

нет в наличии, поставок нет
59 0438545

Крыльчатка Корпус (IMPELLER HOUSING)

нет в наличии, поставок нет
59 0436996

   (последний код) HSG AY,IMPELLER

нет в наличии, поставок нет
60 0333758

Пыльник водяной трубки (GROMMET, Water tube)

нет в наличии, поставок нет
61 0328725

Винт, Крыльчатка Корпус, short (SCREW, Impeller housing, short)

нет в наличии, поставок нет
61 3852187

   (последний код) SCREW

нет в наличии, поставок нет
62 0337574

Винт, Крыльчатка Корпус, long (SCREW, Impeller housing, long)

нет в наличии, поставок нет
63 0438424

Кронштейн, Водяная трубка (BRACKET, Water tube)

нет в наличии, поставок нет
63 0438388

   (последний код) KIT AY,WATER PUMP

нет в наличии, поставок нет
64 0341732

Пыльник, Корпус (GROMMET, Housing)

1 шт160 руб.
64 0315748

   (последний код) GROMMET

нет в наличии, поставок нет
65 0336530

Прокладка водяной помпы (GASKET, Water pump)

нет в наличии, поставок нет
66 0305282

Винт, Редуктор to Корпус. 15 дюйм (381 мм) Models Only 20 дюйм (508 мм) Models Only (SCREW, Gearcase to housing. 15 in. (381mm) Models Only 20 in. (508mm) Models Only)

нет в наличии, поставок нет
67 0302865

Шайба с блокировкой. 15 дюйм (381 мм) Models Only 20 дюйм (508 мм) Models Only (LOCK WASHER. 15 in. (381mm) Models Only 20 in. (508mm) Models Only)

нет в наличии, поставок нет
67 0307708

   (последний код) LOCKWASHER

нет в наличии, поставок нет
68 0306503

Винт, Short. 15 дюйм (381 мм) Models Only 20 дюйм (508 мм) Models Only (SCREW, Short. 15 in. (381mm) Models Only 20 in. (508mm) Models Only)

нет в наличии, поставок нет
68 0316533

   (последний код) SCREW

нет в наличии, поставок нет
68 0328561

Винт, Редуктор Креплениеing. 22.5 дюйм (571 мм) Models Only (SCREW, Gearcase mounting. 22.5 in. (571mm) Models Only)

нет в наличии, поставок нет
69 0306470

Шайба с блокировкой, Short Винт (LOCK WASHER, Short screw)

нет в наличии, поставок нет
69 3852061

   (последний код) LOCKWASHER

нет в наличии, поставок нет
70 0313697

Винт, Long. 15 дюйм (381 мм) Models Only 20 дюйм (508 мм) Models Only (SCREW, Long. 15 in. (381mm) Models Only 20 in. (508mm) Models Only)

нет в наличии, поставок нет
70 0312697

   (последний код) SCREW

нет в наличии, поставок нет
70 0329022

Винт, Редуктор to exh. hsg.. 22.5 дюйм (571 мм) Models Only (SCREW, Gearcase to exh. hsg.. 22.5 in. (571mm) Models Only)

нет в наличии, поставок нет
71 0306314

Шайба с блокировкой, Long Винт (LOCK WASHER, Long screw)

нет в наличии, поставок нет
72 0127084

Упорная втулка в сборе. (THRUST BUSHING ASSY.)

нет в наличии, поставок нет
72 0384574

   (последний код) BUSHING

нет в наличии, поставок нет
73 0315810

Проставка гайки гребного винта (SPACER, Propeller nut)

нет в наличии, поставок нет
74 0314503

Гайка гребного винта (NUT, Propeller)

нет в наличии, поставок нет
75 0314502

Шплинт, Гайка гребного винта (COTTER PIN, Propeller nut)

нет в наличии, поставок нет
76 0127466

Пластина трима, Редуктор (TRIM TAB, Gearcase)

нет в наличии, поставок нет
76 0337348

   (последний код) TAB,TRIM

нет в наличии, поставок нет
77 0313715

Винт, Пластина трима (SCREW, Trim tab)

нет в наличии, поставок нет
78 0321452

Пыльник. 20 дюйм (508 мм) Models Only 22.5 дюйм (571 мм) Models Only (GROMMET. 20 in. (508mm) Models Only 22.5 in. (571mm) Models Only)

нет в наличии, поставок нет
78 0318249

   (последний код) GROMMET

нет в наличии, поставок нет
79 0341038

Пластина корпуса крыльчатки. Stainless Steel (PLATE, Impeller housing. Stainless Steel)

нет в наличии, поставок нет
79 0336251

   (последний код) PLATE

нет в наличии, поставок нет
79 0341187

Пластина корпуса крыльчатки. хромированная пластина (PLATE, Impeller housing. Chrome Plated)

нет в наличии, поставок нет
79 0336723

   (последний код) PLATE,IMPELLER

нет в наличии, поставок нет
80 0334897

Ключ, Крыльчатка to driveВал (KEY, Impeller to driveshaft)

нет в наличии, поставок нет
81 0437059

Крыльчатка в сборе. (IMPELLER ASSY.)

нет в наличии, поставок нет
81 0765350

   (последний код) IMPELLER/O-RING AY

нет в наличии, поставок нет
82 0324981

Сальник, Крыльчатка Корпус (SEAL, Impeller housing)

нет в наличии, поставок нет
83 0330205

Проставка, Крыльчатка Корпус. 22.5 дюйм (571 мм) Models Only (SPACER, Impeller housing. 22.5 in. (571mm) Models Only)

нет в наличии, поставок нет
84 0310584

Уплотнительное кольцо, Крыльчатка to driveВал (O-RING, Impeller to driveshaft)

нет в наличии, поставок нет
84 3852089

   (последний код) O-RING

нет в наличии, поставок нет
85 0329171

Сальник, Проставка to exh. Корпус. 22.5 дюйм (571 мм) Models Only (SEAL, Spacer to exh. housing. 22.5 in. (571mm) Models Only)

нет в наличии, поставок нет
85 0330204

   (последний код) SEAL

нет в наличии, поставок нет
86 0331188

Уплотнительное кольцо, Cвыше to Корпус (O-RING, Cup to housing)

5 шт370 руб.
87 0340619

Cвыше, Крыльчатка Корпус. Stainless Steel (CUP, Impeller housing. Stainless Steel)

нет в наличии, поставок нет
87 0341186

Cвыше, Крыльчатка Корпус. хромированная пластина (CUP, Impeller housing. Chrome Plated)

нет в наличии, поставок нет
90 0391198

Гребной винт, 13 3 / 4 x 15 AL Std.. Refer to OMC Genuine Parts Гребной винт Chart (PROPELLER, 13 3/4 x 15 AL Std.. Refer to OMC Genuine Parts Propeller Chart)

нет в наличии, поставок нет
90 0765182

   (последний код) PROP AY,AL 13.5X15

нет в наличии, поставок нет
91 0332393

CONVERGING Кольцо, Alum. props (CONVERGING RING, Alum. props)

нет в наличии, поставок нет
91 0325996

   (последний код) CONVERGING RING

нет в наличии, поставок нет
92 0313926

Гильза, Втулка (SLEEVE, Bushing)

нет в наличии, поставок нет
92 3850831

   (последний код) SLEEVE-PROP

нет в наличии, поставок нет
93 0384977

Гребной винт Втулка в сборе. (PROPELLER BUSHING ASSY.)

нет в наличии, поставок нет
0392461 0392461

ZINC Анод KIT. Not Shown (ZINC ANODE KIT. Not Shown)

нет в наличии, поставок нет
94 0436745

Анод & INSERT, Редуктор (ANODE & INSERT, Gearcase)

нет в наличии, поставок нет
94 0393023

   (последний код) ANODE&INSERT AY

нет в наличии, поставок нет
95 0313022

Гайка, Анод (NUT, Anode)

нет в наличии, поставок нет
95 3852118

   (последний код) NUT,LOCK

нет в наличии, поставок нет
96 0328096

Винт (SCREW)

нет в наличии, поставок нет
96 0327046

   (последний код) SCREW

нет в наличии, поставок нет
97 0324430

Винт, Анод (SCREW, Anode)

нет в наличии, поставок нет
97 0316658

   (последний код) SCREW

нет в наличии, поставок нет
98 0307555

Блокирующая шайба анода (LOCK WASHER, Anode)

нет в наличии, поставок нет
99 0392462

Анод и INSERT, дляward (ANODE AND INSERT, Forward)

нет в наличии, поставок нет
100 0438593

Ремкомплект водяного насоса, (Includes Крыльчатка hou sing) (WATER PUMP REPAIR KIT, (Includes impeller hou sing))

нет в наличии, поставок нет
100 5000308

   (последний код) KIT AY,WATER PUMP

нет в наличии, поставок нет
100 T-5000308

   (не оригинальный аналог) Ремкомплект насоса охлаждения Evinrude-Johnson 5000308

под заказ шт8100 руб.
101 0389145

Хромированный ремкомплект водяного насоса (CHROME PUMP KIT)

нет в наличии, поставок нет
102 0396349

Комплект сальников редуктора (GEARCASE SEAL KIT)

нет в наличии, поставок нет
102 5000309

   (последний код) KIT AY,SEAL-GRC

нет в наличии, поставок нет
evinrude

Время выполнения запроса 3.2757201194763 сек.


 
 

данный сайт носит информационный характер и не является публичной офертой

склад запчастей для водомоторной техники