вконтакте

Контактный телефон: +7 (981) 121-46-93, +7 (800) 200-90-76 , Email: parts-katalog@yandex.ru, где купить

 
 

  Логин:

Пароль:

Регистрация

www.partskatalog.ru Все каталоги Запчасти Mercury Запчасти Suzuki Запчасти Tohatsu Запчасти Honda Контакты


Все разделы каталога запчастей на этот двигатель

назад Раздел:   вперёд

вернуться к списку узлов и деталей

ДЕТАЛИРОВКА ДЛЯ МОДЕЛИ: EVINRUDE E150ICXEUC 1997

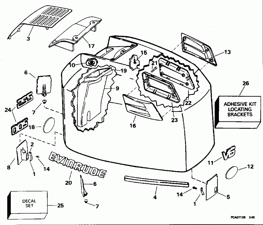
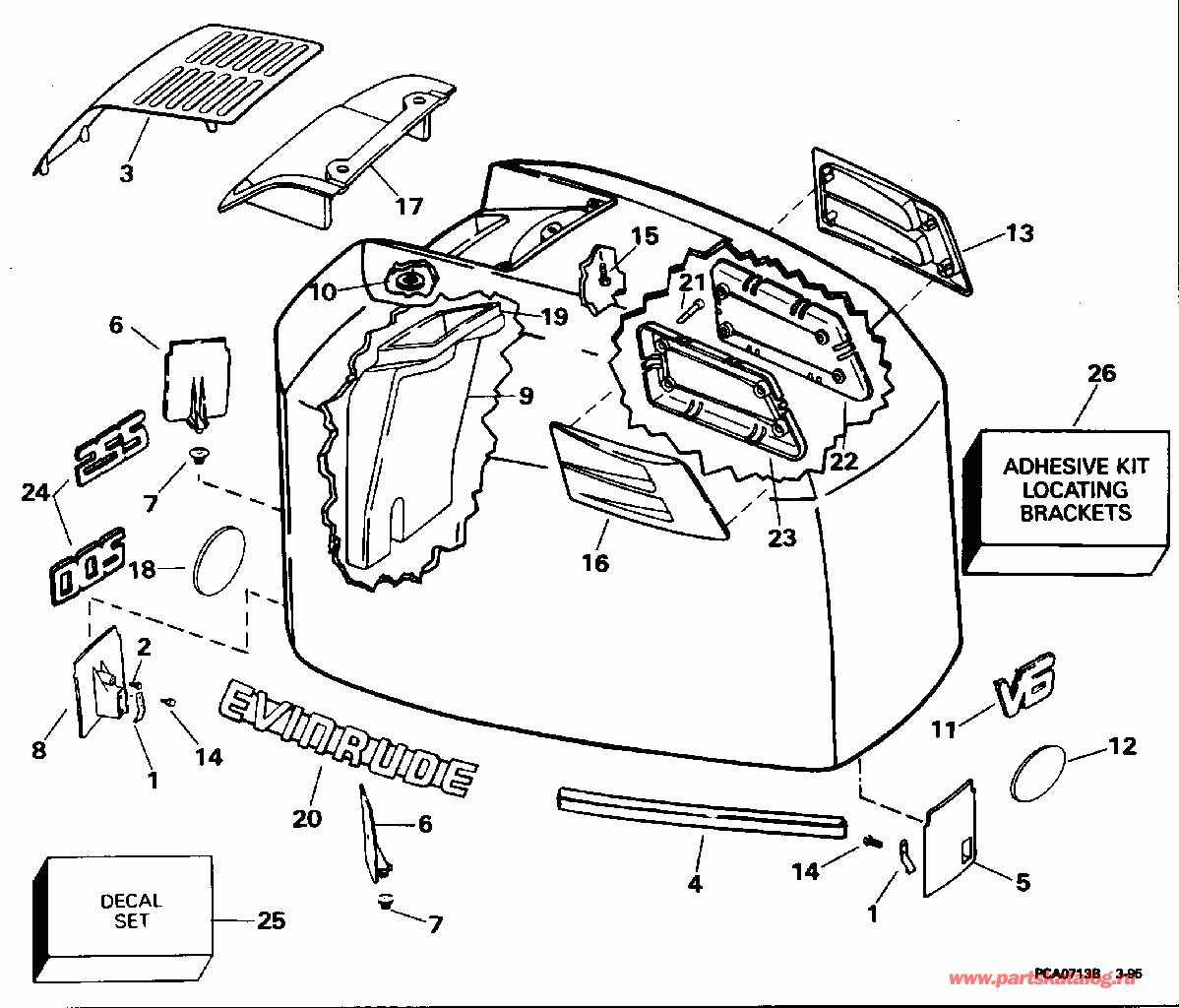
КРЫШКА ДВИГАТЕЛЯ (КАПОТ) -- EVINRUDE | ENGINE COVER -- EVINRUDE;


Подвесной мотор Evinrude E150ICXEUC 1997  -  Evinrude - Evinrude

Номер на
рисунке
АртикулНаименованиеКол-во
на складе
Цена
1 0284807

Крышка двигателя (капот) в сборе.. 150ILEU (ENGINE COVER ASSY.. 150ILEU)

нет в наличии, поставок нет
1 0285030

Крышка двигателя (капот) в сборе.. 150PLEU, 150IXEU (ENGINE COVER ASSY.. 150PLEU, 150IXEU)

нет в наличии, поставок нет
1 0285098

Крышка двигателя (капот) в сборе.. 150ICXEU (ENGINE COVER ASSY.. 150ICXEU)

нет в наличии, поставок нет
2 0343081

SOUND BLANKET, Top & rear (SOUND BLANKET, Top & rear)

нет в наличии, поставок нет
3 0342420

Сальник (SEAL)

нет в наличии, поставок нет
4 0342191

Винт, Крючок (SCREW, Hook)

нет в наличии, поставок нет
4 0336753

   (последний код) SCREW

нет в наличии, поставок нет
5 0435716

Крючок в сборе. (HOOK ASSY.)

нет в наличии, поставок нет
6 0343079

SOUND BLANKET, Port (SOUND BLANKET, Port)

нет в наличии, поставок нет
7 0330823

Винт, Duct to Крышка (SCREW, Duct to cover)

нет в наличии, поставок нет
7 0325838

   (последний код) SCREW

нет в наличии, поставок нет
8 0342415

LOCATING Кронштейн (LOCATING BRACKET)

нет в наличии, поставок нет
9 0342416

Крышка, Air Система впуска (COVER, Air intake)

нет в наличии, поставок нет
10 0342418

Канал воздуховода (DUCT, Air intake)

нет в наличии, поставок нет
11 0324898

Бампер (BUMPER)

нет в наличии, поставок нет
12 0343080

SOUND BLANKET, Stbd. (SOUND BLANKET, Stbd.)

нет в наличии, поставок нет
13 0212906

LENS, Evinrude logo, rear. 150ILEU (LENS, Evinrude logo, rear. 150ILEU)

нет в наличии, поставок нет
14 0212907

LENS, Rear. 150ILEU (LENS, Rear. 150ILEU)

нет в наличии, поставок нет
15 0212908

LENS, Front. 150ILEU (LENS, Front. 150ILEU)

нет в наличии, поставок нет
15 0213396

LENS, Front. 150PLEU, 150IXEU 150ICXEU (LENS, Front. 150PLEU, 150IXEU 150ICXEU)

нет в наличии, поставок нет
16 0343073

LOCATING Кронштейн, Rear (LOCATING BRACKET, Rear)

нет в наличии, поставок нет
17 0284917

Комплект наклеек. 150ILEU (DECAL SET. 150ILEU)

нет в наличии, поставок нет
17 0285066

Комплект наклеек. 150PLEU, 150IXEU 150ICXEU (DECAL SET. 150PLEU, 150IXEU 150ICXEU)

нет в наличии, поставок нет
18 0431929

ADHESIVE KIT, Locating Кронштейнs (ADHESIVE KIT, Locating brackets)

нет в наличии, поставок нет
evinrude

Время выполнения запроса 2.5031039714813 сек.


 
 

данный сайт носит информационный характер и не является публичной офертой

склад запчастей для водомоторной техники