вконтакте

Контактный телефон: +7 (981) 121-46-93, +7 (800) 200-90-76 , Email: parts-katalog@yandex.ru, где купить

 
 

  Логин:

Пароль:

Регистрация

www.partskatalog.ru Все каталоги Запчасти Mercury Запчасти Suzuki Запчасти Tohatsu Запчасти Honda Контакты


Все разделы каталога запчастей на этот двигатель

назад Раздел:   вперёд

вернуться к списку узлов и деталей

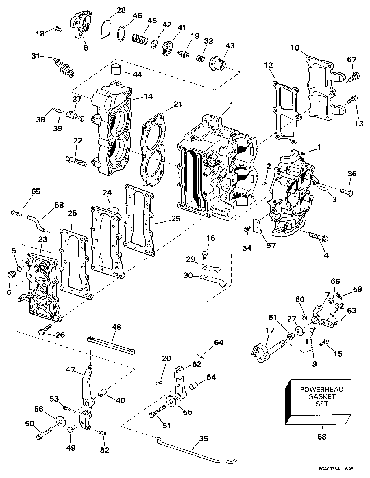
ДЕТАЛИРОВКА ДЛЯ МОДЕЛИ: EVINRUDE E10FRECM 1998

ГОЛОВКА БЛОКА ЦИЛИНДРА & КОЛЕНВАЛ | CYLINDER HEAD & CRANKSHAFT;


Лодочный подвесной мотор Evinrude E10FRECM 1998  - linder Head & Коленвал - linder Head & Crankshaft

Номер на
рисунке
АртикулНаименованиеКол-во
на складе
Цена
1 0437776

Поршень & Кольцо, стандарт (PISTON & RING, Standard)

нет в наличии, поставок нет
1 0337185

   (последний код) PISTON STD.

нет в наличии, поставок нет
1 0437777

Поршень & Кольцо, 0.030 дюйм O.S. (PISTON & RING, 0.030 in. O.S.)

нет в наличии, поставок нет
1 0339773

   (последний код) PISTON,.030 IN

нет в наличии, поставок нет
2 0436289

Кольцо SET, стандарт (RING SET, Standard)

нет в наличии, поставок нет
2 0436290

Кольцо SET, 0.030 O.S. (RING SET, 0.030 O.S.)

нет в наличии, поставок нет
3 0337213

Стопорное кольцо (RETAINING RING)

нет в наличии, поставок нет
4 0337242

Клапан, впускной (VALVE, Intake)

нет в наличии, поставок нет
5 0331249

Шайба, Винт, Шкив распредвала (WASHER, Screw, camshaft pulley)

нет в наличии, поставок нет
5 0330155

   (последний код) WASHER

нет в наличии, поставок нет
6 0337200

WRIST Штифт (WRIST PIN)

нет в наличии, поставок нет
7 0434837

Шатун в сборе. (CONNECTING ROD ASSY.)

нет в наличии, поставок нет
8 0306482

Шайба (WASHER)

нет в наличии, поставок нет
9 0337220

Винт, Тяга Колпачок (SCREW, Rod cap)

нет в наличии, поставок нет
10 0340168

TAB, Locking (TAB, Locking)

нет в наличии, поставок нет
11 0337235

Сальник, Коленвал, нижний (SEAL, Crankshaft, lower)

нет в наличии, поставок нет
12 0337237

Сальник, Клапан (SEAL, Valve)

нет в наличии, поставок нет
13 0338324

Вал, Распределительный вал to Масляный насос (SHAFT, Camshaft to oil pump)

нет в наличии, поставок нет
14 0438264

Рычаг в сборе., Rocker (ARM ASSY., Rocker)

нет в наличии, поставок нет
14 0436244

   (последний код) ARM-AY,ROCKE

нет в наличии, поставок нет
15 0437022

Подшипник в сборе., Main (BEARING ASSY., Main)

нет в наличии, поставок нет
16 0339320

BELT, Drive (BELT, Drive)

нет в наличии, поставок нет
17 0435284

Распредвал. (CAMSHAFT ASSY.)

нет в наличии, поставок нет
18 0338325

Штифт, Roll (PIN, Roll)

нет в наличии, поставок нет
19 0338166

Корпус масляного насоса (COVER, Oil pump)

нет в наличии, поставок нет
20 0340531

Cвыше, Пружина to Коромысло (CUP, Spring to rocker arm)

нет в наличии, поставок нет
21 0337233

Винт, Цилиндр Клапан adjustment (SCREW, Cylinder valve adjustment)

нет в наличии, поставок нет
22 0338167

Прокладка масляного насоса to Головка блока цилиндра (GASKET, Oil pump to cylinder head)

нет в наличии, поставок нет
23 0321831

Сальник, Распределительный вал (SEAL, Oil, camshaft)

нет в наличии, поставок нет
23 0315288

   (последний код) SEAL

нет в наличии, поставок нет
24 0437122

Кронштейн & Шпилька в сборе., Крышка ремня (BRACKET & STUD ASSY., Belt cover)

нет в наличии, поставок нет
25 0337238

Седло пружины клапана (SEAT, Valve spring)

нет в наличии, поставок нет
26 0341259

Крышка, Приводной ремень (COVER, Drive belt)

нет в наличии, поставок нет
27 0339209

Пружина, Вал коромысла to cyl. hd. (SPRING, Shaft, rocker arm to cyl. hd.)

нет в наличии, поставок нет
28 0343232

Корпус, Масляный насос (HOUSING, Oil pump)

нет в наличии, поставок нет
28 0337201

   (последний код) HOUSING,OIL PUMP

нет в наличии, поставок нет
29 0337229

KEEPER, Клапан (KEEPER, Valve)

нет в наличии, поставок нет
30 0307480

Ключ, Шкив to Коленвал (KEY, Pulley to crankshaft)

нет в наличии, поставок нет
31 0337214

Гайка, Шкив to Коленвал (NUT, Pulley to crankshaft)

нет в наличии, поставок нет
32 0337197

Шкив, Cam (PULLEY, Cam)

нет в наличии, поставок нет
33 0434831

Масляный насос, в сборе (PUMP ASSY., Oil)

нет в наличии, поставок нет
34 0321921

Уплотнительное кольцо, Крышка масляного насоса (O-RING, Oil pump cover)

нет в наличии, поставок нет
35 0307480

Ключ, Шкив to Распределительный вал (KEY, Pulley to camshaft)

нет в наличии, поставок нет
36 0337226

Гайка, Adjustment Винт, Коромысло (NUT, Adjustment screw, rocker arm)

нет в наличии, поставок нет
37 0337199

Шкив в сборе., Belt drive, Коленвал (PULLEY ASSY., Belt drive, crankshaft)

нет в наличии, поставок нет
38 0337392

Винт, Крышка масляного насоса (SCREW, Oil pump cover)

нет в наличии, поставок нет
39 0337230

Фиксатор пружины клапана (RETAINER, Valve spring)

нет в наличии, поставок нет
40 0339019

Винт, Шкив to Распределительный вал (SCREW, Pulley to camshaft)

нет в наличии, поставок нет
0435950 0435950

Коленвал в сборе.. Not Shown (CRANKSHAFT ASSY.. Not Shown)

нет в наличии, поставок нет
41 0337184

Коленвал (CRANKSHAFT)

нет в наличии, поставок нет
42 0338512

Гильза, нижний (SLEEVE, Lower)

нет в наличии, поставок нет
43 0909632

Уплотнительное кольцо, Гильза (O-RING, Sleeve)

нет в наличии, поставок нет
43 0907847

   (последний код) O-RING-OIL DRAIN

нет в наличии, поставок нет
44 0337236

Сальник, Коленвал, верхний (SEAL, Crankshaft, upper)

нет в наличии, поставок нет
45 0337241

Клапан, выпускной (VALVE, Exhaust)

нет в наличии, поставок нет
46 0341237

Гайка, Крышка to Кронштейн (NUT, Cover to bracket)

нет в наличии, поставок нет
47 0337240

Пружина клапана (SPRING, Valve)

нет в наличии, поставок нет
48 0337216

Вал коромысла (SHAFT, Rocker arm)

нет в наличии, поставок нет
49 0337210

Пружина, Вал коромысла (SPRING, Shaft, rocker arm)

нет в наличии, поставок нет
50 0329241

Шайба, Гайка, Крышка (WASHER, Nut, cover)

нет в наличии, поставок нет
50 3852193

   (последний код) WASHER

нет в наличии, поставок нет
51 0341261

Винт, Крышка ремня to lift Кронштейн (SCREW, Belt cover to lift bracket)

нет в наличии, поставок нет
52 0328739

Шайба, Винт, Крышка ремня (WASHER, Screw, belt cover)

нет в наличии, поставок нет
52 3852190

   (последний код) WASHER

нет в наличии, поставок нет
53 0338338

Направляющая, Belt, нижний (GUIDE, Belt, lower)

нет в наличии, поставок нет
54 0338337

Направляющая, Belt, верхний (GUIDE, Belt, upper)

нет в наличии, поставок нет
55 0338317

Винт, нижний Направляющая ремня (SCREW, Lower belt guide)

нет в наличии, поставок нет
56 0437992

Головка блока цилиндра (Bare) (CYLINDER HEAD (Bare))

нет в наличии, поставок нет
56 0436361

   (последний код) HEAD-AY,CYLI

нет в наличии, поставок нет
57 0911295

Штифт, Система впуска to Головка блока цилиндра (PIN, Intake to cylinder head)

нет в наличии, поставок нет
58 0337186

Направляющая клапана (GUIDE, Valve)

нет в наличии, поставок нет
evinrude

Время выполнения запроса 5.3117790222168 сек.


 
 

данный сайт носит информационный характер и не является публичной офертой

склад запчастей для водомоторной техники