вконтакте

Контактный телефон: +7 (981) 121-46-93, +7 (800) 200-90-76 , Email: parts-katalog@yandex.ru, где купить

 
 

  Логин:

Пароль:

Регистрация

www.partskatalog.ru Все каталоги Запчасти Mercury Запчасти Suzuki Запчасти Tohatsu Запчасти Honda Контакты



УВАЖАЕМЫЕ КЛИЕНТЫ!
C 19 ДЕКАБРЯ 2025 ПО 02 МАРТА 2026 ГОДА ОТДЕЛ ЗАПЧАСТЕЙ И СЕРВИС РАБОТАТЬ НЕ БУДУТ
ПРОДАЖА ЛОДОЧНЫХ МОТОРОВ В ШТАТНОМ РЕЖИМЕ
ОБ ИЗМЕНЕНИЯХ В ГРАФИКЕ РАБОТЫ ЧИТАЙТЕ НА САЙТА




Все разделы каталога запчастей на этот двигатель

назад Раздел:   вперёд

вернуться к списку узлов и деталей

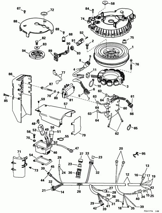
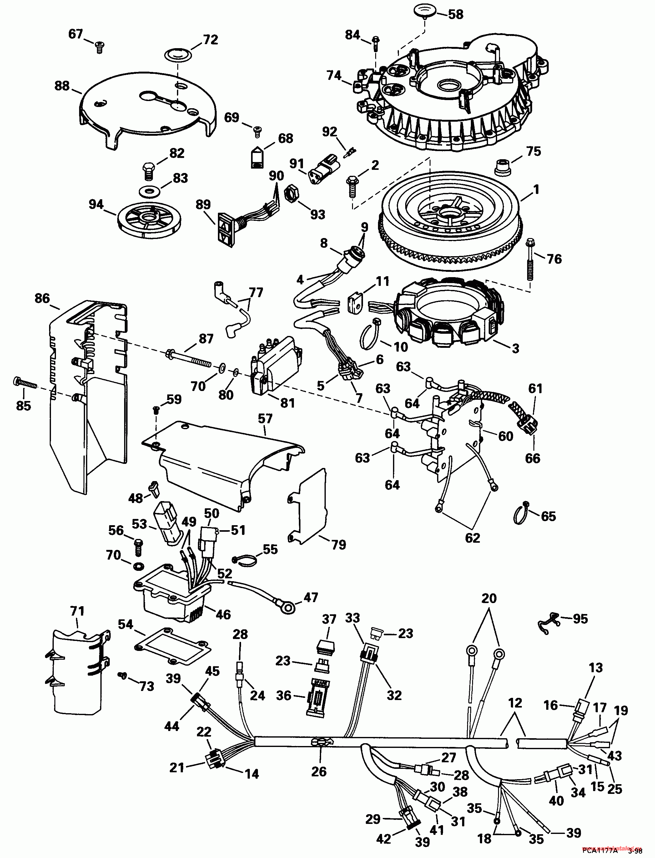
ДЕТАЛИРОВКА ДЛЯ МОДЕЛИ: EVINRUDE HE115SLECM 1998

IGNITION SYSTEM | IGNITION SYSTEM;


Мотор EVINRUDE HE115SLECM 1998  - nition System / nition System

Номер на
рисунке
АртикулНаименованиеКол-во
на складе
Цена
1 0584843

Маховик в сборе. (FLYWHEEL ASSY.)

нет в наличии, поставок нет
2 0336135

Винт, Маховик (SCREW, Flywheel)

нет в наличии, поставок нет
2 0306284

   (последний код) SCREW

нет в наличии, поставок нет
3 0584849

Статор в сборе., 5 / 20 (STATOR ASSY., 5/20)

нет в наличии, поставок нет
3 0763760

   (последний код) STATOR AY, 5/20

нет в наличии, поставок нет
4 0513665

Заглушка, Сальник (PLUG, Seal)

нет в наличии, поставок нет
4 3852251

   (последний код) PLUG,CONN SEAL

нет в наличии, поставок нет
5 0513437

Сальник (SEAL)

нет в наличии, поставок нет
6 0514371

Коннектор (CONNECTOR)

нет в наличии, поставок нет
7 0513423

Клемма (TERMINAL)

нет в наличии, поставок нет
7 3855267

   (последний код) TERMINAL

нет в наличии, поставок нет
8 0513664

Коннектор (CONNECTOR)

нет в наличии, поставок нет
8 3852250

   (последний код) CONN,2-CONT

нет в наличии, поставок нет
9 0513667

Клемма (TERMINAL)

нет в наличии, поставок нет
9 3852253

   (последний код) TERMINAL,RCP

нет в наличии, поставок нет
10 0320107

Крепёжный хомут (TIE STRAP)

нет в наличии, поставок нет
10 5035626

   (последний код) BAND,REM CON

нет в наличии, поставок нет
11 0336732

Пыльник (GROMMET)

нет в наличии, поставок нет
12 0584762

Двигатель Кабели в сборе. (ENGINE CABLE ASSY.)

нет в наличии, поставок нет
13 0511469

Штифт, Клемма (PIN, Terminal)

нет в наличии, поставок нет
13 3852229

   (последний код) TERMINAL,PIN

нет в наличии, поставок нет
14 0514461

Коннектор (CONNECTOR)

нет в наличии, поставок нет
15 0513185

Гильза (SLEEVE)

нет в наличии, поставок нет
15 0512948

   (последний код) SLEEVE

нет в наличии, поставок нет
16 0512750

Коннектор (CONNECTOR)

нет в наличии, поставок нет
16 3852242

   (последний код) CONN,4-PIN-R

нет в наличии, поставок нет
17 0513186

Гильза (SLEEVE)

нет в наличии, поставок нет
17 3852248

   (последний код) SLEEVE,SKT-B

нет в наличии, поставок нет
18 0511829

Кольцо, Клемма (RING, Terminal)

нет в наличии, поставок нет
18 3852233

   (последний код) TERMINAL,RIN

нет в наличии, поставок нет
19 0512876

Клемма (TERMINAL)

нет в наличии, поставок нет
19 3852244

   (последний код) TERMINAL,SOC

нет в наличии, поставок нет
20 0330100

Кольцо, Клемма (RING, Terminal)

нет в наличии, поставок нет
20 3852198

   (последний код) TERMINAL,RIN

нет в наличии, поставок нет
21 0513423

Клемма (TERMINAL)

нет в наличии, поставок нет
21 3855267

   (последний код) TERMINAL

нет в наличии, поставок нет
22 0513437

Сальник (SEAL)

нет в наличии, поставок нет
23 0514021

Предохранитель, 20 Amp (FUSE, 20 Amp)

нет в наличии, поставок нет
24 0513356

Коннектор, Заглушка (CONNECTOR, Plug)

нет в наличии, поставок нет
25 0512947

Штифт, Клемма (PIN, Terminal)

нет в наличии, поставок нет
25 0910462

   (последний код) TERM.-60766-

нет в наличии, поставок нет
26 0583898

DIODE (DIODE)

нет в наличии, поставок нет
26 3852258

   (последний код) KIT-AY,DIODE

нет в наличии, поставок нет
27 0512745

Коннектор, Штифт (CONNECTOR, Pin)

нет в наличии, поставок нет
28 0581656

SOCKET (SOCKET)

нет в наличии, поставок нет
28 3852257

   (последний код) TERMINAL AY,SCKT

нет в наличии, поставок нет
29 0514687

Коннектор, 6-way Заглушка (CONNECTOR, 6-way plug)

нет в наличии, поставок нет
30 0514688

Коннектор, 6-way Внешняя розетка (CONNECTOR, 6-way receptacle)

нет в наличии, поставок нет
31 0514679

Клемма, Штифт (TERMINAL, Pin)

нет в наличии, поставок нет
32 0514033

Коннектор, Предохранитель (CONNECTOR, Fuse)

нет в наличии, поставок нет
33 0514035

Клемма, Внешняя розетка (TERMINAL, Receptacle)

нет в наличии, поставок нет
33 3858186

   (последний код) TERMINAL

нет в наличии, поставок нет
34 0514697

LOCK WEDGE (LOCK WEDGE)

нет в наличии, поставок нет
35 0510781

Трубопровод (TUBING)

нет в наличии, поставок нет
36 0514491

Крышка, Предохранитель (COVER, Fuse)

нет в наличии, поставок нет
37 0514022

Заглушка, Предохранитель (PLUG, Fuse)

нет в наличии, поставок нет
38 0514684

LOCK WEDGE (LOCK WEDGE)

нет в наличии, поставок нет
39 0514680

Клемма, Socket (TERMINAL, Socket)

нет в наличии, поставок нет
40 0514696

Коннектор, 2-Штифт (CONNECTOR, 2-pin)

нет в наличии, поставок нет
41 0514690

Заглушка, Сальникing (PLUG, Sealing)

нет в наличии, поставок нет
42 0514683

LOCK WEDGE (LOCK WEDGE)

нет в наличии, поставок нет
43 0126664

Гильза (SLEEVE)

нет в наличии, поставок нет
44 0176295

Коннектор, 2-socket Заглушка (CONNECTOR, 2-socket plug)

нет в наличии, поставок нет
45 0127287

LOCK WEDGE (LOCK WEDGE)

нет в наличии, поставок нет
46 0586075

Выпрямитель & Регулятор (RECTIFIER & REGULATOR)

нет в наличии, поставок нет
47 0204053

Кольцо, Клемма (RING, Terminal)

нет в наличии, поставок нет
47 3852037

   (последний код) TERMINAL,RIN

нет в наличии, поставок нет
48 0514697

LOCK WEDGE (LOCK WEDGE)

нет в наличии, поставок нет
49 0514679

Клемма, Штифт (TERMINAL, Pin)

нет в наличии, поставок нет
50 0513666

Клемма, Blade (TERMINAL, Blade)

нет в наличии, поставок нет
50 3852252

   (последний код) TERMINAL,BLA

нет в наличии, поставок нет
51 0513663

Коннектор (CONNECTOR)

нет в наличии, поставок нет
51 3852249

   (последний код) CONN,2-CONT

нет в наличии, поставок нет
52 0513665

Сальник (SEAL)

нет в наличии, поставок нет
52 3852251

   (последний код) PLUG,CONN SEAL

нет в наличии, поставок нет
53 0514696

Коннектор, 2-Штифт Внешняя розетка (CONNECTOR, 2-pin receptacle)

нет в наличии, поставок нет
54 0342291

Прокладка, Регулятор to Картер двигателя (GASKET, Regulator to crankcase)

нет в наличии, поставок нет
54 0350357

   (последний код) GASKET

нет в наличии, поставок нет
55 0320107

Крепёжный хомут (TIE STRAP)

нет в наличии, поставок нет
55 5035626

   (последний код) BAND,REM CON

нет в наличии, поставок нет
56 0328744

Винт, Регулятор (SCREW, Regulator)

нет в наличии, поставок нет
56 0308741

   (последний код) SCREW

нет в наличии, поставок нет
57 0513818

Крышка, Power pack to Маховик (COVER, Power pack to flywheel)

нет в наличии, поставок нет
58 0336492

Клапан, Крышка маховика (VALVE, Flywheel cover)

нет в наличии, поставок нет
59 0315656

Винт, Крышка (SCREW, Cover)

нет в наличии, поставок нет
60 0586292

POWER PACK (POWER PACK)

нет в наличии, поставок нет
60 0765386

   (последний код) PP AY, CD4AOL64

нет в наличии, поставок нет
61 0513440

Коннектор, Датчик в сборе. (CONNECTOR, Sensor assy.)

нет в наличии, поставок нет
62 0510818

Кольцо, Клемма (RING, Terminal)

нет в наличии, поставок нет
62 3854243

   (последний код) TERMINAL,RIN

нет в наличии, поставок нет
63 0512478

Крышка (COVER)

нет в наличии, поставок нет
64 0512256

Штифт, Внешняя розетка (PIN, Receptacle)

нет в наличии, поставок нет
65 0317893

Крепёжный хомут (TIE STRAP)

нет в наличии, поставок нет
65 3852149

   (последний код) TIE-STRAP

нет в наличии, поставок нет
66 0513439

Клемма (TERMINAL)

нет в наличии, поставок нет
67 0315656

Винт, Крышка датчика (SCREW, Cover, sensor)

нет в наличии, поставок нет
68 0335204

TIMING POINTER (TIMING POINTER)

нет в наличии, поставок нет
69 0315656

Винт, Timing pointer (SCREW, Timing pointer)

нет в наличии, поставок нет
70 0301551

Шайба с блокировкой, Заземление (LOCK WASHER, Ground)

нет в наличии, поставок нет
71 0342202

Кронштейн, Motor Кабели (BRACKET, Motor cable)

нет в наличии, поставок нет
71 0340869

   (последний код) BRACKET,MOTO

нет в наличии, поставок нет
72 0316074

Заглушка, Крышка маховика (PLUG, Flywheel cover)

нет в наличии, поставок нет
73 0333430

Винт, Кабели Кронштейн to cyl. head (SCREW, Cable bracket to cyl. head)

нет в наличии, поставок нет
74 0433581

Крышка в сборе, Маховик (COVER ASSY., Flywheel)

нет в наличии, поставок нет
75 0341613

Втулка, Шестерня & Вал to ccase (BUSHING, Pinion & shaft to ccase)

нет в наличии, поставок нет
75 0335294

   (последний код) BUSHING

нет в наличии, поставок нет
76 0308995

Винт, Статор Креплениеing (SCREW, Stator mounting)

нет в наличии, поставок нет
77 0584919

LEAD в сборе., Катушка зажигания, 15 1 / 2 дюйм (394 мм) (LEAD ASSY., Ignition coil, 15 1/2 in. (394mm))

нет в наличии, поставок нет
77 5005805

   (последний код) LEAD AY,H/T-SUPP

нет в наличии, поставок нет
77 0584920

LEAD в сборе., Катушка зажигания, 14 1 / 2 дюйм (370 мм) (LEAD ASSY., Ignition coil, 14 1/2 in. (370mm))

нет в наличии, поставок нет
77 5005806

   (последний код) LEAD AY,H/T-SUPP

нет в наличии, поставок нет
79 0514289

SHIELD, RFI (SHIELD, RFI)

нет в наличии, поставок нет
80 0328702

Шайба, Coil Креплениеing (WASHER, Coil mounting)

нет в наличии, поставок нет
80 3852183

   (последний код) WASHER

нет в наличии, поставок нет
81 0583740

Катушка в сборе., Dual (COIL ASSY., Dual)

нет в наличии, поставок нет
81 0583298

   (последний код) IGNITION COIL

нет в наличии, поставок нет
82 0341541

Винт, Timing wheel (SCREW, Timing wheel)

нет в наличии, поставок нет
83 0314099

Шайба, Винт, timing wheel (WASHER, Screw, timing wheel)

нет в наличии, поставок нет
84 0909533

Винт, Крышка маховика (SCREW, Flywheel cover)

нет в наличии, поставок нет
84 0324429

   (последний код) SCREW,IMP HSG

нет в наличии, поставок нет
85 0328649

Винт, Крышка, power pack (SCREW, Cover, power pack)

нет в наличии, поставок нет
85 0337541

   (последний код) SCREW

нет в наличии, поставок нет
86 0514288

Крышка, Power pack (COVER, Power pack)

нет в наличии, поставок нет
87 0331102

Винт, Coil to block (SCREW, Coil to block)

нет в наличии, поставок нет
87 0329625

   (последний код) WING-SCREW

нет в наличии, поставок нет
88 0335428

Крышка датчика (COVER, Sensor)

нет в наличии, поставок нет
89 0586074

TILT Переключатель, Крышка двигателя (капот) (TILT SWITCH, Engine cover)

нет в наличии, поставок нет
90 0514679

Клемма, Штифт (TERMINAL, Pin)

нет в наличии, поставок нет
91 0514686

Коннектор (CONNECTOR)

нет в наличии, поставок нет
92 0514682

LOCK (LOCK)

нет в наличии, поставок нет
93 0334656

Гайка, Переключатель (NUT, Switch)

нет в наличии, поставок нет
94 0513788

TIMING WHEEL (TIMING WHEEL)

нет в наличии, поставок нет
95 0512743

Фиксатор (RETAINER)

нет в наличии, поставок нет
95 3852238

   (последний код) RETAINER,CON

нет в наличии, поставок нет
evinrude

Время выполнения запроса 3.2728450298309 сек.


 
 

данный сайт носит информационный характер и не является публичной офертой

склад запчастей для водомоторной техники