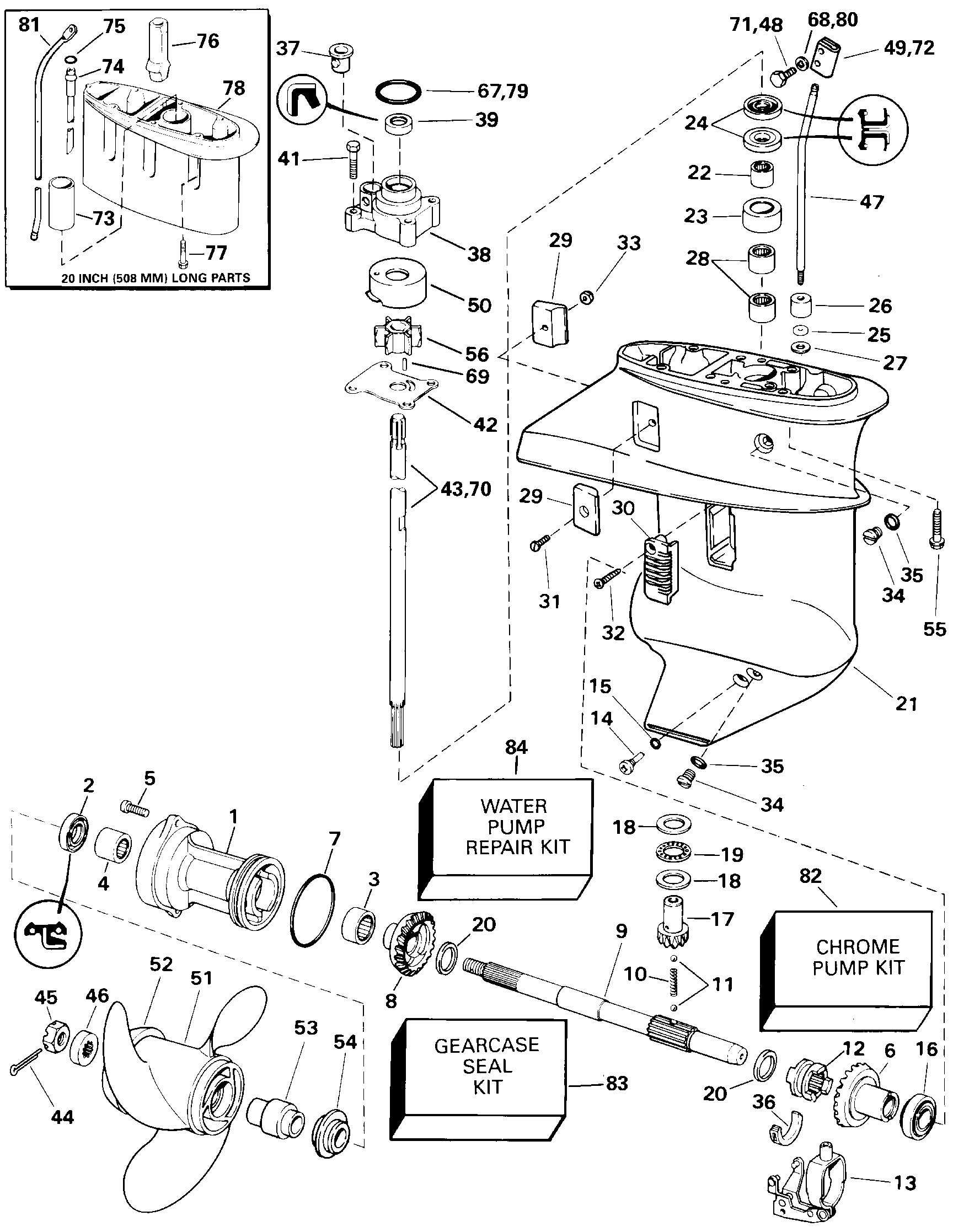
Номер на рисунке | Артикул | Наименование | Кол-во на складе | Цена |
| | 0438617 | Редуктор в сборе., (Less driveВал и Помпа) (GEARCASE ASSY., (Less driveshaft and pump)) | нет в наличии, поставок нет |
| | 0435712 | (последний код) GEARCASE-AY | нет в наличии, поставок нет |
| 1 | 0437774 | *Подшипник Корпус подшипника & Сальник assembly (BEARING HOUSING, Bearing & seal assembly) | нет в наличии, поставок нет |
| 1 | 0433403 | (последний код) HOUSING-AY,P | нет в наличии, поставок нет |
| 2 | 0342247 | **Сальник, Brg. hsg. to prop. Вал - Z. Contents of Комплект сальников редуктора (SEAL, Brg. hsg. to prop. Shaft - Z. Contents of Gearcase Seal Kit) | нет в наличии, поставок нет |
| 3 | 0386125 | **Подшипник, Reverse Шестерня (BEARING, Reverse gear) | нет в наличии, поставок нет |
| 4 | 0386231 | **Подшипник (BEARING) | нет в наличии, поставок нет |
| 5 | 0333706 | **Винт, Brg. hsg. to Редуктор (SCREW, Brg. hsg. to gearcase) | нет в наличии, поставок нет |
| 6 | 0394823 | *Шестерня & Втулка в сборе., дляward (GEAR & BUSHING ASSY., Forward) | нет в наличии, поставок нет |
| 7 | 0308627 | *Уплотнительное кольцо, Brg. hsg. to Редуктор - Z. Contents of Комплект сальников редуктора (O-RING, Brg. hsg. to gearcase - Z. Contents of Gearcase Seal Kit) | 2 шт | 100 руб. |
| 8 | 0330201 | *Шестерня обратного хода (GEAR, Reverse) | нет в наличии, поставок нет |
| 9 | 0343491 | *Вал гребного винта (PROPELLER SHAFT) | нет в наличии, поставок нет |
| 9 | 0438578 | (последний код) KIT AY,PROPSHAFT | нет в наличии, поставок нет |
| 10 | 0316505 | *Фиксатор пружины (SPRING, Detent) | нет в наличии, поставок нет |
| 11 | 0316506 | *Шарик, Detent (BALL, Detent) | нет в наличии, поставок нет |
| 12 | 0325263 | *Переключатель собачки сцепления (SHIFTER, Clutch dog) | нет в наличии, поставок нет |
| 13 | 0388416 | *ПереключательER Рычаг & Обойма (SHIFTER LEVER & YOKE ASSY.) | нет в наличии, поставок нет |
| 13 | 0386148 | (последний код) SHIFTER LEVER | нет в наличии, поставок нет |
| 14 | 0308376 | *Стержень Штифт переключателя Рычаг (PIVOT PIN, Shifter lever) | нет в наличии, поставок нет |
| 14 | 0303358 | (последний код) PIVOT-PIN | нет в наличии, поставок нет |
| 15 | 0332584 | **Опорная шайба Штифт (WASHER, Pivot pin) | нет в наличии, поставок нет |
| 16 | 0386186 | *Роликовый подшипник, дляward Шестерня (ROLLER BEARING, Forward gear) | нет в наличии, поставок нет |
| 17 | 0338190 | *Шестерня, DriveВал (PINION, Driveshaft) | нет в наличии, поставок нет |
| 18 | 0336296 | *Нижняя упорная шайба Шестерня Подшипник (THRUST WASHER, Lower pinion bearing) | нет в наличии, поставок нет |
| 19 | 0388000 | *THRUST Подшипник, Шестерня (THRUST BEARING, Pinion) | нет в наличии, поставок нет |
| 20 | 0343251 | *Упорная шайба, дляward & reverse Шестерня (THRUST WASHER, Forward & reverse gear) | нет в наличии, поставок нет |
| 21 | 0435393 | *Редуктор, BRG. & Сальник в сборе. (GEARCASE, BRG. & SEAL ASSY.) | нет в наличии, поставок нет |
| 21 | 0438617 | (последний код) G-CASE AY,LESS D/S | нет в наличии, поставок нет |
| 22 | 0386014 | **Подшипник ASSEMBLY, DriveВал (BEARING ASSEMBLY, Driveshaft) | нет в наличии, поставок нет |
| 23 | 0318874 | **Гильза, Подшипник driveВал (SLEEVE, Bearing driveshaft) | нет в наличии, поставок нет |
| 24 | 0321480 | **Сальник, Редуктор to driveВал - Z. Contents of Комплект сальников редуктора (SEAL, Gearcase to driveshaft - Z. Contents of Gearcase Seal Kit) | нет в наличии, поставок нет |
| 24 | 0318973 | (последний код) SEAL | нет в наличии, поставок нет |
| 25 | 0301877 | **Уплотнительное кольцо, Втулка to Переключающая тяга - Z. Contents of Комплект сальников редуктора (O-RING, Bushing to shift rod - Z. Contents of Gearcase Seal Kit) | нет в наличии, поставок нет |
| 26 | 0304765 | **Втулка, Переключающая тяга (BUSHING, Shift rod) | нет в наличии, поставок нет |
| 27 | 0321738 | **Шайба уплотнения, Переключающая тяга - Z. Contents of Комплект сальников редуктора (WASHER, Seal, shift rod - Z. Contents of Gearcase Seal Kit) | нет в наличии, поставок нет |
| 28 | 0386071 | **Подшипник в сборе., Шестерня to Редуктор (BEARING ASSY., Pinion to gearcase) | нет в наличии, поставок нет |
| 29 | 0338635 | **Анод (ANODE) | нет в наличии, поставок нет |
| 30 | 0338443 | **SCREEN, вход (SCREEN, Inlet) | нет в наличии, поставок нет |
| 31 | 0304013 | **Винт, Анод (SCREW, Anode) | нет в наличии, поставок нет |
| 32 | 0325539 | **Винт, Screen (SCREW, Screen) | нет в наличии, поставок нет |
| 32 | 0312270 | (последний код) SCREW | нет в наличии, поставок нет |
| 33 | 0121470 | **Гайка, Винт, Анод (NUT, Screw, anode) | нет в наличии, поставок нет |
| 34 | 0307551 | *Заглушка & Шайба - Z. Contents of Комплект сальников редуктора (PLUG & WASHER - Z. Contents of Gearcase Seal Kit) | нет в наличии, поставок нет |
| 34 | 0982851 | (последний код) SCREW-PLUG | нет в наличии, поставок нет |
| 35 | 0311598 | **Шайба (WASHER) | нет в наличии, поставок нет |
| 35 | 3852105 | (последний код) WASHER | нет в наличии, поставок нет |
| 36 | 0325014 | *CRADLE, Сцепление dog (CRADLE, Clutch dog) | нет в наличии, поставок нет |
| 37 | 0327035 | Нижний пыльник водяной трубки - Y. Contents of Water Ремонтный комплект (GROMMET, Water tube lower - Y. Contents of Water Repair Kit) | 1 шт | 460 руб. |
| 38 | 0435390 | Крыльчатка HSG. & Сальник в сборе. - Y. Contents of Water Ремонтный комплект (IMPELLER HSG. & SEAL ASSY. - Y. Contents of Water Repair Kit) | 1 шт | 1700 руб. |
| 38 | 0391571 | (последний код) IMP-HSG&SEAL | 1 шт | 1320 руб. |
| 39 | 0318972 | *Сальник, Крыльчатка hsg. to dВал - Y, Z. Contents of Water Ремонтный комплект, Contents of Комплект сальников редуктора (SEAL, Impeller hsg. to dshaft - Y,Z. Contents of Water Repair Kit, Contents of Gearcase Seal Kit) | 2 шт | 790 руб. |
| 41 | 0302325 | *Винт, Imp. hsg. to Редуктор - Y. Contents of Water Ремонтный комплект (SCREW, Imp. hsg. to gearcase - Y. Contents of Water Repair Kit) | нет в наличии, поставок нет |
| 42 | 0318995 | Пластина корпуса крыльчатки - Y. Contents of Water Ремонтный комплект (PLATE, Impeller housing - Y. Contents of Water Repair Kit) | нет в наличии, поставок нет |
| 42 | 0319988 | (последний код) PLATE IMP HSG | нет в наличии, поставок нет |
| 42 | 0319988 | Пластина корпуса крыльчатки - X (PLATE, Impeller housing - X) | нет в наличии, поставок нет |
| 42 | 0318995 | (последний код) PLATE-IMP-HS | нет в наличии, поставок нет |
| 43 | 0341590 | DRIVEВал, стандарт (DRIVESHAFT, Standard) | нет в наличии, поставок нет |
| 43 | 0329510 | (последний код) DRIVESHAFT-S | нет в наличии, поставок нет |
| 44 | 0328522 | Шплинт, Гайка гребного винта to Вал (COTTER PIN, Propeller nut to shaft) | 25 шт | 60 руб. |
| 45 | 0318971 | Гайка гребного винта (NUT, Propeller) | нет в наличии, поставок нет |
| 46 | 0323942 | Упорная шайба, Prop. Вал, rear (THRUST WASHER, Prop. shaft, rear) | нет в наличии, поставок нет |
| 46 | 0318959 | (последний код) THRUST-WASHE | нет в наличии, поставок нет |
| 47 | 0318992 | Переключающая тяга, нижний , стандарт (SHIFT ROD, Lower, Standard) | нет в наличии, поставок нет |
| 48 | 0304024 | Винт, Переключающая тяга Коннектор (SCREW, Shift rod connector) | нет в наличии, поставок нет |
| 48 | 0323636 | (последний код) SCREW | нет в наличии, поставок нет |
| 49 | 0303794 | Коннектор переключающей тяги (CONNECTOR, Shift rod) | нет в наличии, поставок нет |
| 50 | 0324097 | Cвыше, Крыльчатка Корпус - Y. Contents of Water Ремонтный комплект (CUP, Impeller housing - Y. Contents of Water Repair Kit) | 1 шт | 1440 руб. |
| 50 | 0322087 | (последний код) CUP | 1 шт | 1110 руб. |
| 50 | 0323535 | Cвыше, Крыльчатка Корпус - X. Contents of Chrome Ремонтный комплект (CUP, Impeller housing - X. Contents of Chrome Repair Kit) | нет в наличии, поставок нет |
| 51 | 0174938 | Гребной винт, 9.25 X 8 - W. Refer to OMC® Genuine Parts Гребной винт Chart (PROPELLER, 9.25 X 8 - W. Refer to OMC® Genuine Parts Propeller Chart) | нет в наличии, поставок нет |
| 51 | 0177158 | (последний код) PROPELLER AL Винт 9.25 X 8 | нет в наличии, поставок нет |
| 52 | 0332395 | *CONVERGING Кольцо (CONVERGING RING) | нет в наличии, поставок нет |
| 52 | 0319484 | (последний код) CONVERGING RING | нет в наличии, поставок нет |
| 53 | 0386119 | *Втулка, Гребной винт (BUSHING, Propeller) | нет в наличии, поставок нет |
| 54 | 0334590 | Упорная втулка, Гребной винт (THRUST BUSHING, Propeller) | нет в наличии, поставок нет |
| 55 | 0341206 | Винт, Редуктор to Выхлоп hsg (SCREW, Gearcase to exhaust hsg) | нет в наличии, поставок нет |
| 56 | 0386084 | Крыльчатка ASSEMBLY - Y. Contents of Water Ремонтный комплект (IMPELLER ASSEMBLY - Y. Contents of Water Repair Kit) | нет в наличии, поставок нет |
| 67 | 0319085 | Сальник, Крыльчатка Корпус - Y, Z. Contents of Water Ремонтный комплект, Contents of Комплект сальников редуктора (SEAL, Impeller housing - Y,Z. Contents of Water Repair Kit, Contents of Gearcase Seal Kit) | 4 шт | 120 руб. |
| 68 | 0301551 | Шайба, Винт, Коннектор (WASHER, Screw, connector) | нет в наличии, поставок нет |
| 69 | 0300611 | Шпонка крыльчатки to driveВал - Y. Contents of Water Ремонтный комплект (PIN, Impeller to driveshaft - Y. Contents of Water Repair Kit) | нет в наличии, поставок нет |
| | 0449517 | Удлинитель KIT в сборе. (EXTENSION KIT ASSY.) | нет в наличии, поставок нет |
| 70 | 0341591 | *DRIVEВал, Long - V. 8RVL Models (DRIVESHAFT, Long - V. 8RVL Models) | нет в наличии, поставок нет |
| 70 | 0329511 | (последний код) DRIVESHAFT | нет в наличии, поставок нет |
| 71 | 0304024 | *Винт, Коннектор - V. 8RVL Models (SCREW, Connector - V. 8RVL Models) | нет в наличии, поставок нет |
| 71 | 0323636 | (последний код) SCREW | нет в наличии, поставок нет |
| 72 | 0303794 | *Коннектор переключающей тяги - V. 8RVL Models (CONNECTOR, Shift rod - V. 8RVL Models) | нет в наличии, поставок нет |
| 73 | 0319340 | *Удлинитель, Крыльчатка Корпус to Удлинитель корпуса - V. 8RVL Models (EXTENSION, Impeller housing to exhaust housing - V. 8RVL Models) | нет в наличии, поставок нет |
| 74 | 0320025 | *Удлинитель, Водяная трубка - V. 8RVL Models (EXTENSION, Water tube - V. 8RVL Models) | нет в наличии, поставок нет |
| 75 | 0202893 | *Уплотнительное кольцо, Водяная трубка Удлинитель - V. 8RVL Models (O-RING, Water tube extension - V. 8RVL Models) | нет в наличии, поставок нет |
| 75 | 3852033 | (последний код) O-RING | нет в наличии, поставок нет |
| 76 | 0326922 | *Выхлоп Сальник, Редуктор ext - V. 8RVL Models (EXHAUST SEAL, Gearcase ext - V. 8RVL Models) | нет в наличии, поставок нет |
| 77 | 0341206 | *Винт, Удлинитель - V. 8RVL Models (SCREW, Extension - V. 8RVL Models) | нет в наличии, поставок нет |
| 78 | 0331152 | *Удлинитель, Редуктор - V. 8RVL Models (EXTENSION, Gearcase - V. 8RVL Models) | нет в наличии, поставок нет |
| 78 | 0319314 | (последний код) GRCASE-EXT | нет в наличии, поставок нет |
| 79 | 0319085 | *Сальник, Крыльчатка hsg. to ext. - V. 8RVL Models (SEAL, Impeller hsg. to ext. - V. 8RVL Models) | 4 шт | 120 руб. |
| 80 | 0301551 | *Шайба с блокировкой, Conn. Винт - V. 8RVL Models (LOCK WASHER, Conn. Screw - V. 8RVL Models) | нет в наличии, поставок нет |
| 81 | 0446089 | *Переключающая тяга, верхний , long - V. 8RVL Models (SHIFT ROD, Upper, long - V. 8RVL Models) | нет в наличии, поставок нет |
| 82 | 0389114 | Хромированный ремкомплект водяного насоса (CHROME PUMP KIT) | нет в наличии, поставок нет |
| 82 | 0394711 | (последний код) REPAIR-KIT | нет в наличии, поставок нет |
| 83 | 0396350 | Комплект сальников редуктора (GEARCASE SEAL KIT) | 1 шт | 5300 руб. |
| 84 | 0394711 | Ремкомплект водяного насоса, (Includes Крыльчатка Корпус) (WATER PUMP REPAIR KIT, (Includes impeller housing)) | нет в наличии, поставок нет |
| 84 | 0393560 | (последний код) WATERPUMP KIT | нет в наличии, поставок нет |