вконтакте

Контактный телефон: +7 (981) 121-46-93, +7 (800) 200-90-76 , Email: parts-katalog@yandex.ru, где купить

 
 

  Логин:

Пароль:

Регистрация

www.partskatalog.ru Все каталоги Запчасти Mercury Запчасти Suzuki Запчасти Tohatsu Запчасти Honda Контакты


Все разделы каталога запчастей на этот двигатель

назад Раздел:   вперёд

вернуться к списку узлов и деталей

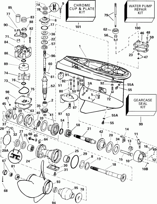
ДЕТАЛИРОВКА ДЛЯ МОДЕЛИ: EVINRUDE E150FSLSSM FFI, Elec Start, TNT, 20 IN.

РЕДУКТОР - ОБРАТНОЕ ВРАЩЕНИЕ - FCX, FC MODELS | GEARCASE - COUNTER ROTATION - FCX, FC MODELS;


Подвесной лодочный мотор EVINRUDE E150FSLSSM FFI, Elec Start, TNT, 20 IN.   - обратное вращение - Fcx, Fc Models

Номер на
рисунке
АртикулНаименованиеКол-во
на складе
Цена
5001615

Редуктор в сборе., комплект (GEARCASE ASSY., Complete)

нет в наличии, поставок нет
5005631

   (последний код) GCASE/CORO/WHT/OS

нет в наличии, поставок нет
1 0439972

*Редуктор в сборе с подшипником. (GEARCASE & BEARING ASSY.)

нет в наличии, поставок нет
1 5007022

   (последний код) GCASE & BRG AY,"O"

нет в наличии, поставок нет
2 0387817

**Подшипник, Шестерня (BEARING, Pinion)

нет в наличии, поставок нет
3 0324852

**RETAINING Винт (RETAINING SCREW)

нет в наличии, поставок нет
3A 0332584

***Сальник (SEAL)

нет в наличии, поставок нет
4 0337061

**Винт, Screen (SCREW, Screen)

нет в наличии, поставок нет
5 0337778

**SCREEN (SCREEN)

нет в наличии, поставок нет
5 0339247

*SCREEN, High volume - V. Опции (SCREEN, High volume - V. Optional)

нет в наличии, поставок нет
6 0439476

*Подшипник Корпус & Сальник (BEARING HOUSING & SEAL)

нет в наличии, поставок нет
6 0438963

   (последний код) HOUSING AY,BEARING

нет в наличии, поставок нет
7A 0329922

**Сальник, верхний - W. Contents of Комплект сальников редуктора (SEAL, Upper - W. Contents of Gearcase Seal Kit)

нет в наличии, поставок нет
7B 0329923

**Сальник, нижний - W. Contents of Комплект сальников редуктора (SEAL, Lower - W. Contents of Gearcase Seal Kit)

нет в наличии, поставок нет
8 0313447

*Упорная шайба, дляward Шестерня (THRUST WASHER, Forward gear)

нет в наличии, поставок нет
9 0317624

*Винт, Корпус to Редуктор (SCREW, Housing to gearcase)

нет в наличии, поставок нет
10 0431693

*Корпус & Подшипник в сборе. (HOUSING & BEARING ASSY.)

нет в наличии, поставок нет
10B 0331880

**Штифт, Корпус (PIN, Housing)

нет в наличии, поставок нет
11 0916189

*DETENT, Переключательer (DETENT, Shifter)

нет в наличии, поставок нет
11 0334142

   (последний код) DETENT

нет в наличии, поставок нет
12 0911962

*Фиксатор пружины (SPRING, Detent)

нет в наличии, поставок нет
12 0915955

   (последний код) SPRING

нет в наличии, поставок нет
13 0334163

*CRADLE, Переключательer (CRADLE, Shifter)

5 шт1880 руб.
13 0322900

   (последний код) CRADLE-SHIFT

нет в наличии, поставок нет
14 0334160

*ПереключательER (SHIFTER)

нет в наличии, поставок нет
15 0334143

*Переключающий валer (SHAFT, Shifter)

нет в наличии, поставок нет
16 0319627

*Штифт, Рычаг переключения (PIN, Shift lever)

нет в наличии, поставок нет
16 0315750

   (последний код) DOWEL PIN

нет в наличии, поставок нет
17 0314728

*Уплотнительное кольцо, DriveВал Подшипник - W. Contents of Комплект сальников редуктора (O-RING, Driveshaft bearing - W. Contents of Gearcase Seal Kit)

нет в наличии, поставок нет
17 0354731

   (последний код) O-RING

1 шт850 руб.
18 0435023

*Вал гребного винта в сборе. (PROPELLER SHAFT ASSY.)

нет в наличии, поставок нет
18 0435307

   (последний код) SHAFT AY,PROP

нет в наличии, поставок нет
19 0382408

*THRUST Подшипник, дляward Шестерня (THRUST BEARING, Forward gear)

нет в наличии, поставок нет
20 0389042

*THRUST BRG. в сборе., Reverse Шестерня (THRUST BRG. ASSY., Reverse gear)

нет в наличии, поставок нет
21 0438251

*Сцепление Вал в сборе. (CLUTCH SHAFT ASSY.)

нет в наличии, поставок нет
21 0432282

   (последний код) CLUTCH-SHAFT

нет в наличии, поставок нет
22 0327656

*Упорная шайба шестерни Шестерня (THRUST WASHER, Pinion)

нет в наличии, поставок нет
22 0314729

   (последний код) THRUST-WASHE

нет в наличии, поставок нет
23 0324670

*Прокладка, Переключающая тяга Крышка - W. Contents of Комплект сальников редуктора (GASKET, Shift rod cover - W. Contents of Gearcase Seal Kit)

нет в наличии, поставок нет
23 0352165

   (последний код) GASKET

2 шт550 руб.
24 5000898

*Подшипник Корпус Сальник в сборе. (BEARING HOUSING SEAL ASSY.)

нет в наличии, поставок нет
24 5000362

   (последний код) HSG AY,PROPSHAFT

нет в наличии, поставок нет
25 0431926

**Игольчатый подшипник в сборе. (NEEDLE BEARING ASSY.)

нет в наличии, поставок нет
26 0436752

**Игольчатый подшипник в сборе. (NEEDLE BEARING ASSY.)

нет в наличии, поставок нет
27 0334950

**Сальник - W. Contents of Комплект сальников редуктора (SEAL - W. Contents of Gearcase Seal Kit)

нет в наличии, поставок нет
28 0916070

**Винт, Wedge - T. Replacement Редуктор (SCREW, Wedge - T. Replacement Gearcase)

нет в наличии, поставок нет
28 3853661

   (последний код) SCREW

нет в наличии, поставок нет
29 0305123

**Уплотнительное кольцо, Подшипник Корпус - W. Contents of Комплект сальников редуктора (O-RING, Bearing Housing - W. Contents of Gearcase Seal Kit)

нет в наличии, поставок нет
29 0321119

   (последний код) O-RING,-DLR

нет в наличии, поставок нет
29A 0305123

**Уплотнительное кольцо, Подшипник Задний корпус - U. Original Редуктор Only (O-RING, Bearing Housing, Rear - U. Original Gearcase Only)

нет в наличии, поставок нет
29A 0321119

   (последний код) O-RING,-DLR

нет в наличии, поставок нет
30 0431708

**Анод, Подшипник Корпус (ANODE, Bearing housing)

нет в наличии, поставок нет
30 0397111

   (последний код) ANODE-AY

нет в наличии, поставок нет
31 0908158

**Винт, Анод (SCREW, Anode)

нет в наличии, поставок нет
31 3852050

   (последний код) SCREW

нет в наличии, поставок нет
32 0349001

**WEDGE - T. Replacement Редуктор (WEDGE - T. Replacement Gearcase)

нет в наличии, поставок нет
32 0345999

   (последний код) WEDGE

нет в наличии, поставок нет
33 0345998

**Шайба, Винт - T. Replacement Редуктор (WASHER, Screw - T. Replacement Gearcase)

нет в наличии, поставок нет
34 0327669

*THRUST Шайба шестерни заднего хода (THRUST WASHER, Reverse gear)

нет в наличии, поставок нет
34 0324805

   (последний код) THRUST-WASHE

нет в наличии, поставок нет
35 0314730

*Гайка, Шестерня to driveВал (100-110 фут lbs.) (NUT, Pinion to driveshaft (100-110 ft. lbs.))

нет в наличии, поставок нет
36 0323362

*Регулировочная шайба, 0.003 дюйм (0, 07 мм) (SHIM, 0.003 in. (0,07mm))

нет в наличии, поставок нет
36 0323361

*Регулировочная шайба, 0.004 дюйм (0, 10 мм) (SHIM, 0.004 in. (0,10mm))

нет в наличии, поставок нет
36 0314745

*Регулировочная шайба, 0.005 дюйм (0, 12 мм) (SHIM, 0.005 in. (0,12mm))

нет в наличии, поставок нет
37 5004220

*ШестерняSET в сборе. (GEARSET ASSY.)

нет в наличии, поставок нет
38 0338717

**Регулировочная шайба, 0.003 дюйм (0, 07 мм) (SHIM, 0.003 in. (0,07mm))

нет в наличии, поставок нет
38 0338718

**Регулировочная шайба, 0.004 дюйм (0, 10 мм) (SHIM, 0.004 in. (0,10mm))

нет в наличии, поставок нет
38 0338719

**Регулировочная шайба, 0.005 дюйм (0, 12 мм) (SHIM, 0.005 in. (0,12mm))

нет в наличии, поставок нет
39 0385043

**THRUST Подшипник в сборе. (THRUST BEARING ASSY.)

нет в наличии, поставок нет
39 3852221

   (последний код) BEARING-AY,T

нет в наличии, поставок нет
40 0389039

**Игольчатый подшипник в сборе. (NEEDLE BEARING ASSY.)

нет в наличии, поставок нет
40 3852223

   (последний код) BEARING-AY,N

нет в наличии, поставок нет
41 5004219

**ШестерняSET (GEARSET)

нет в наличии, поставок нет
42 0431703

***REVERSE Шестерня & Подшипник (REVERSE GEAR & BEARING)

нет в наличии, поставок нет
42 0334167

   (последний код) GEAR-REVERSE

нет в наличии, поставок нет
43 0338716

**Установочный винт (SET SCREW)

нет в наличии, поставок нет
44 0333885

**Корпус подшипника (HOUSING, Bearing)

нет в наличии, поставок нет
45 0337796

**THRUST Фланец (THRUST FLANGE)

нет в наличии, поставок нет
46 0435482

*Крышка & Сальник в сборе. (COVER & SEAL ASSY.)

нет в наличии, поставок нет
46 5006241

   (последний код) COVER AY,SHIFT ROD

нет в наличии, поставок нет
47 0318372

**Уплотнительное кольцо, Переключающая тяга - W. Contents of Комплект сальников редуктора (O-RING, Shift rod - W. Contents of Gearcase Seal Kit)

нет в наличии, поставок нет
48 0302325

*Винт, Крышка (SCREW, Cover)

нет в наличии, поставок нет
49 0160084

*Шарик, Detent (BALL, Detent)

нет в наличии, поставок нет
49 3852023

   (последний код) BALL

нет в наличии, поставок нет
50 0328096

*Винт, Анод (SCREW, Anode)

нет в наличии, поставок нет
50 0327046

   (последний код) SCREW

нет в наличии, поставок нет
51 0436745

*Анод (ANODE)

нет в наличии, поставок нет
51 0393023

   (последний код) ANODE&INSERT AY

нет в наличии, поставок нет
52 0345905

*DRIVEВал, нижний в сборе. (DRIVESHAFT, Lower assy.)

нет в наличии, поставок нет
52 0335677

   (последний код) DRIVESHAFT,L

нет в наличии, поставок нет
53 0313448

*Штифт сцепления dog (PIN, Clutch dog)

нет в наличии, поставок нет
54 0324369

*Пружина, Сцепление dog Штифт (SPRING, Clutch dog pin)

нет в наличии, поставок нет
54 0313454

   (последний код) SPRING

нет в наличии, поставок нет
55 0318544

*Заглушка, Fill & drain (PLUG, Fill & drain)

нет в наличии, поставок нет
55 0912624

   (последний код) SCREW

нет в наличии, поставок нет
55A 0311598

*Шайба - W. Contents of Комплект сальников редуктора (WASHER - W. Contents of Gearcase Seal Kit)

нет в наличии, поставок нет
55A 3852105

   (последний код) WASHER

нет в наличии, поставок нет
56 0321122

*Проставка, Переключающая тяга (SPACER, Shift rod)

нет в наличии, поставок нет
57 0387656

*THRUST Подшипник, Шестерня (THRUST BEARING, Pinion)

нет в наличии, поставок нет
57 0383248

   (последний код) BEARING

нет в наличии, поставок нет
58 0337774

*Переключатель собачки сцепления (SHIFTER, Clutch dog)

нет в наличии, поставок нет
58 0910995

   (последний код) SHIFTER

нет в наличии, поставок нет
59 0328702

*Шайба (WASHER)

нет в наличии, поставок нет
59 3852183

   (последний код) WASHER

нет в наличии, поставок нет
60 0311538

*Штифт, DriveВал (PIN, Driveshaft)

нет в наличии, поставок нет
61 0338504

*Фиксатор приводного вала (RETAINER, Driveshaft)

нет в наличии, поставок нет
62 0321008

*Пыльник, Exh. hsg. to shft Тяга - Z. Contents of Ремкомплект водяного насоса (GROMMET, Exh. hsg. to shft rod - Z. Contents of Water Pump Repair Kit)

нет в наличии, поставок нет
63 0338484

*Прокладка крыльчатки hsg. Пластина - W, Z. Contents of Комплект сальников редуктора, Contents of Ремкомплект водяного насоса (GASKET, Impeller hsg. Plate - W,Z. Contents of Gearcase Seal Kit, Contents of Water Pump Repair Kit)

нет в наличии, поставок нет
63 0324701

   (последний код) GASKET,-DRL5

нет в наличии, поставок нет
64 0333957

*TAB, Подшипник Корпус (TAB, BEARING HOUSING)

нет в наличии, поставок нет
65 0328473

*Шайба (WASHER)

нет в наличии, поставок нет
66 0341541

*Винт, Фиксатор tab (24-26 футlbs.) (SCREW, Retainer tab (24-26 ft.lbs.))

нет в наличии, поставок нет
67 0398042

Гайка & KEEPER, Гребной винт (NUT & KEEPER, Propeller)

нет в наличии, поставок нет
67 3850984

   (последний код) NUT&KEEPER AY,PROP

нет в наличии, поставок нет
68 0306394

Шплинт, Гайка гребного винта (COTTER PIN, Propeller nut)

нет в наличии, поставок нет
68 3852056

   (последний код) PIN,COTTER

нет в наличии, поставок нет
69 0330265

Шайба, Винт, long (WASHER, Screw, long)

нет в наличии, поставок нет
70 0331998

Винт, Редуктор to Корпус - Z. Contents of Ремкомплект водяного насоса (SCREW, Gearcase to housing - Z. Contents of Water Pump Repair Kit)

нет в наличии, поставок нет
70 0914535

   (последний код) SCREW

нет в наличии, поставок нет
71 0314008

Пыльник водяной трубки - Z. Contents of Ремкомплект водяного насоса (GROMMET, Water tube - Z. Contents of Water Pump Repair Kit)

нет в наличии, поставок нет
72 0331999

Винт, Редуктор to Корпус (SCREW, Gearcase to housing)

нет в наличии, поставок нет
72 0910457

   (последний код) SCREW

нет в наличии, поставок нет
73 0331353

Сальник, Крыльчатка Корпус Пластина - Z. Contents of Ремкомплект водяного насоса (SEAL, Impeller housing plate - Z. Contents of Water Pump Repair Kit)

1 шт790 руб.
74 5001593

Крыльчатка в сборе. - Z. Contents of Ремкомплект водяного насоса (IMPELLER ASSY. - Z. Contents of Water Pump Repair Kit)

нет в наличии, поставок нет
74 0435821

   (последний код) KIT AY,IMPELLER

нет в наличии, поставок нет
75 0331107

*CAM, Крыльчатка - Z. Contents of Ремкомплект водяного насоса (CAM, Impeller - Z. Contents of Water Pump Repair Kit)

нет в наличии, поставок нет
76 0302035

*Уплотнительное кольцо - Z. Contents of Ремкомплект водяного насоса (O-RING - Z. Contents of Water Pump Repair Kit)

нет в наличии, поставок нет
77 0338893

Колпак крыльчатки Корпус - Z. Contents of Ремкомплект водяного насоса (COVER, Impeller housing - Z. Contents of Water Pump Repair Kit)

нет в наличии, поставок нет
77 0321159

   (последний код) COVER-IMP-HS

нет в наличии, поставок нет
78 0126402

Упорная втулка (THRUST BUSHING)

нет в наличии, поставок нет
78 0126870

   (последний код) BUSHING,THRUST

нет в наличии, поставок нет
79 0342995

Переключающая тяга (SHIFT ROD)

нет в наличии, поставок нет
80 0330263

Винт, Редуктор, rear (SCREW, Gearcase, rear)

нет в наличии, поставок нет
80 0914534

   (последний код) SCREW

нет в наличии, поставок нет
81 0320570

Проставка гайки гребного винта (SPACER, Propeller nut)

нет в наличии, поставок нет
81 3852163

   (последний код) SPACER,PROP

нет в наличии, поставок нет
82 0302325

Винт, Крыльчатка Корпус, 1 дюйм - Z. Contents of Ремкомплект водяного насоса (SCREW, Impeller housing, 1 in. - Z. Contents of Water Pump Repair Kit)

нет в наличии, поставок нет
83 0338601

Пыльник, Водяной насос - Z. Contents of Ремкомплект водяного насоса (GROMMET, Water pump - Z. Contents of Water Pump Repair Kit)

1 шт520 руб.
84 0435959

Крыльчатка Корпус, Редуктор - Z. Contents of Ремкомплект водяного насоса (IMPELLER HOUSING, Gearcase - Z. Contents of Water Pump Repair Kit)

нет в наличии, поставок нет
85 0338636

Гильза - Z. Contents of Ремкомплект водяного насоса (SLEEVE - Z. Contents of Water Pump Repair Kit)

нет в наличии, поставок нет
86 0331188

Уплотнительное кольцо, Крыльчатка - Z. Contents of Ремкомплект водяного насоса (O-RING, Impeller - Z. Contents of Water Pump Repair Kit)

5 шт370 руб.
87 0338743

Пластина трима, Редуктор (TRIM TAB, Gearcase)

1 шт7970 руб.
87 0333961

   (последний код) TAB-TRIM

1 шт6110 руб.
88 0320943

Пыльник, Крыльчатка Корпус - Z. Contents of Ремкомплект водяного насоса (GROMMET, Impeller housing - Z. Contents of Water Pump Repair Kit)

1 шт300 руб.
89 0338486

Cвыше, Крыльчатка - Y, Z. Stainless Steel, Contents of Ремкомплект водяного насоса (CUP, Impeller - Y,Z. Stainless Steel, Contents of Water Pump Repair Kit)

нет в наличии, поставок нет
89 0338551

Cвыше, Крыльчатка Корпус - X. хромированная пластина (CUP, Impeller housing - X. Chrome Plated)

нет в наличии, поставок нет
90 0306643

Винт, Крышка to Крыльчатка - Z. Contents of Ремкомплект водяного насоса (SCREW, Cover to impeller - Z. Contents of Water Pump Repair Kit)

нет в наличии, поставок нет
90 3852066

   (последний код) SCREW

нет в наличии, поставок нет
91 0328701

LOCKШайба, Анод (LOCKWASHER, Anode)

нет в наличии, поставок нет
91 3852182

   (последний код) WASHER,LOCK

нет в наличии, поставок нет
92 0330266

Шайба (WASHER)

нет в наличии, поставок нет
92 3852200

   (последний код) WASHER

нет в наличии, поставок нет
93 0

Гребной винт (PROPELLER)

нет в наличии, поставок нет
94 0313926

*Гильза, Втулка (SLEEVE, Bushing)

нет в наличии, поставок нет
94 3850831

   (последний код) SLEEVE-PROP

нет в наличии, поставок нет
95 0175401

*Втулка, S.S. Гребной винт (BUSHING, S.S. propeller)

нет в наличии, поставок нет
95 0387157

*Втулка, Alum. Гребной винт (BUSHING, Alum. propeller)

нет в наличии, поставок нет
96 5000624

Приводной вал., верхний (Includes #60 & 61) (DRIVESHAFT ASSY., Upper (Includes #60 & 61))

нет в наличии, поставок нет
96 0436235

   (последний код) UPPER D/S AY - 25"

нет в наличии, поставок нет
97 0313715

Винт, Пластина трима (SCREW, Trim tab)

нет в наличии, поставок нет
98 0338485

Пластина корпуса крыльчатки - Y, Z. Stainless Steel, Contents of Ремкомплект водяного насоса (PLATE, Impeller housing - Y,Z. Stainless Steel, Contents of Water Pump Repair Kit)

нет в наличии, поставок нет
98 0338552

Пластина корпуса крыльчатки - X. хромированная пластина (PLATE, Impeller housing - X. Chrome Plated)

нет в наличии, поставок нет
99 5000411

Комплект сальников редуктора (GEARCASE SEAL KIT)

нет в наличии, поставок нет
99 5006373

   (последний код) KIT AY,SEAL-GC

нет в наличии, поставок нет
100 5001595

Ремкомплект водяного насоса (Includes Крыльчатка Корпус) (WATER PUMP REPAIR KIT (Includes impeller housing))

нет в наличии, поставок нет
100 0435929

   (последний код) KIT AY,WATER PUMP

нет в наличии, поставок нет
101 0435526

CHROME Cвыше & Пластина KIT (CHROME CUP & PLATE KIT)

нет в наличии, поставок нет
101 0395059

   (последний код) CHROME PUMP KIT

нет в наличии, поставок нет
evinrude

Время выполнения запроса 2.382157087326 сек.


 
 

данный сайт носит информационный характер и не является публичной офертой

склад запчастей для водомоторной техники