вконтакте

Контактный телефон: +7 (981) 121-46-93, +7 (800) 200-90-76 , Email: parts-katalog@yandex.ru, где купить

 
 

  Логин:

Пароль:

Регистрация

www.partskatalog.ru Все каталоги Запчасти Mercury Запчасти Suzuki Запчасти Tohatsu Запчасти Honda Контакты


Все разделы каталога запчастей на этот двигатель

назад Раздел:   вперёд

вернуться к списку узлов и деталей

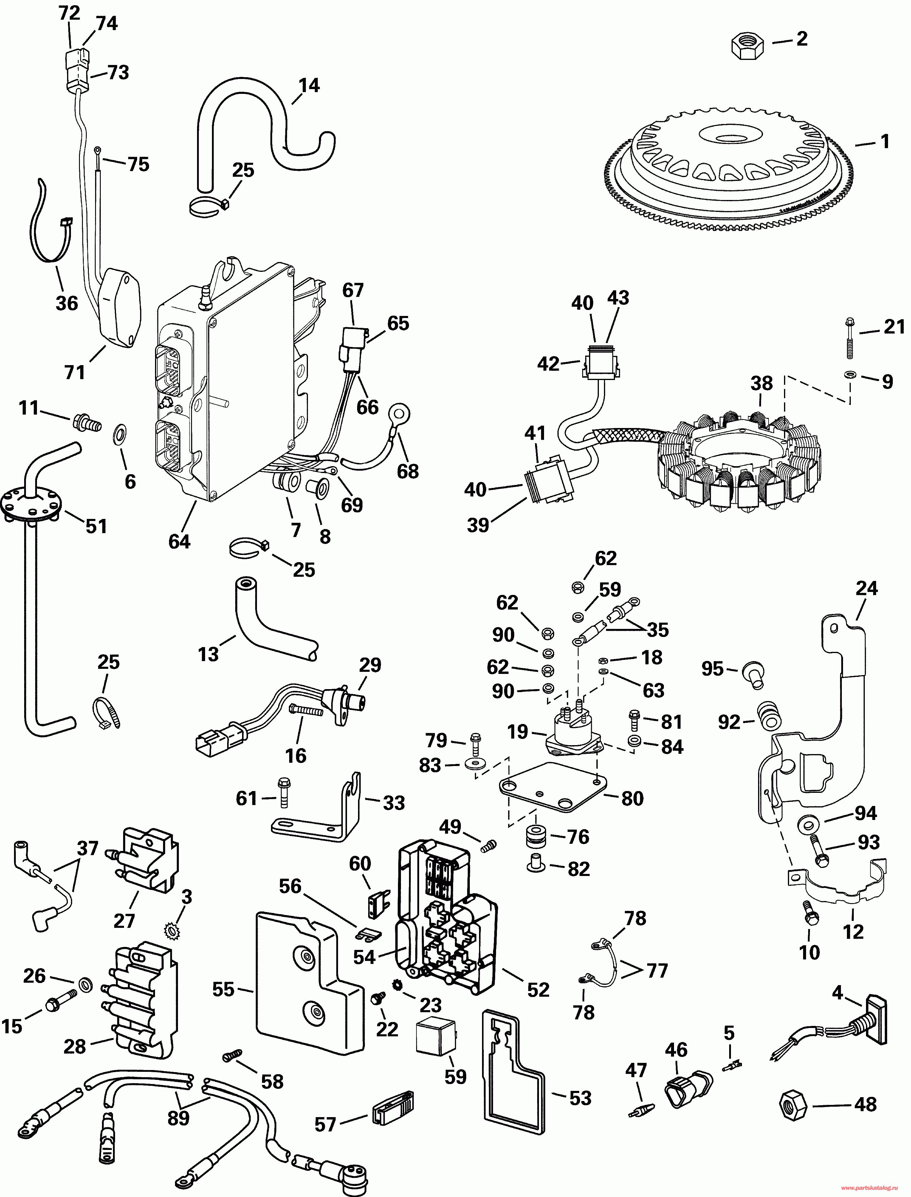
ДЕТАЛИРОВКА ДЛЯ МОДЕЛИ: EVINRUDE E225FPLSIF FFI

ЭЛЕКТРИКА SYSTEM | ELECTRICAL SYSTEM;


Лодочный мотор Evinrude E225FPLSIF FFI  - ectrical System / ectrical System

Номер на
рисунке
АртикулНаименованиеКол-во
на складе
Цена
1 0586653

Маховик в сборе. (FLYWHEEL ASSY.)

нет в наличии, поставок нет
2 0326042

Гайка, Маховик (NUT, Flywheel)

нет в наличии, поставок нет
3 0328701

Шайба с блокировкой, Coils (LOCK WASHER, Coils)

нет в наличии, поставок нет
3 3852182

   (последний код) WASHER,LOCK

нет в наличии, поставок нет
4 0586074

Переключатель в сборе., Trim & tilt (SWITCH ASSY., Trim & tilt)

нет в наличии, поставок нет
5 0514679

*Клемма, Штифт (TERMINAL, Pin)

нет в наличии, поставок нет
6 0328703

Шайба, EMM (WASHER, EMM)

нет в наличии, поставок нет
6 3852184

   (последний код) WASHER

нет в наличии, поставок нет
7 0333040

ISOLATOR / Крепление, EMM (ISOLATOR/MOUNT, EMM)

нет в наличии, поставок нет
8 0338558

ФланецD Проставка, EMM, Крепление (FLANGED SPACER, EMM, mount)

нет в наличии, поставок нет
9 0306311

Шайба с блокировкой, Винт, Статор (LOCK WASHER, Screw, stator)

нет в наличии, поставок нет
10 0333673

Винт зажима to Кронштейн (SCREW, Clamp to bracket)

нет в наличии, поставок нет
10 0332226

   (последний код) SCREW

нет в наличии, поставок нет
11 0333710

Винт, EMM (SCREW, EMM)

нет в наличии, поставок нет
11 0332012

   (последний код) SCREW

нет в наличии, поставок нет
12 0514891

Струбцина, Колпачокacitor (CLAMP, Capacitor)

нет в наличии, поставок нет
13 0347034

Шланг, Пароотделитель to EMM (HOSE, Vapor separator to EMM)

нет в наличии, поставок нет
13 0345236

   (последний код) HOSE

нет в наличии, поставок нет
14 0333633

Шланг, EMM to Крышка Пластина (HOSE, EMM to cover plate)

нет в наличии, поставок нет
14 0330919

   (последний код) HOSE

нет в наличии, поставок нет
15 0331025

Винт, Coil Креплениеing (SCREW, Coil mounting)

нет в наличии, поставок нет
15 0308751

   (последний код) SCREW

нет в наличии, поставок нет
16 0328724

Винт, CPS to Кронштейн (SCREW, CPS to bracket)

нет в наличии, поставок нет
16 3852186

   (последний код) SCREW

нет в наличии, поставок нет
18 0306556

Гайка, Small (NUT, Small)

нет в наличии, поставок нет
18 3852064

   (последний код) NUT

нет в наличии, поставок нет
19 0985064

SOLENOID (SOLENOID)

нет в наличии, поставок нет
19 0586842

   (последний код) SOLENOID AY

нет в наличии, поставок нет
21 0343525

Винт, Статор Креплениеing (SCREW, Stator mounting)

нет в наличии, поставок нет
22 0328724

Винт, Auxiliary battery lead (SCREW, Auxiliary battery lead)

нет в наличии, поставок нет
22 3852186

   (последний код) SCREW

нет в наличии, поставок нет
23 0328701

Шайба с блокировкой (LOCK WASHER)

нет в наличии, поставок нет
23 3852182

   (последний код) WASHER,LOCK

нет в наличии, поставок нет
24 0347236

Кронштейн, Колпачокacitor (BRACKET, Capacitor)

нет в наличии, поставок нет
25 0320107

Крепёжный хомут (TIE STRAP)

нет в наличии, поставок нет
25 5035626

   (последний код) BAND,REM CON

нет в наличии, поставок нет
26 0328703

плоский Шайба, Coil Креплениеing (FLAT WASHER, Coil mounting)

нет в наличии, поставок нет
26 3852184

   (последний код) WASHER

нет в наличии, поставок нет
27 0586528

Катушка в сборе., Single (COIL ASSY., Single)

нет в наличии, поставок нет
28 0586533

Катушка в сборе., Dual (COIL ASSY., Dual)

нет в наличии, поставок нет
29 5000729

Датчик в сборе., Кривошип position (SENSOR ASSY., Crank position)

нет в наличии, поставок нет
33 0346466

Кронштейн, CPS (BRACKET, CPS)

нет в наличии, поставок нет
35 0386721

LEAD, Solenoid to Стартер (LEAD, Solenoid to starter)

нет в наличии, поставок нет
35 0388246

   (последний код) CABLE & COVER

нет в наличии, поставок нет
36 0320107

Крепёжный хомут, Фильтр to Двигатель Жгут проводов (TIE STRAP, Filter to engine harness)

нет в наличии, поставок нет
36 5035626

   (последний код) BAND,REM CON

нет в наличии, поставок нет
37 5001346

LEAD в сборе., Свеча зажигания (LEAD ASSY., Spark plug)

нет в наличии, поставок нет
38 0586571

Статор в сборе. (STATOR ASSY.)

нет в наличии, поставок нет
38 0586950

   (последний код) STATOR AY,SWITCHER

нет в наличии, поставок нет
39 3010451

*LOCK WEDGE, 12-Штифт (LOCK WEDGE, 12-pin)

нет в наличии, поставок нет
40 0514680

*Клемма, Socket (TERMINAL, Socket)

нет в наличии, поставок нет
41 3010450

*Коннектор, 12-Штифт (CONNECTOR, 12-pin)

нет в наличии, поставок нет
42 0176296

*Коннектор, 8-Штифт (CONNECTOR, 8-pin)

нет в наличии, поставок нет
43 0127288

*LOCK WEDGE, 8-Штифт (LOCK WEDGE, 8-pin)

нет в наличии, поставок нет
46 0514686

Коннектор, 3-Штифт (CONNECTOR, 3-pin)

нет в наличии, поставок нет
47 0514682

LOCK WEDGE (LOCK WEDGE)

нет в наличии, поставок нет
48 0334656

Гайка, Переключатель (NUT, Switch)

нет в наличии, поставок нет
49 0328649

Винт, Предохранитель & Реле to Кронштейн (SCREW, Fuse & relay to bracket)

нет в наличии, поставок нет
49 0337541

   (последний код) SCREW

нет в наличии, поставок нет
51 5001347

Диафрагма & Шланг в сборе., Выхлоп Backpressure (DIAPHRAGM & HOSE ASSY., Exhaust Backpressure)

нет в наличии, поставок нет
52 0586379

POWER DISTRIBUTION PANEL. в сборе. (POWER DISTRIBUTION PANEL. ASSY.)

нет в наличии, поставок нет
52 0586754

   (последний код) HSG&CVR AY,FU&RLY

нет в наличии, поставок нет
53 0345004

*Сальник, Крышка (SEAL, Cover)

нет в наличии, поставок нет
54 0914634

*Прокладка, Коннектор (GASKET, Connector)

нет в наличии, поставок нет
54 3853299

   (последний код) GASKET,CONNE

нет в наличии, поставок нет
55 0586300

*Крышка в сборе (COVER ASSY.)

нет в наличии, поставок нет
56 0514766

**Предохранитель, 10 Amp, spare (FUSE, 10 Amp, spare)

нет в наличии, поставок нет
57 0345005

**Предохранитель, Съёмник (FUSE, Puller)

нет в наличии, поставок нет
58 0344233

**Винт (SCREW)

нет в наличии, поставок нет
59 0586224

*Реле в сборе. (RELAY ASSY.)

1 шт2730 руб.
59 3857533

   (последний код) RELAY AY

нет в наличии, поставок нет
60 0514766

*Предохранитель, 10 Amp (FUSE, 10 Amp)

нет в наличии, поставок нет
61 0328725

Винт, CPS Крепление (SCREW, CPS mount)

нет в наличии, поставок нет
61 3852187

   (последний код) SCREW

нет в наличии, поставок нет
62 0321472

Гайка, Large (NUT, Large)

нет в наличии, поставок нет
62 0308067

   (последний код) NUT

нет в наличии, поставок нет
63 0304454

Шайба с блокировкой, Small (LOCK WASHER, Small)

нет в наличии, поставок нет
64 0586724

EMM & PROGRAM в сборе.. Refer to the current Parts и Аксессуары Bulletin with Subject "EMM Replacement" Or, refer to "EMM & ECU Order Info" in current P&A Catalog (EMM & PROGRAM ASSY.. Refer to the current Parts and Accessories Bulletin with Subject "EMM Replacement" Or, refer to "EMM & ECU Order Info" in current P&A Catalog)

нет в наличии, поставок нет
64 0586518

   (последний код) EMM AY (QIPL)

нет в наличии, поставок нет
65 0513663

*Коннектор (CONNECTOR)

нет в наличии, поставок нет
65 3852249

   (последний код) CONN,2-CONT

нет в наличии, поставок нет
66 0513665

*Заглушка, Коннектор (PLUG, Connector)

нет в наличии, поставок нет
66 3852251

   (последний код) PLUG,CONN SEAL

нет в наличии, поставок нет
67 0513666

*Клемма (TERMINAL)

нет в наличии, поставок нет
67 3852252

   (последний код) TERMINAL,BLA

нет в наличии, поставок нет
68 0204363

*Клемма, Кольцо, Заземление (TERMINAL, Ring, ground)

нет в наличии, поставок нет
68 3852038

   (последний код) TERMINAL,RIN

нет в наличии, поставок нет
69 3010739

*FUSABLE Соединитель KIT (FUSABLE LINK KIT)

нет в наличии, поставок нет
70 0514158

**Клемма, Кольцо (TERMINAL, Ring)

нет в наличии, поставок нет
70 0511519

   (последний код) TERMINAL

нет в наличии, поставок нет
0513417

**SPLICE Провод. (Not Shown.) (SPLICE WIRE. (Not Shown.))

нет в наличии, поставок нет
0512930

**SHRINK Трубопровод. (Not Shown.) (SHRINK TUBING. (Not Shown.))

нет в наличии, поставок нет
71 0586546

MODULE, Фильтр (MODULE, Filter)

нет в наличии, поставок нет
71 0586550

   (последний код) PC BOARD & COMP AY

нет в наличии, поставок нет
72 0127468

*LOCK WEDGE, 4-Штифт (LOCK WEDGE, 4-pin)

нет в наличии, поставок нет
73 0176509

*Коннектор, 4-Штифт (CONNECTOR, 4-pin)

нет в наличии, поставок нет
74 0514679

*Клемма, Штифт (TERMINAL, Pin)

нет в наличии, поставок нет
75 0510818

*Клемма, Кольцо (TERMINAL, Ring)

нет в наличии, поставок нет
75 3854243

   (последний код) TERMINAL,RIN

нет в наличии, поставок нет
76 0333040

ISOLATOR, Solenoid Кронштейн (ISOLATOR, Solenoid bracket)

нет в наличии, поставок нет
77 0376349

LEAD, Solenoid Заземление (LEAD, Solenoid ground)

нет в наличии, поставок нет
78 0514158

*Кольцо Клемма (RING TERMINAL)

нет в наличии, поставок нет
78 0511519

   (последний код) TERMINAL

нет в наличии, поставок нет
79 0324334

Винт, Solenoid Кронштейн (SCREW, Solenoid bracket)

нет в наличии, поставок нет
79 0302820

   (последний код) SCREW

нет в наличии, поставок нет
80 0346784

Кронштейн, Solenoid (BRACKET, Solenoid)

нет в наличии, поставок нет
81 0335200

Винт, Solenoid (SCREW, Solenoid)

нет в наличии, поставок нет
81 3852212

   (последний код) SCREW

нет в наличии, поставок нет
82 0338558

Проставка, Solenoid Кронштейн (SPACER, Solenoid bracket)

нет в наличии, поставок нет
83 0328703

Шайба, Solenoid Кронштейн (WASHER, Solenoid bracket)

нет в наличии, поставок нет
83 3852184

   (последний код) WASHER

нет в наличии, поставок нет
84 0328701

Шайба, Solenoid (WASHER, Solenoid)

нет в наличии, поставок нет
84 3852182

   (последний код) WASHER,LOCK

нет в наличии, поставок нет
89 0584348

Кабель аккумулятора (BATTERY CABLE)

нет в наличии, поставок нет
89 0396145

   (последний код) BATTERY-CABL

нет в наличии, поставок нет
90 0331259

Шайба с блокировкой, Large (LOCK WASHER, Large)

нет в наличии, поставок нет
92 0333040

ISOLATOR (ISOLATOR)

нет в наличии, поставок нет
93 0332012

Винт, Колпачокacitor Крепление (SCREW, Capacitor mount)

нет в наличии, поставок нет
93 0333710

   (последний код) SCREW

нет в наличии, поставок нет
94 0328703

Шайба (WASHER)

нет в наличии, поставок нет
94 3852184

   (последний код) WASHER

нет в наличии, поставок нет
95 0338558

ФланецD Проставка (FLANGED SPACER)

нет в наличии, поставок нет
95 0338558

ФланецD Проставка (FLANGED SPACER)

нет в наличии, поставок нет
evinrude

Время выполнения запроса 4.9095270633698 сек.


 
 

данный сайт носит информационный характер и не является публичной офертой

склад запчастей для водомоторной техники