вконтакте

Контактный телефон: +7 (981) 121-46-93, +7 (800) 200-90-76 , Email: parts-katalog@yandex.ru, где купить

 
 

  Логин:

Пароль:

Регистрация

www.partskatalog.ru Все каталоги Запчасти Mercury Запчасти Suzuki Запчасти Tohatsu Запчасти Honda Контакты


Все разделы каталога запчастей на этот двигатель

назад Раздел:   вперёд

вернуться к списку узлов и деталей

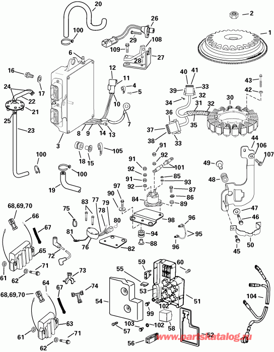
ДЕТАЛИРОВКА ДЛЯ МОДЕЛИ: EVINRUDE E200FHLSRC

ЭЛЕКТРИКА SYSTEM | ELECTRICAL SYSTEM;


Подвесной лодочный мотор EVINRUDE E200FHLSRC  - ectrical System

Номер на
рисунке
АртикулНаименованиеКол-во
на складе
Цена
1 0586653

Маховик в сборе (FLYWHEEL Assy)

нет в наличии, поставок нет
2 0326042

Гайка, Маховик (NUT, Flywheel)

нет в наличии, поставок нет
3 0586724

EMM, 200HP. Refer to the current Parts и Аксессуары Bulletin with Subject "EMM Replacement" Or, refer to "EMM & ECU Order Info" in current P&A Catalog (EMM, 200HP. Refer to the current Parts and Accessories Bulletin with Subject "EMM Replacement" Or, refer to "EMM & ECU Order Info" in current P&A Catalog)

нет в наличии, поставок нет
3 0586518

   (последний код) EMM AY (QIPL)

нет в наличии, поставок нет
3 0586724

EMM, 225HP. Refer to the current Parts и Аксессуары Bulletin with Subject "EMM Replacement" Or, refer to "EMM & ECU Order Info" in current P&A Catalog (EMM, 225HP. Refer to the current Parts and Accessories Bulletin with Subject "EMM Replacement" Or, refer to "EMM & ECU Order Info" in current P&A Catalog)

нет в наличии, поставок нет
3 0586518

   (последний код) EMM AY (QIPL)

нет в наличии, поставок нет
3 0586724

EMM, 250HP. Refer to the current Parts и Аксессуары Bulletin with Subject "EMM Replacement" Or, refer to "EMM & ECU Order Info" in current P&A Catalog (EMM, 250HP. Refer to the current Parts and Accessories Bulletin with Subject "EMM Replacement" Or, refer to "EMM & ECU Order Info" in current P&A Catalog)

нет в наличии, поставок нет
3 0586518

   (последний код) EMM AY (QIPL)

нет в наличии, поставок нет
4 0316245

*Струбцина, leads to case (CLAMP, leads to case)

нет в наличии, поставок нет
4 0330257

   (последний код) CLAMP

нет в наличии, поставок нет
5 0328714

*Винт зажима to EMM (SCREW, Clamp to EMM)

нет в наличии, поставок нет
5 0204027

   (последний код) SCREW

нет в наличии, поставок нет
6 0330272

*FITTING, EMM water (FITTING, EMM water)

нет в наличии, поставок нет
7 0204363

*Клемма, Кольцо - Заземление (TERMINAL, Ring - ground)

нет в наличии, поставок нет
7 3852038

   (последний код) TERMINAL,RIN

нет в наличии, поставок нет
8 0317893

*Крепёжный хомут (TIE STRAP)

нет в наличии, поставок нет
8 3852149

   (последний код) TIE-STRAP

нет в наличии, поставок нет
9 0320107

*Крепёжный хомут (TIE STRAP)

нет в наличии, поставок нет
9 5035626

   (последний код) BAND,REM CON

нет в наличии, поставок нет
10 0513663

*Коннектор, 2 Socket (CONNECTOR, 2 Socket)

нет в наличии, поставок нет
10 3852249

   (последний код) CONN,2-CONT

нет в наличии, поставок нет
11 0513665

*Заглушка, Сальник (PLUG, Seal)

нет в наличии, поставок нет
11 3852251

   (последний код) PLUG,CONN SEAL

нет в наличии, поставок нет
12 0513666

*Клемма, Blade (TERMINAL, Blade)

нет в наличии, поставок нет
12 3852252

   (последний код) TERMINAL,BLA

нет в наличии, поставок нет
13 0514158

*Клемма, Кольцо (TERMINAL, Ring)

нет в наличии, поставок нет
13 0511519

   (последний код) TERMINAL

нет в наличии, поставок нет
14 5004456

*FUSIBLE Соединитель KIT, AUX BATTERY (FUSIBLE LINK KIT, AUX BATTERY)

нет в наличии, поставок нет
15 0338558

Проставка, Фланецd, EMM Крепление (SPACER, Flanged, EMM mount)

нет в наличии, поставок нет
16 0333710

Винт, EMM (SCREW, EMM)

нет в наличии, поставок нет
16 0332012

   (последний код) SCREW

нет в наличии, поставок нет
17 0328703

Шайба, EMM (WASHER, EMM)

нет в наличии, поставок нет
17 3852184

   (последний код) WASHER

нет в наличии, поставок нет
18 0333040

ISOLATOR, EMM (ISOLATOR, EMM)

нет в наличии, поставок нет
19 0347034

Шланг, Пароотделитель to EMM (HOSE, Vapor separator to EMM)

нет в наличии, поставок нет
19 0345236

   (последний код) HOSE

нет в наличии, поставок нет
20 0350136

Шланг, EMM to Крышка Пластина (HOSE, EMM to cover plate)

нет в наличии, поставок нет
21 5001347

Диафрагма & Шланг в сборе, Выхлоп (DIAPHRAGM & HOSE Assy, Exhaust)

нет в наличии, поставок нет
22 0339746

*Шланг, Диафрагма to EMM (HOSE, Diaphragm to EMM)

нет в наличии, поставок нет
23 0350338

*Шланг, Exh pressure to Диафрагма (HOSE, Exh pressure to diaphragm)

нет в наличии, поставок нет
24 0346930

*Струбцина, 9.5 мм (CLAMP, 9.5mm)

нет в наличии, поставок нет
25 0346931

*Струбцина, 14 мм (CLAMP, 14mm)

нет в наличии, поставок нет
26 0586452

Датчик в сборе, Кривошип position (SENSOR Assy, Crank position)

нет в наличии, поставок нет
27 0346466

Кронштейн, CPS (BRACKET, CPS)

нет в наличии, поставок нет
28 0328725

Винт, CPS Крепление (SCREW, CPS mount)

нет в наличии, поставок нет
28 3852187

   (последний код) SCREW

нет в наличии, поставок нет
29 0329217

Винт, CPS to Кронштейн (SCREW, CPS to bracket)

нет в наличии, поставок нет
29 0333707

   (последний код) SCREW

нет в наличии, поставок нет
30 0586571

Статор в сборе (STATOR Assy)

нет в наличии, поставок нет
30 0586950

   (последний код) STATOR AY,SWITCHER

нет в наличии, поставок нет
31 0317893

*Крепёжный хомут (TIE STRAP)

нет в наличии, поставок нет
31 3852149

   (последний код) TIE-STRAP

нет в наличии, поставок нет
32 0320107

Крепёжный хомут (TIE STRAP)

нет в наличии, поставок нет
32 5035626

   (последний код) BAND,REM CON

нет в наличии, поставок нет
33 0514680

*Клемма, Socket (TERMINAL, Socket)

нет в наличии, поставок нет
34 0514690

*Заглушка, Сальник (PLUG, Seal)

нет в наличии, поставок нет
35 3010861

*Гильза (SLEEVE)

нет в наличии, поставок нет
36 3010885

*Коннектор, 12 Штифт (CONNECTOR, 12 Pin)

нет в наличии, поставок нет
37 3011034

**Сальник (SEAL)

нет в наличии, поставок нет
38 3010959

*LOCKWEDGE, 12 Штифт (LOCKWEDGE, 12 Pin)

нет в наличии, поставок нет
39 3011030

*Коннектор, 8 Штифт (CONNECTOR, 8 Pin)

нет в наличии, поставок нет
40 3011033

**Сальник (SEAL)

нет в наличии, поставок нет
41 3011031

*LOCKWEDGE, 8 Штифт (LOCKWEDGE, 8 Pin)

нет в наличии, поставок нет
42 0306311

Шайба с блокировкой, Статор Винт (LOCK WASHER, Stator screw)

нет в наличии, поставок нет
43 0343525

Винт, Статор Креплениеing (SCREW, Stator mounting)

нет в наличии, поставок нет
44 0347236

Кронштейн, Колпачокacitor (BRACKET, Capacitor)

нет в наличии, поставок нет
45 0332226

Винт зажима to Кронштейн (SCREW, Clamp to bracket)

нет в наличии, поставок нет
45 3852207

   (последний код) SCREW

нет в наличии, поставок нет
46 0333710

Винт, Колпачокacitor Монтажный кронштейн (SCREW, Capacitor mount bracket)

нет в наличии, поставок нет
46 0332012

   (последний код) SCREW

нет в наличии, поставок нет
47 0328703

Шайба (WASHER)

нет в наличии, поставок нет
47 3852184

   (последний код) WASHER

нет в наличии, поставок нет
48 0333040

ISOLATOR (ISOLATOR)

нет в наличии, поставок нет
49 0338558

Проставка, Фланецd (SPACER, Flanged)

нет в наличии, поставок нет
50 0514891

Струбцина, Колпачокacitor (CLAMP, Capacitor)

нет в наличии, поставок нет
51 0586754

POWER DISTRIBUTION PANEL (POWER DISTRIBUTION PANEL)

нет в наличии, поставок нет
51 0586379

   (последний код) HSG&CVR AY,FU&RLY

нет в наличии, поставок нет
52 0345004

*Сальник, Крышка (SEAL, Cover)

нет в наличии, поставок нет
53 3853299

*Прокладка, Коннектор (GASKET, Connector)

нет в наличии, поставок нет
53 0914634

   (последний код) GASKET,CONNECTOR

нет в наличии, поставок нет
54 0586300

*Крышка в сборе (COVER Assy)

нет в наличии, поставок нет
55 0514766

**Предохранитель, 10 AMP, spare (FUSE, 10 AMP, spare)

нет в наличии, поставок нет
56 0345005

**Предохранитель, Съёмник (FUSE, Puller)

нет в наличии, поставок нет
57 0344233

**Винт (SCREW)

нет в наличии, поставок нет
58 0586224

*Реле в сборе (RELAY Assy)

1 шт2730 руб.
58 3857533

   (последний код) RELAY AY

нет в наличии, поставок нет
59 0514766

*Предохранитель, 10 AMP (FUSE, 10 AMP)

нет в наличии, поставок нет
60 0328649

Винт, Предохранитель & Реле to Кронштейн (SCREW, Fuse & relay to bracket)

нет в наличии, поставок нет
60 0337541

   (последний код) SCREW

нет в наличии, поставок нет
61 0328701

Шайба с блокировкой, Coil (LOCK WASHER, Coil)

нет в наличии, поставок нет
61 3852182

   (последний код) WASHER,LOCK

нет в наличии, поставок нет
62 0328703

плоский Шайба, Coil Креплениеing (FLAT WASHER, Coil mounting)

нет в наличии, поставок нет
62 3852184

   (последний код) WASHER

нет в наличии, поставок нет
63 0586749

Катушка в сборе, Single (COIL Assy, Single)

нет в наличии, поставок нет
64 0514679

*Клемма, Штифт (TERMINAL, Pin)

нет в наличии, поставок нет
65 0586745

Катушка в сборе, Dual (COIL Assy, Dual)

нет в наличии, поставок нет
66 0514679

*Клемма, Штифт (TERMINAL, Pin)

нет в наличии, поставок нет
67 0

**Трубопровод, Гильза - Primary leads. (сокращёная длина from P / N 3011044.) (TUBING, Sleeve - Primary leads. (Cut to length from P/N 3011044.))

нет в наличии, поставок нет
68 0514682

LOCKWEDGE (LOCKWEDGE)

нет в наличии, поставок нет
69 0514686

Коннектор, 3 Штифт (CONNECTOR, 3 Pin)

нет в наличии, поставок нет
70 0514789

*Сальник (SEAL)

нет в наличии, поставок нет
71 0331025

Винт, Coil Креплениеing (SCREW, Coil mounting)

нет в наличии, поставок нет
71 0308751

   (последний код) SCREW

нет в наличии, поставок нет
72 5005810

LEAD в сборе, Свеча зажигания. New P / N для 2004 (LEAD Assy, Spark plug. New P/N for 2004)

нет в наличии, поставок нет
72 5004960

   (последний код) LEAD AY,H/T-SUPP

нет в наличии, поставок нет
73 0350056

Фиксатор, High tension leads / инжектор (RETAINER, High tension leads / injector)

нет в наличии, поставок нет
74 0350055

Фиксатор, High tension leads (RETAINER, High tension leads)

нет в наличии, поставок нет
75 0318322

Крепёжный хомут (TIE STRAP)

нет в наличии, поставок нет
76 0586546

MODULE, Фильтр (MODULE, Filter)

нет в наличии, поставок нет
76 0586550

   (последний код) PC BOARD & COMP AY

нет в наличии, поставок нет
77 0317893

*Крепёжный хомут (TIE STRAP)

нет в наличии, поставок нет
77 3852149

   (последний код) TIE-STRAP

нет в наличии, поставок нет
78 0514679

*Клемма, Штифт (TERMINAL, Pin)

нет в наличии, поставок нет
79 0514696

*Коннектор, 2 Штифт (CONNECTOR, 2 Pin)

нет в наличии, поставок нет
80 0514697

*LOCKWEDGE, 2 Штифт (LOCKWEDGE, 2 Pin)

нет в наличии, поставок нет
81 0510818

*Клемма, Кольцо (TERMINAL, Ring)

нет в наличии, поставок нет
81 3854243

   (последний код) TERMINAL,RIN

нет в наличии, поставок нет
82 0349993

Кронштейн фильтра в сборе to c / c (BRACKET, Filter assy to c/c)

нет в наличии, поставок нет
83 0324334

Винт, Фильтр в сборе to Кронштейн (SCREW, Filter assy to bracket)

нет в наличии, поставок нет
83 0302820

   (последний код) SCREW

нет в наличии, поставок нет
84 0586842

SOLENOID. New P / N для 2004 (SOLENOID. New P/N for 2004)

нет в наличии, поставок нет
84 3853839

   (последний код) SOLENOID AY

нет в наличии, поставок нет
85 0306556

Гайка, Small (NUT, Small)

нет в наличии, поставок нет
85 3852064

   (последний код) NUT

нет в наличии, поставок нет
86 0328701

Шайба с блокировкой (LOCK WASHER)

нет в наличии, поставок нет
86 3852182

   (последний код) WASHER,LOCK

нет в наличии, поставок нет
87 0335200

Винт, Solenoid (SCREW, Solenoid)

нет в наличии, поставок нет
87 3852212

   (последний код) SCREW

нет в наличии, поставок нет
88 0338558

Проставка, Solenoid Кронштейн (SPACER, Solenoid bracket)

нет в наличии, поставок нет
89 0328703

Шайба, Solenoid Кронштейн (WASHER, Solenoid bracket)

нет в наличии, поставок нет
89 3852184

   (последний код) WASHER

нет в наличии, поставок нет
90 0328701

Шайба, Solenoid (WASHER, Solenoid)

нет в наличии, поставок нет
90 3852182

   (последний код) WASHER,LOCK

нет в наличии, поставок нет
91 0321472

Гайка, Large (NUT, Large)

нет в наличии, поставок нет
91 0308067

   (последний код) NUT

нет в наличии, поставок нет
92 0331259

Шайба с блокировкой, Large (LOCK WASHER, Large)

нет в наличии, поставок нет
93 0304454

Шайба с блокировкой, Small (LOCK WASHER, Small)

нет в наличии, поставок нет
94 0333040

ISOLATOR, Solenoid Кронштейн (ISOLATOR, Solenoid bracket)

нет в наличии, поставок нет
95 0376349

LEAD, Solenoid Заземление (LEAD, Solenoid ground)

нет в наличии, поставок нет
96 0514158

*Клемма, Кольцо (TERMINAL, Ring)

нет в наличии, поставок нет
96 0511519

   (последний код) TERMINAL

нет в наличии, поставок нет
97 0324334

Винт, Solenoid Кронштейн (SCREW, Solenoid bracket)

нет в наличии, поставок нет
97 0302820

   (последний код) SCREW

нет в наличии, поставок нет
98 0346784

Кронштейн, Solenoid (BRACKET, Solenoid)

нет в наличии, поставок нет
99 0335200

Винт, Auxiliary battery lead (SCREW, Auxiliary battery lead)

нет в наличии, поставок нет
99 3852212

   (последний код) SCREW

нет в наличии, поставок нет
100 0320107

Крепёжный хомут (TIE STRAP)

нет в наличии, поставок нет
100 5035626

   (последний код) BAND,REM CON

нет в наличии, поставок нет
101 0386721

LEAD, Solenoid to Стартер (LEAD, Solenoid to starter)

нет в наличии, поставок нет
101 0388246

   (последний код) CABLE & COVER

нет в наличии, поставок нет
102 0303701

Шайба, Винт neg battery lead (WASHER, Screw neg battery lead)

нет в наличии, поставок нет
103 0332226

Винт, Neg bat lead to PDP brkt (SCREW, Neg bat lead to PDP brkt)

нет в наличии, поставок нет
103 3852207

   (последний код) SCREW

нет в наличии, поставок нет
104 0584348

Кабель аккумулятора (BATTERY CABLE)

нет в наличии, поставок нет
104 0396145

   (последний код) BATTERY-CABL

нет в наличии, поставок нет
105 0330151

Струбцина, EMM Шланг & Проводs (CLAMP, EMM hose & wires)

нет в наличии, поставок нет
105 3852199

   (последний код) CLAMP,"J"

нет в наличии, поставок нет
106 0303701

LOCKШайба (LOCKWASHER)

нет в наличии, поставок нет
107 0333673

Винт, Кронштейн to c / c (SCREW, Bracket to c/c)

нет в наличии, поставок нет
107 0332226

   (последний код) SCREW

нет в наличии, поставок нет
108 0350936

BRACE, CPS Кронштейн (BRACE, CPS bracket)

нет в наличии, поставок нет
109 0328725

Винт, CPS Кронштейн brace. New P / N для 2004 (SCREW, CPS bracket brace. New P/N for 2004)

нет в наличии, поставок нет
109 3852187

   (последний код) SCREW

нет в наличии, поставок нет
evinrude

Время выполнения запроса 1.9580080509186 сек.


 
 

данный сайт носит информационный характер и не является публичной офертой

склад запчастей для водомоторной техники