вконтакте

Контактный телефон: +7 (981) 121-46-93, +7 (800) 200-90-76 , Email: parts-katalog@yandex.ru, где купить

 
 

  Логин:

Пароль:

Регистрация

www.partskatalog.ru Все каталоги Запчасти Mercury Запчасти Suzuki Запчасти Tohatsu Запчасти Honda Контакты


Все разделы каталога запчастей на этот двигатель

назад Раздел:   вперёд

вернуться к списку узлов и деталей

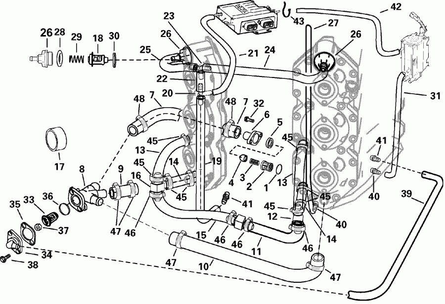
ДЕТАЛИРОВКА ДЛЯ МОДЕЛИ: EVINRUDE E150FPXSOC

ТРУБКА ОХЛАЖДЕНИЯ ROUTING | COOLING HOSE ROUTING;


Подвесной двигатель EVINRUDE E150FPXSOC  - oling Hose Routing / oling Шланг Routing

Номер на
рисунке
АртикулНаименованиеКол-во
на складе
Цена
1 0321921

Уплотнительное кольцо (O-RING)

нет в наличии, поставок нет
2 0346329

Гильза, Pressure relief (SLEEVE, Pressure relief)

нет в наличии, поставок нет
3 0346377

Пружина давления relief (SPRING, Pressure relief)

нет в наличии, поставок нет
4 0346336

Клапан давления relief (VALVE, Pressure relief)

нет в наличии, поставок нет
4 0344970

   (последний код) VALVE,BLOW OFF

нет в наличии, поставок нет
5 0335981

Сальник, Pressure relief Клапан (SEAL, Pressure relief valve)

нет в наличии, поставок нет
6 5000833

Колпачок, Pressure relief Клапан (CAP, Pressure relief valve)

нет в наличии, поставок нет
7 0348117

Шланг, Tee to pressure relief (HOSE, Tee to pressure relief)

нет в наличии, поставок нет
7 0346109

   (последний код) HOSE

нет в наличии, поставок нет
8 0346110

Корпус, Термостат нижний (HOUSING, Thermostat lower)

нет в наличии, поставок нет
9 0346107

Шланг, Head to tee, Port (HOSE, Head to tee, Port)

нет в наличии, поставок нет
10 0348118

Шланг, Head to tee, Stbd (HOSE, Head to tee, Stbd)

нет в наличии, поставок нет
11 0346113

Водяной шланг sвышеply, Stbd (HOSE, Water supply, Stbd)

нет в наличии, поставок нет
12 0346119

TEE, Water sвышеply, Stbd (TEE, Water supply, Stbd)

нет в наличии, поставок нет
13 0350131

Шланг, Fitting to head верхний (HOSE, Fitting to head upper)

нет в наличии, поставок нет
14 0350129

Шланг, Fitting to head нижний (HOSE, Fitting to head lower)

нет в наличии, поставок нет
15 0350130

Шланг, Block to head, Port (HOSE, Block to head, Port)

нет в наличии, поставок нет
16 0346119

TEE, Water sвышеply, Port (TEE, Water supply, Port)

нет в наличии, поставок нет
17 0344031

Гильза, Protection (SLEEVE, Protection)

нет в наличии, поставок нет
18 0437090

Термостат (THERMOSTAT)

нет в наличии, поставок нет
18 0436174

   (последний код) THERMOSTAT-A

нет в наличии, поставок нет
19 0346533

Шланг, Tee to Блок цилиндра, drain. (Use Крепёжный хомут P / N 320107 to secure. (Ref #43) ) (HOSE, Tee to cylinder block, drain. (Use Tie Strap P/N 320107 to secure. (Ref #43).))

нет в наличии, поставок нет
20 0346539

TEE, Термостат & EMM drain (TEE, Thermostat & EMM drain)

нет в наличии, поставок нет
21 0347194

Шланг, EMM drain. (Use Крепёжный хомут P / N 320107 to secure. (Ref #43) ) (HOSE, EMM drain. (Use Tie Strap P/N 320107 to secure. (Ref #43).))

нет в наличии, поставок нет
22 0346532

Шланг, Tee to tee. (Use Крепёжный хомут P / N 320107 to secure. (Ref #43) ) (HOSE, Tee to tee. (Use Tie Strap P/N 320107 to secure. (Ref #43).))

нет в наличии, поставок нет
23 0346140

TEE, Термостат drain (TEE, Thermostat drain)

нет в наличии, поставок нет
24 0346536

Шланг, Термостат drain, Stbd. (Use Крепёжный хомут P / N 320107 to secure. (Ref #43) ) (HOSE, Thermostat drain, Stbd. (Use Tie Strap P/N 320107 to secure. (Ref #43).))

нет в наличии, поставок нет
25 0334132

Шланг, Термостат drain, Port. (Use Крепёжный хомут P / N 320107 to secure. (Ref #43) ) (HOSE, Thermostat drain, Port. (Use Tie Strap P/N 320107 to secure. (Ref #43).))

нет в наличии, поставок нет
26 5000832

Крышка термостата (COVER, Thermostat)

нет в наличии, поставок нет
27 0346534

Шланг, Блок цилиндра vent. (Use Крепёжный хомут P / N 317893 to secure. (Ref #42) ) (HOSE, Cylinder block vent. (Use Tie Strap P/N 317893 to secure. (Ref #42).))

нет в наличии, поставок нет
28 0331188

Уплотнительное кольцо, Термостат. (Included in POWERHEAD Комплект прокладок.) (O-RING, Thermostat. (Included in POWERHEAD GASKET SET.))

5 шт370 руб.
29 0337067

Пружина, Термостат (SPRING, Thermostat)

нет в наличии, поставок нет
30 0339044

Сальник термостата верхний (SEAL, Thermostat upper)

нет в наличии, поставок нет
31 0350135

Водяной шланг sвышеply to Пароотделитель. (Use Крепёжный хомут P / N 320107 to secure. (Ref #43) ) (HOSE, Water supply to vapor separator. (Use Tie Strap P/N 320107 to secure. (Ref #43).))

нет в наличии, поставок нет
32 0308743

Винт, Pressure relief Колпачок (SCREW, Pressure relief cap)

нет в наличии, поставок нет
32 0342422

   (последний код) SCREW

нет в наличии, поставок нет
33 0437090

Термостат в сборе, нижний (THERMOSTAT Assy, Lower)

нет в наличии, поставок нет
33 0436174

   (последний код) THERMOSTAT-A

нет в наличии, поставок нет
34 0337207

Крышка термостата (COVER, Thermostat)

нет в наличии, поставок нет
35 0337194

Прокладка крышки термостата (GASKET, Thermostat cover)

нет в наличии, поставок нет
36 0310058

Сальник термостата (SEAL, Thermostat)

нет в наличии, поставок нет
37 0335778

Гайка, Крышка to Корпус (NUT, Cover to housing)

нет в наличии, поставок нет
38 0909533

Винт (SCREW)

нет в наличии, поставок нет
38 0324429

   (последний код) SCREW,IMP HSG

нет в наличии, поставок нет
39 0345229

Шланг, нижний Термостат drain. (Use Крепёжный хомут P / N 320107 to secure. (Ref #43) ) (HOSE, Lower thermostat drain. (Use Tie Strap P/N 320107 to secure. (Ref #43).))

нет в наличии, поставок нет
40 0173311

Ниппель, 5 / 16 дюйм I.D. (NIPPLE, 5/16 in. I.D.)

нет в наличии, поставок нет
40 0387121

   (последний код) NIPPLE KIT

нет в наличии, поставок нет
41 0173312

Ниппель, 3 / 8 дюйм I.D. (NIPPLE, 3/8 in. I.D.)

нет в наличии, поставок нет
42 0345109

Водяной шланг Пароотделитель to EMM (HOSE, Water Vapor separator to EMM)

нет в наличии, поставок нет
43 0320107

Крепёжный хомут (TIE STRAP)

нет в наличии, поставок нет
43 5035626

   (последний код) BAND,REM CON

нет в наличии, поставок нет
45 0346150

Струбцина 18.5 мм (CLAMP 18.5mm)

нет в наличии, поставок нет
46 0346151

Струбцина 21.0 мм (CLAMP 21.0mm)

нет в наличии, поставок нет
47 0346152

Струбцина 25.6 мм (CLAMP 25.6mm)

нет в наличии, поставок нет
48 0346153

Струбцина 30.1 мм (CLAMP 30.1mm)

нет в наличии, поставок нет
evinrude

Время выполнения запроса 2.7017509937286 сек.


 
 

данный сайт носит информационный характер и не является публичной офертой

склад запчастей для водомоторной техники