вконтакте

Контактный телефон: +7 (981) 121-46-93, +7 (800) 200-90-76 , Email: parts-katalog@yandex.ru, где купить

 
 

  Логин:

Пароль:

Регистрация

www.partskatalog.ru Все каталоги Запчасти Mercury Запчасти Suzuki Запчасти Tohatsu Запчасти Honda Контакты


Все разделы каталога запчастей на этот двигатель

назад Раздел:   вперёд

вернуться к списку узлов и деталей

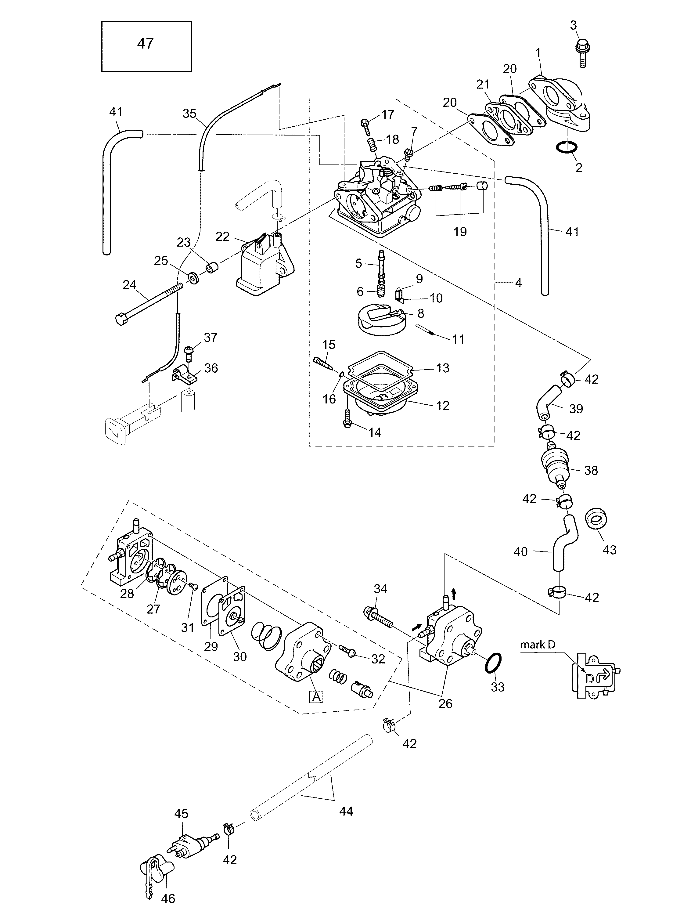
ДЕТАЛИРОВКА ДЛЯ МОДЕЛИ: EVINRUDE B6RL4INS

13-3 КАРБЮРАТОР & ТОПЛИВНЫЙ НАСОС | 13-3 CARBURETOR & FUEL PUMP;


Двигатель EVINRUDE B6RL4INS  - Карбюратор & Топливный насос - carburetor & Fuel Pump

Номер на
рисунке
АртикулНаименованиеКол-во
на складе
Цена
1 5041055

Впускной коллектор в сборе (Intake Manifold Assembly)

нет в наличии, поставок нет
2 5040960

Прокладка впускного коллектор (Intake Manifold Gasket)

нет в наличии, поставок нет
3 5041542

Болт (Bolt)

нет в наличии, поставок нет
4 5041098

Карбюратор. 4 HP (Carburetor. 4 HP)

нет в наличии, поставок нет
4 5041107

Карбюратор. 6 HP (Carburetor. 6 HP)

нет в наличии, поставок нет
5 5041099

*Главная форсунка. 4 HP (Main Nozzle. 4 HP)

нет в наличии, поставок нет
5 5041108

*Главная форсунка. 6 HP (Main Nozzle. 6 HP)

2 шт2200 руб.
6 5040939

*Главный жиклёр (#62) 4 HP (Main Jet (#62). 4 HP)

нет в наличии, поставок нет
6 5040849

*Главный жиклёр (#70) 6 HP (Main Jet (#70). 6 HP)

2 шт1760 руб.
7 5041161

*Медленный жиклер (#38) (Slow Jet (#38))

нет в наличии, поставок нет
8 5040968

*Поплавок (Float)

нет в наличии, поставок нет
9 5040970

*Клапан поплавка (Float Valve)

нет в наличии, поставок нет
10 5040971

*Зажим (Clip)

нет в наличии, поставок нет
11 5040969

*Стопор рычага поплавка (Float Arm Pin)

нет в наличии, поставок нет
12 5040966

*Поплавковая камера (Float Chamber)

нет в наличии, поставок нет
13 5040967

*Уплотнительное кольцо поплавковой камеры (Float Chamber O-Ring)

нет в наличии, поставок нет
14 5041643

*Винт (Screw)

нет в наличии, поставок нет
15 5040974

*Дренажный винт (Drain Screw)

нет в наличии, поставок нет
16 5040975

*Уплотнительное кольцо дренажного винта (O-Ring Drain Screw)

нет в наличии, поставок нет
17 5040972

*Стопорный винт (Stop Screw)

нет в наличии, поставок нет
18 5040973

*Пружина стопорного винта (Spring Stop Screw)

нет в наличии, поставок нет
19 5041100

*Контрольный винт. 4 HP (Pilot Screw. 4 HP)

нет в наличии, поставок нет
19 5040491

*Контрольный винт. 6 HP (Pilot Screw. 6 HP)

2 шт1700 руб.
20 5040959

Прокладка карбюратора (Carburetor Gasket)

нет в наличии, поставок нет
21 5040976

Изолятор (Insulator)

нет в наличии, поставок нет
22 5040848

Впуск глушителя (Intake Silencer)

нет в наличии, поставок нет
23 5040248

Воротник 6.2-9-7.4 (Collar 6.2-9-7.4)

нет в наличии, поставок нет
24 5041597

Болт 6-85 (Bolt 6-85)

нет в наличии, поставок нет
25 5041661

Шайба (Washer)

нет в наличии, поставок нет
26 5040977

Топливный насос Assembly. Маркировка "D" (Fuel Pump Assembly. Mark "D")

нет в наличии, поставок нет
27 5040981

*Обратный клапан (P) чёрный (Check Valve (P). Black)

нет в наличии, поставок нет
28 5040979

*Обратный клапан (R) белый (Check Valve (R). White)

нет в наличии, поставок нет
29 5040980

*Прокладка корпуса помпы (Pump Body Gasket)

нет в наличии, поставок нет
30 5040978

*Диафрагма помпы (Pump Diaphragm)

нет в наличии, поставок нет
31 5041633

*Винт (Screw)

нет в наличии, поставок нет
32 5041644

*Винт (Screw)

нет в наличии, поставок нет
33 5041003

Уплотнительное кольцо 2.62-18.72 (O-Ring 2.62-18.72)

нет в наличии, поставок нет
34 5041621

Винт (Screw)

нет в наличии, поставок нет
35 5040887

Кабель дросселя (Choke Wire)

нет в наличии, поставок нет
36 5041103

Держатель кабеля (Cable Holder)

нет в наличии, поставок нет
37 5041608

Винт (Screw)

нет в наличии, поставок нет
38 5040140

Топливный фильтр Assembly (Fuel Filter Assembly)

нет в наличии, поставок нет
39 5040906

Топливный шланг, low permeation. US EPA Approved Топливный шланг (Fuel Hose, low permeation. US EPA Approved Fuel Hose)

нет в наличии, поставок нет
39 5040846

Топливный шланг. Не доступно in North America (Fuel Hose. Not available in North America)

нет в наличии, поставок нет
40 5041112

Топливный шланг, low permeation. US EPA Approved Топливный шланг (Fuel Hose, low permeation. US EPA Approved Fuel Hose)

нет в наличии, поставок нет
40 5041113

Топливный шланг. Не доступно in North America (Fuel Hose. Not available in North America)

нет в наличии, поставок нет
41 5041713

Шланг (Hose)

нет в наличии, поставок нет
41 5041729

   (последний код) HOSE

нет в наличии, поставок нет
42 5040403

Зажим (Clip)

нет в наличии, поставок нет
43 5040545

Крепёжная резинка 9-16-4.3 (Mount Rubber 9-16-4.3)

нет в наличии, поставок нет
44

Шланг – 4 HP. See Встроенный топливный бак (Hose – 4 HP. See INTEGRAL FUEL TANK)

нет в наличии, поставок нет
44

Шланг – 6 HP. See Нижняя часть корпуса (Hose – 6 HP. See LOWER COVER)

нет в наличии, поставок нет
45 5040239

Топливный коннектор, Двигатель (Male) (Fuel Connector, Engine (Male))

нет в наличии, поставок нет
46 5041041

Защита топливного коннектора (Protector Fuel Connector)

нет в наличии, поставок нет
47 5041051

Ремкомплект карбюратора (Carburetor Repair Kit)

нет в наличии, поставок нет
evinrude

Время выполнения запроса 0.67072415351868 сек.


 
 

данный сайт носит информационный характер и не является публичной офертой

склад запчастей для водомоторной техники