вконтакте

Контактный телефон: +7 (981) 121-46-93, +7 (800) 200-90-76 , Email: parts-katalog@yandex.ru, где купить

 
 

  Логин:

Пароль:

Регистрация

www.partskatalog.ru Все каталоги Запчасти Mercury Запчасти Suzuki Запчасти Tohatsu Запчасти Honda Контакты


Вернуться к началу выбора


Мощность Вашего двигателя: 120 л.с.

Год выпуска: 1990 год

Тип двигателя: 1637

Модификация двигателя: Evinrude E120TXESB 1990

   Выберите раздел

найти расходники на лодочные моторы Evinrude


Выберите раздел

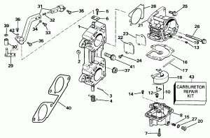
Карбюратор и Подъемный механизм (Carburetor And Linkage)

Карбюратор и Подъемный механизм (Carburetor And Linkage)

Коленвал & Поршень (Crankshaft & Piston)

Коленвал & Поршень (Crankshaft & Piston)

Цилиндр & Картер двигателя (Cylinder & Crankcase)

Цилиндр & Картер двигателя (Cylinder & Crankcase)

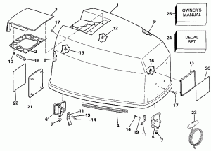
Крышка двигателя (капот) - Evinrude (Engine Cover - Evinrude)

Крышка двигателя (капот) - Evinrude (Engine Cover - Evinrude)

Крышка двигателя (капот) - Johnson (Engine Cover - Johnson)

Крышка двигателя (капот) - Johnson (Engine Cover - Johnson)

Топливный бак (Fuel Tank)

Топливный бак (Fuel Tank)

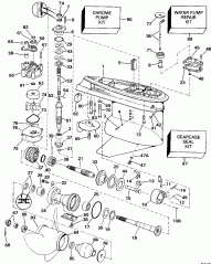
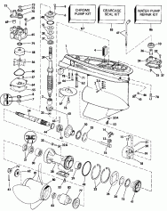
Редуктор - 120tl & Tx / 140 Tl (Gearcase - 120tl & Tx/140 Tl)

Редуктор - 120tl & Tx / 140 Tl (Gearcase - 120tl & Tx/140 Tl)

Редуктор - 140tx стандарт Rotation (Gearcase - 140tx Standard Rotation)

Редуктор - 140tx стандарт Rotation (Gearcase - 140tx Standard Rotation)

Редуктор - 140cx обратное вращение (Gearcase - 140cx Counter Rotation)

Редуктор - 140cx обратное вращение (Gearcase - 140cx Counter Rotation)

Ignition System & Двигатель стартера (Ignition System & Starter Motor)

Ignition System & Двигатель стартера (Ignition System & Starter Motor)

Впускной коллектор (Intake Manifold)

Впускной коллектор (Intake Manifold)

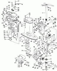
Нижняя крышка двигателя (Lower Engine Cover)

Нижняя крышка двигателя (Lower Engine Cover)

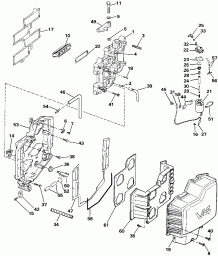
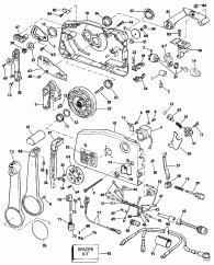
Midsection (Midsection)

Midsection (Midsection)

Краска Chart (Paint Chart)

Краска Chart (Paint Chart)

Механизированный дифферент наклона Электрика (Power Trim/tilt Electrical)

Механизированный дифферент наклона Электрика (Power Trim/tilt Electrical)

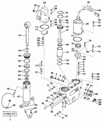
Механизированный дифферент наклона Hydraulic Assembly (Power Trim/tilt Hydraulic Assembly)

Механизированный дифферент наклона Hydraulic Assembly (Power Trim/tilt Hydraulic Assembly)

Дистанционное управление (Remote Control)

Дистанционное управление (Remote Control)

Дистанционное управление Assembly - Binnacle Крепление, Dual Рычаг (Remote Control Assembly - Binnacle Mount, Dual Lever)

Дистанционное управление Assembly - Binnacle Крепление, Dual Рычаг (Remote Control Assembly - Binnacle Mount, Dual Lever)

Рулевая система Коннектор Kit (Steering Connector Kit)

Рулевая система Коннектор Kit (Steering Connector Kit)

Vro Масляный бак Kit-1.8 галлон (Vro Oil Tank Kit-1.8 Gallon)

Vro Масляный бак Kit-1.8 галлон (Vro Oil Tank Kit-1.8 Gallon)

Vro2 Помпа (Vro2 Pump)

Vro2 Помпа (Vro2 Pump)

WiКольцо Kit - Dual Двигатель 140cx Models (Wiring Kit - Dual Engine 140cx Models)

WiКольцо Kit - Dual Двигатель 140cx Models (Wiring Kit - Dual Engine 140cx Models)

evinrude

Время выполнения запроса 0.29774308204651 сек.


 
 

данный сайт носит информационный характер и не является публичной офертой

склад запчастей для водомоторной техники