вконтакте

Контактный телефон: +7 (981) 121-46-93, +7 (800) 200-90-76 , Email: parts-katalog@yandex.ru, где купить

 
 

  Логин:

Пароль:

Регистрация

www.partskatalog.ru Все каталоги Запчасти Mercury Запчасти Suzuki Запчасти Tohatsu Запчасти Honda Контакты


Вернуться к началу выбора


Мощность Вашего двигателя: 175 л.с.

Год выпуска: 1990 год

Тип двигателя: 1632

Модификация двигателя: Evinrude VE175SLESE 1990

   Выберите раздел

найти расходники на лодочные моторы Evinrude


Выберите раздел

Карбюратор (Carburetor)

Карбюратор (Carburetor)

Коленвал & Поршень (Crankshaft & Piston)

Коленвал & Поршень (Crankshaft & Piston)

Цилиндр & Картер двигателя (Cylinder & Crankcase)

Цилиндр & Картер двигателя (Cylinder & Crankcase)

Dual Кабели Рулевая система Коннектор Kit-parallel Entry (Dual Cable Steering Connector Kit-parallel Entry)

Dual Кабели Рулевая система Коннектор Kit-parallel Entry (Dual Cable Steering Connector Kit-parallel Entry)

Крышка двигателя (капот) - Evinrude (Engine Cover - Evinrude)

Крышка двигателя (капот) - Evinrude (Engine Cover - Evinrude)

Крышка двигателя (капот) - Johnson-150 / 175 Only (Engine Cover - Johnson-150/175 Only)

Крышка двигателя (капот) - Johnson-150 / 175 Only (Engine Cover - Johnson-150/175 Only)

Крышка двигателя (капот) - Johnson-175stl / ve175sl Only (Engine Cover - Johnson-175stl/ve175sl Only)

Крышка двигателя (капот) - Johnson-175stl / ve175sl Only (Engine Cover - Johnson-175stl/ve175sl Only)

Топливный бак (Fuel Tank)

Топливный бак (Fuel Tank)

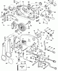
Редуктор - обратное вращение (Gearcase - Counter Rotation)

Редуктор - обратное вращение (Gearcase - Counter Rotation)

Редуктор - стандарт Rotation Early PТягаuction (Gearcase - Standard Rotation Early Production)

Редуктор - стандарт Rotation Early PТягаuction (Gearcase - Standard Rotation Early Production)

Редуктор - стандарт Rotation Late PТягаuction (Gearcase - Standard Rotation Late Production)

Редуктор - стандарт Rotation Late PТягаuction (Gearcase - Standard Rotation Late Production)

Ignition System - 150 Models (Ignition System - 150 Models)

Ignition System - 150 Models (Ignition System - 150 Models)

Ignition System - 175 Models (Ignition System - 175 Models)

Ignition System - 175 Models (Ignition System - 175 Models)

Впускной коллектор (Intake Manifold)

Впускной коллектор (Intake Manifold)

Нижняя крышка двигателя (Lower Engine Cover)

Нижняя крышка двигателя (Lower Engine Cover)

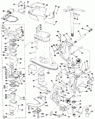
Midsection (Midsection)

Midsection (Midsection)

Краска Chart (Paint Chart)

Краска Chart (Paint Chart)

Механизированный дифферент наклона Электрика (Power Trim/tilt Electrical)

Механизированный дифферент наклона Электрика (Power Trim/tilt Electrical)

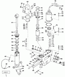
Механизированный дифферент наклона Hydraulic Assembly (Power Trim/tilt Hydraulic Assembly)

Механизированный дифферент наклона Hydraulic Assembly (Power Trim/tilt Hydraulic Assembly)

Дистанционное управление (Remote Control)

Дистанционное управление (Remote Control)

Дистанционное управление Assembly - Binnacle Крепление, Dual Рычаг (Remote Control Assembly - Binnacle Mount, Dual Lever)

Дистанционное управление Assembly - Binnacle Крепление, Dual Рычаг (Remote Control Assembly - Binnacle Mount, Dual Lever)

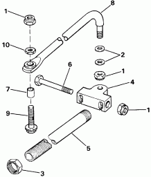
Рулевая система Коннектор Kit (Steering Connector Kit)

Рулевая система Коннектор Kit (Steering Connector Kit)

Дроссель & Переключатель сцепления (Throttle & Shift Linkage)

Дроссель & Переключатель сцепления (Throttle & Shift Linkage)

Vro Масляный бак Kit - 1.8 галлон ( P / n 175000 ) (Vro Oil Tank Kit - 1.8 Gallon ( P/n 175000 ))

Vro Масляный бак Kit - 1.8 галлон ( P / n 175000 ) (Vro Oil Tank Kit - 1.8 Gallon ( P/n 175000 ))

Vro Масляный бак Kit-1.8 галлон (Vro Oil Tank Kit-1.8 Gallon)

Vro Масляный бак Kit-1.8 галлон (Vro Oil Tank Kit-1.8 Gallon)

Vro2 Помпа (Vro2 Pump)

Vro2 Помпа (Vro2 Pump)

WiКольцо Kit - Dual Двигатель (Wiring Kit - Dual Engine)

WiКольцо Kit - Dual Двигатель (Wiring Kit - Dual Engine)

evinrude

Время выполнения запроса 0.35998582839966 сек.


 
 

данный сайт носит информационный характер и не является публичной офертой

склад запчастей для водомоторной техники