вконтакте

Контактный телефон: +7 (981) 121-46-93, +7 (800) 200-90-76 , Email: parts-katalog@yandex.ru, где купить

 
 

  Логин:

Пароль:

Регистрация

www.partskatalog.ru Все каталоги Запчасти Mercury Запчасти Suzuki Запчасти Tohatsu Запчасти Honda Контакты


Вернуться к началу выбора


Мощность Вашего двигателя: 225 л.с.

Год выпуска: 1990 год

Тип двигателя: 1629

Модификация двигателя: Evinrude VE225PXESS 1990

   Выберите раздел

найти расходники на лодочные моторы Evinrude


Выберите раздел

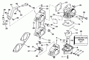
Карбюратор и Подъемный механизм-early PТягаuction (Carburetor And Linkage-early Production)

Карбюратор и Подъемный механизм-early PТягаuction (Carburetor And Linkage-early Production)

Карбюратор и Подъемный механизм-late PТягаuction (Carburetor And Linkage-late Production)

Карбюратор и Подъемный механизм-late PТягаuction (Carburetor And Linkage-late Production)

Коленвал & Поршень (Crankshaft & Piston)

Коленвал & Поршень (Crankshaft & Piston)

Цилиндр & Картер двигателя (Cylinder & Crankcase)

Цилиндр & Картер двигателя (Cylinder & Crankcase)

Цилиндр & Клапан Assembly (Cylinder & Valve Assembly)

Цилиндр & Клапан Assembly (Cylinder & Valve Assembly)

Dual Кабели Рулевая система Conn. Kit - Parallel Entry Stl Models (Dual Cable Steering Conn. Kit - Parallel Entry Stl Models)

Dual Кабели Рулевая система Conn. Kit - Parallel Entry Stl Models (Dual Cable Steering Conn. Kit - Parallel Entry Stl Models)

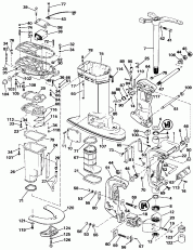
Крышка двигателя (капот) - Evinrude - 185 (Engine Cover - Evinrude - 185)

Крышка двигателя (капот) - Evinrude - 185 (Engine Cover - Evinrude - 185)

Крышка двигателя (капот) - Evinrude - 200 Stl Ve200sl Models (Engine Cover - Evinrude - 200 Stl Ve200sl Models)

Крышка двигателя (капот) - Evinrude - 200 Stl Ve200sl Models (Engine Cover - Evinrude - 200 Stl Ve200sl Models)

Крышка двигателя (капот) - Evinrude - 200tx, 200cx, 225t, 225p, 225c (Engine Cover - Evinrude - 200tx, 200cx, 225t, 225p, 225c)

Крышка двигателя (капот) - Evinrude - 200tx, 200cx, 225t, 225p, 225c (Engine Cover - Evinrude - 200tx, 200cx, 225t, 225p, 225c)

Крышка двигателя (капот) - Johnson - 185 (Engine Cover - Johnson - 185)

Крышка двигателя (капот) - Johnson - 185 (Engine Cover - Johnson - 185)

Крышка двигателя (капот) - Johnson - 200 Stl, Ve200sl (Engine Cover - Johnson - 200 Stl, Ve200sl)

Крышка двигателя (капот) - Johnson - 200 Stl, Ve200sl (Engine Cover - Johnson - 200 Stl, Ve200sl)

Крышка двигателя (капот) - Johnson - 200tx, 200cx, 225t, 225p, 225c (Engine Cover - Johnson - 200tx, 200cx, 225t, 225p, 225c)

Крышка двигателя (капот) - Johnson - 200tx, 200cx, 225t, 225p, 225c (Engine Cover - Johnson - 200tx, 200cx, 225t, 225p, 225c)

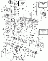
Редуктор - обратное вращение (Gearcase - Counter Rotation)

Редуктор - обратное вращение (Gearcase - Counter Rotation)

Редуктор - стандарт Rotation Early PТягаuction (Gearcase - Standard Rotation Early Production)

Редуктор - стандарт Rotation Early PТягаuction (Gearcase - Standard Rotation Early Production)

Редуктор - стандарт Rotation Late PТягаuction (Gearcase - Standard Rotation Late Production)

Редуктор - стандарт Rotation Late PТягаuction (Gearcase - Standard Rotation Late Production)

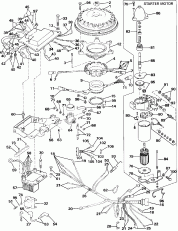
Ignition System & Двигатель стартера (Ignition System & Starter Motor)

Ignition System & Двигатель стартера (Ignition System & Starter Motor)

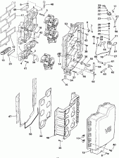
Впускной коллектор (Intake Manifold)

Впускной коллектор (Intake Manifold)

Нижняя крышка двигателя (Lower Engine Cover)

Нижняя крышка двигателя (Lower Engine Cover)

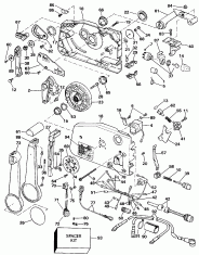
Midsection (Midsection)

Midsection (Midsection)

Краска Chart (Paint Chart)

Краска Chart (Paint Chart)

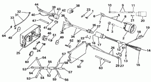
Power Рулевая система Groвыше (Power Steering Group)

Power Рулевая система Groвыше (Power Steering Group)

Power Рулевая система Помпа (Power Steering Pump)

Power Рулевая система Помпа (Power Steering Pump)

Механизированный дифферент наклона Электрика (Power Trim/tilt Electrical)

Механизированный дифферент наклона Электрика (Power Trim/tilt Electrical)

Механизированный дифферент наклона Hydraulic Assembly (Power Trim/tilt Hydraulic Assembly)

Механизированный дифферент наклона Hydraulic Assembly (Power Trim/tilt Hydraulic Assembly)

Дистанционное управление (Remote Control)

Дистанционное управление (Remote Control)

Дистанционное управление Assembly - Binnacle Крепление, Dual Рычаг (Remote Control Assembly - Binnacle Mount, Dual Lever)

Дистанционное управление Assembly - Binnacle Крепление, Dual Рычаг (Remote Control Assembly - Binnacle Mount, Dual Lever)

Рулевая система Коннектор Kit не Power Рулевая система (Steering Connector Kit Non Power Steering)

Рулевая система Коннектор Kit не Power Рулевая система (Steering Connector Kit Non Power Steering)

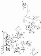
Vro2 Помпа (Vro2 Pump)

Vro2 Помпа (Vro2 Pump)

WiКольцо Kit - Dual Двигатель 225cx (Wiring Kit - Dual Engine 225cx)

WiКольцо Kit - Dual Двигатель 225cx (Wiring Kit - Dual Engine 225cx)

evinrude

Время выполнения запроса 0.26997995376587 сек.


 
 

данный сайт носит информационный характер и не является публичной офертой

склад запчастей для водомоторной техники