вконтакте

Контактный телефон: +7 (981) 121-46-93, +7 (800) 200-90-76 , Email: parts-katalog@yandex.ru, где купить

 
 

  Логин:

Пароль:

Регистрация

www.partskatalog.ru Все каталоги Запчасти Mercury Запчасти Suzuki Запчасти Tohatsu Запчасти Honda Контакты


Вернуться к началу выбора


Мощность Вашего двигателя: 45 л.с.

Год выпуска: 1991 год

Тип двигателя: 1614

Модификация двигателя: Evinrude E45WMLEIA 1991

   Выберите раздел

найти расходники на лодочные моторы Evinrude


Выберите раздел

Карбюратор - All 45 Models (Carburetor - All 45 Models)

Карбюратор - All 45 Models (Carburetor - All 45 Models)

Карбюратор - 55 Model 15 дюйм Transom Models (Carburetor - 55 Model 15 In. Transom Models)

Карбюратор - 55 Model 15 дюйм Transom Models (Carburetor - 55 Model 15 In. Transom Models)

Карбюратор - 55 Model 20 дюйм и 22.5 дюйм Transom Models (Carburetor - 55 Model 20 In. And 22.5 In. Transom Models)

Карбюратор - 55 Model 20 дюйм и 22.5 дюйм Transom Models (Carburetor - 55 Model 20 In. And 22.5 In. Transom Models)

Коленвал & Поршень (Crankshaft & Piston)

Коленвал & Поршень (Crankshaft & Piston)

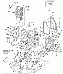
Цилиндр & Картер двигателя (Cylinder & Crankcase)

Цилиндр & Картер двигателя (Cylinder & Crankcase)

Электростартер & Solenoid (Electric Starter & Solenoid)

Электростартер & Solenoid (Electric Starter & Solenoid)

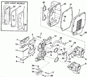
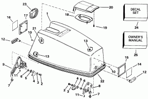
Крышка двигателя (капот) - Evinrude Electric Start Models (Engine Cover - Evinrude Electric Start Models)

Крышка двигателя (капот) - Evinrude Electric Start Models (Engine Cover - Evinrude Electric Start Models)

Крышка двигателя (капот) - Evinrude Шнур Start Only (Engine Cover - Evinrude Rope Start Only)

Крышка двигателя (капот) - Evinrude Шнур Start Only (Engine Cover - Evinrude Rope Start Only)

Крышка двигателя (капот) - Johnson Electric Start Models (Engine Cover - Johnson Electric Start Models)

Крышка двигателя (капот) - Johnson Electric Start Models (Engine Cover - Johnson Electric Start Models)

Крышка двигателя (капот) - Johnson Шнур Start Only (Engine Cover - Johnson Rope Start Only)

Крышка двигателя (капот) - Johnson Шнур Start Only (Engine Cover - Johnson Rope Start Only)

Топливный насос и Фильтр (Fuel Pump And Filter)

Топливный насос и Фильтр (Fuel Pump And Filter)

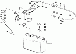
Топливный бак With Gauge (Fuel Tank With Gauge)

Топливный бак With Gauge (Fuel Tank With Gauge)

Топливный бак (Fuel Tank)

Топливный бак (Fuel Tank)

Топливный бак Without Gauge (Fuel Tank Without Gauge)

Топливный бак Without Gauge (Fuel Tank Without Gauge)

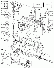
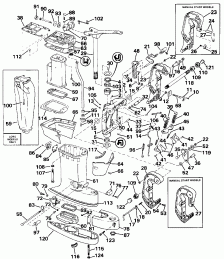
Редуктор (Gearcase)

Редуктор (Gearcase)

Ignition System (Ignition System)

Ignition System (Ignition System)

Впускной коллектор & Air Глушитель (Intake Manifold & Air Silencer)

Впускной коллектор & Air Глушитель (Intake Manifold & Air Silencer)

Нижняя крышка двигателя (Lower Engine Cover)

Нижняя крышка двигателя (Lower Engine Cover)

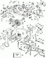
Midsection (Midsection)

Midsection (Midsection)

Краска Chart (Paint Chart)

Краска Chart (Paint Chart)

Primer System - Electric Start (Primer System - Electric Start)

Primer System - Electric Start (Primer System - Electric Start)

Primer System - Шнур Start (Primer System - Rope Start)

Primer System - Шнур Start (Primer System - Rope Start)

Дистанционное управление (Remote Control)

Дистанционное управление (Remote Control)

Rewind Стартер (Rewind Starter)

Rewind Стартер (Rewind Starter)

Переключатель & Соединитель дросселяage - ручной Start (Shift & Throttle Linkage - Manual Start)

Переключатель & Соединитель дросселяage - ручной Start (Shift & Throttle Linkage - Manual Start)

Румпель (Steering Handle)

Румпель (Steering Handle)

Рулевая система Соединитель Kit (Steering Link Kit)

Рулевая система Соединитель Kit (Steering Link Kit)

Tilt Assist Цилиндр (Tilt Assist Cylinder)

Tilt Assist Цилиндр (Tilt Assist Cylinder)

Transom Крепление Kit (Transom Mount Kit)

Transom Крепление Kit (Transom Mount Kit)

Vro Масляный бак Kit-1.8 галлон (Vro Oil Tank Kit-1.8 Gallon)

Vro Масляный бак Kit-1.8 галлон (Vro Oil Tank Kit-1.8 Gallon)

Vro2 Помпа (Vro2 Pump)

Vro2 Помпа (Vro2 Pump)

evinrude

Время выполнения запроса 0.25539302825928 сек.


 
 

данный сайт носит информационный характер и не является публичной офертой

склад запчастей для водомоторной техники