вконтакте

Контактный телефон: +7 (981) 121-46-93, +7 (800) 200-90-76 , Email: parts-katalog@yandex.ru, где купить

 
 

  Логин:

Пароль:

Регистрация

www.partskatalog.ru Все каталоги Запчасти Mercury Запчасти Suzuki Запчасти Tohatsu Запчасти Honda Контакты


Вернуться к началу выбора


Мощность Вашего двигателя: 300 л.с.

Год выпуска: 1991 год

Тип двигателя: 1592

Модификация двигателя: Evinrude E300CXEIE 1991

   Выберите раздел

найти расходники на лодочные моторы Evinrude


Выберите раздел

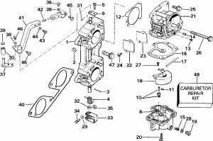
Карбюратор (Carburetor)

Карбюратор (Carburetor)

Коленвал & Поршень (Crankshaft & Piston)

Коленвал & Поршень (Crankshaft & Piston)

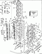
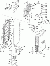
Цилиндр & Картер двигателя (Cylinder & Crankcase)

Цилиндр & Картер двигателя (Cylinder & Crankcase)

Цилиндр & Клапан Assembly (Cylinder & Valve Assembly)

Цилиндр & Клапан Assembly (Cylinder & Valve Assembly)

Electric Топливная груша. (Electric Primer Pump Assy.)

Electric Топливная груша. (Electric Primer Pump Assy.)

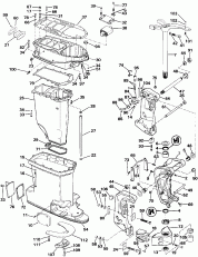
Крышка двигателя (капот) - Evinrude 300 Models (Engine Cover - Evinrude 300 Models)

Крышка двигателя (капот) - Evinrude 300 Models (Engine Cover - Evinrude 300 Models)

Крышка двигателя (капот) - Johnson 300 Models (Engine Cover - Johnson 300 Models)

Крышка двигателя (капот) - Johnson 300 Models (Engine Cover - Johnson 300 Models)

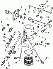
Топливный фильтр (Fuel Filter)

Топливный фильтр (Fuel Filter)

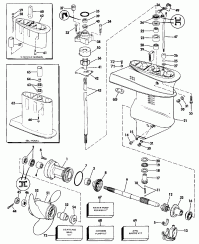
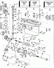
Редуктор - обратное вращение (Gearcase - Counter Rotation)

Редуктор - обратное вращение (Gearcase - Counter Rotation)

Редуктор - стандарт Rotation (Gearcase - Standard Rotation)

Редуктор - стандарт Rotation (Gearcase - Standard Rotation)

Ignition System & Двигатель стартера (Ignition System & Starter Motor)

Ignition System & Двигатель стартера (Ignition System & Starter Motor)

Впускной коллектор (Intake Manifold)

Впускной коллектор (Intake Manifold)

Нижняя крышка двигателя (Lower Engine Cover)

Нижняя крышка двигателя (Lower Engine Cover)

Midsection (Midsection)

Midsection (Midsection)

Краска Chart (Paint Chart)

Краска Chart (Paint Chart)

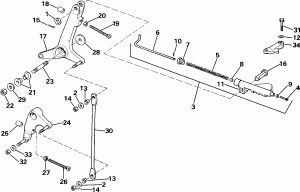
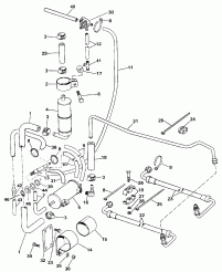
Power Рулевая система Groвыше (Power Steering Group)

Power Рулевая система Groвыше (Power Steering Group)

Power Рулевая система Помпа (Power Steering Pump)

Power Рулевая система Помпа (Power Steering Pump)

Механизированный дифферент наклона Электрика (Power Trim/tilt Electrical)

Механизированный дифферент наклона Электрика (Power Trim/tilt Electrical)

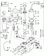
Механизированный дифферент наклона Hydraulic Assembly (Power Trim/tilt Hydraulic Assembly)

Механизированный дифферент наклона Hydraulic Assembly (Power Trim/tilt Hydraulic Assembly)

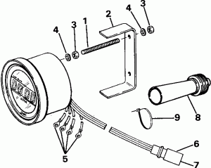
Quartach Тахометр - монтаж заподлицо - цифровые - Заглушка In (Quartach Tachometer - Flush Mount - Digital - Plug In)

Quartach Тахометр - монтаж заподлицо - цифровые - Заглушка In (Quartach Tachometer - Flush Mount - Digital - Plug In)

Соединитель дросселяage (Throttle Linkage)

Соединитель дросселяage (Throttle Linkage)

Vro Масляный бак Kit - 3 галлон (Vro Oil Tank Kit - 3 Gallon)

Vro Масляный бак Kit - 3 галлон (Vro Oil Tank Kit - 3 Gallon)

Vro2 Помпа (Vro2 Pump)

Vro2 Помпа (Vro2 Pump)

evinrude

Время выполнения запроса 0.26007890701294 сек.


 
 

данный сайт носит информационный характер и не является публичной офертой

склад запчастей для водомоторной техники