вконтакте

Контактный телефон: +7 (981) 121-46-93, +7 (800) 200-90-76 , Email: parts-katalog@yandex.ru, где купить

 
 

  Логин:

Пароль:

Регистрация

www.partskatalog.ru Все каталоги Запчасти Mercury Запчасти Suzuki Запчасти Tohatsu Запчасти Honda Контакты



УВАЖАЕМЫЕ КЛИЕНТЫ!
C 19 ДЕКАБРЯ 2025 ПО 02 МАРТА 2026 ГОДА ОТДЕЛ ЗАПЧАСТЕЙ И СЕРВИС РАБОТАТЬ НЕ БУДУТ
ПРОДАЖА ЛОДОЧНЫХ МОТОРОВ В ШТАТНОМ РЕЖИМЕ
ОБ ИЗМЕНЕНИЯХ В ГРАФИКЕ РАБОТЫ ЧИТАЙТЕ НА САЙТА




Вернуться к началу выбора


Мощность Вашего двигателя: 55 л.с.

Год выпуска: 1992 год

Тип двигателя: 1575

Модификация двигателя: Evinrude E55RWLENM 1992

   Выберите раздел

найти расходники на лодочные моторы Evinrude


Выберите раздел

Карбюратор - All 45 Models (Carburetor - All 45 Models)

Карбюратор - All 45 Models (Carburetor - All 45 Models)

Карбюратор - 55 Models-20 & 22.5 дюйм Transom Early PТяга. (Carburetor - 55 Models-20 & 22.5 In. Transom Early Prod.)

Карбюратор - 55 Models-20 & 22.5 дюйм Transom Early PТяга. (Carburetor - 55 Models-20 & 22.5 In. Transom Early Prod.)

Карбюратор - 55 Models-15 дюйм Transom Early PТягаuction (Carburetor - 55 Models-15 In. Transom Early Production)

Карбюратор - 55 Models-15 дюйм Transom Early PТягаuction (Carburetor - 55 Models-15 In. Transom Early Production)

Карбюратор - All 55 Models Late PТягаuction (Carburetor - All 55 Models Late Production)

Карбюратор - All 55 Models Late PТягаuction (Carburetor - All 55 Models Late Production)

Коленвал & Поршень (Crankshaft & Piston)

Коленвал & Поршень (Crankshaft & Piston)

Цилиндр & Картер двигателя (Cylinder & Crankcase)

Цилиндр & Картер двигателя (Cylinder & Crankcase)

Электростартер & Solenoid (Electric Starter & Solenoid)

Электростартер & Solenoid (Electric Starter & Solenoid)

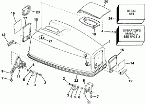
Крышка двигателя (капот) - Evinrude Electric Start Models (Engine Cover - Evinrude Electric Start Models)

Крышка двигателя (капот) - Evinrude Electric Start Models (Engine Cover - Evinrude Electric Start Models)

Крышка двигателя (капот) - Evinrude Шнур Start Only (Engine Cover - Evinrude Rope Start Only)

Крышка двигателя (капот) - Evinrude Шнур Start Only (Engine Cover - Evinrude Rope Start Only)

Крышка двигателя (капот) - Johnson Electric Start Models (Engine Cover - Johnson Electric Start Models)

Крышка двигателя (капот) - Johnson Electric Start Models (Engine Cover - Johnson Electric Start Models)

Крышка двигателя (капот) - Johnson Шнур Start Only (Engine Cover - Johnson Rope Start Only)

Крышка двигателя (капот) - Johnson Шнур Start Only (Engine Cover - Johnson Rope Start Only)

Топливный насос и Фильтр (Fuel Pump And Filter)

Топливный насос и Фильтр (Fuel Pump And Filter)

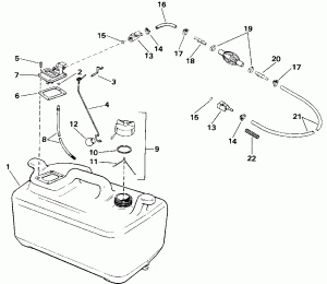
Топливный бак (Fuel Tank)

Топливный бак (Fuel Tank)

Топливный бак Without Gauge (Fuel Tank Without Gauge)

Топливный бак Without Gauge (Fuel Tank Without Gauge)

Редуктор (Gearcase)

Редуктор (Gearcase)

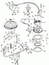
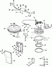
Ignition System - Electric (Ignition System - Electric)

Ignition System - Electric (Ignition System - Electric)

Ignition System - Шнур Start (Ignition System - Rope Start)

Ignition System - Шнур Start (Ignition System - Rope Start)

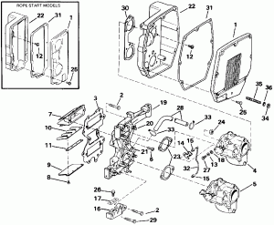
Впускной коллектор & Air Глушитель (Intake Manifold & Air Silencer)

Впускной коллектор & Air Глушитель (Intake Manifold & Air Silencer)

Литература Chart (Literature Chart)

Литература Chart (Literature Chart)

Нижняя крышка двигателя (Lower Engine Cover)

Нижняя крышка двигателя (Lower Engine Cover)

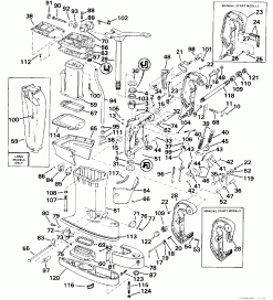
Midsection (Midsection)

Midsection (Midsection)

Краска Chart (Paint Chart)

Краска Chart (Paint Chart)

Primer System - Electric Start (Primer System - Electric Start)

Primer System - Electric Start (Primer System - Electric Start)

Primer System - Шнур Start (Primer System - Rope Start)

Primer System - Шнур Start (Primer System - Rope Start)

Дистанционное управление (Remote Control)

Дистанционное управление (Remote Control)

Rewind Стартер (Rewind Starter)

Rewind Стартер (Rewind Starter)

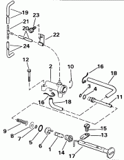
Переключатель & Соединитель дросселяage-ручной Start (Shift & Throttle Linkage-manual Start)

Переключатель & Соединитель дросселяage-ручной Start (Shift & Throttle Linkage-manual Start)

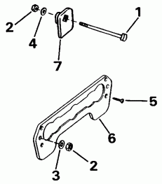
Румпель (Steering Handle)

Румпель (Steering Handle)

Рулевая система Соединитель Kit (Steering Link Kit)

Рулевая система Соединитель Kit (Steering Link Kit)

Tilt Assist Цилиндр (Tilt Assist Cylinder)

Tilt Assist Цилиндр (Tilt Assist Cylinder)

Transom Крепление Kit (Transom Mount Kit)

Transom Крепление Kit (Transom Mount Kit)

Vro Масляный бак Kit-1.8 галлон (Vro Oil Tank Kit-1.8 Gallon)

Vro Масляный бак Kit-1.8 галлон (Vro Oil Tank Kit-1.8 Gallon)

Vro2 Помпа (Vro2 Pump)

Vro2 Помпа (Vro2 Pump)

evinrude

Время выполнения запроса 1.0288181304932 сек.


 
 

данный сайт носит информационный характер и не является публичной офертой

склад запчастей для водомоторной техники