вконтакте

Контактный телефон: +7 (981) 121-46-93, +7 (800) 200-90-76 , Email: parts-katalog@yandex.ru, где купить

 
 

  Логин:

Пароль:

Регистрация

www.partskatalog.ru Все каталоги Запчасти Mercury Запчасти Suzuki Запчасти Tohatsu Запчасти Honda Контакты



УВАЖАЕМЫЕ КЛИЕНТЫ!
C 19 ДЕКАБРЯ 2025 ПО 02 МАРТА 2026 ГОДА ОТДЕЛ ЗАПЧАСТЕЙ И СЕРВИС РАБОТАТЬ НЕ БУДУТ
ПРОДАЖА ЛОДОЧНЫХ МОТОРОВ В ШТАТНОМ РЕЖИМЕ
ОБ ИЗМЕНЕНИЯХ В ГРАФИКЕ РАБОТЫ ЧИТАЙТЕ НА САЙТА




Вернуться к началу выбора


Мощность Вашего двигателя: 90 л.с.

Год выпуска: 1992 год

Тип двигателя: 1568

Модификация двигателя: Evinrude VE90MLEND 1992

   Выберите раздел

найти расходники на лодочные моторы Evinrude


Выберите раздел

Карбюратор (Carburetor)

Карбюратор (Carburetor)

Коленвал & Поршень (Crankshaft & Piston)

Коленвал & Поршень (Crankshaft & Piston)

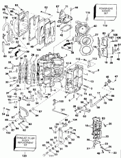
Цилиндр & Картер двигателя (Cylinder & Crankcase)

Цилиндр & Картер двигателя (Cylinder & Crankcase)

Электростартер & Solenoid (Electric Starter & Solenoid)

Электростартер & Solenoid (Electric Starter & Solenoid)

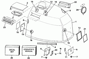
Крышка двигателя (капот) - Evinrude (Engine Cover - Evinrude)

Крышка двигателя (капот) - Evinrude (Engine Cover - Evinrude)

Крышка двигателя (капот) - Johnson (Engine Cover - Johnson)

Крышка двигателя (капот) - Johnson (Engine Cover - Johnson)

Крышка двигателя (капот) - Quiet Rider (Engine Cover - Quiet Rider)

Крышка двигателя (капот) - Quiet Rider (Engine Cover - Quiet Rider)

Удлинитель корпуса (Exhaust Housing)

Удлинитель корпуса (Exhaust Housing)

Топливный насос - 88 Models (Fuel Pump - 88 Models)

Топливный насос - 88 Models (Fuel Pump - 88 Models)

Топливный бак (Fuel Tank)

Топливный бак (Fuel Tank)

Редуктор (Gearcase)

Редуктор (Gearcase)

Ignition System (Ignition System)

Ignition System (Ignition System)

Впускной коллектор (Intake Manifold)

Впускной коллектор (Intake Manifold)

Jet Drive Kit (Jet Drive Kit)

Jet Drive Kit (Jet Drive Kit)

Нижняя крышка двигателя (Lower Engine Cover)

Нижняя крышка двигателя (Lower Engine Cover)

Краска Chart (Paint Chart)

Краска Chart (Paint Chart)

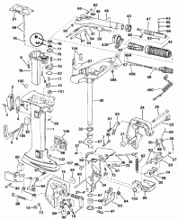
Механизированный дифферент наклона Электрика (Power Trim/tilt Electrical)

Механизированный дифферент наклона Электрика (Power Trim/tilt Electrical)

Механизированный дифферент наклона Hydraulic Assembly (Power Trim/tilt Hydraulic Assembly)

Механизированный дифферент наклона Hydraulic Assembly (Power Trim/tilt Hydraulic Assembly)

Механизированный дифферент наклона - Quiet Rider (Power Trim/tilt - Quiet Rider)

Механизированный дифферент наклона - Quiet Rider (Power Trim/tilt - Quiet Rider)

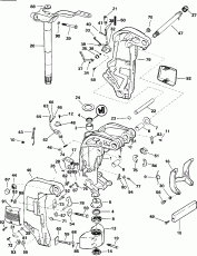
Рулевая система Соединитель Kit (w / Механизированный дифферент наклона) (Steering Link Kit (w/power Trim & Tilt))

Рулевая система Соединитель Kit (w / Механизированный дифферент наклона) (Steering Link Kit (w/power Trim & Tilt))

Рулевая система Соединитель Kit (w / o Механизированный дифферент наклона) (Steering Link Kit (w/o Power Trim & Tilt))

Рулевая система Соединитель Kit (w / o Механизированный дифферент наклона) (Steering Link Kit (w/o Power Trim & Tilt))

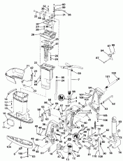
Кронштейн транца - Механизированный дифферент наклона (Stern Bracket - Power Trim/tilt)

Кронштейн транца - Механизированный дифферент наклона (Stern Bracket - Power Trim/tilt)

Кронштейн транца - ручной Tilt Models (Stern Bracket - Manual Tilt Models)

Кронштейн транца - ручной Tilt Models (Stern Bracket - Manual Tilt Models)

Кронштейн транца в сборе. - Quiet Rider (Transom Bracket Assy. - Quiet Rider)

Кронштейн транца в сборе. - Quiet Rider (Transom Bracket Assy. - Quiet Rider)

Vro Масляный бак Kit-1.8 галлон (Vro Oil Tank Kit-1.8 Gallon)

Vro Масляный бак Kit-1.8 галлон (Vro Oil Tank Kit-1.8 Gallon)

Vro2 Помпа - 90 / 100 / 115 Models (Vro2 Pump - 90/100/115 Models)

Vro2 Помпа - 90 / 100 / 115 Models (Vro2 Pump - 90/100/115 Models)

evinrude

Время выполнения запроса 0.27089190483093 сек.


 
 

данный сайт носит информационный характер и не является публичной офертой

склад запчастей для водомоторной техники