вконтакте

Контактный телефон: +7 (981) 121-46-93, +7 (800) 200-90-76 , Email: parts-katalog@yandex.ru, где купить

 
 

  Логин:

Пароль:

Регистрация

www.partskatalog.ru Все каталоги Запчасти Mercury Запчасти Suzuki Запчасти Tohatsu Запчасти Honda Контакты


Вернуться к началу выбора


Мощность Вашего двигателя: 155 л.с.

Год выпуска: 1992 год

Тип двигателя: 1560

Модификация двигателя: Evinrude E155WTXENE 1992

   Выберите раздел

найти расходники на лодочные моторы Evinrude


Выберите раздел

Карбюратор (Carburetor)

Карбюратор (Carburetor)

Коленвал & Поршень (Crankshaft & Piston)

Коленвал & Поршень (Crankshaft & Piston)

Цилиндр & Картер двигателя (Cylinder & Crankcase)

Цилиндр & Картер двигателя (Cylinder & Crankcase)

Электростартер & Solenoid American Bosch 08142-23-mo30sm (Electric Starter & Solenoid American Bosch 08142-23-mo30sm)

Электростартер & Solenoid American Bosch 08142-23-mo30sm (Electric Starter & Solenoid American Bosch 08142-23-mo30sm)

Крышка двигателя (капот) (Engine Cover)

Крышка двигателя (капот) (Engine Cover)

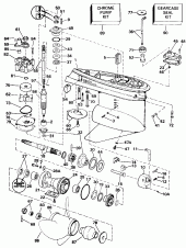
Редуктор (Gearcase)

Редуктор (Gearcase)

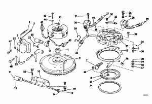
Ignition System - 35 Amp (Ignition System - 35 Amp)

Ignition System - 35 Amp (Ignition System - 35 Amp)

Впускной коллектор (Intake Manifold)

Впускной коллектор (Intake Manifold)

Нижняя крышка двигателя (Lower Engine Cover)

Нижняя крышка двигателя (Lower Engine Cover)

Midsection (Midsection)

Midsection (Midsection)

Краска Chart (Paint Chart)

Краска Chart (Paint Chart)

Механизированный дифферент наклона Электрика (Power Trim/tilt Electrical)

Механизированный дифферент наклона Электрика (Power Trim/tilt Electrical)

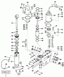
Механизированный дифферент наклона Hydraulic Assembly (Power Trim/tilt Hydraulic Assembly)

Механизированный дифферент наклона Hydraulic Assembly (Power Trim/tilt Hydraulic Assembly)

Рулевая система Соединитель Kit (Steering Link Kit)

Рулевая система Соединитель Kit (Steering Link Kit)

Vro 2 Масляный бак Kit - 1.8 галлон (Vro 2 Oil Tank Kit - 1.8 Gallon)

Vro 2 Масляный бак Kit - 1.8 галлон (Vro 2 Oil Tank Kit - 1.8 Gallon)

Vro 2 Помпа (Vro 2 Pump)

Vro 2 Помпа (Vro 2 Pump)

evinrude

Время выполнения запроса 0.23715806007385 сек.


 
 

данный сайт носит информационный характер и не является публичной офертой

склад запчастей для водомоторной техники