вконтакте

Контактный телефон: +7 (981) 121-46-93, +7 (800) 200-90-76 , Email: parts-katalog@yandex.ru, где купить

 
 

  Логин:

Пароль:

Регистрация

www.partskatalog.ru Все каталоги Запчасти Mercury Запчасти Suzuki Запчасти Tohatsu Запчасти Honda Контакты


Вернуться к началу выбора


Мощность Вашего двигателя: 175 л.с.

Год выпуска: 1993 год

Тип двигателя: 1521

Модификация двигателя: Evinrude E175EXETG 1993

   Выберите раздел

найти расходники на лодочные моторы Evinrude


Выберите раздел

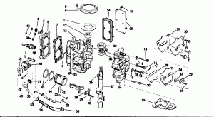
Карбюратор и Впускной коллектор (Carburetor And Intake Manifold)

Карбюратор и Впускной коллектор (Carburetor And Intake Manifold)

Коленвал & Поршень (Crankshaft & Piston)

Коленвал & Поршень (Crankshaft & Piston)

Цилиндр & Картер двигателя (Cylinder & Crankcase)

Цилиндр & Картер двигателя (Cylinder & Crankcase)

Dual Рулевая система Коннектор Kit - 150gl-175gl Only (Dual Steering Connector Kit - 150gl-175gl Only)

Dual Рулевая система Коннектор Kit - 150gl-175gl Only (Dual Steering Connector Kit - 150gl-175gl Only)

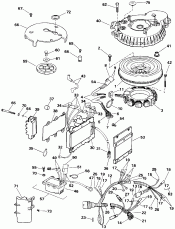
Электростартер & Solenoid (Electric Starter & Solenoid)

Электростартер & Solenoid (Electric Starter & Solenoid)

Крышка двигателя (капот) - Evinrude (Engine Cover - Evinrude)

Крышка двигателя (капот) - Evinrude (Engine Cover - Evinrude)

Крышка двигателя (капот) - Johnson (Engine Cover - Johnson)

Крышка двигателя (капот) - Johnson (Engine Cover - Johnson)

Крышка двигателя (капот) - Quiet Rider (Engine Cover - Quiet Rider)

Крышка двигателя (капот) - Quiet Rider (Engine Cover - Quiet Rider)

Удлинитель корпуса (Exhaust Housing)

Удлинитель корпуса (Exhaust Housing)

Fuel Кронштейн & Components (Fuel Bracket & Components)

Fuel Кронштейн & Components (Fuel Bracket & Components)

Редуктор - обратное вращение (Gearcase - Counter Rotation)

Редуктор - обратное вращение (Gearcase - Counter Rotation)

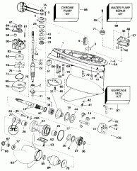
Редуктор - стандарт Rotation - 20 дюйм Models (Gearcase - Standard Rotation - 20 In. Models)

Редуктор - стандарт Rotation - 20 дюйм Models (Gearcase - Standard Rotation - 20 In. Models)

Редуктор - стандарт Rotation - 25

Редуктор - стандарт Rotation - 25" Models (Gearcase - Standard Rotation - 25" Models)

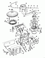
Ignition System (Ignition System)

Ignition System (Ignition System)

Ignition System - Quiet Rider (Ignition System - Quiet Rider)

Ignition System - Quiet Rider (Ignition System - Quiet Rider)

Jet Drive Unit (Jet Drive Unit)

Jet Drive Unit (Jet Drive Unit)

Литература (Literature)

Литература (Literature)

Нижняя крышка двигателя (Lower Engine Cover)

Нижняя крышка двигателя (Lower Engine Cover)

Midsection (Midsection)

Midsection (Midsection)

Масляный бак Kit - 1.8 галлон (Oil Tank Kit - 1.8 Gallon)

Масляный бак Kit - 1.8 галлон (Oil Tank Kit - 1.8 Gallon)

Краска (Paint)

Краска (Paint)

Механизированный дифферент наклона Электрика (Power Trim/tilt Electrical)

Механизированный дифферент наклона Электрика (Power Trim/tilt Electrical)

Механизированный дифферент наклона Hydraulic Assembly (Power Trim/tilt Hydraulic Assembly)

Механизированный дифферент наклона Hydraulic Assembly (Power Trim/tilt Hydraulic Assembly)

Механизированный дифферент наклона - Quiet Rider (Power Trim/tilt - Quiet Rider)

Механизированный дифферент наклона - Quiet Rider (Power Trim/tilt - Quiet Rider)

Рулевая система Соединитель Kit (Steering Link Kit)

Рулевая система Соединитель Kit (Steering Link Kit)

Соединитель дросселяage (Throttle Linkage)

Соединитель дросселяage (Throttle Linkage)

Кронштейн транца в сборе. - Quiet Rider (Transom Bracket Assy. - Quiet Rider)

Кронштейн транца в сборе. - Quiet Rider (Transom Bracket Assy. - Quiet Rider)

evinrude

Время выполнения запроса 2.290206193924 сек.


 
 

данный сайт носит информационный характер и не является публичной офертой

склад запчастей для водомоторной техники