вконтакте

Контактный телефон: +7 (981) 121-46-93, +7 (800) 200-90-76 , Email: parts-katalog@yandex.ru, где купить

 
 

  Логин:

Пароль:

Регистрация

www.partskatalog.ru Все каталоги Запчасти Mercury Запчасти Suzuki Запчасти Tohatsu Запчасти Honda Контакты


Вернуться к началу выбора


Мощность Вашего двигателя: 150 л.с.

Год выпуска: 1995 год

Тип двигателя: 1444

Модификация двигателя: Evinrude E150WTLEOR 1995

   Выберите раздел

найти расходники на лодочные моторы Evinrude


Выберите раздел

Кабели, Trim Gauge (Cable, Trim Gauge)

Кабели, Trim Gauge (Cable, Trim Gauge)

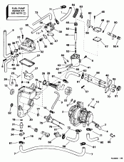
Карбюратор и Впускной коллектор (Carburetor And Intake Manifold)

Карбюратор и Впускной коллектор (Carburetor And Intake Manifold)

Коленвал & Поршни (Crankshaft & Pistons)

Коленвал & Поршни (Crankshaft & Pistons)

Цилиндр & Картер двигателя (Cylinder & Crankcase)

Цилиндр & Картер двигателя (Cylinder & Crankcase)

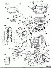
Электростартер & Solenoid (Electric Starter & Solenoid)

Электростартер & Solenoid (Electric Starter & Solenoid)

Крышка двигателя (капот) - Evinrude (Engine Cover - Evinrude)

Крышка двигателя (капот) - Evinrude (Engine Cover - Evinrude)

Крышка двигателя (капот) - Johnson (Engine Cover - Johnson)

Крышка двигателя (капот) - Johnson (Engine Cover - Johnson)

Удлинитель корпуса (Exhaust Housing)

Удлинитель корпуса (Exhaust Housing)

Fuel Кронштейн & Components (Fuel Bracket & Components)

Fuel Кронштейн & Components (Fuel Bracket & Components)

Топливный коннектор и Шланг (Fuel Connector And Hose)

Топливный коннектор и Шланг (Fuel Connector And Hose)

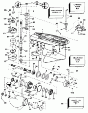
Редуктор (Gearcase)

Редуктор (Gearcase)

Ignition System (Ignition System)

Ignition System (Ignition System)

Нижняя крышка двигателя (Lower Engine Cover)

Нижняя крышка двигателя (Lower Engine Cover)

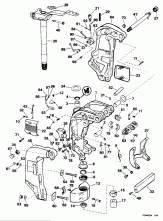
Midsection (Midsection)

Midsection (Midsection)

Масляный бак Kit - 1.8 галлон (Oil Tank Kit - 1.8 Gallon)

Масляный бак Kit - 1.8 галлон (Oil Tank Kit - 1.8 Gallon)

Краска (Paint)

Краска (Paint)

Заглушка-in Коннектор Kit (Plug-in Connector Kit)

Заглушка-in Коннектор Kit (Plug-in Connector Kit)

Механизированный дифферент наклона Электрика (Power Trim/tilt Electrical)

Механизированный дифферент наклона Электрика (Power Trim/tilt Electrical)

Механизированный дифферент наклона Hydraulic Assembly (Power Trim/tilt Hydraulic Assembly)

Механизированный дифферент наклона Hydraulic Assembly (Power Trim/tilt Hydraulic Assembly)

Топливная груша & Шланг - 3 / 8 дюйм I.d. Шланг (Primer Bulb & Hose - 3/8 In. I.d. Hose)

Дистанционное управление (Remote Control)

Дистанционное управление (Remote Control)

Рулевая система Соединитель Kit (Steering Link Kit)

Рулевая система Соединитель Kit (Steering Link Kit)

Тахометр (установочный комплект) - монтаж заподлицо - 7000 Rpm - не-Заглушка-in (Tachometer Kit - Flush Mount - 7000 Rpm - Non-plug-in)

Тахометр (установочный комплект) - монтаж заподлицо - 7000 Rpm - не-Заглушка-in (Tachometer Kit - Flush Mount - 7000 Rpm - Non-plug-in)

Соединитель дросселяage (Throttle Linkage)

Соединитель дросселяage (Throttle Linkage)

Trim / tilt Gauge Kit (Trim/tilt Gauge Kit)

Trim / tilt Gauge Kit (Trim/tilt Gauge Kit)

Water Pressure Gauge Kit (Water Pressure Gauge Kit)

Water Pressure Gauge Kit (Water Pressure Gauge Kit)

evinrude

Время выполнения запроса 0.34236598014832 сек.


 
 

данный сайт носит информационный характер и не является публичной офертой

склад запчастей для водомоторной техники