вконтакте

Контактный телефон: +7 (981) 121-46-93, +7 (800) 200-90-76 , Email: parts-katalog@yandex.ru, где купить

 
 

  Логин:

Пароль:

Регистрация

www.partskatalog.ru Все каталоги Запчасти Mercury Запчасти Suzuki Запчасти Tohatsu Запчасти Honda Контакты



УВАЖАЕМЫЕ КЛИЕНТЫ!
C 19 ДЕКАБРЯ 2025 ПО 02 МАРТА 2026 ГОДА ОТДЕЛ ЗАПЧАСТЕЙ И СЕРВИС РАБОТАТЬ НЕ БУДУТ
ПРОДАЖА ЛОДОЧНЫХ МОТОРОВ В ШТАТНОМ РЕЖИМЕ
ОБ ИЗМЕНЕНИЯХ В ГРАФИКЕ РАБОТЫ ЧИТАЙТЕ НА САЙТА




Вернуться к началу выбора


Мощность Вашего двигателя: 225 л.с.

Год выпуска: 1995 год

Тип двигателя: 1441

Модификация двигателя: Evinrude E225CZEOB 1995

   Выберите раздел

найти расходники на лодочные моторы Evinrude


Выберите раздел

Accessory Transom Пластина (Accessory Transom Plate)

Accessory Transom Пластина (Accessory Transom Plate)

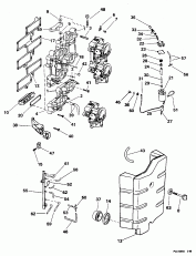
Карбюратор и Подъемный механизм - 200 (Carburetor And Linkage - 200)

Карбюратор и Подъемный механизм - 200 (Carburetor And Linkage - 200)

Карбюратор и Подъемный механизм - 200sl, 225 (Carburetor And Linkage - 200sl, 225)

Карбюратор и Подъемный механизм - 200sl, 225 (Carburetor And Linkage - 200sl, 225)

Коленвал & Поршень (Crankshaft & Piston)

Коленвал & Поршень (Crankshaft & Piston)

Цилиндр & Картер двигателя (Cylinder & Crankcase)

Цилиндр & Картер двигателя (Cylinder & Crankcase)

Цилиндр & Клапан Assembly (Cylinder & Valve Assembly)

Цилиндр & Клапан Assembly (Cylinder & Valve Assembly)

Dual Рулевая система Коннектор Kit - 200stl, 225stl Only (Dual Steering Connector Kit - 200stl, 225stl Only)

Dual Рулевая система Коннектор Kit - 200stl, 225stl Only (Dual Steering Connector Kit - 200stl, 225stl Only)

Крышка двигателя (капот) - Evinrude - 200stl, 225stl (Engine Cover - Evinrude - 200stl, 225stl)

Крышка двигателя (капот) - Evinrude - 200stl, 225stl (Engine Cover - Evinrude - 200stl, 225stl)

Крышка двигателя (капот) - Evinrude - 200tx, 200sl, 200cx, 225 (Engine Cover - Evinrude - 200tx, 200sl, 200cx, 225)

Крышка двигателя (капот) - Evinrude - 200tx, 200sl, 200cx, 225 (Engine Cover - Evinrude - 200tx, 200sl, 200cx, 225)

Крышка двигателя (капот) - Johnson - 200stl, 225stl (Engine Cover - Johnson - 200stl, 225stl)

Крышка двигателя (капот) - Johnson - 200stl, 225stl (Engine Cover - Johnson - 200stl, 225stl)

Крышка двигателя (капот) - Johnson - 200tx, 200sl, 200cx, 225 (Engine Cover - Johnson - 200tx, 200sl, 200cx, 225)

Крышка двигателя (капот) - Johnson - 200tx, 200sl, 200cx, 225 (Engine Cover - Johnson - 200tx, 200sl, 200cx, 225)

Удлинитель корпуса (Exhaust Housing)

Удлинитель корпуса (Exhaust Housing)

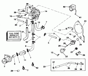
Топливный насос (Fuel Pump)

Топливный насос (Fuel Pump)

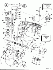
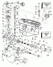
Редуктор - обратное вращение (Gearcase - Counter Rotation)

Редуктор - обратное вращение (Gearcase - Counter Rotation)

Редуктор - стандарт Rotation - 20 дюйм Models (Gearcase - Standard Rotation - 20 In. Models)

Редуктор - стандарт Rotation - 20 дюйм Models (Gearcase - Standard Rotation - 20 In. Models)

Редуктор - стандарт Rotation - 25 дюйм & 30 дюйм Models (Gearcase - Standard Rotation - 25 In. & 30 In. Models)

Редуктор - стандарт Rotation - 25 дюйм & 30 дюйм Models (Gearcase - Standard Rotation - 25 In. & 30 In. Models)

Ignition System & Двигатель стартера (Ignition System & Starter Motor)

Ignition System & Двигатель стартера (Ignition System & Starter Motor)

Впускной коллектор (Intake Manifold)

Впускной коллектор (Intake Manifold)

Нижняя крышка двигателя (Lower Engine Cover)

Нижняя крышка двигателя (Lower Engine Cover)

Midsection (Midsection)

Midsection (Midsection)

Краска (Paint)

Краска (Paint)

Power Рулевая система Помпа (Power Steering Pump)

Power Рулевая система Помпа (Power Steering Pump)

Power Рулевая система Groвыше (Power Steering Group)

Power Рулевая система Groвыше (Power Steering Group)

Механизированный дифферент наклона Электрика (Power Trim/tilt Electrical)

Механизированный дифферент наклона Электрика (Power Trim/tilt Electrical)

Механизированный дифферент наклона Hydraulic Assembly (Power Trim/tilt Hydraulic Assembly)

Механизированный дифферент наклона Hydraulic Assembly (Power Trim/tilt Hydraulic Assembly)

Рулевая система Соединитель Kit - 200 / 225stl, 200tx, Tz, 225tl, Tx, Tz (Steering Link Kit - 200/225stl, 200tx, Tz, 225tl, Tx, Tz)

Рулевая система Соединитель Kit - 200 / 225stl, 200tx, Tz, 225tl, Tx, Tz (Steering Link Kit - 200/225stl, 200tx, Tz, 225tl, Tx, Tz)

evinrude

Время выполнения запроса 0.30582594871521 сек.


 
 

данный сайт носит информационный характер и не является публичной офертой

склад запчастей для водомоторной техники