вконтакте

Контактный телефон: +7 (981) 121-46-93, +7 (800) 200-90-76 , Email: parts-katalog@yandex.ru, где купить

 
 

  Логин:

Пароль:

Регистрация

www.partskatalog.ru Все каталоги Запчасти Mercury Запчасти Suzuki Запчасти Tohatsu Запчасти Honda Контакты


Вернуться к началу выбора


Мощность Вашего двигателя: 40 л.с.

Год выпуска: 1996 год

Тип двигателя: 1421

Модификация двигателя: Evinrude E40RLEDS 1996

   Выберите раздел

найти расходники на лодочные моторы Evinrude


Выберите раздел

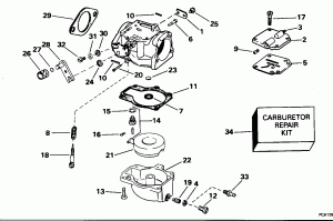
Карбюратор - All 40 Models (Carburetor - All 40 Models)

Карбюратор - All 40 Models (Carburetor - All 40 Models)

Карбюратор - All 50 Models (Carburetor - All 50 Models)

Карбюратор - All 50 Models (Carburetor - All 50 Models)

Коленвал & Поршень (Crankshaft & Piston)

Коленвал & Поршень (Crankshaft & Piston)

Цилиндр & Картер двигателя (Cylinder & Crankcase)

Цилиндр & Картер двигателя (Cylinder & Crankcase)

Электростартер & Solenoid (Electric Starter & Solenoid)

Электростартер & Solenoid (Electric Starter & Solenoid)

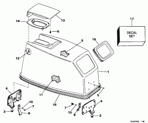
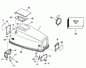
Крышка двигателя (капот) - Evinrude 50 (Engine Cover - Evinrude 50)

Крышка двигателя (капот) - Evinrude 50 (Engine Cover - Evinrude 50)

Крышка двигателя (капот) - Johnson 50 (Engine Cover - Johnson 50)

Крышка двигателя (капот) - Johnson 50 (Engine Cover - Johnson 50)

Крышка двигателя (капот) - Johnson Шнур Start Only (Engine Cover - Johnson Rope Start Only)

Крышка двигателя (капот) - Johnson Шнур Start Only (Engine Cover - Johnson Rope Start Only)

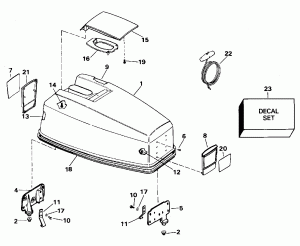
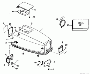
Крышка двигателя (капот) - Evinrude 40 (Engine Cover - Evinrude 40)

Крышка двигателя (капот) - Evinrude 40 (Engine Cover - Evinrude 40)

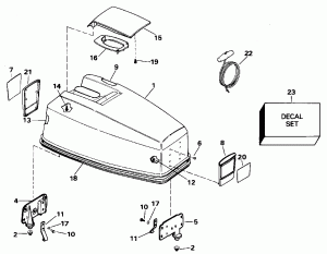
Крышка двигателя (капот) - Johnson 40 (Engine Cover - Johnson 40)

Крышка двигателя (капот) - Johnson 40 (Engine Cover - Johnson 40)

Крышка двигателя (капот) - Evinrude Шнур Start Only (Engine Cover - Evinrude Rope Start Only)

Крышка двигателя (капот) - Evinrude Шнур Start Only (Engine Cover - Evinrude Rope Start Only)

Удлинитель корпуса & Stern & Поворотный кронштейн (Exhaust Housing & Stern & Swivel Bracket)

Удлинитель корпуса & Stern & Поворотный кронштейн (Exhaust Housing & Stern & Swivel Bracket)

Топливный шланг Топливная груша 5 / 16 дюйм I.d. (Fuel Hose Primer Bulb 5/16 In. I.d.)

Топливный шланг Топливная груша 5 / 16 дюйм I.d. (Fuel Hose Primer Bulb 5/16 In. I.d.)

Топливный насос (Fuel Pump)

Топливный насос (Fuel Pump)

Топливный насос & Фильтр (Fuel Pump & Filter)

Топливный насос & Фильтр (Fuel Pump & Filter)

Топливный бак - 6 галлон (Fuel Tank - 6 Gallon)

Топливный бак - 6 галлон (Fuel Tank - 6 Gallon)

Топливный бак - 6 галлон P / n 175303 (Fuel Tank - 6 Gallon P/n 175303)

Топливный бак - 6 галлон P / n 175303 (Fuel Tank - 6 Gallon P/n 175303)

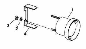
Gauge в сборе. - 2 Inch (Gauge Assy. - 2 Inch)

Gauge в сборе. - 2 Inch (Gauge Assy. - 2 Inch)

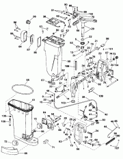
Редуктор (Gearcase)

Редуктор (Gearcase)

Horn в сборе. (Horn Assy.)

Horn в сборе. (Horn Assy.)

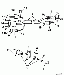
Ignition Переключатель & Кабели - 40te, 40ttl (Ignition Switch & Cable - 40te, 40ttl)

Ignition Переключатель & Кабели - 40te, 40ttl (Ignition Switch & Cable - 40te, 40ttl)

Ignition System - 40 Шнур Start (Ignition System - 40 Rope Start)

Ignition System - 40 Шнур Start (Ignition System - 40 Rope Start)

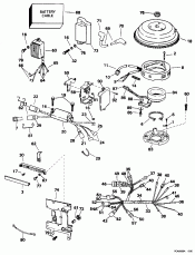
Ignition System - 40-50 Electric Start El, Tl & Ttl Models (Ignition System - 40-50 Electric Start El, Tl & Ttl Models)

Ignition System - 40-50 Electric Start El, Tl & Ttl Models (Ignition System - 40-50 Electric Start El, Tl & Ttl Models)

Ignition System - Electric Start 40te Models (Ignition System - Electric Start 40te Models)

Ignition System - Electric Start 40te Models (Ignition System - Electric Start 40te Models)

Впускной коллектор (Intake Manifold)

Впускной коллектор (Intake Manifold)

Jet Drive Unit (Jet Drive Unit)

Jet Drive Unit (Jet Drive Unit)

Нижняя крышка двигателя (Lower Engine Cover)

Нижняя крышка двигателя (Lower Engine Cover)

Краска (Paint)

Краска (Paint)

Механизированный дифферент наклона (Power Trim/tilt)

Механизированный дифферент наклона (Power Trim/tilt)

Primer System - Electric Start (Primer System - Electric Start)

Primer System - Electric Start (Primer System - Electric Start)

Primer System - ручной Start (Primer System - Manual Start)

Primer System - ручной Start (Primer System - Manual Start)

Remote Tilt Переключатель Kit - 40ttl Only (Remote Tilt Switch Kit - 40ttl Only)

Remote Tilt Переключатель Kit - 40ttl Only (Remote Tilt Switch Kit - 40ttl Only)

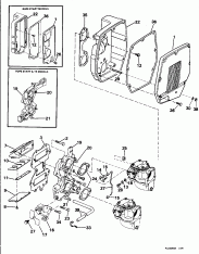
Rewind Стартер (Rewind Starter)

Rewind Стартер (Rewind Starter)

Переключатель & Соединитель дросселяage (Shift & Throttle Linkage)

Переключатель & Соединитель дросселяage (Shift & Throttle Linkage)

Переключатель & Соединитель дросселяage (continued) (Shift & Throttle Linkage (continued))

Переключатель & Соединитель дросселяage (continued) (Shift & Throttle Linkage (continued))

Рулевая система & Переключатель Handle (Steering & Shift Handle)

Рулевая система & Переключатель Handle (Steering & Shift Handle)

Рулевая система Соединитель Kit (Steering Link Kit)

Рулевая система Соединитель Kit (Steering Link Kit)

Tilt Assist Цилиндр (Tilt Assist Cylinder)

Tilt Assist Цилиндр (Tilt Assist Cylinder)

Transom Крепление Kit - 40 Шнур (Transom Mount Kit - 40 Rope)

Transom Крепление Kit - 40 Шнур (Transom Mount Kit - 40 Rope)

Transom Крепление Kit - 50 Шнур (Transom Mount Kit - 50 Rope)

Transom Крепление Kit - 50 Шнур (Transom Mount Kit - 50 Rope)

evinrude

Время выполнения запроса 0.34351491928101 сек.


 
 

данный сайт носит информационный характер и не является публичной офертой

склад запчастей для водомоторной техники