вконтакте

Контактный телефон: +7 (981) 121-46-93, +7 (800) 200-90-76 , Email: parts-katalog@yandex.ru, где купить

 
 

  Логин:

Пароль:

Регистрация

www.partskatalog.ru Все каталоги Запчасти Mercury Запчасти Suzuki Запчасти Tohatsu Запчасти Honda Контакты


Вернуться к началу выбора


Мощность Вашего двигателя: 5 л.с.

Год выпуска: 1997 год

Тип двигателя: 1394

Модификация двигателя: Evinrude HE5FREUR 1997

   Выберите раздел

найти расходники на лодочные моторы Evinrude


Выберите раздел

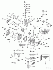
Карбюратор (Carburetor)

Карбюратор (Carburetor)

Цилиндр & Картер двигателя (Cylinder & Crankcase)

Цилиндр & Картер двигателя (Cylinder & Crankcase)

Головка блока цилиндра & Коленвал (Cylinder Head & Crankshaft)

Головка блока цилиндра & Коленвал (Cylinder Head & Crankshaft)

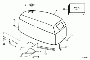
Крышка двигателя (капот) - Evinrude (Engine Cover - Evinrude)

Крышка двигателя (капот) - Evinrude (Engine Cover - Evinrude)

Крышка двигателя (капот) - Johnson (Engine Cover - Johnson)

Крышка двигателя (капот) - Johnson (Engine Cover - Johnson)

Удлинитель корпуса (Exhaust Housing)

Удлинитель корпуса (Exhaust Housing)

Топливный насос (Fuel Pump)

Топливный насос (Fuel Pump)

Топливный бак (Fuel Tank)

Топливный бак (Fuel Tank)

Топливный бак - 3 галлон (Fuel Tank - 3 Gallon)

Топливный бак - 3 галлон (Fuel Tank - 3 Gallon)

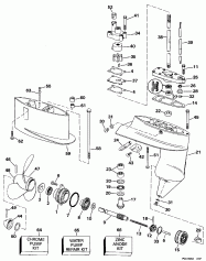
Редуктор (Gearcase)

Редуктор (Gearcase)

Ignition (Ignition)

Ignition (Ignition)

Нижняя крышка двигателя (Lower Engine Cover)

Нижняя крышка двигателя (Lower Engine Cover)

Midsection (Midsection)

Midsection (Midsection)

Краска (Paint)

Краска (Paint)

Rewind Стартер (Rewind Starter)

Rewind Стартер (Rewind Starter)

Румпель (Steering Handle)

Румпель (Steering Handle)

evinrude

Время выполнения запроса 0.24113082885742 сек.


 
 

данный сайт носит информационный характер и не является публичной офертой

склад запчастей для водомоторной техники