вконтакте

Контактный телефон: +7 (981) 121-46-93, +7 (800) 200-90-76 , Email: parts-katalog@yandex.ru, где купить

 
 

  Логин:

Пароль:

Регистрация

www.partskatalog.ru Все каталоги Запчасти Mercury Запчасти Suzuki Запчасти Tohatsu Запчасти Honda Контакты


Вернуться к началу выбора


Мощность Вашего двигателя: 150 л.с.

Год выпуска: 1997 год

Тип двигателя: 1368

Модификация двигателя: Evinrude E150IXEUC 1997

   Выберите раздел

найти расходники на лодочные моторы Evinrude


Выберите раздел

Battery Клемма Kit (Battery Terminal Kit)

Battery Клемма Kit (Battery Terminal Kit)

Коленвал & Поршни (Crankshaft & Pistons)

Коленвал & Поршни (Crankshaft & Pistons)

Цилиндр & Картер двигателя (Cylinder & Crankcase)

Цилиндр & Картер двигателя (Cylinder & Crankcase)

Dual Рулевая система Коннектор Kit -- Опции (Dual Steering Connector Kit -- Optional)

Dual Рулевая система Коннектор Kit -- Опции (Dual Steering Connector Kit -- Optional)

Электростартер (Electric Starter)

Электростартер (Electric Starter)

Крышка двигателя (капот) -- Evinrude (Engine Cover -- Evinrude)

Крышка двигателя (капот) -- Evinrude (Engine Cover -- Evinrude)

Крышка двигателя (капот) -- Johnson (Engine Cover -- Johnson)

Крышка двигателя (капот) -- Johnson (Engine Cover -- Johnson)

Удлинитель корпуса (Exhaust Housing)

Удлинитель корпуса (Exhaust Housing)

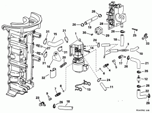
Fuel Components (Fuel Components)

Fuel Components (Fuel Components)

Редуктор -- Counter-rotation -- Icx Models (Gearcase -- Counter-rotation -- Icx Models)

Редуктор -- Counter-rotation -- Icx Models (Gearcase -- Counter-rotation -- Icx Models)

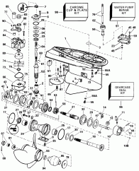
Редуктор -- стандарт Rotation -- Il Models (Gearcase -- Standard Rotation -- Il Models)

Редуктор -- стандарт Rotation -- Il Models (Gearcase -- Standard Rotation -- Il Models)

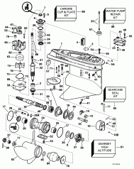
Редуктор -- стандарт Rotation -- Pl & Ix Models (Gearcase -- Standard Rotation -- Pl & Ix Models)

Редуктор -- стандарт Rotation -- Pl & Ix Models (Gearcase -- Standard Rotation -- Pl & Ix Models)

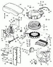
Ignition System (Ignition System)

Ignition System (Ignition System)

инжектор & Fuel Коллекторs (Injector & Fuel Manifolds)

инжектор & Fuel Коллекторs (Injector & Fuel Manifolds)

Впускной коллектор (Intake Manifold)

Впускной коллектор (Intake Manifold)

Литература (Literature)

Литература (Literature)

Нижняя крышка двигателя (Lower Engine Cover)

Нижняя крышка двигателя (Lower Engine Cover)

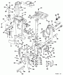
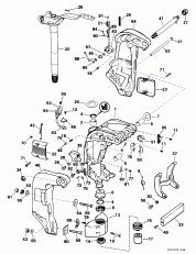
Midsection (Midsection)

Midsection (Midsection)

Motor Кабели Assembly (Motor Cable Assembly)

Motor Кабели Assembly (Motor Cable Assembly)

Oil Components (Oil Components)

Oil Components (Oil Components)

Масляный бак Kit -- 1.8 галлон (Oil Tank Kit -- 1.8 Gallon)

Масляный бак Kit -- 1.8 галлон (Oil Tank Kit -- 1.8 Gallon)

Краска (Paint)

Краска (Paint)

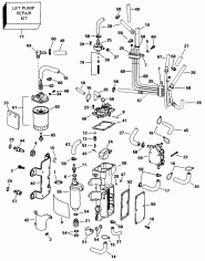
Механизированный дифферент наклона Hydraulic Assembly (Power Trim/tilt Hydraulic Assembly)

Механизированный дифферент наклона Hydraulic Assembly (Power Trim/tilt Hydraulic Assembly)

Рулевая система Соединитель Kit (Steering Link Kit)

Рулевая система Соединитель Kit (Steering Link Kit)

Соединитель дросселяage (Throttle Linkage)

Соединитель дросселяage (Throttle Linkage)

evinrude

Время выполнения запроса 0.26701211929321 сек.


 
 

данный сайт носит информационный характер и не является публичной офертой

склад запчастей для водомоторной техники