| |
Вернуться к началу выбора
Мощность Вашего двигателя: 225 л.с. | Год выпуска: 1998 год | Тип двигателя: 1331 | Модификация двигателя: Evinrude SE225NXECC 1998 |
|
Выберите раздел
|

|
Выберите раздел
 Accessory Transom Пластина -- Опции (Accessory Transom Plate -- Optional) |
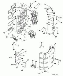
 Карбюратор & Подъемный механизм -- 200 (Carburetor & Linkage -- 200) |
 Карбюратор & Подъемный механизм -- 225, 250 (Carburetor & Linkage -- 225, 250) |
 Коленвал & Поршень (Crankshaft & Piston) |
 Цилиндр & Картер двигателя (Cylinder & Crankcase) |
 Dual Рулевая система Коннектор Kit -- Опции (Dual Steering Connector Kit -- Optional) |
 Крышка двигателя (капот)-evinrude-200tl, tx, cx, 225tx, cx, tz, cz, qx, nx, 250 (Engine Cover-evinrude-200tl,tx,cx,225tx,cx,tz,cz,qx,nx,250) |
 Крышка двигателя (капот)-johnson-200tl, tx, cx, 225tx, cx, tz, cz, qx, nx, 250 (Engine Cover-johnson-200tl,tx,cx,225tx,cx,tz,cz,qx,nx,250) |
 Крышка двигателя (капот) -- Evinrude -- 200stl, Sl, 225stl, Sl, Gl (Engine Cover -- Evinrude -- 200stl, Sl, 225stl, Sl, Gl) |
 Крышка двигателя (капот) -- Johnson -- 200sl, Stl, 225stl, Sl, Gl (Engine Cover -- Johnson -- 200sl, Stl, 225stl, Sl, Gl) |
 Удлинитель корпуса (Exhaust Housing) |
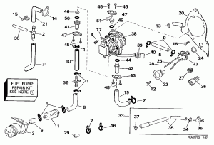
 Топливный насос (Fuel Pump) |
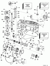
 Редуктор - стандарт Rotation - Px, Pz, Tl, Tx, Tz, Qx Models (Gearcase - Standard Rotation - Px, Pz, Tl, Tx, Tz, Qx Models) |
 Редуктор -- Counter-rotation -- Cx, Cz, Nx Models (Gearcase -- Counter-rotation -- Cx, Cz, Nx Models) |
 Редуктор -- стандарт Rotation -- Gl, Sl, & Stl Models (Gearcase -- Standard Rotation -- Gl, Sl, & Stl Models) |
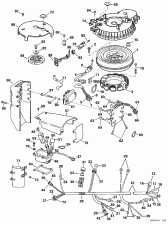
 Ignition System (Ignition System) |
 Впускной коллектор (Intake Manifold) |
 Литература (Literature) |
 Нижняя крышка двигателя (Lower Engine Cover) |
 Midsection (Midsection) |
 Краска (Paint) |
 Механизированный дифферент наклона Электрика (Power Trim/tilt Electrical) |
 Механизированный дифферент наклона Hydraulic Assembly (Power Trim/tilt Hydraulic Assembly) |
 Двигатель стартера (Starter Motor) |
 Рулевая система Соединитель Kit (Steering Link Kit) |

Время выполнения запроса 0.32379293441772 сек.
|
|