вконтакте

Контактный телефон: +7 (981) 121-46-93, +7 (800) 200-90-76 , Email: parts-katalog@yandex.ru, где купить

 
 

  Логин:

Пароль:

Регистрация

www.partskatalog.ru Все каталоги Запчасти Mercury Запчасти Suzuki Запчасти Tohatsu Запчасти Honda Контакты


Вернуться к началу выбора


Мощность Вашего двигателя: 55 л.с.

Год выпуска: 2000 год

Тип двигателя: 1292

Модификация двигателя: Evinrude E55WRYSSC Commercial, Rope Start, Tiller

   Выберите раздел

найти расходники на лодочные моторы Evinrude


Выберите раздел

Карбюратор (Carburetor)

Карбюратор (Carburetor)

Коленвал и Поршень (Crankshaft And Piston)

Коленвал и Поршень (Crankshaft And Piston)

Цилиндр и Картер двигателя (Cylinder And Crankcase)

Цилиндр и Картер двигателя (Cylinder And Crankcase)

Крышка двигателя (капот) (Engine Cover)

Крышка двигателя (капот) (Engine Cover)

Топливный бак - 6 галлон (Fuel Tank - 6 Gallon)

Топливный бак - 6 галлон (Fuel Tank - 6 Gallon)

Топливный шланг и Primer NЛампочка - 5 / 16 дюйм I.d. (Fuel Hose And Primer Nbulb - 5/16 In. I.d.)

Топливный шланг и Primer NЛампочка - 5 / 16 дюйм I.d. (Fuel Hose And Primer Nbulb - 5/16 In. I.d.)

Топливный насос и Фильтр (Fuel Pump And Filter)

Топливный насос и Фильтр (Fuel Pump And Filter)

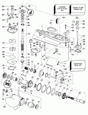
Редуктор (Gearcase)

Редуктор (Gearcase)

Ignition System (Ignition System)

Ignition System (Ignition System)

Впускной коллектор и Air Глушитель (Intake Manifold And Air Silencer)

Впускной коллектор и Air Глушитель (Intake Manifold And Air Silencer)

Литература (Literature)

Литература (Literature)

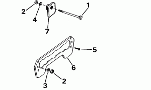
Нижняя крышка двигателя (Lower Engine Cover)

Нижняя крышка двигателя (Lower Engine Cover)

Midsection (Midsection)

Midsection (Midsection)

Краска (Paint)

Краска (Paint)

Primer System (Primer System)

Primer System (Primer System)

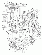
Rewind Стартер (Rewind Starter)

Rewind Стартер (Rewind Starter)

Переключатель и Соединитель дросселяage (Shift And Throttle Linkage)

Переключатель и Соединитель дросселяage (Shift And Throttle Linkage)

Румпель (Steering Handle)

Румпель (Steering Handle)

Transom Крепление Kit (Transom Mount Kit)

Transom Крепление Kit (Transom Mount Kit)

evinrude

Время выполнения запроса 0.24267506599426 сек.


 
 

данный сайт носит информационный характер и не является публичной офертой

склад запчастей для водомоторной техники