вконтакте

Контактный телефон: +7 (981) 121-46-93, +7 (800) 200-90-76 , Email: parts-katalog@yandex.ru, где купить

 
 

  Логин:

Пароль:

Регистрация

www.partskatalog.ru Все каталоги Запчасти Mercury Запчасти Suzuki Запчасти Tohatsu Запчасти Honda Контакты



УВАЖАЕМЫЕ КЛИЕНТЫ!
C 19 ДЕКАБРЯ 2025 ПО 02 МАРТА 2026 ГОДА ОТДЕЛ ЗАПЧАСТЕЙ И СЕРВИС РАБОТАТЬ НЕ БУДУТ
ПРОДАЖА ЛОДОЧНЫХ МОТОРОВ В ШТАТНОМ РЕЖИМЕ
ОБ ИЗМЕНЕНИЯХ В ГРАФИКЕ РАБОТЫ ЧИТАЙТЕ НА САЙТА




Вернуться к началу выбора


Мощность Вашего двигателя: 150 л.с.

Год выпуска: 2000 год

Тип двигателя: 1283

Модификация двигателя: Evinrude E150WPLSSC Commercial, Elec Start, TNT,

   Выберите раздел

найти расходники на лодочные моторы Evinrude


Выберите раздел

Карбюратор & Впускной коллектор (Carburetor & Intake Manifold)

Карбюратор & Впускной коллектор (Carburetor & Intake Manifold)

Коленвал & Поршни (Crankshaft & Pistons)

Коленвал & Поршни (Crankshaft & Pistons)

Цилиндр & Картер двигателя (Cylinder & Crankcase)

Цилиндр & Картер двигателя (Cylinder & Crankcase)

Электрика Стартер & Solenoid (Electrical Starter & Solenoid)

Электрика Стартер & Solenoid (Electrical Starter & Solenoid)

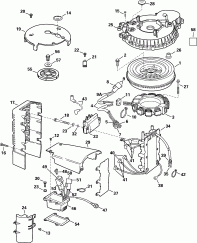
Крышка двигателя (капот) (Engine Cover)

Крышка двигателя (капот) (Engine Cover)

Удлинитель корпуса (Exhaust Housing)

Удлинитель корпуса (Exhaust Housing)

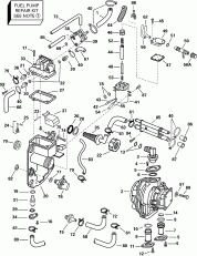
Fuel Кронштейн & Components (Fuel Bracket & Components)

Fuel Кронштейн & Components (Fuel Bracket & Components)

Топливный коннектор & Шланг (Fuel Connector & Hose)

Топливный коннектор & Шланг (Fuel Connector & Hose)

Редуктор (Gearcase)

Редуктор (Gearcase)

Ignition System (Ignition System)

Ignition System (Ignition System)

Литература (Literature)

Литература (Literature)

Нижняя крышка двигателя (Lower Engine Cover)

Нижняя крышка двигателя (Lower Engine Cover)

Midsection (Midsection)

Midsection (Midsection)

Motor Жгут проводов (Motor Harness)

Motor Жгут проводов (Motor Harness)

Omc System Check® Тахометр (установочный комплект) (Omc System Check® Tachometer Kit)

Omc System Check® Тахометр (установочный комплект) (Omc System Check® Tachometer Kit)

Краска (Paint)

Краска (Paint)

Механизированный дифферент наклона Hydraulic Assembly (Power Trim/tilt Hydraulic Assembly)

Механизированный дифферент наклона Hydraulic Assembly (Power Trim/tilt Hydraulic Assembly)

Механизированный дифферент наклона Электрика (Power Trim/tilt Electrical)

Механизированный дифферент наклона Электрика (Power Trim/tilt Electrical)

Дистанционное управление (Remote Control)

Дистанционное управление (Remote Control)

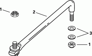
Рулевая система Соединитель Kit (Steering Link Kit)

Рулевая система Соединитель Kit (Steering Link Kit)

Соединитель дросселяage (Throttle Linkage)

Соединитель дросселяage (Throttle Linkage)

evinrude

Время выполнения запроса 0.34723305702209 сек.


 
 

данный сайт носит информационный характер и не является публичной офертой

склад запчастей для водомоторной техники