вконтакте

Контактный телефон: +7 (981) 121-46-93, +7 (800) 200-90-76 , Email: parts-katalog@yandex.ru, где купить

 
 

  Логин:

Пароль:

Регистрация

www.partskatalog.ru Все каталоги Запчасти Mercury Запчасти Suzuki Запчасти Tohatsu Запчасти Honda Контакты


Вернуться к началу выбора


Мощность Вашего двигателя: 75 л.с.

Год выпуска: 2004 год

Тип двигателя: 1232

Модификация двигателя: Evinrude E75DPLSRC

   Выберите раздел

найти расходники на лодочные моторы Evinrude


Выберите раздел

Aluminum & Stainless 3 Blade Гребной винтs (Aluminum & Stainless 3 Blade Propellers)

Aluminum & Stainless 3 Blade Гребной винтs (Aluminum & Stainless 3 Blade Propellers)

Шланги охлаждения (Cooling Hoses)

Шланги охлаждения (Cooling Hoses)

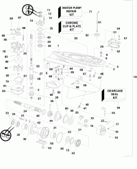
Коленвал & Поршни (Crankshaft & Pistons)

Коленвал & Поршни (Crankshaft & Pistons)

Цилиндр & Картер двигателя (Cylinder & Crankcase)

Цилиндр & Картер двигателя (Cylinder & Crankcase)

Головка блока цилиндра & Термостат (Cylinder Head & Thermostat)

Головка блока цилиндра & Термостат (Cylinder Head & Thermostat)

Цилиндр / Картер двигателя Fittings & Oil Recirculation Шлангs (Cylinder/crankcase Fittings & Oil Recirculation Hoses)

Цилиндр / Картер двигателя Fittings & Oil Recirculation Шлангs (Cylinder/crankcase Fittings & Oil Recirculation Hoses)

Наклейки голубой Models (Decals Blue Models)

Наклейки голубой Models (Decals Blue Models)

Emm, Статор, Маховик (Emm, Stator, Flywheel)

Emm, Статор, Маховик (Emm, Stator, Flywheel)

Двигатель Электрика - жгут проводов (Engine Electrical Harness)

Двигатель Электрика - жгут проводов (Engine Electrical Harness)

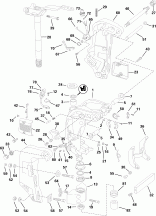
Удлинитель корпуса (Exhaust Housing)

Удлинитель корпуса (Exhaust Housing)

Выхлоп Adapter / Внутренности машинки газ-реверс (Exhaust Adapter / Inner Housing)

Выхлоп Adapter / Внутренности машинки газ-реверс (Exhaust Adapter / Inner Housing)

Лифтовый топливный насос (Fuel Lift Pump)

Лифтовый топливный насос (Fuel Lift Pump)

Отделитель паров топлива / Помпа (Fuel Vapor Separator/pump)

Топливный инжектор & Катушка зажигания (Fuel Injector & Ignition Coil)

Топливный инжектор & Катушка зажигания (Fuel Injector & Ignition Coil)

Комплект прокладок (Gasket Kit)

Комплект прокладок (Gasket Kit)

Редуктор Pl & Sl Models (Gearcase Pl & Sl Models)

Редуктор Pl & Sl Models (Gearcase Pl & Sl Models)

Литература (Literature)

Литература (Literature)

Нижняя крышка двигателя (Lower Engine Cover)

Нижняя крышка двигателя (Lower Engine Cover)

Масляный бак и Помпа (Oil Tank And Pump)

Масляный бак и Помпа (Oil Tank And Pump)

Краска (Paint)

Краска (Paint)

Renegade 4 Blade Гребной винт V4 (Renegade 4 Blade Propeller V4)

Renegade 4 Blade Гребной винт V4 (Renegade 4 Blade Propeller V4)

Стартер & Solenoid (Starter & Solenoid)

Стартер & Solenoid (Starter & Solenoid)

Рулевая система Коннектор Kit (Steering Connector Kit)

Рулевая система Коннектор Kit (Steering Connector Kit)

Поворотный кронштейн (Swivel Bracket)

Поворотный кронштейн (Swivel Bracket)

Дроссель газа & Впускной коллектор (Throttle Body & Intake Manifold)

Дроссель газа & Впускной коллектор (Throttle Body & Intake Manifold)

Дроссель & Переключатель сцепления (Throttle & Shift Linkage)

Дроссель & Переключатель сцепления (Throttle & Shift Linkage)

Tiller вышеgrade Systemcheck Жгут проводов Kit (Tiller Upgrade Systemcheck Harness Kit)

Tiller вышеgrade Systemcheck Жгут проводов Kit (Tiller Upgrade Systemcheck Harness Kit)

Tiller вышеgrade Kit (Tiller Upgrade Kit)

Tiller вышеgrade Kit (Tiller Upgrade Kit)

Trim & Tilt Hydraulic Assembly (Trim & Tilt Hydraulic Assembly)

Trim & Tilt Hydraulic Assembly (Trim & Tilt Hydraulic Assembly)

Trim & Tilt Реле (Trim & Tilt Relay)

Trim & Tilt Реле (Trim & Tilt Relay)

верхний  Двигатель Крепление (Upper Engine Mount)

верхний Двигатель Крепление (Upper Engine Mount)

верхний  Крышка двигателя (капот) (Upper Engine Cover)

верхний Крышка двигателя (капот) (Upper Engine Cover)

evinrude

Время выполнения запроса 0.32392501831055 сек.


 
 

данный сайт носит информационный характер и не является публичной офертой

склад запчастей для водомоторной техники