вконтакте

Контактный телефон: +7 (981) 121-46-93, +7 (800) 200-90-76 , Email: parts-katalog@yandex.ru, где купить

 
 

  Логин:

Пароль:

Регистрация

www.partskatalog.ru Все каталоги Запчасти Mercury Запчасти Suzuki Запчасти Tohatsu Запчасти Honda Контакты


Вернуться к началу выбора


Мощность Вашего двигателя: 100 л.с.

Год выпуска: 2005 год

Тип двигателя: 1217

Модификация двигателя: Evinrude E100FPLSOC

   Выберите раздел

найти расходники на лодочные моторы Evinrude


Выберите раздел

Aluminum Гребной винтs & Hardware 40-140hp (large Hub Редуктор) 2 Stroke (Aluminum Propellers & Hardware 40-140hp (large Hub Gearcase) 2 Stroke)

Aluminum Гребной винтs & Hardware 40-140hp (large Hub Редуктор) 2 Stroke (Aluminum Propellers & Hardware 40-140hp (large Hub Gearcase) 2 Stroke)

Коленвал & Поршни (Crankshaft & Pistons)

Коленвал & Поршни (Crankshaft & Pistons)

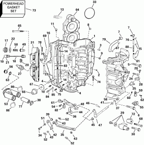
Цилиндр & Картер двигателя (Cylinder & Crankcase)

Цилиндр & Картер двигателя (Cylinder & Crankcase)

Наклейки голубой Models (Decals Blue Models)

Наклейки голубой Models (Decals Blue Models)

Наклейки белый Models (Decals White Models)

Наклейки белый Models (Decals White Models)

Dual Рулевая система Коннектор Kit (Dual Steering Connector Kit)

Dual Рулевая система Коннектор Kit (Dual Steering Connector Kit)

Электростартер (Electric Starter)

Электростартер (Electric Starter)

Электрика System (Electrical System)

Электрика System (Electrical System)

Крышка двигателя (капот) (Engine Cover)

Крышка двигателя (капот) (Engine Cover)

Двигатель Электрика - жгут проводов Assembly (Engine Electrical Harness Assembly)

Двигатель Электрика - жгут проводов Assembly (Engine Electrical Harness Assembly)

Удлинитель корпуса (Exhaust Housing)

Удлинитель корпуса (Exhaust Housing)

Fuel Components (Fuel Components)

Fuel Components (Fuel Components)

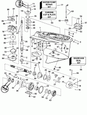
Редуктор - Fpl, Fsl Models (Gearcase - Fpl, Fsl Models)

Редуктор - Fpl, Fsl Models (Gearcase - Fpl, Fsl Models)

Впускной коллектор (Intake Manifold)

Впускной коллектор (Intake Manifold)

Литература (Literature)

Литература (Literature)

Нижняя крышка двигателя (Lower Engine Cover)

Нижняя крышка двигателя (Lower Engine Cover)

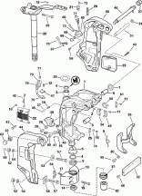
Midsection (Midsection)

Midsection (Midsection)

Oil Components (Oil Components)

Oil Components (Oil Components)

Краска (Paint)

Краска (Paint)

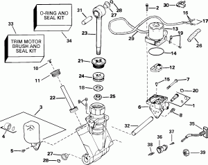
Механизированный дифферент наклона Hydraulic Assembly (Power Trim/tilt Hydraulic Assembly)

Механизированный дифферент наклона Hydraulic Assembly (Power Trim/tilt Hydraulic Assembly)

Stainless Steel 3 Blade Гребной винтs & Hardware 40-140hp (large Hub Редуктор) 2 Stroke (Stainless Steel 3 Blade Propellers & Hardware 40-140hp (large Hub Gearcase) 2 Stroke)

Stainless Steel 3 Blade Гребной винтs & Hardware 40-140hp (large Hub Редуктор) 2 Stroke (Stainless Steel 3 Blade Propellers & Hardware 40-140hp (large Hub Gearcase) 2 Stroke)

Stainless Steel 4 Blade Гребной винтs & Hardware (v4 Style Редуктор) 2 Stroke (Stainless Steel 4 Blade Propellers & Hardware (v4 Style Gearcase) 2 Stroke)

Stainless Steel 4 Blade Гребной винтs & Hardware (v4 Style Редуктор) 2 Stroke (Stainless Steel 4 Blade Propellers & Hardware (v4 Style Gearcase) 2 Stroke)

Рулевая система Соединитель Kit (Steering Link Kit)

Рулевая система Соединитель Kit (Steering Link Kit)

Соединитель дросселяage (Throttle Linkage)

Соединитель дросселяage (Throttle Linkage)

evinrude

Время выполнения запроса 0.28238391876221 сек.


 
 

данный сайт носит информационный характер и не является публичной офертой

склад запчастей для водомоторной техники