вконтакте

Контактный телефон: +7 (981) 121-46-93, +7 (800) 200-90-76 , Email: parts-katalog@yandex.ru, где купить

 
 

  Логин:

Пароль:

Регистрация

www.partskatalog.ru Все каталоги Запчасти Mercury Запчасти Suzuki Запчасти Tohatsu Запчасти Honda Контакты



УВАЖАЕМЫЕ КЛИЕНТЫ!
C 19 ДЕКАБРЯ 2025 ПО 02 МАРТА 2026 ГОДА ОТДЕЛ ЗАПЧАСТЕЙ И СЕРВИС РАБОТАТЬ НЕ БУДУТ
ПРОДАЖА ЛОДОЧНЫХ МОТОРОВ В ШТАТНОМ РЕЖИМЕ
ОБ ИЗМЕНЕНИЯХ В ГРАФИКЕ РАБОТЫ ЧИТАЙТЕ НА САЙТА




Вернуться к началу выбора


Мощность Вашего двигателя: 200 л.с.

Год выпуска: 2005 год

Тип двигателя: 1212

Модификация двигателя: Evinrude E200FCXSOE

   Выберите раздел

найти расходники на лодочные моторы Evinrude


Выберите раздел

Aluminum Гребной винтs & Hardware V6 & V8 Редуктор (2 Stroke) (Aluminum Propellers & Hardware V6 & V8 Gearcase (2 Stroke))

Aluminum Гребной винтs & Hardware V6 & V8 Редуктор (2 Stroke) (Aluminum Propellers & Hardware V6 & V8 Gearcase (2 Stroke))

Коленвал и Поршни (Crankshaft And Pistons)

Коленвал и Поршни (Crankshaft And Pistons)

Цилиндр & Картер двигателя (Cylinder & Crankcase)

Цилиндр & Картер двигателя (Cylinder & Crankcase)

Наклейка Accessory Set - голубой Models (Decal Accessory Set - Blue Models)

Наклейка Accessory Set - голубой Models (Decal Accessory Set - Blue Models)

Наклейка Accessory Set - белый Models (Decal Accessory Set - White Models)

Наклейка Accessory Set - белый Models (Decal Accessory Set - White Models)

Наклейки - голубой Models (Decals - Blue Models)

Наклейки - голубой Models (Decals - Blue Models)

Наклейки - белый Models (Decals - White Models)

Наклейки - белый Models (Decals - White Models)

Dual Рулевая система Коннектор Kit (Dual Steering Connector Kit)

Dual Рулевая система Коннектор Kit (Dual Steering Connector Kit)

Электрика System (Electrical System)

Электрика System (Electrical System)

Крышка двигателя (капот) (Engine Cover)

Крышка двигателя (капот) (Engine Cover)

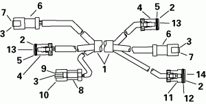
Двигатель Жгут проводов Assembly (Engine Harness Assembly)

Двигатель Жгут проводов Assembly (Engine Harness Assembly)

Удлинитель корпуса (Exhaust Housing)

Удлинитель корпуса (Exhaust Housing)

Удлинитель Кабели (Extension Cable)

Удлинитель Кабели (Extension Cable)

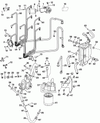
Топливная система (Fuel System)

Топливная система (Fuel System)

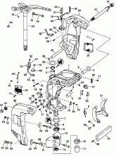
Редуктор - Fcx & Fcz Models (Gearcase - Fcx & Fcz Models)

Редуктор - Fcx & Fcz Models (Gearcase - Fcx & Fcz Models)

Впускной коллектор (Intake Manifold)

Впускной коллектор (Intake Manifold)

Литература (Literature)

Литература (Literature)

Нижняя крышка двигателя (Lower Engine Cover)

Нижняя крышка двигателя (Lower Engine Cover)

Midsection (Midsection)

Midsection (Midsection)

Oil System (Oil System)

Oil System (Oil System)

Краска (Paint)

Краска (Paint)

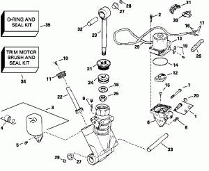
Power trim и Tilt (Power Trim And Tilt)

Power trim и Tilt (Power Trim And Tilt)

Stainless Steel 3 Blade Гребной винтs & Hardware V6 & V8 Редуктор (2 Stroke) (Stainless Steel 3 Blade Propellers & Hardware V6 & V8 Gearcase (2 Stroke))

Stainless Steel 3 Blade Гребной винтs & Hardware V6 & V8 Редуктор (2 Stroke) (Stainless Steel 3 Blade Propellers & Hardware V6 & V8 Gearcase (2 Stroke))

Stainless Steel 4 Blade Гребной винтs & Hardware V6 & V8 Редуктор (2 Stroke) (Stainless Steel 4 Blade Propellers & Hardware V6 & V8 Gearcase (2 Stroke))

Stainless Steel 4 Blade Гребной винтs & Hardware V6 & V8 Редуктор (2 Stroke) (Stainless Steel 4 Blade Propellers & Hardware V6 & V8 Gearcase (2 Stroke))

Stainless Steel Srx Гребной винтs & Hardware V6 & V8 Редуктор (2 Stroke) (Stainless Steel Srx Propellers & Hardware V6 & V8 Gearcase (2 Stroke))

Stainless Steel Srx Гребной винтs & Hardware V6 & V8 Редуктор (2 Stroke) (Stainless Steel Srx Propellers & Hardware V6 & V8 Gearcase (2 Stroke))

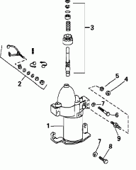
Двигатель стартера (Starter Motor)

Двигатель стартера (Starter Motor)

Рулевая система Соединитель Kit (Steering Link Kit)

Рулевая система Соединитель Kit (Steering Link Kit)

evinrude

Время выполнения запроса 0.26631283760071 сек.


 
 

данный сайт носит информационный характер и не является публичной офертой

склад запчастей для водомоторной техники