вконтакте

Контактный телефон: +7 (981) 121-46-93, +7 (800) 200-90-76 , Email: parts-katalog@yandex.ru, где купить

 
 

  Логин:

Пароль:

Регистрация

www.partskatalog.ru Все каталоги Запчасти Mercury Запчасти Suzuki Запчасти Tohatsu Запчасти Honda Контакты



УВАЖАЕМЫЕ КЛИЕНТЫ!
C 19 ДЕКАБРЯ 2025 ПО 02 МАРТА 2026 ГОДА ОТДЕЛ ЗАПЧАСТЕЙ И СЕРВИС РАБОТАТЬ НЕ БУДУТ
ПРОДАЖА ЛОДОЧНЫХ МОТОРОВ В ШТАТНОМ РЕЖИМЕ
ОБ ИЗМЕНЕНИЯХ В ГРАФИКЕ РАБОТЫ ЧИТАЙТЕ НА САЙТА




Вернуться к началу выбора


Мощность Вашего двигателя: 40 л.с.

Год выпуска: 2015 год

Тип двигателя: 1022

Модификация двигателя: Evinrude E40DHSLAFA - ITALY ONLY

   Выберите раздел

найти расходники на лодочные моторы Evinrude


Выберите раздел

00_Запчасти в коробках, поставляемые с двигателем (00_in-box Parts Shipped With Engine)

00_Запчасти в коробках, поставляемые с двигателем (00_in-box Parts Shipped With Engine)

00_Литература (00_literature)

00_Литература (00_literature)

00_Краска (00_paint)

00_Краска (00_paint)

00_Чертежи профиля (dp, Ds, Dt) (00_profile Drawing (dp, Ds, Dt))

00_Чертежи профиля (dp, Ds, Dt) (00_profile Drawing (dp, Ds, Dt))

01-1_Наклейки (01-1_decals)

01-1_Наклейки (01-1_decals)

01-2_Крышка двигателя (капот) (01-2_engine Cover)

01-2_Крышка двигателя (капот) (01-2_engine Cover)

01-3_Нижняя крышка двигателя (01-3_lower Engine Cover)

01-3_Нижняя крышка двигателя (01-3_lower Engine Cover)

01-4_air Глушитель (01-4_air Silencer)

01-4_air Глушитель (01-4_air Silencer)

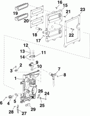
02-0_Электрика - жгут проводов (02-0_electrical Harness)

02-0_Электрика - жгут проводов (02-0_electrical Harness)

02-1_Электростартер & Solenoid (02-1_electric Starter & Solenoid)

02-1_Электростартер & Solenoid (02-1_electric Starter & Solenoid)

02-2_trim & Tilt Реле (02-2_trim & Tilt Relay)

02-2_trim & Tilt Реле (02-2_trim & Tilt Relay)

02-3_emm, Статор, Маховик (02-3_emm, Stator, Flywheel)

02-3_emm, Статор, Маховик (02-3_emm, Stator, Flywheel)

02-4_Датчики (02-4_sensors)

02-4_Датчики (02-4_sensors)

02-5_Катушка зажигания (02-5_ignition Coil)

02-5_Катушка зажигания (02-5_ignition Coil)

03-1_Топливный фильтр (03-1_fuel Filter)

03-1_Топливный фильтр (03-1_fuel Filter)

03-2_Лифтовый топливный насос (03-2_fuel Lift Pump)

03-2_Лифтовый топливный насос (03-2_fuel Lift Pump)

03-3_Топливный насос & Пароотделитель (03-3_fuel Pump & Vapor Separator)

03-3_Топливный насос & Пароотделитель (03-3_fuel Pump & Vapor Separator)

03-5_Топливный инжектор (03-5_fuel Injector)

03-5_Топливный инжектор (03-5_fuel Injector)

03-6_Масляный бак & Помпа (03-6_oil Tank & Pump)

03-6_Масляный бак & Помпа (03-6_oil Tank & Pump)

04-3_Дроссель & Переключатель сцепления (04-3_throttle & Shift Linkage)

04-3_Дроссель & Переключатель сцепления (04-3_throttle & Shift Linkage)

05-1_Впускной коллектор в сборе (05-1_intake Manifold Assembly)

05-1_Впускной коллектор в сборе (05-1_intake Manifold Assembly)

05-2_Коленвал & Поршни (05-2_crankshaft & Pistons)

05-2_Коленвал & Поршни (05-2_crankshaft & Pistons)

05-3_Цилиндр & Картер двигателя (05-3_cylinder & Crankcase)

05-3_Цилиндр & Картер двигателя (05-3_cylinder & Crankcase)

05-4_Головка блока цилиндра & Термостат (05-4_cylinder Head & Thermostat)

05-4_Головка блока цилиндра & Термостат (05-4_cylinder Head & Thermostat)

05-5_Cистема рециркуляции масла (05-5_oil Recirculation System)

05-5_Cистема рециркуляции масла (05-5_oil Recirculation System)

05-7_Шланги охлаждения (05-7_cooling Hoses)

05-7_Шланги охлаждения (05-7_cooling Hoses)

05-8_Прокладка & Комплект сальников (05-8_gasket & Seal Kit)

05-8_Прокладка & Комплект сальников (05-8_gasket & Seal Kit)

06-1_Удлинитель корпуса (06-1_exhaust Housing)

06-1_Удлинитель корпуса (06-1_exhaust Housing)

06-3_Поворотный кронштейн (dp, Ds, Dt) (06-3_swivel Bracket (dp, Ds, Dt))

06-3_Поворотный кронштейн (dp, Ds, Dt) (06-3_swivel Bracket (dp, Ds, Dt))

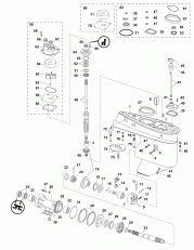
07-1_Редуктор, F-type (07-1_gearcase, F-type)

07-1_Редуктор, F-type (07-1_gearcase, F-type)

07-2_Арматура гребного винта (07-2_propeller Hardware)

07-2_Арматура гребного винта (07-2_propeller Hardware)

08-1_trim & Tilt Hydraulic Assembly (08-1_trim & Tilt Hydraulic Assembly)

08-1_trim & Tilt Hydraulic Assembly (08-1_trim & Tilt Hydraulic Assembly)

evinrude

Время выполнения запроса 0.28880000114441 сек.


 
 

данный сайт носит информационный характер и не является публичной офертой

склад запчастей для водомоторной техники