вконтакте

Контактный телефон: +7 (981) 121-46-93, +7 (800) 200-90-76 , Email: parts-katalog@yandex.ru, где купить

 
 

  Логин:

Пароль:

Регистрация

www.partskatalog.ru Все каталоги Запчасти Mercury Запчасти Suzuki Запчасти Tohatsu Запчасти Honda Контакты



УВАЖАЕМЫЕ КЛИЕНТЫ!
C 19 ДЕКАБРЯ 2025 ПО 02 МАРТА 2026 ГОДА ОТДЕЛ ЗАПЧАСТЕЙ И СЕРВИС РАБОТАТЬ НЕ БУДУТ
ПРОДАЖА ЛОДОЧНЫХ МОТОРОВ В ШТАТНОМ РЕЖИМЕ
ОБ ИЗМЕНЕНИЯХ В ГРАФИКЕ РАБОТЫ ЧИТАЙТЕ НА САЙТА




Выбрать другую модель

Раздел:   вперёд

вернуться к списку узлов и деталей

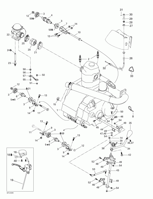
ДЕТАЛИРОВКА ДЛЯ МОДЕЛИ: BRP ATV Traxter XL, 7571, 2003

Раздел: Двигатель | Engine


Мотовездеход  Traxter XL, 7571, 2003 - Двигатель

Номер на
рисунке
АртикулНаименованиеКол-во
на складе
Цена
1 707000041

Rotax 4 Strokes Двигатель <<511>> (Rotax 4 Strokes Engine <<511>>)

под заказ755300 руб.
2 707000008

Свеча зажигания (NGK / DR8EA) (Spark Plug (NGK / DR8EA))

под заказ270 руб.
2 711297543

(последний код) Свеча зажигания (NGK / DR8EA) (Spark Plug (NGK / DR8EA))

под заказ230 руб.
3 707000094

Anti-Vibration Крепление (Anti-Vibration Mount)

под заказ2870 руб.
4 707000019

Sвышеport Втулка (Support Bushing)

под заказ6460 руб.
5 707000030

Sвышеport Втулка. Includes 5 - 6. (Support Bushing. Includes 5 - 6.)

под заказ3590 руб.
6 707000004

нижний Втулка R.H (Lower Bushing R.H)

под заказ1000 руб.
7 707000082

Кронштейн двигателя (Engine Bracket)

под заказ1370 руб.
8 293750009

Tie-Rap 160 mm (Tie-Rap 160 mm)

под заказ140 руб.
9 705200197

Кронштейн двигателя (Engine Bracket)

под заказ1500 руб.
9 705200076

(последний код) Кронштейн двигателя (Engine Bracket)

под заказ1360 руб.
10 230604044

Hex. Фланецd Винт M10 x 140 (Hex. Flanged Screw M10 x 140)

под заказ460 руб.
11 207609544

Hex. Фланецd Винт M10 x 95 (Hex. Flanged Screw M10 x 95)

под заказ580 руб.
12 233201414

Elastic Фланецd Stop Гайка M10 (Elastic Flanged Stop Nut M10)

под заказ280 руб.
12 228701045

(последний код) Elastic Фланецd Stop Гайка M10 (Elastic Flanged Stop Nut M10)

под заказ220 руб.
13 207682044

Hex. Фланецd Винт M8 x 20 (Hex. Flanged Screw M8 x 20)

под заказ290 руб.
13 732601285

(последний код) Hex. Фланецd Винт M8 x 20 (Hex. Flanged Screw M8 x 20)

под заказ230 руб.
14 233281414

Elastic Фланецd Stop Гайка M8 (Elastic Flanged Stop Nut M8)

под заказ290 руб.
14 M33201

(последний код)

под заказпо запросу
15 705600232

Кабели Зажим (Cable Clip)

под заказ760 руб.
16 709400016

Дроссель Handle (Throttle Handle)

под заказ5840 руб.
17 250000017

Установочный винт M5 x 20 (S. Рукоятка) (Set Screw M5 x 20 (S. Grip))

под заказ230 руб.
18 293800061

Loctite чёрный MAX Gel Трубка, 20g (Loctite BLACK MAX Gel Tube, 20g)

под заказпо запросу
19 707000097

Trottle Кабели (Trottle Cable)

под заказ6760 руб.
19 709400060

(последний код) Trottle Кабели (Trottle Cable)

под заказ4940 руб.
20 707000247

Карбюратор Адаптер (Carburetor Adaptor)

под заказ3010 руб.
20 707000037

(последний код) Карбюратор Адаптер (Carburetor Adaptor)

под заказ2360 руб.
21 512059062

Струбцина (Clamp)

под заказ560 руб.
21 293650157

(последний код) Струбцина (Clamp)

под заказ720 руб.
22 707200157

Карбюратор BSR 33-29 (Carburetor BSR 33-29)

под заказ47300 руб.
22 707000114

(последний код) Карбюратор BSR 33-29 (Carburetor BSR 33-29)

под заказ33800 руб.
23 275500398

Обратный клапан (Check Valve)

под заказ860 руб.
23 414824700

(последний код) Обратный клапан (Check Valve)

под заказ680 руб.
24 413708300

Loctite 454 (Loctite 454)

под заказ7330 руб.
24 293800071

(последний код) Loctite 454 (Loctite 454)

под заказ5730 руб.
25 293650094

Шестерня Струбцина (Gear Clamp)

под заказ1230 руб.
25 293650156

(последний код) Шестерня Струбцина (Gear Clamp)

под заказ580 руб.
26 707000264

Choke Кабели (Choke Cable)

под заказ3710 руб.
26 707000357

(последний код) Choke Кабели (Choke Cable)

под заказ5180 руб.
27 707000067

D" Shape Шайба``` (D" Shape Washer```)

под заказ580 руб.
28 707000087

Колпачок Держатель (Cap Holder)

под заказ430 руб.
29 707000088

Резиновый колпачок (Rubber Cap)

под заказ860 руб.
30 707000089

Button (Button)

под заказ450 руб.
31 250000108

Socket Винт M3 x 0.5 (Socket Screw M3 x 0.5)

под заказ290 руб.
32 293300075

Уплотнительное кольцо (O-ring)

под заказ580 руб.
33 414115200

Tie-Rap 180 mm (Tie-Rap 180 mm)

под заказ130 руб.
33 414587300

(последний код) Tie-Rap 180 mm (Tie-Rap 180 mm)

под заказ110 руб.
34 707000010

Рычаг в сборе (Lever Assy)

под заказ3450 руб.
35 705500022

Рычаг Button (Lever Button)

под заказ1690 руб.
36 293800041

Loctite-Primer N (Loctite-Primer N)

под заказ3460 руб.
36 413708100

(последний код) Loctite-Primer N (Loctite-Primer N)

под заказ2920 руб.
37 293800060

Loctite 243, 10 ml (Loctite 243, 10 ml)

под заказ2150 руб.
37 420897651

(последний код) Loctite 243, 10 ml (Loctite 243, 10 ml)

под заказпо запросу
38 705500150

Aluminum Втулка (Aluminum Bushing)

под заказ1440 руб.
39 705500193

Nylon Втулка (Nylon Bushing)

под заказ720 руб.
39 705500023

(последний код) Nylon Втулка (Nylon Bushing)

под заказ560 руб.
40 205353060

Socket Винт M5 x 30 (Socket Screw M5 x 30)

под заказ290 руб.
40 211000102

(последний код) Socket Винт M5 x 30 (Socket Screw M5 x 30)

под заказ110 руб.
41 705500024

Рычаг Пружина (Lever Spring)

под заказ1440 руб.
42 207685044

Hex. Фланецd Винт M8 x 50 (Hex. Flanged Screw M8 x 50)

под заказ290 руб.
43 705500358

верхний Трубка (Upper Tube)

под заказ5200 руб.
43 705500134

(последний код) верхний Трубка (Upper Tube)

под заказ4070 руб.
44 705500135

нижний Трубка (Lower Tube)

под заказ5580 руб.
45 207663544

Hex. Фланецd Винт M6 x 35 (Hex. Flanged Screw M6 x 35)

под заказ290 руб.
46 705500041

Струбцина Фиксатор (Clamp Retainer)

под заказ180 руб.
47 707000080

Регулировочная шайба 1.0 mm (Shim 1.0 mm)

под заказ400 руб.
48 707000081

Регулировочная шайба 2.0 mm (Shim 2.0 mm)

под заказ400 руб.
49 705500033

Half Кольцо (Half Ring)

под заказ160 руб.
50 207662044

Hex. Фланецd Винт M6 X 20 (Hex. Flanged Screw M6 X 20)

под заказ290 руб.
51 233261414

Elastic Фланецd Гайка M6 (Elastic Flanged Nut M6)

под заказ290 руб.
51 M33200

(последний код)

под заказпо запросу
52 207661644

Hex. Фланецd Винт M6 x 16 (Hex. Flanged Screw M6 x 16)

под заказ280 руб.
53 707000068

Tie-Тяга в сборе (Tie-Rod Assy)

под заказпо запросу
54 233261414

Elastic Фланецd Stop Гайка M6 (Elastic Flanged Stop Nut M6)

под заказ290 руб.
54 M33200

(последний код)

под заказпо запросу
55 207341644

Шестигранный винт (Scotch Рукоятка) M4 x 16 (Hex. Screw (Scotch Grip) M4 x 16)

под заказ230 руб.
56 707000181

Проставка (Spacer)

под заказ430 руб.
57 707200159

Carburator Sвышеport (Carburator Support)

под заказ690 руб.
58 293720053

Пыльник (Grommet)

под заказ260 руб.
58 709000582

(последний код) Пыльник (Grommet)

под заказ310 руб.
58 SM-12511

   (не оригинальный аналог) Втулка резиновая BRP SM-12511

под заказ160 руб.
59 293550010

Synthetic Смазка, 400 g (Synthetic Grease, 400 g)

под заказ2490 руб.
59 293550018

(последний код) Synthetic Смазка, 400 g (Synthetic Grease, 400 g)

под заказ1950 руб.
brp atv

Время выполнения запроса 5.5161838531494 сек.


 
 

данный сайт носит информационный характер и не является публичной офертой

склад запчастей для водомоторной техники