вконтакте

Контактный телефон: +7 (981) 121-46-93, +7 (800) 200-90-76 , Email: parts-katalog@yandex.ru, где купить

 
 

  Логин:

Пароль:

Регистрация

www.partskatalog.ru Все каталоги Запчасти Mercury Запчасти Suzuki Запчасти Tohatsu Запчасти Honda Контакты



УВАЖАЕМЫЕ КЛИЕНТЫ!
C 19 ДЕКАБРЯ 2025 ПО 02 МАРТА 2026 ГОДА ОТДЕЛ ЗАПЧАСТЕЙ И СЕРВИС РАБОТАТЬ НЕ БУДУТ
ПРОДАЖА ЛОДОЧНЫХ МОТОРОВ В ШТАТНОМ РЕЖИМЕ
ОБ ИЗМЕНЕНИЯХ В ГРАФИКЕ РАБОТЫ ЧИТАЙТЕ НА САЙТА




Выбрать другую модель

Раздел:   вперёд

вернуться к списку узлов и деталей

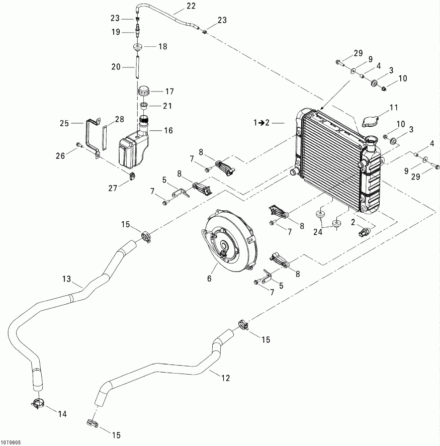
ДЕТАЛИРОВКА ДЛЯ МОДЕЛИ: BRP ATV Outlander 400 XT 4 X 4, 2006

Раздел: Охлаждение System | Cooling System


Мотовездеход BRP модель Outlander 400 XT 4 X 4, 2006 - Охлаждение System

Номер на
рисунке
АртикулНаименованиеКол-во
на складе
Цена
1 709200149

Radiator в сборе. Includes 1 to 2 (Radiator Assy. Includes 1 to 2)

под заказ28400 руб.
2 709200089

температура Датчик (Temperature Sensor)

под заказ4380 руб.
2 715900095

(последний код) температура Датчик (Temperature Sensor)

под заказ5600 руб.
3 293720053

Пыльник (Grommet)

под заказ260 руб.
3 709000582

(последний код) Пыльник (Grommet)

под заказ310 руб.
3 SM-12511

   (не оригинальный аналог) Втулка резиновая BRP SM-12511

под заказ160 руб.
4 293900045

Втулка (Bushing)

под заказ430 руб.
4 512045400

(последний код) Втулка (Bushing)

под заказ400 руб.
5 705000677

Inner Fender Sвышеport (Inner Fender Support)

под заказ860 руб.
6 709200158

Fan в сборе (Fan Assy)

под заказ20400 руб.
7 207562544

Hex Фланецd Винт M6 X 25, Scotch Рукоятка (Hex Flanged Screw M6 X 25, Scotch Grip)

под заказ290 руб.
8 709200159

Fan Sвышеport (Fan Support)

под заказ430 руб.
9 391302000

плоский Шайба (Flat Washer)

под заказ210 руб.
9 250200082

(последний код) плоский Шайба (Flat Washer)

под заказ270 руб.
10 233261414

Hex Фланецd Elastic Гайка M6 (Hex Flanged Elastic Nut M6)

под заказ290 руб.
10 M33200

(последний код)

под заказпо запросу
11 709200033

Pressure Колпачок (Pressure Cap)

под заказ1120 руб.
11 709200207

(последний код) Pressure Колпачок (Pressure Cap)

под заказ1400 руб.
12 709200077

Radiator вход Шланг (Radiator Inlet Hose)

под заказ3310 руб.
13 709200123

Radiator выход Шланг (Radiator Outlet Hose)

под заказ5230 руб.
14 293650108

Norma Пружина Струбцина (Norma Spring Clamp)

под заказ570 руб.
15 293650109

Norma Пружина Струбцина (Norma Spring Clamp)

под заказ500 руб.
16 709200099

Coolant Tank (Coolant Tank)

под заказ5030 руб.
16 709200065

(последний код) Coolant Tank (Coolant Tank)

под заказ3930 руб.
17 709200009

Tank Колпачок (Tank Cap)

под заказ960 руб.
18 570135100

Пыльник (Grommet)

под заказ560 руб.
18 709200285

(последний код) Пыльник (Grommet)

под заказ720 руб.
19 414580600

Elbow Male Коннектор (Elbow Male Connector)

под заказ430 руб.
19 414362500

(последний код) Elbow Male Коннектор (Elbow Male Connector)

под заказ340 руб.
20 415110000

Polyurethane Шланг 5.2 mm (Polyurethane Hose 5.2 mm)

под заказ280 руб.
20 709000017

(последний код) Polyurethane Шланг 5.2 mm (Polyurethane Hose 5.2 mm)

под заказ220 руб.
21 709200034

Protection Колпачок (Protection Cap)

под заказ230 руб.
21 709200205

(последний код) Protection Колпачок (Protection Cap)

под заказ290 руб.
22 415110000

Polyurethane Шланг 5.2 mm (Polyurethane Hose 5.2 mm)

под заказ280 руб.
22 709000017

(последний код) Polyurethane Шланг 5.2 mm (Polyurethane Hose 5.2 mm)

под заказ220 руб.
23 414554800

Universal Пружина Струбцина (Universal Spring Clamp)

под заказ140 руб.
23 414278600

(последний код) Universal Пружина Струбцина (Universal Spring Clamp)

под заказ110 руб.
24 570135100

Пыльник (Grommet)

под заказ560 руб.
24 709200285

(последний код) Пыльник (Grommet)

под заказ720 руб.
25 709200080

Radiator Anchor (Radiator Anchor)

под заказ140 руб.
26 210261680

Hex Фланецd дляming Винт M6 X 16 (Hex Flanged Forming Screw M6 X 16)

под заказ250 руб.
26 732600002

(последний код) Hex Фланецd дляming Винт M6 X 16 (Hex Flanged Forming Screw M6 X 16)

под заказ230 руб.
27 250000048

Panel Гайка M6 X 1.0 (Panel Nut M6 X 1.0)

под заказ250 руб.
27 250100113

(последний код) Panel Гайка M6 X 1.0 (Panel Nut M6 X 1.0)

под заказ250 руб.
28 293250087

Прокладка (Gasket)

под заказ580 руб.
29 207662544

Hex Фланецd Винт M6 x 25 (Hex Flanged Screw M6 x 25)

под заказ290 руб.
29 420940568

(последний код) Hex Фланецd Винт M6 x 25 (Hex Flanged Screw M6 x 25)

под заказ230 руб.
brp atv

Время выполнения запроса 1.8640699386597 сек.


 
 

данный сайт носит информационный характер и не является публичной офертой

склад запчастей для водомоторной техники