Выбрать другую модель
вернуться к списку узлов и деталей ДЕТАЛИРОВКА ДЛЯ МОДЕЛИ: BRP ATV DS 250 NA / Inter, 2007
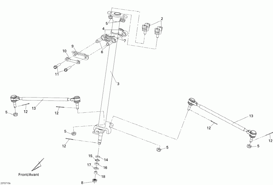
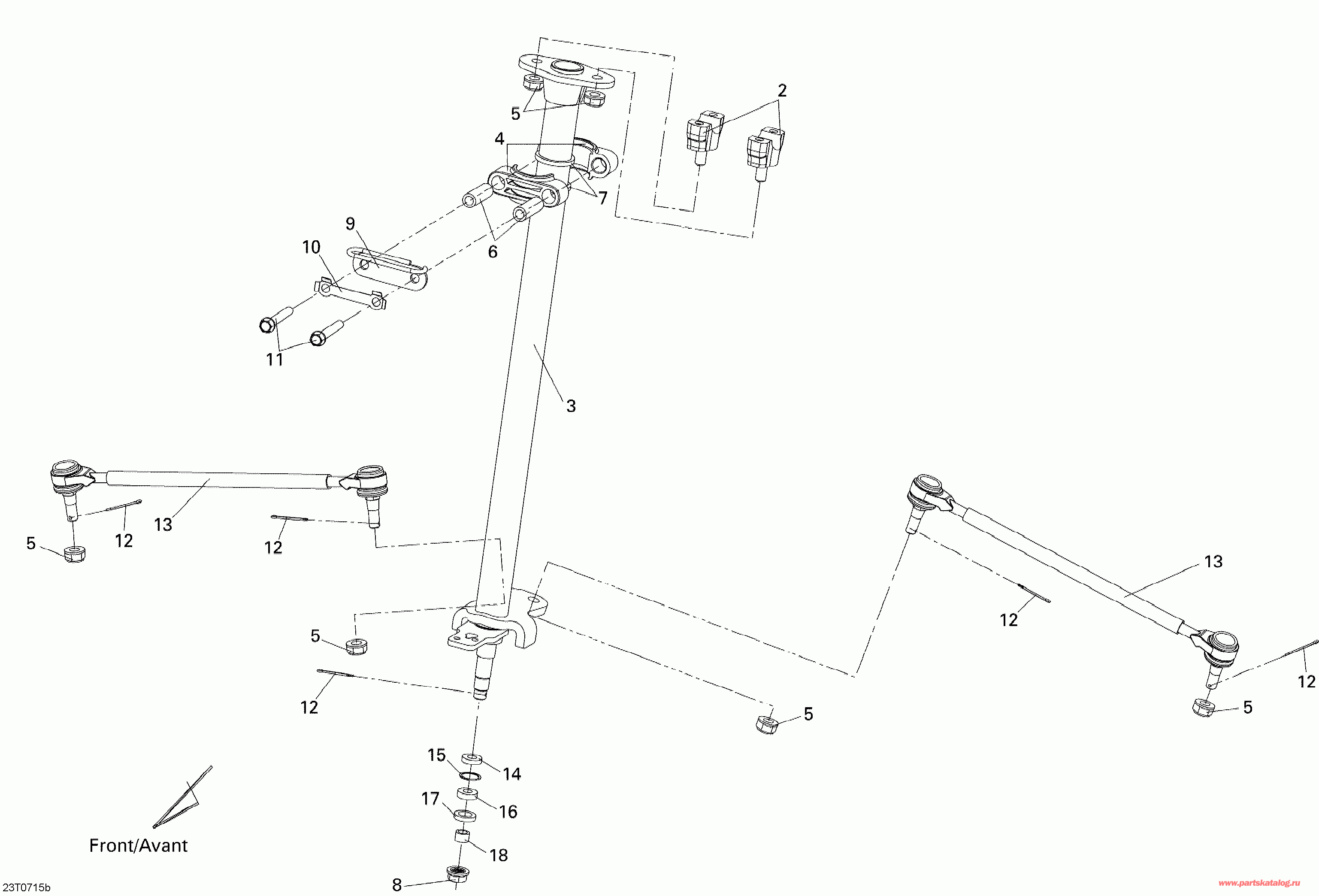
Раздел: Рулевая система Подъемный механизм | Steering Linkage
Номер на рисунке | Артикул | Наименование | Кол-во на складе | Цена |
| 2 | S53121RCA000 | Handle Bar Bottom Струбцина (Handle Bar Bottom Clamp) | под заказ | 1690 руб. | |
| 3 | S53200RCA000 | Рулевая система Column (Steering Column) | под заказ | 11560 руб. | |
| 4 | S53202RCA000 | Half Втулка (Half Bushing) | под заказ | 1510 руб. | |
| 5 | S90304M9Q800 | Hex. Фланецd Гайка 10 mm (Hex. Flanged Nut 10 mm) | под заказ | 610 руб. | |
| 6 | S53203RCA000 | Втулка (Bushing) | под заказ | 450 руб. | |
| 7 | S91208RCA000 | Сальник (Oil Seal) | под заказ | 910 руб. | |
| 8 | S90305GW0901A | Self Стопорная гайка 14 mm (Self Lock Nut 14 mm) | под заказ | 460 руб. | |
| 9 | S53204RCA000 | Рулевая система Column Держатель Пластина (Steering Column Holder Plate) | под заказ | 770 руб. | |
| 10 | S53206RCA000 | Lock Tab (Lock Tab) | под заказ | 460 руб. | |
| 11 | S958010806007 | Фланецd Болт M8 X 60 (Flanged Bolt M8 X 60) | под заказ | 300 руб. | |
| 12 | S9420125250 | Шплинт (Split Pin) | под заказ | 150 руб. | |
| 13 | S50258RCA000 | Tie-Тяга в сборе (Tie-rod Assy) | под заказ | 6820 руб. | |
| 14 | S91210RCA000 | Сальник (Oil Seal) | под заказ | 610 руб. | |
| 15 | S9452032000 | Стопорное кольцо (Circlip) | под заказ | 300 руб. | |
| 16 | S961306002310 | Шариковый подшипник (Ball Bearing) | под заказ | 1360 руб. | |
| 17 | S91211RCA000 | Сальник (Oil Seal) | под заказ | 1360 руб. | |
| 18 | S53207RCA000 | Рулевая система Column Воротник (Steering Column Collar) | под заказ | 770 руб. | |

Время выполнения запроса 1.2937030792236 сек.
|