вконтакте

Контактный телефон: +7 (981) 121-46-93, +7 (800) 200-90-76 , Email: parts-katalog@yandex.ru, где купить

 
 
Главная Как заказать Каталоги Контакты

  Логин:

Пароль:

Регистрация

Узнать наличие и цену запчасти:


УВАЖАЕМЫЕ КЛИЕНТЫ!
C 19 ДЕКАБРЯ 2025 ПО 02 МАРТА 2026 ГОДА ОТДЕЛ ЗАПЧАСТЕЙ И СЕРВИС РАБОТАТЬ НЕ БУДУТ
ПРОДАЖА ЛОДОЧНЫХ МОТОРОВ В ШТАТНОМ РЕЖИМЕ
ОБ ИЗМЕНЕНИЯХ В ГРАФИКЕ РАБОТЫ ЧИТАЙТЕ НА САЙТА



Лодочные моторы :: Suzuki :: Двухтактные :: Suzuki DT-30 LK11 2011


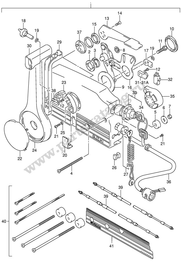
АКСЕССУАРЫ НА ПОДВЕСНОЙ МОТОР SUZUKI DT30 LK11 2011
ДИСТАНЦИОННОЕ УПРАВЛЕНИЕ
(OPTION - REMOTE CONTROL)

дистанционное управление для suzuki dt30 lk11 2011

Чтобы узнать цену, наличие запасной части на складе или купить, нажмите ссылку "запросить цену". Чтобы посмотреть подробную информацию и фотографии, нажмите на код запчасти. Для запчастей со статусом "не поставляется" можете попробовать уточнить возможность поставки.

все блоки

Номер
на чертеже
Код по каталогуНазвание (eng)Название (rus)Цена
00167200-97E20-0ED

REMOTE CONTROL BOX (GRAY)

Дистанционное управление в сборе
(серый цвет, стандартное для DT30R)

по запросу
67200-97E20-0EP

REMOTE CONTROL BOX (BLACK) (MODEL:02, 03)

Дистанционное управление в сборе
(чёрный цвет) (модели 2002-2003 года)

по запросу
67200-93991-0ED

REMOTE CONTROL BOX (GRAY)

Дистанционное управление в сборе
(серый цвет)

по запросу
67200-93991-0EP

REMOTE CONTROL ASSY (BLACK) (MODEL:02, 03)

Дистанционное управление в сборе
(чёрный цвет) (модели 2002-2003 года)

по запросу
00267232-95600-000

BUSH

Втулка

по запросу
00367232-95620-000

BUSH

Втулка

по запросу
00467296-95600-000

SCREW

Винт

по запросу
00567294-95600-000

SPACER

Прокладка

по запросу
00609160-06104-000

WASHER

Шайба

по запросу
00709140-06020-000

NUT

Гайка

по запросу
00867232-95610-000

BUSH

Втулка

по запросу
00967253-95600-000

WASHER

Шайба

по запросу
01067252-95600-000

BUSH

Втулка

по запросу
01109100-08232-000

BOLT

Волт

по запросу
01267296-94300-000

SCREW

Винт

по запросу
01367241-95680-000

LEVER, FREE THROTTLE (GRAY)

Рукоятка дросселя (серый цвет)

по запросу
01409126-05003-000

SCREW

Винт

по запросу
01567243-95600-000

BUSH

Втулка

по запросу
01667220-95620-000

PLATE ASSY

Пластина в сборе

по запросу
01767275-95600-000

END, CABLE

Наконечник кабеля

по запросу
01867223-95600-000

KNOB, BRAKE ADJ

Рукоятка тормоза

по запросу
01967292-94300-000

E RING

Кольцо

по запросу
02067267-95610-000

COVER, WIRE (BLACK)

Крышка проводки (чёрный цвет)

по запросу
02167296-95610-000

SCREW

Винт

по запросу
02267257-95610-000

CAP, LEVER (BLACK)

Крышка рукоятки (чёрный)

по запросу
02367256-95600-000

HOLDER, NEUT LOCK

Держатель блокиратора

по запросу
02467251-95680-000

LEVER, HANDLE (GRAY)

Рукоятка румпеля (серый цвет)

по запросу
02567297-95600-000

WASHER

Шайба

по запросу
02667273-95600-000

SPACER

Прокладка

по запросу
02737820-92E00-000

SWITCH ASSY, EMERGENCY (FOR 67200-97E20)

Переключатель аварийный, в сборе (для 67200-97E20)

по запросу
37820-92E00-000

SWITCH ASSY, EMERGENCY (FOR 67200-93991)

Переключатель аварийный, в сборе (для 67200-93991)

по запросу
02837823-92E00-000

CAP & ROPE

Ключ-чека

по запросу
02967255-95600-000

ARM, NEUTRAL LOCK

Рычаг блокоровки (нейтральный)

по запросу
03067261-95610-000

GRIP

Рукоятка

по запросу
03167214-95600-000

ACTUATOR

Силовой привод

по запросу
031A67238-87D00-000

GEAR, DRIVE

Ведущая шестерня

по запросу
03237721-94600-000

SWITCH, NEUTRAL

Переключатель нейтрали в сборе

по запросу
03337110-92E02-000

SWITCH ASSY, IGNITION (FOR 67200-97E20)

Замок зажигания в сборе (для 67200-97E20)

по запросу
03437141-92E00-000

KEY (11) (FOR 67200-97E20)

Ключ (11) (для 67200-97E20)

по запросу
37141-92E10-000

KEY (12) (FOR 67200-97E20)

Ключ (12) (для 67200-97E20)

по запросу
37141-92E20-000

KEY (13) (FOR 67200-97E20)

Ключ (13) (для 67200-97E20)

по запросу
37141-92E30-000

KEY (14) (FOR 67200-97E20)

Ключ (14) (для 67200-97E20)

по запросу
37141-92E40-000

KEY (15) (FOR 67200-97E20)

Ключ (15) (для 67200-97E20)

по запросу
37141-92E50-000

KEY (16) (FOR 67200-97E20)

Ключ (16) (для 67200-97E20)

по запросу
37141-92E60-000

KEY (17) (FOR 67200-97E20)

Ключ (17) (для 67200-97E20)

по запросу
37141-92E70-000

KEY (18) (FOR 67200-97E20)

Ключ (18) (для 67200-97E20)

по запросу
37141-92E80-000

KEY (19) (FOR 67200-97E20)

Ключ (19) (для 67200-97E20)

по запросу
37141-92E90-000

KEY (20) (FOR 67200-97E20)

Ключ (20) (для 67200-97E20)

по запросу
03538500-92X50-000

BUZZER, WARNING (FOR 67200-97E20)

Зуммер предупреждающий (для 67200-97E20)

по запросу
03636620-95D00-000

WIRING HARNESS 7 WIRES (FOR 67200-97E20)

Жгут проводов (7 жил) (для 67200-97E20)

по запросу
03767245-95600-000

DRUM, FREE THROTTLE

Цилиндр освобождения дросселя

по запросу
03867258-87D00-000

BRACKET, NEUTRAL ARM

Кронштейн рычага нейтрали

по запросу
03967320-93J00-000

CABLE ASSY, REMOCON 8F (2.4M)

Кабель дистанционного управления 8F (2.4M)

по запросу
67320-93J10-000

CABLE ASSY, REMOCON 10F (3.1M)

Кабель дистанционного управления 10F (3.1M)

по запросу
67320-93J20-000

CABLE ASSY, REMOCON 12F (3.7M)

Кабель дистанционного управления 12F (3.7M)

по запросу
67320-93J30-000

CABLE ASSY, REMOCON 14F (4.3M)

Кабель дистанционного управления 14F (4.3M)

по запросу
67320-93J40-000

CABLE ASSY, REMOCON 16F (4.9M)

Кабель дистанционного управления 16F (4.9M)

по запросу
67320-93J50-000

CABLE ASSY, REMOCON 18F (5.5M)

Кабель дистанционного управления 18F (5.5M)

по запросу
67320-93J60-000

CABLE ASSY, REMOCON 20F (6.1M)

Кабель дистанционного управления 20F (6.1M)

по запросу
67320-93J70-000

CABLE ASSY, REMOCON 22F (6.7M)

Кабель дистанционного управления 22F (6.7M)

по запросу
67320-93J80-000

CABLE ASSY, REMOCON 24F (7.3M)

Кабель дистанционного управления 24F (7.3M)

по запросу
04067140-95600-000

ATTACHMENT, TWIN REMOTE CONTROL KIT

Соединительный комплект для двойного
дистанционного управления

по запросу
04167282-95610-000

DECAL, REMOCON BOX PORT (BLACK)

Маркировка слева коробки ДУ (чёрная)

по запросу

Все аксессуары и принадлежности для Suzuki DT30 LK11


 
 

данный сайт носит информационный характер и не является публичной офертой

склад запчастей для водомоторной техники