вконтакте

Контактный телефон: +7 (981) 121-46-93, +7 (800) 200-90-76 , Email: parts-katalog@yandex.ru, где купить

 
 
Главная Как заказать Каталоги Контакты

  Логин:

Пароль:

Регистрация

Узнать наличие и цену запчасти:


УВАЖАЕМЫЕ КЛИЕНТЫ!
C 19 ДЕКАБРЯ 2025 ПО 02 МАРТА 2026 ГОДА ОТДЕЛ ЗАПЧАСТЕЙ И СЕРВИС РАБОТАТЬ НЕ БУДУТ
ПРОДАЖА ЛОДОЧНЫХ МОТОРОВ В ШТАТНОМ РЕЖИМЕ
ОБ ИЗМЕНЕНИЯХ В ГРАФИКЕ РАБОТЫ ЧИТАЙТЕ НА САЙТА



Лодочные моторы :: Suzuki :: Двухтактные :: Suzuki DT30 LK11 E1


ПОДВЕСНОЙ ЛОДОЧНЫЙ МОТОР SUZUKI DT30-LK11-E1
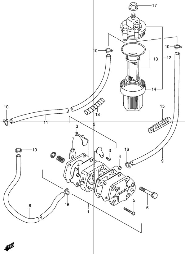
ТОПЛИВНЫЙ НАСОС (FUEL PUMP) ДЛЯ МОДЕЛЕЙ DT25, DT30

на топливный насос suzuki dt30 lk11 e1

Чтобы узнать цену, наличие запасной части на складе или купить, нажмите ссылку "запросить цену". Чтобы посмотреть подробную информацию и фотографии, нажмите на код запчасти. Для запчастей со статусом "не поставляется" можете попробовать уточнить возможность поставки.

все блоки

Номер
на чертеже
Код по каталогуНазвание (eng)Название (rus)Цена
00115100-94311-000

PUMP ASSY, FUEL

Топливный насос в сборе

по запросу
00215170-94320-000

DIAPHRAGM SET

Комплект диафрагмы

по запросу
00315183-94301-000

SCREW

Винт

по запросу
00415186-94300-000

NUT

Гайка

по запросу
00515851-94300-000

SCREW

Винт

по запросу
00601570-06407-000

BOLT

Болт

по запросу
00715321-99710-000

GASKET, FUEL PUMP

Прокладка водяного насоса

по запросу
00809352-50903-600

HOSE (PUMP TO CARB) (L:600->95)

Шланг (от помпы к карбюратору) (L:600->95)

по запросу
00909352-50903-600

HOSE (FILTER TO PUMP) (L:600->95)

Шланг (от фильтра к помпе) (L:600->95)

по запросу
01009401-08410-000

CLIP

репёж

по запросу
01109352-50903-600

HOSE (CONN TO FILTER) (L:600->20)

Шланг (от коннектора до фильтра) (L:600->20)

по запросу
01215410-94400-000

FILTER ASSY, FUEL

Топливный фильтр в сборе

по запросу
01315430-87D10-000

ELEMENT SET

Фильтрующий элемент

по запросу
01415413-87D10-000

CUP

Стакан

по запросу
01529404-93J10-000

CLAMP (L:65) (<-9404-06432)

Струбцина (L:65) (<-9404-06432)

по запросу
01615331-94300-000

CLIP

Крепёж

по запросу
01708316-10087-000

NUT

Гайка

по запросу
01816911-92E20-000

PROTECTOR, FUEL HOSE (L:540->0)

Протектор топливного шланга (L:540->0)

по запросу

Выбрать и купить запчасти для Suzuki DT30 LK11 E1 2011


 
 

данный сайт носит информационный характер и не является публичной офертой

склад запчастей для водомоторной техники