вконтакте

Контактный телефон: +7 (981) 121-46-93, +7 (800) 200-90-76 , Email: parts-katalog@yandex.ru, где купить

 
 
Главная Как заказать Каталоги Контакты

  Логин:

Пароль:

Регистрация

Узнать наличие и цену запчасти:


УВАЖАЕМЫЕ КЛИЕНТЫ!
C 19 ДЕКАБРЯ 2025 ПО 02 МАРТА 2026 ГОДА ОТДЕЛ ЗАПЧАСТЕЙ И СЕРВИС РАБОТАТЬ НЕ БУДУТ
ПРОДАЖА ЛОДОЧНЫХ МОТОРОВ В ШТАТНОМ РЕЖИМЕ
ОБ ИЗМЕНЕНИЯХ В ГРАФИКЕ РАБОТЫ ЧИТАЙТЕ НА САЙТА



Лодочные моторы :: Suzuki :: Двухтактные :: Suzuki DT-30 LK11 E1


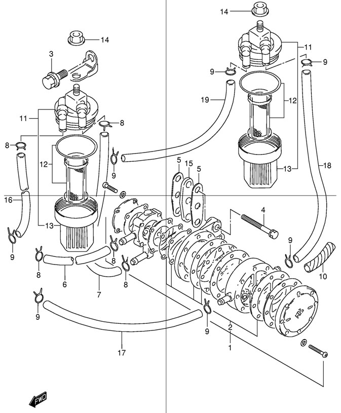
ЗАПЧАСТИ НА ЛОДОЧНЫЙ МОТОР SUZUKI DT-30-LK11-E1
ТОПЛИВНЫЙ НАСОС (FUEL PUMP) ДЛЯ МОДЕЛЕЙ DT25K

каталог suzuki dt 30 lk11 e1, топливный насос для Suzuki DT25K

Чтобы узнать цену, наличие запасной части на складе или купить, нажмите ссылку "запросить цену". Чтобы посмотреть подробную информацию и фотографии, нажмите на код запчасти. Для запчастей со статусом "не поставляется" можете попробовать уточнить возможность поставки.

все блоки

Номер
на чертеже
Код по каталогуНазвание (eng)Название (rus)Цена
00115100-9436V-000

PUMP ASSY, FUEL

Топливный насос в сборе

по запросу
00215170-94460-000

DIAPHRAGM SET

Комплект диафрагмы

по запросу
00301580-08207-000

BOLT

Болт

по запросу
00401570-06307-000

BOLT

Болт

по запросу
01570-06257-000

BOLT (MODEL:06~)

Болт (на модели после 2006 года)

по запросу
00515321-99710-000

GASKET

Прокладка

по запросу
15321-96300-000

GASKET (MODEL:06~)

Прокладка (на модели после 2006 года)

по запросу
00609352-50903-600

HOSE, FUEL (5x9x600) (GASOLINE, L:600->80, PUMP TO CARB)

Топливный шланг (5x9x600) (бензиновый, L:600->80, от помпы к карбюратору)

по запросу
00709352-50903-600

HOSE, FUEL (5x9x600) (GASOLINE, L:600->70, FILTER TO PUMP)

Топливный шланг (5x9x600) (бензиновый, L:600->80, от фильтра к помпе)

по запросу
00809401-08410-000

CLIP, FUEL HOSE

Крепёж топливного шланга

по запросу
00909401-10410-000

CLIP, FUEL HOSE

Крепёж топливного шланга

по запросу
01016911-92E20-000

PROTECTOR

Протектор

по запросу
01115410-94400-000

FILTER ASSY, FUEL

Топливный фильтр в сборе

по запросу
01215430-87D10-000

ELEMENT SET

Фильтрующий элемент

по запросу
01315413-87D10-000

CUP

Стакан

по запросу
01408316-10087-000

NUT

Гайка

по запросу
01515322-96300-000

INSULATOR, FUEL PUMP

Изолятор топливного шланга

по запросу
01609359-50823-600

HOSE, FUEL (5x8.2x600)
(GASOLINE, L:600->30, CONN TO FILTER)

Топливный шланг (5x8.2x600)
(бензиновый, L:600->30, от коннектора до фильтра)

по запросу
01709354-53103-600

HOSE, FUEL (5.3x10.5x600)
(KEROSENE, L:600->00, PUMP TO CARB)

Топливный шланг (5.3x10.5x600)
(керосиновый, L:600->00, от помпы до карбюратора)

по запросу
01809354-53103-600

HOSE, FUEL (5.3x10.5x600)
(KEROSENE, L:600->50, FILTER TO PUMP)

Топливный шланг (5.3x10.5x600)
(керосиновый, L:600->50, от фильтра к помпе)

по запросу
01909354-53103-600

HOSE, FUEL (5.3x10.5x600)
(KEROSENE, L:600->00, CONN TO FILTER)

Топливный шланг (5.3x10.5x600)
(керосиновый, L:600->00, от коннектора до фильтра)

по запросу

Вернуться в универсальный каталог для Suzuki DT30 LK11 E1 2011


 
 

данный сайт носит информационный характер и не является публичной офертой

склад запчастей для водомоторной техники