вконтакте

Контактный телефон: +7 (981) 121-46-93, +7 (800) 200-90-76 , Email: parts-katalog@yandex.ru, где купить

 
 
Главная Как заказать Каталоги Контакты

  Логин:

Пароль:

Регистрация

Узнать наличие и цену запчасти:


УВАЖАЕМЫЕ КЛИЕНТЫ!
C 19 ДЕКАБРЯ 2025 ПО 02 МАРТА 2026 ГОДА ОТДЕЛ ЗАПЧАСТЕЙ И СЕРВИС РАБОТАТЬ НЕ БУДУТ
ПРОДАЖА ЛОДОЧНЫХ МОТОРОВ В ШТАТНОМ РЕЖИМЕ
ОБ ИЗМЕНЕНИЯХ В ГРАФИКЕ РАБОТЫ ЧИТАЙТЕ НА САЙТА



Лодочные моторы :: Suzuki :: Двухтактные :: Suzuki DT-30 LK11 E1


ПОДВЕСНОЙ ДВИГАТЕЛЬ SUZUKI DT-30-LK11-E1
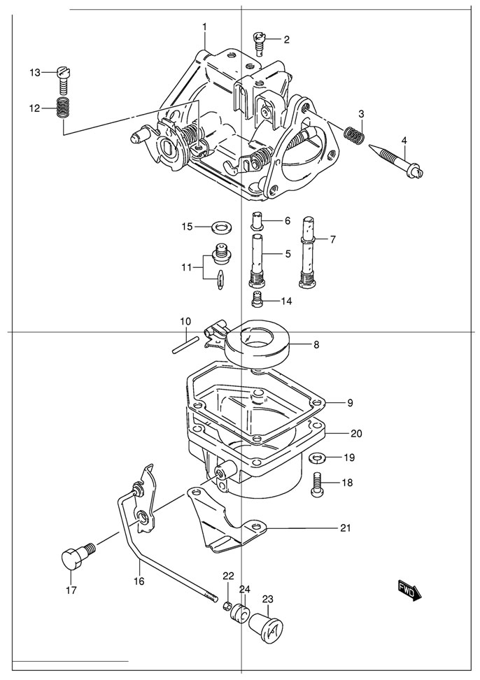
КАРБЮРАТОР (CARBURETOR) ДЛЯ МОДЕЛЕЙ DT25, DT30

карбюратор suzuki dt30 lk11 e1 и запчасти карбюратора

Чтобы узнать цену, наличие запасной части на складе или купить, нажмите ссылку "запросить цену". Чтобы посмотреть подробную информацию и фотографии, нажмите на код запчасти. Для запчастей со статусом "не поставляется" можете попробовать уточнить возможность поставки.

все блоки

Номер
на чертеже
Код по каталогуНазвание (eng)Название (rus)Цена
00113200-964B0-000

CARBURETOR ASSY (DT25)

Карбюратор в сборе (DT25)

по запросу
13200-964H0-000

CARBURETOR ASSY (DT25 E13, E40)

Карбюратор в сборе (DT25 E13, E40)

по запросу
13200-964A1-000

CARBURETOR ASSY (DT30)

Карбюратор в сборе (DT30)

по запросу
13200-964J0-000

CARBURETOR ASSY (DT30 E13, E40)

Карбюратор в сборе (DT30 E13, E40)

по запросу
00209492-67004-000

JET, PILOT (67.5) (DT25)

Жиклер (67.5) (DT25)

по запросу
09492-70001-000

JET, PILOT (70) (DT30)

Жиклер (70) (DT30)

по запросу
00313271-93311-000

SPRING, AIR SCREW

Пружига воздушного винта

по запросу
00413269-93311-000

SCREW, PILOT AIR

Винт механизма подачи воздуха

по запросу
00513236-96300-000

NOZZLE

Форсунка

по запросу
00613237-94400-000

NOZZLE

Распылитель

по запросу
00713235-94350-000

NOZZLE (DT25/30 E13, E40)

Форсунка

по запросу
00813250-93012-000

FLOAT

Поплавок

по запросу
00913251-93320-000

GASKET, FLOAT CHAMBER

Прокладка поплавковой камеры

по запросу
01013254-98300-000

PIN, FLOAT

Стопор поплавка

по запросу
01113370-28110-000

VALVE ASSY, NEEDLE

Игольчатый клапан в сборе

по запросу
01213268-96111-000

SPRING, THROTTLE STOP

Пружина - ограничитель дросселя

по запросу
01313534-96300-000

SCREW, THROTTLE STOP

Винт - ограничитель дросселя

по запросу
01409491-28012-000

JET, MAIN (142.5) (DT25)

Жиклер главный (142.5) (DT25)

по запросу
09491-32012-000

JET, MAIN (160) (DT30, <-9491-32013)

Жиклер главный (160) (DT30, <-9491-32013)

по запросу
01513392-58600-000

GASKET, VALVE SEAT

Прокладка седла клапана

по запросу
01613681-96301-000

LEVER, CHOKE

Рычаг воздушной заслонки

по запросу
01713682-96300-000

BOLT

Болт

по запросу
01802112-05207-000

SCREW

Шайба

по запросу
01908321-01057-000

LOCK WASHER

Блокирубщая шайба

по запросу
02013240-94620-000

CHAMBER, FLOAT

Поплавковая камера

по запросу
02113694-96300-000

PLATE, SPRING

Плата пружины

по запросу
02209140-04007-000

NUT, STARTER KNOB

Гайка рукоятки "подсос"

по запросу
02313631-93501-000

KNOB, STARTER

Рукоятка "подсос"

по запросу
02409320-04009-000

BUSH

Втулка

по запросу

Купить оригинальные запчасти Suzuki DT-30 LK11 E1 2011


 
 

данный сайт носит информационный характер и не является публичной офертой

склад запчастей для водомоторной техники