вконтакте

Контактный телефон: +7 (981) 121-46-93, +7 (800) 200-90-76 , Email: parts-katalog@yandex.ru, где купить

 
 
Главная Как заказать Каталоги Контакты

  Логин:

Пароль:

Регистрация

Узнать наличие и цену запчасти:

Лодочные моторы :: Suzuki :: Двухтактные :: Suzuki DT15 SK9


ЗАПЧАСТИ НА ПОДВЕСНОЙ ЛОДОЧНЫЙ МОТОР SUZUKI DT15 SK9
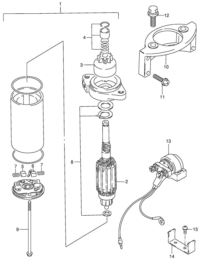
ЭЛЕКТРОСТАРТЕР (STARTING MOTOR)

электростартер suzuki dt15 sk9 Starting Motor

Чтобы узнать цену, наличие запасной части на складе или купить, нажмите ссылку "запросить цену". Чтобы посмотреть подробную информацию и фотографии, нажмите на код запчасти. Для запчастей со статусом "не поставляется" можете попробовать уточнить возможность поставки.

все блоки

Номер
на чертеже
Код по каталогуНазвание (eng)Название (rus)Цена
00131100-89E01-000

MOTOR, STARTING

Двигатель стартера в сборе

по запросу
00231310-92D10-000

ARMATURE, STARTER

Якорь стартера

по запросу
00331320-89E00-000

PINION ASSY

Шестерня в сборе

по запросу
00431312-92D10-000

STOPPER SET, PINION

Штифт шестерни

по запросу
00531131-89E00-000

BRUSH (+)

Щётка (+)

по запросу
00631132-89E00-000

BRUSH (-)

Щётка (-)

по запросу
00731135-92D10-000

SPRING

Пружина

по запросу
00831360-92D10-000

WASHER KIT

Комплект шайб

по запросу
00931281-92D10-000

BOLT, STARTER HOUSING

Болт корпуса стартера

по запросу
01031911-93902-0ED

BRACKET, STARTER (GRAY)

Кронштейн стартера (серый)

по запросу
31911-93902-0EP

BRACKET, STARTER (BLACK) (MODEL:02~)

Кронштейн стартера (черный) (модели после 2002 года)

по запросу
01102162-06257-000

BOLT

Болт

по запросу
01201580-08257-000

BOLT

Болт

по запросу
01331800-94401-000

RELAY ASSY, STARTING MOTOR

Реле стартера в сборе

по запросу
01431805-95501-000

BRACKET, STARTING MOTOR RELAY

Кронштейн реле стартера

по запросу
01502112-35127-000

SCREW

Винт

по запросу

Suzuki DT15 SK9 - полный каталог запчастей


 
 

данный сайт носит информационный характер и не является публичной офертой

склад запчастей для водомоторной техники