вконтакте

Контактный телефон: +7 (981) 121-46-93, +7 (800) 200-90-76 , Email: parts-katalog@yandex.ru, где купить

 
 
Главная Как заказать Каталоги Контакты

  Логин:

Пароль:

Регистрация

Узнать наличие и цену запчасти:

Лодочные моторы :: Suzuki :: Двухтактные :: Suzuki DT15 SK9


ДОПОЛНИТЕЛЬНЫЕ ОПЦИИ ДВИГАТЕЛЯ SUZUKI DT-15-SK9
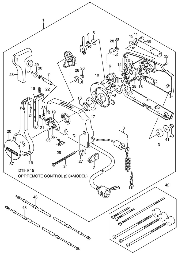
ДИСТАНЦИОННОЕ УПРАВЛЕНИЕ (ТИПА 2, МОДЕЛИ МОТОРОВ ПОСЛЕ 2004 ГОДА)
(OPTION: REMOTE CONTROL)

Remote Control типа 2 на модели Suzuki dt15 sk9 после 2004 года

Чтобы узнать цену, наличие запасной части на складе или купить, нажмите ссылку "запросить цену". Чтобы посмотреть подробную информацию и фотографии, нажмите на код запчасти. Для запчастей со статусом "не поставляется" можете попробовать уточнить возможность поставки.

все блоки

Номер
на чертеже
Код по каталогуНазвание (eng)Название (rus)Цена
00167200-939B2-000

REMOTE CONTROL ASSY

Дистанционное управление в сборе

по запросу
00236628-92E00-000

GROMMET, WIRE HARNESS

Втулка

по запросу
00337830-95D02-000

SWITCH ASSY, EMERGENCY & STOP

Переключатель аварийной остановки, в сборе

по запросу
00437823-92E01-000

PLATE, LOCK

Пластина блокировки

по запросу
00567212-95600-000

WASHER

Шайба

по запросу
00667220-95620-000

PLATE ASSY

Пластина в сборе

по запросу
00767223-99E10-000

KNOB, BRAKE ADJUST

Рукоятка регулировки тормоза

по запросу
00867229-95600-000

ROLLER

Ролик

по запросу
00967232-95600-000

BUSH

Втулка

по запросу
01067238-87D00-000

GEAR, DRIVE

Ведущая шестерня

по запросу
01167241-99E10-000

LEVER, FREE THROTTLE

Рукоятка дросселя

по запросу
01267243-95600-000

BUSH

Втулка

по запросу
01367244-95600-000

WAVE WASHER

Волнистая шайба

по запросу
01467245-95600-000

DRUM, FREE THROTTLE

Цилиндр дросселя

по запросу
01567251-99E10-000

LEVER, HANDLE

Рычаг рукоятки

по запросу
01667252-95600-000

BUSH

Втулка

по запросу
01767253-95600-000

WASHER

Шайба

по запросу
01867255-99E00-000

ARM, LOCK

Рычаг блокировки

по запросу
01967256-95600-000

HOLDER, NEUTRAL LOCK

Держатель блокировки нейтрали

по запросу
02067257-99E00-000

CAP, LEVER

Крышка рукоятки

по запросу
02167258-99E00-000

BRACKET

Кронштейн

по запросу
02267259-87D00-000

SPRING, NEUTRAL ARM

Пружина переключателя нейтрали

по запросу
02367261-99E00-000

GRIP

Рукоятка

по запросу
02467296-94310-000

SCREW (<-7262-95600)

Винт (<-7262-95600)

по запросу
02567264-95600-000

WASHER

Шайба

по запросу
02667267-95610-000

COVER, WIRE

Крышка проводки

по запросу
02767273-95600-000

SPACER

Прокладка

по запросу
02867275-95600-000

END, CABLE

Наконечник кабеля

по запросу
02967288-92E00-000

WASHER, BRAKE ADJ KNOB (<-7288-99E00)

Шайба регулировки тормоза (<-7288-99E00)

по запросу
03067292-94300-000

E RING

Кольцо

по запросу
03167294-95600-000

SPACER

Прокладка

по запросу
03267296-90J00-000

SCREW, REAR COVER

Винт задней крышки

по запросу
03367296-94300-000

SCREW

Винт

по запросу
03467296-95600-000

SCREW

Винт

по запросу
03567296-95610-000

SCREW

Винт

по запросу
03667297-95600-000

WASHER

Шайба

по запросу
03768165-16B00-13L

EMBLEM, SUZUKI

Эмблема "SUZUKI"

по запросу
03809100-08232-000

BOLT (8X30)

Болт (8x30)

по запросу
03909126-05003-000

SCREW (5X12)

Винт (5x12)

по запросу
04009140-06020-000

NUT

Гайка

по запросу
04109160-06104-000

WASHER (6.5X24X2.0)

Шайба (6.5x24x2.0)

по запросу
041A37859-90J00-000

SPACER

Прокладка

по запросу
04267140-95600-000

ATTACHMENT, REMO-CON KIT

Набор для установки системы ДУ

по запросу
04367320-93J00-000

CABLE ASSY, REMOCON 8F (2.4M)

Кабель дистанционного управления 8F (2.4M)

по запросу
67320-93J10-000

CABLE ASSY, REMOCON 10F (3.1M)

Кабель дистанционного управления 10F (3.1M)

по запросу
67320-93J20-000

CABLE ASSY, REMOCON 12F (3.7M)

Кабель дистанционного управления 12F (3.7M)

по запросу
67320-93J30-000

CABLE ASSY, REMOCON 14F (4.3M)

Кабель дистанционного управления 14F (4.3M)

по запросу
67320-93J40-000

CABLE ASSY, REMOCON 16F (4.9M)

Кабель дистанционного управления 16F (4.9M)

по запросу
67320-93J50-000

CABLE ASSY, REMOCON 18F (5.5M)

Кабель дистанционного управления 18F (5.5M)

по запросу
67320-93J60-000

CABLE ASSY, REMOCON 20F (6.1M)

Кабель дистанционного управления 20F (6.1M)

по запросу
67320-93J70-000

CABLE ASSY, REMOCON 22F (6.7M)

Кабель дистанционного управления 22F (6.7M)

по запросу
67320-93J80-000

CABLE ASSY, REMOCON 24F (7.3M)

Кабель дистанционного управления 24F (7.3M)

по запросу

Каталог аксессуаров для мотора Suzuki DT15 SK9


 
 

данный сайт носит информационный характер и не является публичной офертой

склад запчастей для водомоторной техники