вконтакте

Контактный телефон: +7 (981) 121-46-93, +7 (800) 200-90-76 , Email: parts-katalog@yandex.ru, где купить

 
 
Главная Как заказать Каталоги Контакты

  Логин:

Пароль:

Регистрация

Узнать наличие и цену запчасти:


УВАЖАЕМЫЕ КЛИЕНТЫ!
C 19 ДЕКАБРЯ 2025 ПО 02 МАРТА 2026 ГОДА ОТДЕЛ ЗАПЧАСТЕЙ И СЕРВИС РАБОТАТЬ НЕ БУДУТ
ПРОДАЖА ЛОДОЧНЫХ МОТОРОВ В ШТАТНОМ РЕЖИМЕ
ОБ ИЗМЕНЕНИЯХ В ГРАФИКЕ РАБОТЫ ЧИТАЙТЕ НА САЙТА



Лодочные моторы :: Suzuki :: Четырехтактные :: Suzuki DF90TLK8


ДОПОЛНИТЕЛЬНЫЕ ОПЦИИ SUZUKI DF90 TL K8 E1
РУКОЯТКА РУМПЕЛЯ (TILLER HANDLE) МОДЕЛИ 2004-2009 ГОДА
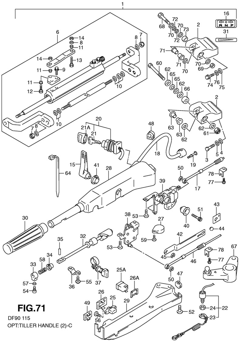
FIG.71

двигатель Suzuki DF90TL K8 выпуска 2004-2009, запчасти румпеля

Чтобы узнать цену, наличие запасной части на складе или купить, нажмите ссылку "запросить цену". Чтобы посмотреть подробную информацию и фотографии, нажмите на код запчасти. Для запчастей со статусом "не поставляется" можете попробовать уточнить возможность поставки.

все блоки

Номер
на чертеже
Код по каталогуНазвание (eng)Название (rus)Цена
00163002-90J03-0EP

KIT, TILLER HANDLE (BLACK)

Румпель в сборе (комплект) (чёрный)

по запросу
63002-90J21-0EP

KIT, TILLER HANDLE (BLACK) (MODEL:05~)

Румпель в сборе (комплект) (чёрный) (модели после 2005 года)

по запросу
63002-90J23-0EP

KIT, TILLER HANDLE (BLACK) (MODEL:07~)

Румпель в сборе (комплект) (чёрный) (модели после 2007 года)

по запросу
63002-90J24-0EP

KIT, TILLER HANDLE (BLACK) (MODEL:09~)

Румпель в сборе (комплект) (чёрный) (модели после 2009 года)

по запросу
63002-90J25-0EP

KIT, TILLER HANDLE (BLACK) (MODEL:10~)

Румпель в сборе (комплект) (чёрный) (модели после 2010 года)

по запросу
63002-90J26-0EP

KIT, TILLER HANDLE

Румпель в сборе (комплект) (чёрный)

по запросу
00243761-90J01-0EP

BRACKET, TILLER HANDLE (BLACK)

Кронштейн ручки румпеля (чёрный)

по запросу
43761-90J02-0EP

BRACKET, TILLER HANDLE (BLACK) (FOR 63002-90J23-0EP, 63002-90J24-0EP)

Кронштейн ручки румпеля (чёрный) (для 63002-90J23-0EP, 63002-90J24-0EP)

по запросу
00343769-90J00-000

BOLT, TILLER HANDLE (FOR 63002-90J03-0EP, 63002-90J21-0EP)

Болт рукоятки румпеля (для 63002-90J03-0EP, 63002-90J21-0EP)

по запросу
00409160-12066-000

WASHER (FOR 63002-90J03-0EP, 63002-90J21-0EP)

Шайба рукоятки румпеля (для 63002-90J03-0EP, 63002-90J21-0EP)

по запросу
00529162-93J20-000

WASHER, LOCK (FOR 63002-90J03-0EP, 63002-90J21-0EP)

Блокирующая шайба (для 63002-90J03-0EP, 63002-90J21-0EP)

по запросу
00643770-90J00-000

DAMPER ASSY, STEERING

Демпфер управления в сборе

по запросу
00743778-90J00-000

NUT, ROD

Гайка штанги

по запросу
00843779-90J00-000

WASHER, ROD

Шайба штанги

по запросу
00967725-90J00-000

BOLT, DRAG LINK PLATE

Болт соединяющей платы толкателя

по запросу
01043781-90J00-000

SPACER/WASHER SET

Комплект шайб и прокладок

по запросу
01167734-90J00-000

BUSH, DRAG LINK

Втулка тяги толкателя

по запросу
01267725-90J10-000

BOLT, DRAG LINK

Болт тяги толкателя

по запросу
01367725-90J20-000

BOLT, DRAG LINK

Болт тяги толкателя

по запросу
01467726-90J00-000

NUT, DRAG LINK

Гайка рулевой тяги

по запросу
01521111-87J10-0EP

LEVER, SHIFT (BLACK)

Ручка переключения (черная)

по запросу
01621131-96010-000

MARK, SHIFT

Маркировка переключателя

по запросу
01723230-90J00-000

CABLE, SHIFT

Кабель переключения

по запросу
01836620-90J00-000

WIRE ASSY, HANDLE

Жгут проводов румпеля

по запросу
36620-90J20-000

WIRE ASSY, HANDLE (MODEL:05~)

Жгут проводов румпеля (модели после 2005 года)

по запросу
01936615-96300-000

TERMINAL

Контакт

по запросу
02037110-87J20-000

SWITCH ASSY, IGNITION

Замок зажигания в сборе

по запросу
02137141-99E00-000

KEY (931)

Ключ (931)

по запросу
37141-99E10-000

KEY (932)

Ключ (932)

по запросу
37141-99E20-000

KEY (933)

Ключ (933)

по запросу
37141-99E30-000

KEY (934)

Ключ (934)

по запросу
37141-99E40-000

KEY (935)

Ключ (935)

по запросу
37141-99E50-000

KEY (936)

Ключ (936)

по запросу
37141-99E60-000

KEY (937)

Ключ (937)

по запросу
37141-99E70-000

KEY (938)

Ключ (938)

по запросу
37141-99E80-000

KEY (939)

Ключ (939)

по запросу
37141-99E90-000

KEY (940)

Ключ (940)

по запросу
37141-99EA0-000

KEY (941)

Ключ (941)

по запросу
37141-99EB0-000

KEY (942)

Ключ (942)

по запросу
021A37143-99E00-000

CAP, KEY

Колпачок ключа

по запросу
02237820-87J02-000

SWITCH ASSY, EMERGENCY

Переключатель аварийный, в сборе

по запросу
02337823-92E01-000

PLATE

Пластина

по запросу
02437826-92E00-000

NUT

Гайка

по запросу
02537860-94610-000

SWITCH ASSY, TRIM (FOR 63002-90J03-0EP, FOR 63002-90J21-0EP, FOR 63002-90J23-0EP, FOR 63002-90J24-0EP, FOR 63002-90J25-0EP)

Переключатель трима (для 63002-90J03-0EP, для 63002-90J21-0EP, для 63002-90J23-0EP, для 63002-90J24-0EP, для 63002-90J25-0EP)

по запросу
025A37850-87J00-000

SWITCH ASSY, TRIM (FOR 63002-90J26-0EP)

Переключатель трима (для 63002-90J26-0EP)

по запросу
02637869-95590-000

CAP (FOR 63002-90J03-0EP, FOR 63002-90J21-0EP, FOR 63002-90J23-0EP, FOR 63002-90J24-0EP, FOR 63002-90J25-0EP)

Крышка перключателя (для 63002-90J03-0EP, для 63002-90J21-0EP, для 63002-90J23-0EP, для 63002-90J24-0EP, для 63002-90J25-0EP)

по запросу
026A37852-87J00-000

PLATE, TRIM SWITCH (FOR 63002-90J26-0EP)

Плата переключателя трима (для 63002-90J26-0EP)

по запросу
02738500-92X50-000

BUZZER

Предупреждающий зуммер

по запросу
02863111-87J03-0EP

HOUSING, TILLER HANDLE (->3111-87J10-0EP, USED WITH 63611-87J00 X2, 63612-87J00 X2)

Корпус рукоятки румпеля (черный) (->3111-87J10-0EP, используется вместе с 63611-87J00 X2, 63612-87J00 X2)

по запросу
63111-87J10-0EP

HOUSING, TILLER HANDLE (BLACK) (FOR 63002-90J23-0EP, 63002-90J24-0EP)

Корпус рукоятки румпеля (черный) (для 63002-90J23-0EP, 63002-90J24-0EP)

по запросу
02963121-87J02-000

COVER, UNDER (->3120-87J00, COVER KIT, UNDER, FOR 63002-90J03-0EP, FOR 63002-90J21-0EP, FOR 63002-90J23-0EP, FOR 63002-90J24-0EP, FOR 63002-90J25-0EP)

Нижняя крышка (->3120-87J00 комплект нижней крышки, для 63002-90J03-0EP, для 63002-90J21-0EP, для 63002-90J23-0EP, для 63002-90J24-0EP, для 63002-90J25-0EP)

по запросу
63121-87J03-000

COVER, UNDER (FOR 63002-90J26-0EP)

Нижняя крышка (для 63002-90J26-0EP)

по запросу
03063210-93E30-000

GRIP, HANDLE

Рукоятка в сборе

по запросу
03163215-93110-000

MARK, HANDLE GRIP

Маркировка рукоятки

по запросу
03263221-87J00-000

SHAFT, THROTTLE

Вал дросселя

по запросу
03363223-92D00-000

STOPPER, HANDLE ROD

Стопор тяги рукоятки

по запросу
03463225-93200-000

BUSH, HANDLE ROD

Втулка тяги ручки

по запросу
03563227-93200-000

PIN, HANDLE ROD

Штифт тяги ручки

по запросу
03663235-87J00-000

PLATE, THROTTLE SHAFT

Плата вала дросселя

по запросу
03763240-87J00-000

ADJUSTER, THROTTLE

Регулятор дросселя

по запросу
03863250-87J01-000

ARM ASSY, THROTTLE

Рычаг дросселя в сборе

по запросу
03963260-87J02-000

GEAR ASSY, SHIFT

Шестерня переключения

по запросу
04063261-87J00-000

BUSH, SHIFT GEAR

Втулка шестерни переключения

по запросу
04163262-87J00-000

BUSH, SHIFT LEVER

Втулка рычага переключения

по запросу
04263271-87J00-000

PLATE, LOCK

Плата блокировки

по запросу
04363272-87J00-000

PLATE, BALL GUIDE

Плата, направляющая шарика

по запросу
04463273-87J00-000

BALL

Шарик

по запросу
04563274-87J00-000

E RING

Кольцо

по запросу
04663610-90J00-000

CABLE, THROTTLE

Кабель дросселя

по запросу
04763625-99E00-000

GROMMET, THROTTLE CABLE

Втулка кабеля дросселя

по запросу
04863626-99E01-000

GROMMET, WIRE HARNESS

Втулка жгута проводки

по запросу
04967263-99E00-000

COVER, TRIM SWITCH (FOR 63002-90J03-0EP, FOR 63002-90J21-0EP, FOR 63002-90J23-0EP, FOR 63002-90J24-0EP, FOR 63002-90J25-0EP)

Крышка переключателя трима (для 63002-90J03-0EP, для 63002-90J21-0EP, для 63002-90J23-0EP, FOR 63002-90J24-0EP, FOR 63002-90J25-0EP)

по запросу
05067292-87J00-000

E RING

Кольцо

по запросу
05109106-08099-000

BOLT (8X50)

Болт (8x50)

по запросу
05209125-05047-000

SCREW (5X14)

Винт (5x14)

по запросу
05309125-06069-000

SCREW (6X12)

Винт (6x12)

по запросу
05409126-06015-000

SCREW (6X23)

Винт (6x23)

по запросу
05509136-05008-000

SCREW (5X12)

Винт (5x12)

по запросу
05609139-02003-000

SCREW (2X6)

Винт (2x6)

по запросу
05709163-06001-000

WASHER, LOCK (6.4X12X0.5)

Шайба блокирующая (6.4x12x0.5)

по запросу
05809440-12027-000

SPRING

Пружина

по запросу
05902142-05207-000

SCREW

Винт

по запросу
06009100-10264-000

BOLT (10X80) (FOR 63002-90J03-0EP, 63002-90J21-0EP)

Болт (10x80) (для 63002-90J03-0EP, 63002-90J21-0EP)

по запросу
06109159-10050-000

NUT (FOR 63002-90J03-0EP, 63002-90J21-0EP)

Гайка (для 63002-90J03-0EP, 63002-90J21-0EP)

по запросу
06209160-10114-000

WASHER (10.5X22X1.5) (FOR 63002-90J03-0EP, 63002-90J21-0EP)

Шайба (10.5x22x1.5) (для 63002-90J03-0EP, 63002-90J21-0EP)

по запросу
06309306-10020-000

BUSH (FOR 63002-90J03-0EP, 63002-90J21-0EP)

Втулка (для 63002-90J03-0EP, 63002-90J21-0EP)

по запросу
06409407-14403-000

CLAMP

Ремешок

по запросу
06509164-10013-000

WASHER, WAVE (FOR 63002-90J03-0EP, 63002-90J21-0EP)

Волнистая шайба (для 63002-90J03-0EP, 63002-90J21-0EP)

по запросу
06643768-90J00-000

SPACER (FOR 63002-90J03-0EP, 63002-90J21-0EP)

Прокладка (для 63002-90J03-0EP, 63002-90J21-0EP)

по запросу
06719140-90J10-000

LEVER, THROTTLE

Рукоятка дросселя

по запросу
06809100-10264-000

BOLT, TILLER HANDLE PIVOT (FOR 63002-90J23-0EP, 63002-90J24-0EP)

Болт штыря рукоятки румпеля
(для 63002-90J23-0EP, 63002-90J24-0EP)

по запросу
06909159-10050-000

NUT, TILLER HANDLE PIVOT (FOR 63002-90J23-0EP, 63002-90J24-0EP)

Гайка штыря рукоятки румпеля
(для 63002-90J23-0EP, 63002-90J24-0EP)

по запросу
07009160-10114-000

WASHER, TILLER HANDLE PIVOT (FOR 63002-90J23-0EP, 63002-90J24-0EP)

Шайба штыря рукоятки румпеля
(для 63002-90J23-0EP, 63002-90J24-0EP)

по запросу
07109306-10020-000

BUSH, TILLER HANDLE PIVOT (FOR 63002-90J23-0EP, 63002-90J24-0EP)

Втулка штыря рукоятки румпеля
(для 63002-90J23-0EP, 63002-90J24-0EP)

по запросу
07209164-10016-000

WASHER, TILLER HANDLE SPR (FOR 63002-90J23-0EP, 63002-90J24-0EP)

Шайба штыря рукоятки румпеля
(для 63002-90J23-0EP, 63002-90J24-0EP)

по запросу
07343768-90J01-000

SPACER, TILLER HANDLE (FOR 63002-90J23-0EP, 63002-90J24-0EP)

Прокладка штыря рукоятки румпеля
(для 63002-90J23-0EP, 63002-90J24-0EP)

по запросу
07443769-90J00-000

BOLT, TILLER HANDLE (FOR 63002-90J23-0EP, 63002-90J24-0EP)

Болт штыря рукоятки румпеля
(для 63002-90J23-0EP, 63002-90J24-0EP)

по запросу
07509160-12066-000

WASHER (FOR 63002-90J23-0EP, 63002-90J24-0EP)

Шайба (для 63002-90J23-0EP, 63002-90J24-0EP)

по запросу
07629162-93J20-000

WASHER LOCK (FOR 63002-90J23-0EP, 63002-90J24-0EP)

Шайба блокирующая (для 63002-90J23-0EP, 63002-90J24-0EP)

по запросу
07763611-87J00-000

BOLT, CLAMP BRACKET (FOR 63002-90J23-0EP, 63002-90J24-0EP)

Болт кронштейна крепления
(для 63002-90J23-0EP, 63002-90J24-0EP)

по запросу
07863612-87J00-000

BRACKET, CLAMP (FOR 63002-90J23-0EP, 63002-90J24-0EP)

Кронштейн крепления
(для 63002-90J23-0EP, 63002-90J24-0EP)

по запросу

Двигатель Suzuki DF90TL K8 E1, каталог опций


 
 

данный сайт носит информационный характер и не является публичной офертой

склад запчастей для водомоторной техники