вконтакте

Контактный телефон: +7 (981) 121-46-93, +7 (800) 200-90-76 , Email: parts-katalog@yandex.ru, где купить

 
 
Главная Как заказать Каталоги Контакты

  Логин:

Пароль:

Регистрация

Узнать наличие и цену запчасти:


УВАЖАЕМЫЕ КЛИЕНТЫ!
C 19 ДЕКАБРЯ 2025 ПО 02 МАРТА 2026 ГОДА ОТДЕЛ ЗАПЧАСТЕЙ И СЕРВИС РАБОТАТЬ НЕ БУДУТ
ПРОДАЖА ЛОДОЧНЫХ МОТОРОВ В ШТАТНОМ РЕЖИМЕ
ОБ ИЗМЕНЕНИЯХ В ГРАФИКЕ РАБОТЫ ЧИТАЙТЕ НА САЙТА



Лодочные моторы :: Suzuki :: Четырехтактные :: Suzuki DF90ATL 2009


ЗАПЧАСТИ ДЛЯ ПОДВЕСНОГО ЛОДОЧНОГО ДВИГАТЕЛЯ SUZUKI DF90 ATL K9 2009
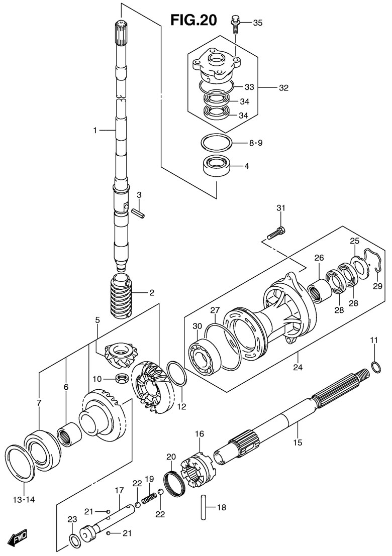
ТРАНСМИССЯ (TRANSMISSION) FIG-20

трансмиссия - лодочный мотор suzuki df90atl k9

Чтобы узнать цену, наличие запасной части на складе или купить, нажмите ссылку "запросить цену". Чтобы посмотреть подробную информацию и фотографии, нажмите на код запчасти. Для запчастей со статусом "не поставляется" можете попробовать уточнить возможность поставки.

все блоки

Номер
на чертеже
Код по каталогуНазвание (eng)Название (rus)Цена
00157110-87L00-000

SHAFT ASSY, DRIVE (L)

Торсионный вал (L)

по запросу
57110-87L10-000

SHAFT ASSY, DRIVE (X)

Торсионный вал (X)

по запросу
00257133-87L00-000

COLLAR, DRIVE SHAFT

Втулка ведущего вала

по запросу
00309205-05011-000

PIN

Штифт

по запросу
00409265-25040-000

BEARING

Подшипник

по запросу
00557300-87860-000

PINION/GEAR SET

Набор шестерен

по запросу
00609263-25067-000

BEARING, PROP SHAFT FWD (25X32X26)

Подшипник вала гребного винта, передний (25x32x26)

по запросу
00709265-40003-000

BEARING, FWD GEAR (40X75X26)

Подшипник привода передний (40x75x26)

по запросу
00857500-87873-000

SHIM SET, DRIVE SHAFT

Комплект регулировочных прокладок вала передачи

по запросу
00909181-40186-000

SHIM (40X52X0.50)

Регулировочная прокладка (40x52x0.50)

по запросу
09181-41002-000

SHIM (41X52X0.55)

Регулировочная прокладка (40x52x0.55)

по запросу
09181-41003-000

SHIM (41X52X0.60)

Регулировочная прокладка (40x52x0.60)

по запросу
09181-41004-000

SHIM (41X52X0.65)

Регулировочная прокладка (40x52x0.65)

по запросу
09181-41005-000

SHIM (41X52X0.70)

Регулировочная прокладка (40x52x0.70)

по запросу
09181-41006-000

SHIM (41X52X0.75)

Регулировочная прокладка (40x52x0.75)

по запросу
09181-40190-000

SHIM (40X52X0.80)

Регулировочная прокладка (40x52x0.80)

по запросу
09181-41008-000

SHIM (41X52X0.85)

Регулировочная прокладка (40x52x0.85)

по запросу
09181-41009-000

SHIM (41X52X0.90)

Регулировочная прокладка (40x52x0.90)

по запросу
09181-41010-000

SHIM (41X52X0.95)

Регулировочная прокладка (40x52x0.95)

по запросу
09181-40195-000

SHIM (40X52X1.00)

Регулировочная прокладка (40x52x1.00)

по запросу
09181-41012-000

SHIM (41X52X1.05)

Регулировочная прокладка (41x52x1.05)

по запросу
09181-41013-000

SHIM (41X52X1.10)

Регулировочная прокладка (41x52x1.10)

по запросу
09181-41014-000

SHIM (41X52X1.15)

Регулировочная прокладка (41x52x1.15)

по запросу
01009140-14024-000

NUT

Гайка

по запросу
01109181-25130-000

WASHER (25X32X0.5) (PROP SHAFT REV THRUST)

Упорная шайба вала гребного винта (25x32x0.5)

по запросу
09181-25139-000

WASHER (25X32X1.0)

Упорная шайба вала гребного винта (25x32x1.0)

по запросу
09181-25143-000

WASHER (25X32X1.09)

Упорная шайба вала гребного винта (25x32x1.09)

по запросу
09181-25149-000

WASHER (25X32X1.21)

Упорная шайба вала гребного винта (25x32x1.21)

по запросу
09181-25153-000

WASHER (25X32X1.3)

Упорная шайба вала гребного винта (25x32x1.3)

по запросу
09181-25072-000

WASHER (25X32X1.4)

Упорная шайба вала гребного винта (25x32x1.4)

по запросу
09181-25073-000

WASHER (25X32X1.5)

Упорная шайба вала гребного винта (25x32x1.5)

по запросу
09181-25074-000

WASHER (25X32X1.6)

Упорная шайба вала гребного винта (25x32x1.6)

по запросу
09181-25075-000

WASHER (25X32X1.7)

Упорная шайба вала гребного винта (25x32x1.7)

по запросу
01209181-40018-000

SHIM (40X46.8X0.55) (REV GEAR)

Упорная шайба (40x46.8x0.55) (механизм реверса)

по запросу
09181-40004-000

SHIM (40X46.8X0.60)

Упорная шайба (40x46.8x0.60)

по запросу
09181-40005-000

SHIM (40X46.8X0.65)

Упорная шайба (40x46.8x0.65)

по запросу
09181-40006-000

SHIM (40X46.8X0.70)

Упорная шайба (40x46.8x0.70)

по запросу
09181-40007-000

SHIM (40X46.8X0.75)

Упорная шайба (40x46.8x0.75)

по запросу
09181-40008-000

SHIM (40X46.8X0.80)

Упорная шайба (40x46.8x0.80)

по запросу
09181-40009-000

SHIM (40X46.8X0.85)

Упорная шайба (40x46.8x0.85)

по запросу
09181-40010-000

SHIM (40X46.8X0.90)

Упорная шайба (40x46.8x0.90)

по запросу
09181-40011-000

SHIM (40X46.8X0.95)

Упорная шайба (40x46.8x0.95)

по запросу
09181-40012-000

SHIM (40X46.8X1.00)

Упорная шайба (40x46.8x1.00)

по запросу
09181-40013-000

SHIM (40X46.8X1.05)

Упорная шайба (40x46.8x1.05)

по запросу
01357500-87882-000

SHIM SET, FORWARD GEAR

Набор шайб переднего привода

по запросу
01409181-64002-000

SHIM (64X75X0.55) (FWD GEAR)

Упорная шайба (64x75x0.55) (передний привод)

по запросу
09181-64003-000

SHIM (64X75X0.60)

Упорная шайба (64x75x0.60)

по запросу
09181-64004-000

SHIM (64X75X0.65)

Упорная шайба (64x75x0.65)

по запросу
09181-64005-000

SHIM (64X75X0.70)

Упорная шайба (64x75x0.70)

по запросу
09181-64006-000

SHIM (64X75X0.75)

Упорная шайба (64x75x0.75)

по запросу
09181-64007-000

SHIM (64X75X0.80)

Упорная шайба (64x75x0.80)

по запросу
09181-64008-000

SHIM (64X75X0.85)

Упорная шайба (64x75x0.85)

по запросу
09181-64009-000

SHIM (64X75X0.90)

Упорная шайба (64x75x0.90)

по запросу
09181-64010-000

SHIM (64X75X0.95)

Упорная шайба (64x75x0.95)

по запросу
09181-64011-000

SHIM (64X75X1.00)

Упорная шайба (64x75x1.00)

по запросу
01557610-87L00-000

SHAFT, PROPELLER

Вал гребного винта

по запросу
01657621-87L00-000

SHIFTER, CLUTCH DOG

Переключатель, собачка сцепления

по запросу
01757631-87L00-000

PIN, CONNECTOR

Ось коннектора

по запросу
01809202-07003-000

PIN, CLUTCH DOG SHIFTER

Штифт переключателя собачки сцепления

по запросу
01909440-09043-000

SPRING, DETENT

Пружина со стопором

по запросу
02009440-42002-000

SPRING, CLUTCH DOG SHIFTER

Пружина переключателя собачки сцепления

по запросу
02106111-07004-000

BALL, DETENT NO.1

Шарик с защелкой №1

по запросу
02206111-11004-000

BALL, DETENT NO.2

Шарик с защелкой №2

по запросу
02309181-25030-000

WASHER, FWD THRUST (25X32X3)

Шайба передняя упорная (25x32x3)

по запросу
02456120-87L00-0EP

HOUSING, PROP SHAFT BRG

Обойма вала гребного винта

по запросу
02556123-87L00-000

WASHER, OIL SEAL PROTECTOR

Шайба протектора сальника

по запросу
02609263-25067-000

BEARING (25X32X26)

Подшипник (25x32x26)

по запросу
02709280-92004-000

O RING (D:3.1,ID:89.4)

Кольцо (D:3.1,ID:89.4)

по запросу
02809282-25001-000

OIL SEAL

Сальник

по запросу
02909387-38002-000

RING

Кольцо

по запросу
03008113-60087-000

BEARING

Подшипник

по запросу
03109117-08047-000

BOLT (8X30)

Болт (8x30)

по запросу
03256130-87L00-000

HOUSING, DRIVE SHAFT OIL SEAL

Корпус сальника ведущего вала

по запросу
03309280-46004-000

O RING (D:3.5,ID:45.7)

Кольцо (D:3.5,ID:45.7)

по запросу
03409282-22007-000

OIL SEAL

Сальник

по запросу
03509117-08057-000

BOLT (8X25)

Болт (8x25)

по запросу

Подвесной лодочный двигатель Suzuki DF90ATL (K9) 2009 - любые запчасти


 
 

данный сайт носит информационный характер и не является публичной офертой

склад запчастей для водомоторной техники