вконтакте

Контактный телефон: +7 (981) 121-46-93, +7 (800) 200-90-76 , Email: parts-katalog@yandex.ru, где купить

 
 
Главная Как заказать Каталоги Контакты

  Логин:

Пароль:

Регистрация

Узнать наличие и цену запчасти:


УВАЖАЕМЫЕ КЛИЕНТЫ!
C 19 ДЕКАБРЯ 2025 ПО 02 МАРТА 2026 ГОДА ОТДЕЛ ЗАПЧАСТЕЙ И СЕРВИС РАБОТАТЬ НЕ БУДУТ
ПРОДАЖА ЛОДОЧНЫХ МОТОРОВ В ШТАТНОМ РЕЖИМЕ
ОБ ИЗМЕНЕНИЯХ В ГРАФИКЕ РАБОТЫ ЧИТАЙТЕ НА САЙТА



Лодочные моторы :: Suzuki :: Четырехтактные :: Suzuki DF90ATL 2009


ЗАПЧАСТИ ДЛЯ ПОДВЕСНОГО ЛОДОЧНОГО МОТОРА SUZUKI DF90ATL K9 2009
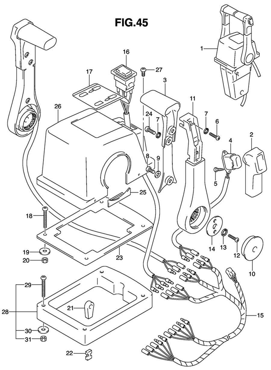
ДИСТАНЦИОННОЕ УПРАВЛЕНИЕ СДВОЕННОГО ТИПА ДЛЯ ВЫСОКОЙ УСТАНОВКИ
(OPT: REMOTE CONTROL TOP MOUNT DOUBLE) FIG-45

опция suzuki df 90 atl k9 - ДУ сдвоенного типа, для высокой установки

Чтобы узнать цену, наличие запасной части на складе или купить, нажмите ссылку "запросить цену". Чтобы посмотреть подробную информацию и фотографии, нажмите на код запчасти. Для запчастей со статусом "не поставляется" можете попробовать уточнить возможность поставки.

все блоки

Номер
на чертеже
Код по каталогуНазвание (eng)Название (rus)Цена
00167200-93J22-000

REMOTE CONTROL ASSY

Двойное дистанционное управление в сборе

по запросу
00267261-93J00-000

GRIP, NO.1

Рукоятка №1

по запросу
00367263-93J00-000

GRIP, NO.2

Рукоятка №2

по запросу
00437850-93J10-000

SWITCH ASSY, PTT

Переключатель PTT в сборе

по запросу
00567295-92E10-000

SCREW

Винт

по запросу
00667296-88D10-000

SCREW

Винт

по запросу
00767288-92E20-000

WASHER

Шайба

по запросу
00867296-92E70-000

SCREW

Винт

по запросу
00967288-92E40-000

WASHER

Шайба

по запросу
01067257-92E00-000

CAP, LEVER

Крышка рукоятки

по запросу
01167251-93J00-000

LEVER, HANDLE

Рукоятка

по запросу
01267296-92E60-000

SCREW

Винт

по запросу
01367288-92E30-000

WASHER

Шайба

по запросу
01467253-92E00-000

WASHER

Шайба

по запросу
01536890-93J10-000

WIRE

Электропроводка

по запросу
01637220-92E00-000

SWITCH ASSY, MODE CHANGING

Переключатель в сборе, режим реверса

по запросу
01767282-93J00-000

DECAL

Наклейка

по запросу
01867296-92E30-000

SCREW

Винт

по запросу
01909160-05024-000

WASHER

Шайба

по запросу
02067287-92E00-000

NUT

Гайка

по запросу
02167275-95600-000

END, CABLE

Наконечник кабеля

по запросу
02267273-95600-000

SPACER

Прокладка

по запросу
02367273-92E10-000

GROMMET

Втулка

по запросу
02467295-92E00-000

SCREW

Винт

по запросу
02567271-92E00-000

COVER

Крышка

по запросу
02667211-93J10-000

COVER

Крышка

по запросу
02767296-92E70-000

SCREW

Винт

по запросу
02867500-93J10-000

KIT, REMOCON SPACER TWIN

Комплект крепежа сдвоенного дистанционного управления

по запросу
02909125-05135-000

SCREW

Винт

по запросу
03009160-05029-000

WASHER

Шайба

по запросу
03109140-05005-000

NUT

Гайка

по запросу

Дополнительные опции лодочного двигателя Suzuki DF90-ATL K9 2009 - подобрать и купить


 
 

данный сайт носит информационный характер и не является публичной офертой

склад запчастей для водомоторной техники