вконтакте

Контактный телефон: +7 (981) 121-46-93, +7 (800) 200-90-76 , Email: parts-katalog@yandex.ru, где купить

 
 
Главная Как заказать Каталоги Контакты

  Логин:

Пароль:

Регистрация

Узнать наличие и цену запчасти:


УВАЖАЕМЫЕ КЛИЕНТЫ!
C 19 ДЕКАБРЯ 2025 ПО 02 МАРТА 2026 ГОДА ОТДЕЛ ЗАПЧАСТЕЙ И СЕРВИС РАБОТАТЬ НЕ БУДУТ
ПРОДАЖА ЛОДОЧНЫХ МОТОРОВ В ШТАТНОМ РЕЖИМЕ
ОБ ИЗМЕНЕНИЯХ В ГРАФИКЕ РАБОТЫ ЧИТАЙТЕ НА САЙТА



Лодочные моторы :: Suzuki :: Четырехтактные :: Suzuki DF5 K9 - 2009


ЗАПЧАСТИ ДЛЯ ЛОДОЧНЫХ МОТОРОВ SUZUKI
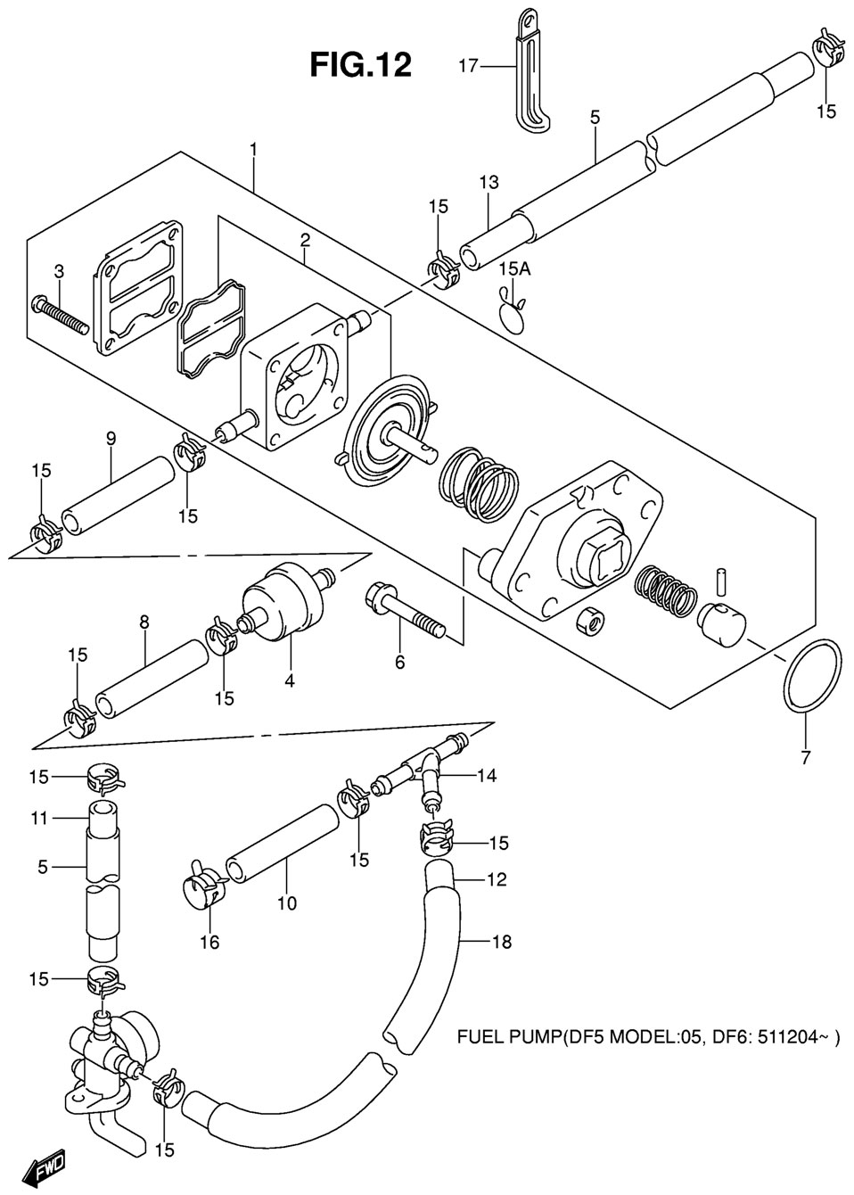
ТОПЛИВНЫЙ НАСОС (FUEL PUMP) ДЛЯ SUZUKI DF5 ВЫПУСКА 2005-2009
FIG 12

топливный насос Fuel Pump для моторов Suzuki DF5 2005-2009

Чтобы узнать цену, наличие запасной части на складе или купить, нажмите ссылку "запросить цену". Чтобы посмотреть подробную информацию и фотографии, нажмите на код запчасти. Для запчастей со статусом "не поставляется" можете попробовать уточнить возможность поставки.

все блоки

Номер
на чертеже
Код по каталогуНазвание (eng)Название (rus)Цена
00115100-91J01-000

PUMP ASSY, FUEL

Топливный насос в сборе

по запросу
00215170-91J00-000

DIAPHRAGM SET

Комплект диафрагмы

по запросу
00315251-91J00-000

SCREW

Винт

по запросу
00415410-98500-000

FILTER

Фильтр топливный, в сборе

по запросу
00518498-89J10-000

PROTECTOR (L:180)

Протектор

по запросу
00609103-06182-000

BOLT (6X28)

Болт (6X28)

по запросу
00709280-27006-000

O RING (D:2.0 ID:27.5)

Кольцо (D:2.0 ID:27.5)

по запросу
00809355-50105-600

HOSE, FUEL (ELB TO FILTER) (L:600->0)

Шланг

по запросу
00909355-50105-600

HOSE, FUEL (FILTER TO PUMP) (L:600->0)

Шланг (от фильтра к помпе)

по запросу
01009359-50101-600

HOSE, FUEL (CONN TO ELB) (L:600->0)

Шланг

по запросу
01109355-50105-600

HOSE, FUEL (TANK TO COCK) (L:600->60)

Шланг (от топливного бака до крана)

по запросу
01209355-50105-600

HOSE, FUEL (COCK TO ELB) (L:600->50)

Шланг

по запросу
01309355-50105-600

HOSE, FUEL (PUMP TO CARB) (L:600->70)

Шланг

по запросу
01409367-06007-000

3 WAY, ELB

Соединение 3-х стороннее

по запросу
01509401-09403-000

CLIP

Крепёж

по запросу
015A59412-91J00-000

CLIP (DF5:680901~, DF6:681383~)

Крепёж (для моделей DF5:680901~, DF6:681383~)

по запросу
01617817-90J00-000

CLIP (<-9401-11405)

Крепёж (<-9401-11405)

по запросу
01729404-93J10-000

CLAMP (<-9404-06432)

Струбцина (<-9404-06432)

по запросу
01818498-94J20-000

PROTECTOR (L:320)

Протектор

по запросу

Каталога запчастей для Suzuki DF5


 
 

данный сайт носит информационный характер и не является публичной офертой

склад запчастей для водомоторной техники