вконтакте

Контактный телефон: +7 (981) 121-46-93, +7 (800) 200-90-76 , Email: parts-katalog@yandex.ru, где купить

 
 
Главная Как заказать Каталоги Контакты

  Логин:

Пароль:

Регистрация

Узнать наличие и цену запчасти:


УВАЖАЕМЫЕ КЛИЕНТЫ!
C 19 ДЕКАБРЯ 2025 ПО 02 МАРТА 2026 ГОДА ОТДЕЛ ЗАПЧАСТЕЙ И СЕРВИС РАБОТАТЬ НЕ БУДУТ
ПРОДАЖА ЛОДОЧНЫХ МОТОРОВ В ШТАТНОМ РЕЖИМЕ
ОБ ИЗМЕНЕНИЯХ В ГРАФИКЕ РАБОТЫ ЧИТАЙТЕ НА САЙТА



Лодочные моторы :: Suzuki :: Четырехтактные :: Suzuki DF4 K9 - 2009


ЗАПЧАСТИ ДЛЯ ЛОДОЧНЫХ МОТОРОВ SUZUKI
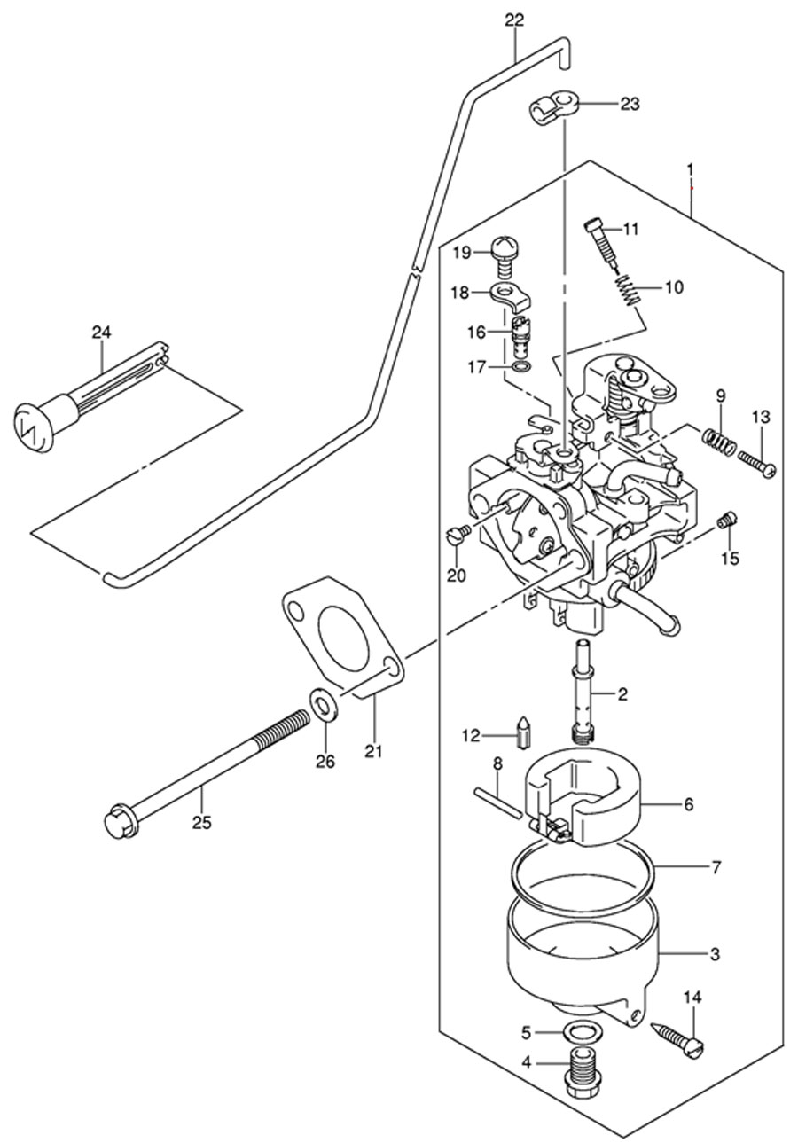
КАРБЮРАТОР (CARBURETOR)
ДЛЯ МОДЕЛЕЙ SUZUKI DF6 ВЫПУСКА 2003

карбюратор для моделей Suzuki DF6 2003 года выпуска

Чтобы узнать цену, наличие запасной части на складе или купить, нажмите ссылку "запросить цену". Чтобы посмотреть подробную информацию и фотографии, нажмите на код запчасти. Для запчастей со статусом "не поставляется" можете попробовать уточнить возможность поставки.

все блоки

Номер
на чертеже
Код по каталогуНазвание (eng)Название (rus)Цена
00113200-91J20-000

CARBURETOR

Карбюратор

по запросу
00213236-91J10-000

NOZZLE, MAIN

Распылитель главный

по запросу
00313245-986A0-000

CHAMBER, FLOAT

Камера плавающая

по запросу
00413247-986A0-000

PLUG, DRAIN

Винт, сливной

по запросу
00513249-90100-000

GASKET, DRAIN PLUG

Прокладка

по запросу
00613250-87420-000

FLOAT

Поплавок

по запросу
00713251-87400-000

GASKET, FLOAT CHAMBER

Прокладка камеры

по запросу
00813254-98300-000

PIN, FLOAT

Штифт плавающий

по запросу
00913268-92910-000

SPRING

Пружина

по запросу
01013268-96111-000

SPRING

Пружина

по запросу
01113662-91J00-000

ADJUSTER

Регулятор

по запросу
01213371-91J00-000

VALVE, NEEDLE

Клапан

по запросу
01313534-98900-000

SCREW, THROTTLE STOP

Винт, стопор газа

по запросу
01413279-90000-000

ADJUSTER

Регулятор

по запросу
01509491-85013-000

JET, MAIN (85)

Жиклер главный (85)

по запросу
01609492-35028-000

JET, PILOT (35)

Жиклер пропускной (35)

по запросу
01713278-45010-000

O-RING

Кольцо уплотнительное

по запросу
01813272-91J00-000

PLATE

Пластина

по запросу
01902112-35087-000

SCREW

Винт

по запросу
02009493-80010-000

JET, AIR (0.8)

Жиклер воздушный (0.8)

по запросу
02113125-91J00-000

GASKET, CARBURETOR

Прокладка карбюратора

по запросу
02213413-91J00-000

ROD, CHOKE

Штанга

по запросу
02313436-91J00-000

CONNECTOR, CHOKE ROD

Соединение отбойника

по запросу
02413631-91J00-000

KNOB, CHOKE

Рукоятка отбойника

по запросу
02501547-06807-000

BOLT

Болт

по запросу
02608322-01067-000

WASHER

Шайба

по запросу

Содержание каталога запчастей для лодочного мотора Suzuki DF4, DF5, DF6


 
 

данный сайт носит информационный характер и не является публичной офертой

склад запчастей для водомоторной техники